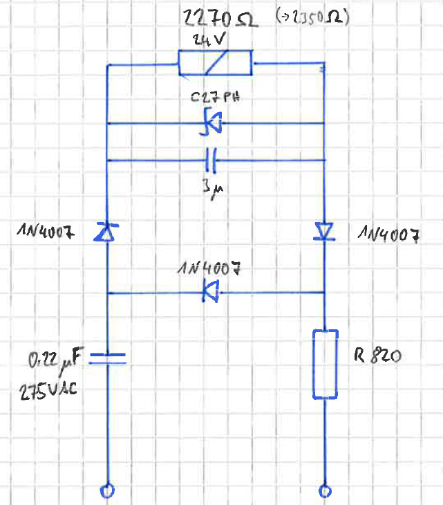
Hallo zusammen! ich habe ein Problem mit einem Relais, das nur sporadisch durchschaltet. Das Problem ist wohl, dass am Relais nur ~11,6V anliegen bei einer Nennspannung des Relais von 24V. Im Anhang habe ich versucht, die Ansteuerung aufzuzeichnen. Ich hoffe ich habe alles richtig abgezeichnet. Kann der Kondensator unten für die verringerte Spannung verantwortlich sein? Oder wo kann ich mit der Fehlersuche beginnen? Alternativ einfach ein 12V Relais einbauen? Und kann mir jemand die Schaltung grob erklären? Verstehe ich das richtig, dass hier mit Netzspannung dann ein 24VDC Relais geschalten wird? Vielen Dank schon mal!
Erste Kandidaten sind der Kondensator und die Z-Diode. Du kannst ja mal das Relais abklemmen, dann muß die Z-Spannung anliegen.
Oliver schrieb: > Und kann mir jemand die Schaltung grob erklären? Verstehe ich das > richtig, dass hier mit Netzspannung dann ein 24VDC Relais geschalten > wird? Suche mal nach Kondensatornetzteil!
Nur um es mal gesagt zu haben: Es wird nicht 'geschalten' sondern 'geschaltet'!
Hallo, vielen Dank für die Antworten. Jetzt habe ich als Maschinenbauer es auch verstanden ;-) Es lag übrigens am Kondensator.
Bitte melde dich an um einen Beitrag zu schreiben. Anmeldung ist kostenlos und dauert nur eine Minute.
Bestehender Account
Schon ein Account bei Google/GoogleMail? Keine Anmeldung erforderlich!
Mit Google-Account einloggen
Mit Google-Account einloggen
Noch kein Account? Hier anmelden.
