Hallo, folgende Frage: Kann man die Funktion eines Transistors so umkehren, dass ein Transistor den Strom ganz normal in seinem Kreislauf leitet, aber sobald aus einem 2. Kreislauf Strom hinzugefügt wird, dieser sperrt? Ich habe keine wirkliche praktische Anwendung dafür, es würde mich nur interessieren. Ich weiß, mit einem Relais würde das alles leichter funktionieren, aber das Relais hat gegenüber Transistoren halt gewisse Nachteile, die hier jeder kennt. Ich habe mir also Folgendes (siehe Anhang) überlegt, würde das in der Art funktionieren? (Bitte nicht meckern, dass an der Basis kein Widerstand hängt und der Kreislauf im Prinzip kurzgeschlossen ist –> ging schneller so und sollte zu Demo-zwecken reichen). Man nehme Kreislauf 1 (von "+ (1)" zu "GND"): Transistor im Kreislauf 1 hat an der Basis eine positive Spannung, dadurch kann der Hauptstrom fließen. Schaltet man nun Kreislauf 2 dazu (von "+ (2)" zu "GND"), dann wird Transistor im Kreislauf 2 leitend. Dadurch fließt Strom über diesen. Jetzt bekommt aber die Basis vom ersten Transistor zu wenig "Saft" und schaltet deswegen nicht mehr. Der Kreislauf hat sich also in Richtung TRA2 verlegt. Wird dem zweiten Transistor jetzt aber wieder der Strom entrissen, wird dieser nicht leitend, dadurch bekommt die Basis vom 1. Transistor wieder genügend Nährstoff und vermittelt nun zwischen Collector und Emitter. Würde das funktionieren? Jagt mich nicht zum Teufel, wenn die "Idee" sch***e ist :) Hat eventuell jemand andere Vorschläge? LG
Ja, du kannst beliebig viele Inverter hintereinander kaskadieren. Aber du solltest schon ein paar Widerstände spendiern, sonst hast du bald flüssige Transistoren
Wichtig: darauf achten, dass dein Transistor im Kreis 2 möglichst stark durchgesteuert ist, weil wenn die Kollektor-Emitterspannung in dem Bereich von 0.5..0.7V verbleibt ist der andere Transistor trotzdem durchgeschalten. Ergo fließt auch ein (relativ) großer Strom durch diesen Transistor -> ineffektiv. Vielleicht lieber MOSFETS nehmen, aber prinzipiell ist die Schaltung voll funktionsfähig.
Ein Transistor als Schalter arbeitet doch schon als Inverter. Bei zwei Schaltstufen davon hintereinander ist die Invertierung wieder aufgehoben.
M.N. schrieb: > Ja, du kannst beliebig viele Inverter hintereinander kaskadieren. > Aber du solltest schon ein paar Widerstände spendiern, sonst hast du > bald flüssige Transistoren Ok, danke. Ja, das mit den Widerständen ist klar. Enrico schrieb: > Wichtig: darauf achten, dass dein Transistor im Kreis 2 möglichst > stark > durchgesteuert ist, weil wenn die Kollektor-Emitterspannung in dem > Bereich von 0.5..0.7V verbleibt ist der andere Transistor trotzdem > durchgeschalten. Ergo fließt auch ein (relativ) großer Strom durch > diesen Transistor -> ineffektiv. Vielleicht lieber MOSFETS nehmen, aber > prinzipiell ist die Schaltung voll funktionsfähig. Danke für die Erklärung. Je nach Situation sind MOSFETS besser, das stimmt. Günter Lenz schrieb: > Ein Transistor als Schalter arbeitet doch schon > als Inverter. Bei zwei Schaltstufen davon hintereinander > ist die Invertierung wieder aufgehoben. Das verstehe ich nicht ganz, könntest du mir das bitte näher erläutern?
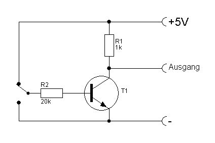
schanzeraner schrieb: > Das verstehe ich nicht ganz, könntest du mir das bitte näher erläutern? Ein "high" am Basiswiderstand eines Transistors bewirkt ein "low" am Kollektor desselben Transistors - dan nennt man Invertierung.
schanzeraner schrieb:
>Das verstehe ich nicht ganz, könntest du mir das bitte näher erläutern?
Invertieren heißt, am Ausgang kommt genau das Gegenteil heraus
was am Eingang anliegt. Wenn am Eingang +5V anliegt,
ist am Ausgang 0V
Günter Lenz schrieb: > schanzeraner schrieb: >>Das verstehe ich nicht ganz, könntest du mir das bitte näher erläutern? > > Invertieren heißt, am Ausgang kommt genau das Gegenteil heraus > was am Eingang anliegt. Wenn am Eingang +5V anliegt, > ist am Ausgang 0V Danke!
Bitte melde dich an um einen Beitrag zu schreiben. Anmeldung ist kostenlos und dauert nur eine Minute.
Bestehender Account
Schon ein Account bei Google/GoogleMail? Keine Anmeldung erforderlich!
Mit Google-Account einloggen
Mit Google-Account einloggen
Noch kein Account? Hier anmelden.


