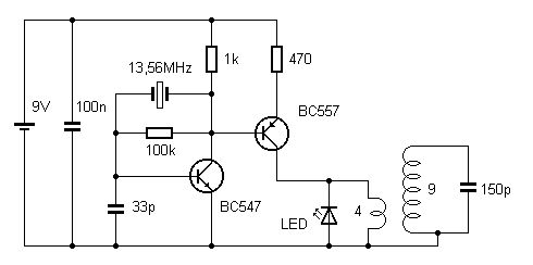
Hallo liebes Forum, ich bin ein HF Neuling und versuche Gerade anhand des Franzis Teslaenergie Baukastens etwas über HF Endstufen zu lernen. Anbei ist der besagte Schaltkreis. Ich würde gerne den 470 Ohm Widerstand durch eine Drossel oder sowas wie einen LC-Kreis ersetzten, denn hier wird ja Abwärme erzeugt - was die Effizienz senken sollte. Das hier ist sicherlich keine bis zum Ende optimierte Schaltung, aber ich würde eben gerne das Prinzip von Drosseln verstehen. Ich würde also gerne den Widerstand durch etwas ersetzten was nichts in Wärme umwandelt. Geht das an dieser Stelle überhaupt? Könnt Ihr mir da helfen? VIELEN DANK! Grüße, Bernd
Bernd schrieb: > Ich würde also gerne den Widerstand durch etwas ersetzten was nichts in > Wärme umwandelt. Ein Widerstand wandelt Gleich- und Wechselströme in Wärme, eine Drossel hauptsächlich die Wechselströme. Das ist die Theorie. Du musst nur Alles richtig dimensionieren, damit das am Ende auch so funktioniert und nichts kaputt geht.
Hallo! Was soll die Drossel an Stelle des 470 Ohm bewirken? Du willst sicher dadurch weniger HF am Tesla-Trafo und eventuell den Transistor gleichstrommäßig überlasten? Bau mit der Drossel einen Leistungstransistor ein, dann geht nichts kaputt und Du hast schön warme Bauelemente.
Hallo Route66, der Widerstand begrenzt ja den Strom durch den Transistor. Würde ich nun einen kleinen 1/6W 100 Ohm Widerstand einsetzten dann wird der ordentlich heiß. Nun müsste man einen größeren (mehr W) Widerstand nehmen. Ich dachten, dass man hier eben einen Filter einbauen kann um eben den Transistor NICHT 'gleichstrommäßig' zu überlasten ;) sondern, dass eben NUR der für die Schwingung nötige HF-Strom hindurch fließt. Grüße, Bernd
Du schaltest deinen Transistor mit 13,56Mhz. Überschlagsmäßig erzeugt dir eine Spule mit nur 5µH schon einen Blindwiderstand von 430 Ohm bei der Frequenz, (Oberwellen gibts natürlich auch!). Da tuts fast ein Stück Draht :)
Bernd schrieb: > Ich dachten, dass man hier eben einen Filter einbauen kann um > eben den Transistor NICHT 'gleichstrommäßig' zu überlasten ;) sondern, > dass eben NUR der für die Schwingung nötige HF-Strom hindurch fließt. Genau das machst du aber eben mit einer Drossel nicht. Die läßt den Gleichstrom (fast) ungehindert durch, setzt ihm nur ihren ohmschen Widerstand entgegen. Dem Wechselstrom hingegen setzt sie ihren frequenzabhängigen Widerstand entgegen (steigt mit der Frequenz). Die Drossel kann man also (stark vereinfacht) als "HF-Blocker" anschauen.
Hallo Thomas, das dachte ich auch, aber dafür müsste der Transistor wie Route66 angesprochen hat perfekt am Arbeitspunkt sein, und kein DC Strom fließen oder? Wie gesagt .. Neuling .. sorry. Grüße, Bernd
Danke NPN, langsam dämmerts .... Also würde ein Abblockkondensator helfen? Aber dann müsste ich die Spannung mit zwei hochohmigen Widerständen so einstellen das der Transistor noch arbeitet, ja? Grüße, Bernd
Bernd schrieb: > Ich würde also gerne den Widerstand durch etwas ersetzten was nichts in > Wärme umwandelt. Geht das an dieser Stelle überhaupt? Nein, den Widerstand brauchst Du zur Kollektorstrombegrenzung. Bernd schrieb: > Also würde ein Abblockkondensator helfen? Ein Abblockkondensator nützt Dir an der Stelle auch nichts. Den hast Du ausserdem schon mit dem 100 nF parallel zur Batterie. Bernd schrieb: > Aber dann müsste ich die > Spannung mit zwei hochohmigen Widerständen so einstellen das der > Transistor noch arbeitet, ja? Der Transistor arbeitet weiterhin nur kann irgendwann nicht mehr genug Strom fliessen um ein ausreichend grosses Magnetfeld in der Primärspuke zu erzeugen. 73
Hallo Sven, somit bleibt mir keine Alternative zu dem Widerstand? Schade. Besten Dank! Bernd
Route_66 schrieb: > Ein Widerstand wandelt Gleich- und Wechselströme in Wärme, eine Drossel > hauptsächlich die Wechselströme. Da solltest du nochmal drüber meditieren!
Cui Bono schrieb: > Route_66 schrieb: > >> Ein Widerstand wandelt Gleich- und Wechselströme in Wärme, eine Drossel >> hauptsächlich die Wechselströme. > > Da solltest du nochmal drüber meditieren! Warum? Dazu werden sie gemacht. Man wählt extra Kernmaterialien, die im angepeilten Frequenzbereich hohe Verluste haben. Dann wird die magnetische Energie in Wärme umgewandelt.
Route 66 schrieb:
>Warum? Dazu werden sie gemacht.
Das Ziel bei Drosseln ist, das keine Wärme erzeugt wird.
Route 66 schrieb: > Warum? Dazu werden sie gemacht. Sicher nicht. Dafür sind sie gemacht: http://www.spektrum.de/lexikon/physik/drosselspule/3420 > Man wählt extra Kernmaterialien, die im > angepeilten Frequenzbereich hohe Verluste haben. Dann wird die > magnetische Energie in Wärme umgewandelt. Über die Gründe, warum man bei Drosseln verlustbehaftete Kernmaterialien in Kauf nimmt, solltest du auch nochmal meditieren.
Gut, da es mir auch um eine höhere Ausgangsleistung dieser Schaltung ging werde ich einen neuen Thread aufmachen. Besten Dank ... ich denke nun habe ich das Prinzip der HF-Drossel kapiert. Grüße, Bernd
Bitte melde dich an um einen Beitrag zu schreiben. Anmeldung ist kostenlos und dauert nur eine Minute.
Bestehender Account
Schon ein Account bei Google/GoogleMail? Keine Anmeldung erforderlich!
Mit Google-Account einloggen
Mit Google-Account einloggen
Noch kein Account? Hier anmelden.
