Hallo, ich versuche einen 8bit Addierer zu realisieren, der sein Ergebnis invertieren kann. Dazu verwende ich den 74xx283 Baustein und xor Gatter. Doch wenn ich das Ding simuliere, funktioniert nur 0+0, 0+1 und 1+0 (sim_1). Sobald ich als Eingang 1+1 habe, kommt irgend etwas seltsames als Ergebnis, ich sehe auch kein Muster dahinter (sim_2). Ich denke mir eigentlich schon, dass der 1+1 = 0 1 weiter beherrscht. liebe Grüße, Andreas
Hallo, kann es sein, dass die Bits des Addierers vertauscht sind ? MSB vs. LSB ? Gruß, Micha
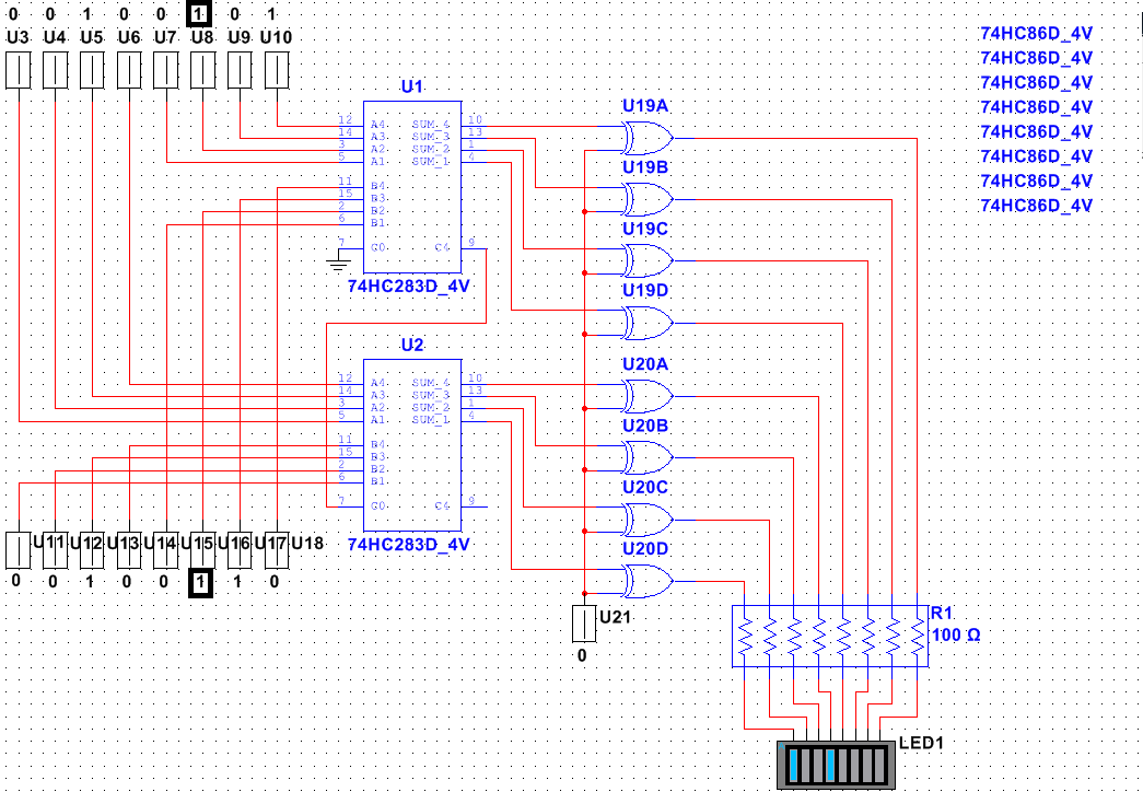
Du hast alles mögliche verdreht angeschlossen. Richtige Bitfolge oben wäre: U6 U5 U4 U3 U10 U9 U8 U7 unten: U14, U13, U12, U11, U18, U17, U16, U15 Ausgabe (von links nach rechts an LED1): U2 SUM_4 U2 SUM_3 U2 SUM_2 U2 SUM_1 U1 SUM_4 U1 SUM_3 U1 SUM_2 U1 SUM_1 Was du effektiv addierst ist 0x48 + 0x46 = 0x8e also 01001000 +01000110 --------- 10001110 Und genau das wird auch ausgegeben, nur eben in sehr eigenwilliger Bitfolge auf LED1.
Andi schrieb: > Vertauscht? > > beabsichtigt ist: > U1 SUM_4 = LSB > U2 SUM_1 = MSB Funktioniert der '283 nicht andersrum: SUM_1 == LSB, SUM_4 == MSB?
Hab nicht beachtet dass der 283er intern den übertrag von 1 nach 4 macht und deshalb wirklich alles mögliche falsch angeschlossen :( Jetzt klappts! Danke!
Bitte melde dich an um einen Beitrag zu schreiben. Anmeldung ist kostenlos und dauert nur eine Minute.
Bestehender Account
Schon ein Account bei Google/GoogleMail? Keine Anmeldung erforderlich!
Mit Google-Account einloggen
Mit Google-Account einloggen
Noch kein Account? Hier anmelden.

