Hallo Ich habe mich wohl gerade etwas im Wald verirrt: Für eine Audio-Stufe möchte ich die Lautsprecher von DC schützen. Wie kann ich einfach den DC-Anteil eines Audio-Signals ermitteln (nicht digital)? Der Verstärker wird mit +-30V betrieben, was für die meisten OpAmps schon viel ist. Und herunterteilen und dann glätten sowie eine Auswertung ob jetzt positiver oder negativer DC anliegt ist (gedanklich) recht aufwendig. Gehts auch einfacher? Kapazitive kopplung um ein AC-Signal vom DC zu trennen kenne ich, aber da hat man nur noch das AC-Signal. Ich möchte gerade den umgekehrten Weg: AC-Weg und nur noch DC. Meine Bisherigen Ansätze waren einfach ein TP-Filter (R=47k und C=47u), aber das ist recht träge und hat immer noch grossen rippel. BTW: Was sind so gängige Schwellwerte? 5V und dann die Lautsprecher kappen oder wie? Besten Dank, Patrick
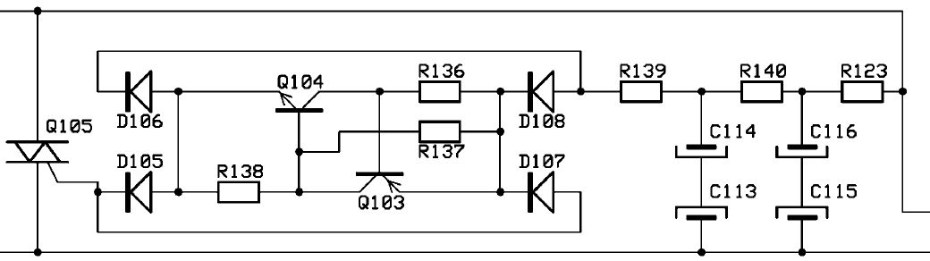
Eine bewährte Schaltung von Lab Gruppen: C113, 114, 115, 116: 22µF/50V R123: 27k/0,7W R140: 27k/0,7W R139: 47R/0,25W R136: 22k/0,7W R137: 390k/0,7W R138: 22k/0,7W Q103: BC557B Q104: BC547B Q105: Q6015L5LY D105, 106, 107, 108: 1N4148 Funktion: Zweistufiges Tiefpassfilter trennt Tonfrequenz ab. Verbleibendes Signal wird von den 4 als Brücken-Gleichrichter geschalteten Dioden auf die Transistoren gegeben. Diese Transistoren sind als Thyristor geschaltet. ist der kritische Schwellweret überschritten, zündet dieser selbstgebaute Thyristor und zündet über den 47 Ohm Widerstand den Triac. Diese Crowbarschaltung ist sehr wirkungsvoll, da die oft eingesetzten relais nur bei kleinen Leistungen den Gleichstrom sicher unterbrechen. Bereits bei HiFi Verstärkern der 150W-Klasse sind die Railspannungen so hoch, dass Relais ohne Blasmagnet den Lichtbogen nicht mehr löschen können.
Walter Braun schrieb: > dass Relais ohne Blasmagnet den Lichtbogen nicht mehr löschen können. Leicht OT, aber solche Blasmagnete kann man ja wohl auch nachträglich an Standardrelais anbringen. Kennt irgendwer einen Link, wo einer dass mal getestet hat und was für Magnete man da am besten nimmt? Reicht da ein normaler Reedkontaktmagnet aus, oder muss es etwas stärkeres sein? Gruss Harald
"Mittelwert eine AC-Signals extrahieren"? Hhm, "DC-Schutz" wäre wohl eine sinnvollere Überschrift gewesen. >Und herunterteilen und dann glätten sowie eine Auswertung ob jetzt >positiver oder negativer DC anliegt ist (gedanklich) recht aufwendig. Das findest du aufwendig? Dann schau mal in eine DIGAM 7000 rein. Da hast du dann was aufwendiges. Nein, Herunterteilen, Tiefpaßfiltern und beide Polaritäten auswerten, ist natürlich überhaupt nicht "aufwendig". >Meine Bisherigen Ansätze waren einfach ein TP-Filter (R=47k und C=47u), >aber das ist recht träge und hat immer noch grossen rippel. Es ist nicht schwierig eine Zeitkonstante und eine Ansprechschwelle zu finden, die bei einem normalen Signal keine Fehltriggerung auslöst. Das Auftreten von "Ripple" ist dann irrelevant, weil unvermeidlich. >BTW: Was sind so gängige Schwellwerte? 5V und dann die Lautsprecher >kappen oder wie? Schwellwert und Zeitkonstante bilden eine Einheit. Oft wird ein Transistor durchgesteuert, wenn "DC" detektiert wird. Also ist der Schwellwert dann um die 0,7V. Wenn noch eine Diode davor liegt, oder ein Spannungsteiler, sind es entsprechend mehr. Je niedriger der Schwellwert, um so größer die Zeitkonstante und umgekehrt. Letztlich sollen die Lautsprecher vor einer defekten Endstufe geschützt werden, wenn durch Überhitzung eine Kollektor-Emitter-Strecke (oder Drain-Source-Strecke) durchlegiert und am Ausgang plötzlich die volle Versorgungsspannung der Endsufe ansteht. Gekappt werden deshalb gerne die Lautsprecher mit einem Relais. Bei höheren Versorgungsspannungen der Endstufe klappt das nicht, weil sich ein permanenter Lichtbogen bilden kann. Dann ist es sinnvoll das Netzteil der Endstufe abzuschalten. In der Regel haben große Endstufen ja sowieso eine Einschaltstrombegrenzung, wo man die Notabschaltung bequem durchführen kann. Es entladen sich dann lediglich noch die Siebelkos in den Lautsprecher, was dieser in der Regel ohne Schaden übersteht.
Bitte melde dich an um einen Beitrag zu schreiben. Anmeldung ist kostenlos und dauert nur eine Minute.
Bestehender Account
Schon ein Account bei Google/GoogleMail? Keine Anmeldung erforderlich!
Mit Google-Account einloggen
Mit Google-Account einloggen
Noch kein Account? Hier anmelden.
