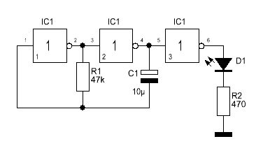
Ich bin im Internet bei der Suche nach einer Schaltung auf eine ungwöhnliche Art der Takterzeugung gestoßen. So wird auf dem Angehängten Schaltplan mithilfe eines 6-fach Inverters ein takt erzeugt. Nun würde ich gerne kurz wissen wieso man auf solch eine Art der takterzeugung zurückgreift. Hat diese schaltung irgendwelche Vorteile gegenüber zB einem Taktgeber mit einem NE555? Also zB das die andere genauere oder steilere flanken hat oder so, bzw mit höheren frequenzen zurecht kommt? Es handelt sich bei der Schaltung um ein 4069
Moin, Der Vorteil dieser Schaltung kommt hauptsaechlich dann zum Tragen, wenn du keinen einzigen 555 hast, aber noch ein paar Inverter irgendwo rumliegen... Gruss WK
oki danke :) wenn man beides in großer Zahl rumliegen hat was würde man denn da dann eher nehmen? Es geht um eine takterzeugung für serielle datenübertragung.
sieht mir eher wie ein Prinzipbild aus, ich kenne das eher mit Schmitttrigger Eingängen, dort sind die Flanken steiler bzw. die Umschaltung oder so ist mir noch in Erinnerung. Warum, weil noch einige Gatter über sind und keine extra Bauteile Geld oder Platz verschwenden, weil es extrem billig werden soll, weil es für die Anwendung genügt oder nur um zu Zeigen das es geht?
Malte S. schrieb: > So wird auf dem Angehängten > Schaltplan mithilfe eines 6-fach Inverters ein takt erzeugt Huuuuch, ich hab eine Sehschwäche, ich sehr nur drei. Und eine davon ist auch noch überflüssig.
Arduinoquäler schrieb: > Malte S. schrieb: >> So wird auf dem Angehängten >> Schaltplan mithilfe eines 6-fach Inverters ein takt erzeugt > > Huuuuch, ich hab eine Sehschwäche, ich sehr nur drei. > > Und eine davon ist auch noch überflüssig. Ja ich weiß das sind nur drei aber der 4069 ist ein 6-fach Inverter :D auch wenn von den 6 nur drei benutzt werden von denen noch einer wie du/sie sagst überflüssig ist :D
Malte S. schrieb: > Es geht um eine takterzeugung für serielle datenübertragung. Vermutlich serielle Rauchzeichen.
Okay danke für die Antworten :) ich werde vermutlich lieber nen NE555 nehmen da der kleiner ist und weniger platz verschwendet
Dagdgeber schrieb: > Malte S. schrieb: >> Es geht um eine takterzeugung für serielle datenübertragung. > > Vermutlich serielle Rauchzeichen. Anstelle der LED kommt vermutlich ein eingang eines Schieberegisters und eines binärzählers also eher keine rauchzeichen vermute ich ^^
Malte S. schrieb: > und weniger platz verschwendet Ja ich bin auch gegen die Platzverschwendung durch Urwald-Abholzung.
Arduinoquäler schrieb: > Und eine davon ist auch noch überflüssig. Du meinst sicherlich das dritte Gatter. Meiner Meinung nach dient das zur Entkopplung, damit die Last keinen Einfluß auf R/C hat. Insofern durchaus nicht überflüssig!
Arduinoquäler schrieb: > Und eine davon ist auch noch überflüssig. Und welcher soll da deiner Meinung nach überflüssig sein?
Moin, Malte S. schrieb: > Es geht um eine takterzeugung für serielle > datenübertragung. Dann wuerd' ich keinerlei RC-basierte Schaltung nehmen, sondern eher einen CD4060 mit entsprechendem Quarz(oszillator aus seinen Gattern). RC Oszillatoren sind mir nicht frequenzstabil genug. Gruss WK
Wer sagt denn, daß es sich um eine asynchrone serielle Übertragung handelt, bei der es auf die Genauigkeit des Taktgebers ankommt?
derguteweka schrieb: > Der Vorteil dieser Schaltung kommt hauptsaechlich dann zum Tragen, wenn > du keinen einzigen 555 hast, aber noch ein paar Inverter irgendwo > rumliegen... Die "rumliegenden Inverter" sind bestenfalls sogar die unbenutzten Teile von Mehrfach-Inverter-Gatter wie etwa einem 4096, die man für den Rest der Schaltung benötigt. Dann braucht man keinen weiteren Baustein. Nachteil ist die sehr ungenaue und stark von Bauteil-Toleranzen abhängige Frequenz. Wenn man dagegen für beides einen weiteren Baustein braucht, dessen Kosten auch nichts ins Gewicht fallen, und auch alles vorrätig hat, würde ich vermutlich den 555 bevorzugen -- es sei denn, der Takt sollte schon etwas genauer sein (wie für eine Serielle Schnittstelle a la RS232) -- dann würde ich derguteweka schrieb: > Dann wuerd' ich keinerlei RC-basierte Schaltung nehmen, sondern eher > einen CD4060 mit entsprechendem Quarz(oszillator aus seinen Gattern). RC > Oszillatoren sind mir nicht frequenzstabil genug. zustimmen.
Malte S. schrieb: > Ich bin im Internet bei der Suche nach einer Schaltung auf eine > ungwöhnliche Art der Takterzeugung gestoßen. So wird auf dem Angehängten > Schaltplan mithilfe eines 6-fach Inverters ein takt erzeugt. Und was soll daran jetzt ungewöhnlich sein? Das ist die Standard- schaltung für einen astabilen Multivibrator mit zwei Logik-Gattern und einem dritten Gatter als Treiber/Entkoppelstufe dahinter. > Nun würde > ich gerne kurz wissen wieso man auf solch eine Art der takterzeugung > zurückgreift. Hat diese schaltung irgendwelche Vorteile gegenüber zB > einem Taktgeber mit einem NE555? Gegenfrage: was soll denn bitte der Vorteil eines 555 sein? Der 555 ist ein lausiger Taktgeber. Zumindest die bipolare Variante. Die o.g. Schaltung dürfte auch älter sein als der 555. Auf jeden fall älter als der CMOS-555. Sie funktioniert mit jeder Logikfamilie und über weite Frequenzbereiche. Man kann auch den Kondensator durch einen Quarz ersetzen und erhält dann einen Quarzoszillator. > Also zB das die andere genauere oder steilere flanken hat oder so, > bzw mit höheren frequenzen zurecht kommt? Alles das auch. Vor allem liefert sie halt einen exakten Logikpegel. Und man kann sie aus Gattern bauen, die ja in einer größeren Logikschaltung gern mal übrig bleiben. Man braucht eigentlich nur zwei Inverter (womit NAND und NOR auch gehen). > Es handelt sich bei der Schaltung um ein 4069 Das ist ein unwichtiges Detail. Man kann die Schaltung auch mit TTL- Gattern aufbauen (allerdings dann nicht mit R1=47K). Oder mit nahezu jeder anderen Logikfamilie auch.
Malte S. schrieb: > Es handelt sich bei der Schaltung um ein 4069 Typische Laienschaltung gezeichnet von jemandem, der nicht im mindesten erfasst hat, wie sie funktioniert. Ach, die Elektronikerseite. Dabei steht es schon seit langem in derhttp://www.dse-faq.elektronik-kompendium.de/dse-faq.htm#F.31 Die Spannung am Elko wird bei jedem Umschalten weit ausserhalb der Versorgungsspannung geschoben, nehmen wir 6V als Versorgung an, Umschaltpunkte der Schmitt-Trigger bei 2V und 4V, dann wechselt er von 4V auf 10V und von 2V auf -4V. Blöderweise mögen CMOS ICs wie der CD4069 keine Spannung ausserhalb ihrer Versorgungsspannung und leiten die mit Eingangeschuitzdioden ab. Einerseits fliesst daraufhin grosse Strom über die Eingangsschutzdioden, mindestens so viel wie der Ausgang treiben kann, und wenn das für den Eingang ausreicht um den IC ins Latch-Up zu treiben, war's das. Ausserdem entladen die Dioden den Elko ruck zuck, von 10V auf 6.7V und von -4V auf -0.7V, was die berechnete Frequenz komplett versaut, man muss einen ca. doppelt so grossen Elko verwenden. Ausserdem: Was heisst hier Elko: Der Kondensator wird regelmässig umgepolt, das lieben Elkos nun nicht wirklich. Ach so, sagte ich schon: Natürlich verwendet man keinen einfachen Inverter CD4069 sondern einen Schmitt-Trigger wie CD4093, schliesslich will man umschalten und nicht durchgleiten und hängt dann in Analogrückkopplung bei halber Versorgungsspannung taktlos rum. Korrekt sieht die Schaltung also so aus:
1 | CD4093 |
2 | +-|>o-+-|>o-+-- |
3 | | | | |
4 | R2 R | |
5 | | | | |
6 | +-----+--C--+ |
wobei R2 das Abfliessen der Ladung über die Eingangsschutzdioden verhindern soll, also sehr hochohmig ist, Maximalwert begrenzt durch den Eingangsstrom des Schmitt-Triggers. Beispielswert 1 Mega Ohm. Und der C natürlich bipolar sein muss. Einfacher geht es so:
1 | TC4S584 |
2 | +-|>o-+-- |
3 | | | |
4 | +--R--+ |
5 | | |
6 | C |
7 | | |
8 | GND |
bei dem man aber für dieselbe Frequenz mit einem viel grösseren (3 mal so grosser Kapazitätswert) Kondenstaor arbeiten muss, dafür fdarf es ein gepolter Elko sein. Malte S. schrieb: > Hat diese schaltung irgendwelche Vorteile gegenüber zB > einem Taktgeber mit einem NE555 Sie hat den Nachteil, daß die Frequenz nicht so genau ist.
okay danke für die weiter gehenden Informationen. Ich werde die ganze geschichte mit der seriellen datenübertragung einfsch mal mit einem NE 555 versuchen und schauen ob dies auch geht. Weil der NE 555 ist nur DIL 8 und die sechs gatter halt DIL 16
Bitte melde dich an um einen Beitrag zu schreiben. Anmeldung ist kostenlos und dauert nur eine Minute.
Bestehender Account
Schon ein Account bei Google/GoogleMail? Keine Anmeldung erforderlich!
Mit Google-Account einloggen
Mit Google-Account einloggen
Noch kein Account? Hier anmelden.
