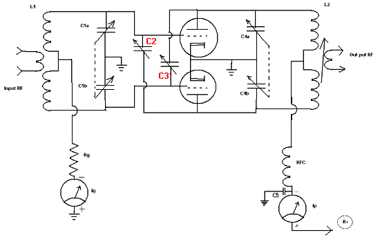
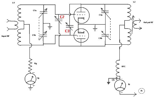
Hallo Forum, ich habe ein paar YL1080 beim Würfeln gewonnen. Wofür ist nun diese Neutralisation da? Schwingneigung bekämpfen? Diese eingebauten Kondensatoren erinnern doch eher an einen a-stabilen Multivibrator?! Was geht da ab?!
ja der gute Meinke Gundlach, den ich nicht habe... Der Link: Leider werden bei mir viele Seiten nicht angezeigt... wo steht das jetzt genau?!
Heiopei 73 schrieb: > Wofür ist nun diese Neutralisation da? Neutralisation ist der Versuch, die Auswirkungen unerwüschter parasitärer Elemente durch eine entgegengesetzte Wirkung aufzuheben.
Heiopei 73 schrieb: > Der Link: Leider werden bei mir viele Seiten nicht angezeigt... Ja klar, Gugel will ja den Bücherverkäufern nicht völlig das Geschäft vermiesen. > wo steht das jetzt genau?! Schrieb ich doch: O.13.
Eine Triodenendstufe mit einem Schwingkreis am Gitter und einem weiteren Schwingkreis an der Anode würde als Huth-Kühn-Oszillator schwingen. Die Rückkopplung findet durch die Miller-Kapazität statt. Die Kondensatoren C2 und C3 "neutralisieren" das durch die Rückführung eines um 180° gedrehten Signals. Wird überneutralisiert, kann es ebenfalls zu Eigenschwingungen kommen.
Bitte melde dich an um einen Beitrag zu schreiben. Anmeldung ist kostenlos und dauert nur eine Minute.
Bestehender Account
Schon ein Account bei Google/GoogleMail? Keine Anmeldung erforderlich!
Mit Google-Account einloggen
Mit Google-Account einloggen
Noch kein Account? Hier anmelden.

