Hi, ich habe im Haus einen Taster für eine Außenlampe mit Bewegungsmelder. Draußen ist auch eine Taste und das Relais dazu. Nun möchte ich den Zustand des Relais am Schalter im Haus sichtbar machen. Ursprünglich war nur ein Schalter ohne Glimmlämpchen im Haus und eine Lampe draußen, am Schalter ist nur 1x Phase und der Schaltdraht nach draußen. Ich möchte die Wand nicht aufreißen. Gibt es eine Möglichkeit ein Glimmlämpchen nachzurüsten - Idee? Gruß JJ
Ich fürchte, das wird nicht gehen. Du benötigst zwei Leitungen zusätzlich zu deinem inneren Taster, um den Zustand anzeigen zu können. Vielleicht kann man auch das Stromstoßrelais durch eine Zeitrelais ersetzen, dann erübrigt sich die Frage, ob dauernd das Licht brennt - es geht nach ein paar Minuten aus.
Seit wann werden 1-adrige Leitungen bei der Hausinstallation verwendet? Ist die Zuleitung zum inneren und äußeren Taster von der E-Verteilung auch nur 1-adrig?
Simple idee: zustand per Optokoppler feststellen und an 433Mhz Modul weitergeben. Ist die Lampe an, Oszilliert der Sender, und der Empfangskreis im Haus, welcher sich im Lichtschalter befindet, lässt eine LED leuchten. das ganze betreibst du mit Batterie, die du halt mal tauschen musst, dafür bleibt die Wand zu :-)
Mal eine ganz 'unelektronische' Idee: Ist ein Fenster in der Nähe? Dann könnte ein, geschickt angebrachter, kleiner Spiegel helfen. Mit freundlichen Grüßen - Martin
Jens schrieb: > ich habe im Haus einen Taster für eine Außenlampe mit Bewegungsmelder. Hier will der TO den Zustand des Relais sehen, wie soll das gehen, wenn der Bewegungsmelder die Lampe auch aus schaltet?
Jens schrieb: > Gibt es eine Möglichkeit ein Glimmlämpchen nachzurüsten - Idee? Da du deine Frage unter "Mikrocontroller und Digitale Elektronik" postest, käme vielleicht eine Lösung in Frage, die die beiden vorhandenen Adern sowohl für Stromversorgung der Lampe, als auch für bidirektionale Datenübertragung nutzt. Wenn man den Strom für die Lampe zwischendurch immer für kurze Zeit (ms) abschaltet und in diesem Zeitraum die Daten überträgt, sollte das doch funktionieren.
>>Ist die Zuleitung zum inneren und äußeren Taster von der E-Verteilung auch nur 1-adrig? Es ist nur eine Ader vom Taster zur Außenlampe vorhanden, unswar der geschaltete Draht. Natürlich ist an der Außenlampe auch ein N Leiter. N und L1 (PE) für den Außenbereich sind für draußen noch mal separat geholt... >>das ganze betreibst du mit Batterie wenns ohne ginge wäre schon wirklich erstrebenswert. >>Ist ein Fenster in der Nähe Gute Idee! Ich habe auch schon mit dem Gendanken gespielt die Kontrolllampe in der Verteilung draußen zu montieren. Sie ist zwar im Schuppen, aber man könnte sie sichtbar außen anbringen... 2. Option! :-) >>die die beiden vorhandenen Adern ... Ich habe nur eine Ader. >>wie soll das gehen, wenn der Bewegungsmelder die Lampe auch aus schaltet? ...was der BM mit der Lampe macht, das sehe ich ja, da sie direkt beim Fenster auf den Vorhof strahlt. Ich möchte wissen ob das Außenlicht (Stromstoßrelais) generell aktiv ist. Wenn ich parallel zum Taster innen eine Glimmlampe verdrahte, dann Leuchtet dieses solange ich den Taster nicht drücke - logisch. Ich habe am Stromstoßrelais noch einen freien Kontakt zur verfügung. Vielleicht lässt sich etwas mit Dioden und Halbwellen konstruieren.... Danke. Gruß, JJ
Jens schrieb: > Es ist nur eine Ader vom Taster zur Außenlampe vorhanden, unswar der > geschaltete Draht. Natürlich ist an der Außenlampe auch ein N Leiter. > > N und L1 (PE) für den Außenbereich sind für draußen noch mal separat > geholt... Also nochmal: - Vom innen-Taster zur E-Verteiler liegt 3x1,5² ? - Vom außen-Taster zur E-Verteilung liegt 3x1,5² ? Richtig??
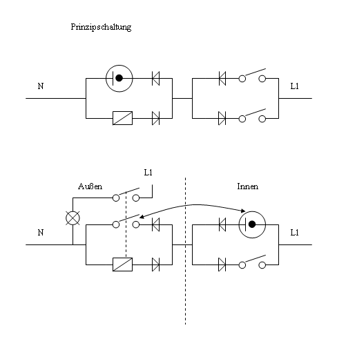
Hi, im Anhang ein Bild meiner aktuellen Überlegung... Was meint Ihr dazu? Einen schönen Ostermontag weiterhin! Gruß JJ @Osterhase007 ...danke das du mir helfen möchtest. Ich weiß nur nicht wie ich es noch erklären kann...!? Alles was aus meiner Sicht wichtig ist habe ich beschrieben.
>>Also nochmal
der Außenevrteiler hat eine eigene Versorgung, welche vom E-Verteiler
innen kommt.
Gleichzeitig ist ein Erdkabel vom Außenverteiler zum Anschluss der
früheren Außenlampe verlegt (Lampenauslass über Abzweigdose verlängert)
- das 3-ader der ehemaligen Außenlampe wurde somit in den Außenverteiler
verlegt. Vom Außenverteiler geht ein Kabel zu einem Taster und eines zu
einer neuen Außenlampe mit Bewegungsmelder. Der ehemalige Schalter innen
wurde durch einen Taster ausgetauscht.
Jetzt kann die neue Außenlampe von innen und außen aktiviert werden.
Der Taster innen, sowie der neue Taster außen bedienen ein Relais,
welches ebenfalls im Außenverteiler untergebracht ist.
Das Problem ist nur, dass ich innen nicht sehen kann welche Stellung das
Stromstoßrelais im Außenverteiler hat...
Gruß,
JJ
Naja, wenn Innen-Taster und Außen-Taster jeweils mit 3*1,5 angefahren sind, kannst du doch eine klassische Wechselschaltung bauen und die Taster wieder durch Schalter ersetzen. Das Relais wäre dann obsolet. Der Bewegungsmelder läuft dann parallel. Klar hättest du dann keinen PE mehr am Schalter --> Vorschriftswidrig, aber der ist womöglich jetzt auch nicht angeschlossen. Falls ich dein Leitungs-Schema missverstanden habe, schreibe doch bitte jeweils zu den Leitungen aus dem letzten Bild die Aderanzahl.
Hi, ich habe diese Lösung nun mal so eingebaut. Anfangs hatte ich das Problem das das SSR nicht mit einer Halbwelle zufrieden war, ich habe dies nun mit einem weiteren Trick gelöst. Siehe da, es funktioniert. Durch die Verwendung eines weiteren Monostabilen 230V Hutschinenrelais habe ich mir auch die Trennung von Außen und Innenstromkreisen weietrhin erhalten können, welche ich zwecks des Glimmlampenwunsches hätte aufgeben müssen. Der Außenkreis (Außenverteiler) ist eigentlich über einen separaten FI gesichert - hatte ich derzeit so gemacht, da sinnvoll. Nur leider konnte ich den Außenlampenanschluss der in der Küche geschaltet wird, nicht mehr mit auf die Außenkreise umverdrahten da die Küche nicht zu verändern war/ist da fertig. Aber so geht es nun wunderbar. :_) Gruß JJ
Bitte melde dich an um einen Beitrag zu schreiben. Anmeldung ist kostenlos und dauert nur eine Minute.
Bestehender Account
Schon ein Account bei Google/GoogleMail? Keine Anmeldung erforderlich!
Mit Google-Account einloggen
Mit Google-Account einloggen
Noch kein Account? Hier anmelden.



