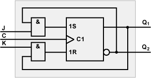
Hier zunächst das Flip Flop: http://www.elektronik-kompendium.de/sites/dig/schalt/02100321.gif Zur Vereinfachung ist Clock=1. Ich hab den Setzfall j=1 und k=0. Dann habe ich am Ausgang Q1=1 und Q2=0. Jetzt kommt der Speicherfall mit j=0 und k=0. Normal sollte sich doch am Ausgang nichts ändern. Q1=1 und Q2=0 sollte ja gespeichert bleiben. Wird es bei mir aber irgendwie nicht. Wenn man am Eingang j=0 und k=0 reinjagt, wird der Ausgang zu Q1=0 und Q2=1. Der Ausgang wird also invertiert. Wie ist das zu erklären? Das steht ja im Widerspruch zur Wahrheitstabelle. Danke schon mal in voraus.
Wichtig ist CLOCK und wann JK wirksam sind. So lange müssen JK konstant gehalten werden. Du hast scheinbar ein H pegelgetriggertes FF und kein flankengetriggertes.
Q2 ist immer Q1-nicht. Deshalb bezeichnet man normalerweise die Ausgänge Q und Q\. J K Q 0 0 Q hold 1 0 1 set 0 1 0 reset 1 1 Q\ toggle
Ja ist es bei mir ja auch. Also zur Vereinfachung ist Clock immer 1. Wenn Clock 0 ist tut sich ja sowieso nichts, wird ja nur gespeichert. Dann Schicke ich J=1 und K=0 rein. Also Setzfall, Q1=1 und Q2=0, wie auf dem Pic von "dasda". Jetzt kommt mit J=0 und K=0 der Speicherfall in das Flip Flop rein. Hier mochmal das Schaltbild des Flip Flops vom Elektronik-Kompendium. http://www.elektronik-kompendium.de/sites/dig/schalt/02100321.gif Der Ausgang müsste ja dann gespeichert bleiben, also Q1=1 und Q2=0. Helmut S. postete ja breits die Tabelle. J K Q 0 0 Q hold 1 0 1 set 0 1 0 reset 1 1 Q\ toggle Wenn ich aber J=0, K=0 reinschicke, wird Q1=0 und Q2=1, was aber ein widerspruch zur Tabelle ist. Hoffe ihr versteht jetzt wo mein Problem liegt ;)
Beziehst du dich auf einen konkreten Baustein (wenn ja: um welchen?), oder versuchst du das Ersatzschaltbild aus dem ELKO mit der Tabelle in Einklang zu bringen? Bei dem Bild aus dem ELKO muss man hintenrum denken. Man kennt das Verhalten und versucht sich vorzustellen, was der Autor mit dem Flipflop im Bild gemeint haben könnte. Damit klappt es vielleicht besser: https://rze-falbala.rz.e-technik.fh-kiel.de/~dispert/digital/digital4/dig004_4.htm
Jack Daniels schrieb: > Wenn ich aber J=0, K=0 reinschicke, wird Q1=0 und Q2=1, was aber ein > widerspruch zur Tabelle ist. Wenn J=K=0 ist, dann sind die Ausgänge beider UND-Glieder auf Jeden Fall 0, unabhängig von Q1 und Q2 also ist S=R=0, also wird "gespeichert"
Nein, ich beziehe mich auf keinen konkreten Baustein. Versuche lediglich das JK FF zu verstehen. Aber wie man sieht kommt ja bei dem Elko Schaltbild was völlig anderes raus als in der JK-FF Tabelle steht. Dachte dass ich was falsch verstehe. Werde mir mal deinen Link anschauen.
> Aber wie man sieht kommt ja bei dem Elko Schaltbild was völlig anderes > raus als in der JK-FF Tabelle steht. Das Bild im Elko ist vereinfacht dargestellt. Aber was solls. http://www.elektronik-kompendium.de/sites/dig/0210032.htm Um das JK-Flipflop anzuwenden merkt man sich die Funktionstabelle und sonst nichts. J K Q 0 0 Q hold 1 0 1 set 0 1 0 reset 1 1 Q\ toggle Jeder Gedanke an interne Realisierung ist da nicht zielführend. Die Steinzeitschaltungen in den Büchern kann man knicken. So baut keiner mehr ein JK-FF, wenn überhaupt noch eins gebaut wird. Schau dir Bild 5 an. So wird es seit 30 Jahren gebaut. http://www.nxp.com/documents/data_sheet/74HC_HCT109_CNV.pdf Aber wie gesagt in den neueren Logikfamilien gibt es bereits keine JK-FF mehr. Da findet man nur noch das D-Flipflop.
wenn bei K eine 0 rein kommt dann is der UND Ausdruck 0, ja. Jedoch ist Q2 am Ausgang negiert. Also wird Q2=1. Oder verstehe ich was falsch?
> Also wird Q2=1. > Oder verstehe ich was falsch? Du verstehst Q2 falsch. Denk dir besser es gebe nur EIN Q. Das Q ist übrigens Q1 in dem Bild. Dann stell dir vor daß Q2=Q\ also Q2=Q1\ ist. Du hast also immer an Q2 das negierte von Q1. Vergiss das RS-FF im Inneren. Da sitzt sowieso viel mehr drin. Siehe mein voriger Beitrag.
OK, dann lasse ich das so stehen. Merke mir einfach die Tabelle fürs JK FF. Wenn ich dann ein JK Baustein nehmen würde, dann funktionert der nach Tabelle und gut. OK?
Jack Daniels schrieb: > OK, dann lasse ich das so stehen. > > Merke mir einfach die Tabelle fürs JK FF. > > Wenn ich dann ein JK Baustein nehmen würde, dann funktionert der nach > Tabelle und gut. > > OK? Ja. Diese Tabelle: J K Q 0 0 Q hold 1 0 1 set 0 1 0 reset 1 1 Q\ toggle Der Ausgang mit dem kleinen Kreis ist der negierte Ausgang.
Das Schaltbild im Elektronikkompendium ist schon richtig. Auch das 74HC109 (Link von Helmut) ist fast genauso aufgebaut, nämlich aus einem getakteten Flipflop mit etwas Gatterlogik davor. Die Unterschiede: - Beim 74HC109 wird statt des getakteten RS-Flipflops ein D-Flipflop verwendet. Das ist der Schaltungsteil vom linken Transmission-Gate bis zum rechten Bildrand. - Entsprechend sieht die Gatterlogik links davon etwas anders aus. - Beim 74HC109 ist – im Gegensatz zu einem normalen JK-Flipflop – der K-Eingang invertiert. Besser vergleichbar wäre deswegen ein 74HC107. - Das 74HC109 hat asynchrone /S- und /R-Eingänge. Sie sind ein Feature des intern verwendeten D-Flipflops. Ohne dieses Zusatzfeature würden die vier NAND-Gatter des D-Flipflops durch einfache Inverter ersetzt werden.
Yalu X. schrieb: > Das Schaltbild im Elektronikkompendium ist schon richtig. Sicher. Nur nicht direkt selbsterklärend.
Ok, ich probiers dann nochmal. Lade schnell noch ein bild hoch. Muss es nur schnell bearbeiten.
Mir gings darum, warum bei J=0 und K=0, der Ausgangszustand Q1=1 und Q2=0 nicht gespeichert wird. Ich nehme Clock=1 an.
A. K. schrieb: > Sicher. Nur nicht direkt selbsterklärend. Klar, ganz ohne erläuternde Worte versteht man ein JK-Flipflop nicht unbedingt auf Anhieb. Aber die Erkläreung der ElKo-Schaltung ist eigentlich recht einfach: 1. Für J=K=0 ist S=R=0, also bleibt der Zustand unverändert. 2. Für J=0 und K=1 ist S=0 und R=Q. Falls das Flipflop vorher gesetzt war (Q=1), wird es jetzt zurückgesetzt. 3. Für J=1 und K=0 ist S=/Q und R=0. Falls das Flipflop vorher nicht gesetzt war (/Q=1), wird es jetzt gesetzt. 4. Für J=K=1 ist S=/Q und R=Q. Falls das Flipflop vorher nicht gesetzt war (Q=0, /Q=1), wird es jetzt gesetzt. Falls es vorher gesetzt war (Q=1, /Q=0)), wird es jetzt zurückgesetzt. Dazu braucht man sich nicht einmal mit Wahrheitstabellen u.ä. herumschlagen. Jack Daniels schrieb: > Mir gings darum, warum bei J=0 und K=0, der Ausgangszustand Q1=1 und > Q2=0 nicht gespeichert wird. Jack Daniels schrieb: > Stattdessen wird Q1=0 und Q2=1. Siehe Fall (1): Da bei jedem der beiden AND-Gatter mindestens ein Eingang 0 ist, sind auch ihre Ausgänge 0, d.h. S=R=0. Ein RS-Flipflop ändert seinen Zustand aber höchtens dann, wenn einer der beiden Eingänge 1 ist.
Yalu X. schrieb: > Aber die Erkläreung der ElKo-Schaltung ist > eigentlich recht einfach: Das Problem am Bild vom ELKO ist die Erklärung eines Flipflops mit einem Bild eines andere Flipflops, dessen Verhalten sich nicht so einfach aus dem Symbol ergibt.
Früher gabs mal nen JK-FF (7472), der durch kurze High-Glitches an J,K wärend CLK = high schon das Kippen speicherte und dann bei der Taktflanke kippte. Dadurch war er sehr störempfindlich. Heutige JK-FFs (z.B. 74VHC112) kippen erst, wenn wärend der Taktflanke J oder K high sind.
Super Jungs ! Habs jetzt endlich verstanden! Vielen Dank für euere Mühe! fops
Bitte melde dich an um einen Beitrag zu schreiben. Anmeldung ist kostenlos und dauert nur eine Minute.
Bestehender Account
Schon ein Account bei Google/GoogleMail? Keine Anmeldung erforderlich!
Mit Google-Account einloggen
Mit Google-Account einloggen
Noch kein Account? Hier anmelden.

