Hallo, möchte mir einen Niederschlagsmesser selber Bauen da ich bei den Wippenmessern einige Nachteile sehe. Zuerst wollte ich einen Tropfenzähler mit Gabellichtschranke bauen und fand dann diesen Regenmesser: http://www.peetbros.com/shop/item.aspx?itemid=14 Das schöne ist es gibt das Ersatzteil: http://www.peetbros.com/shop/item.aspx?itemid=77 Dem Aufbau nach würde ich sagen das Teil ist inklusive einem kleinen Trichter der die Tropfen bildet. Es muss also nur noch ein großer Trichter oben drauf. Die Verbindung zur Elektronik wird wohl so sein wie in meinem Bild zu sehen (linke Zeichnung). Die farbigen Striche stellen den Tropfen da. So sollte immer gezählt werden egal wo der Tropfen den Kurzschluss verursacht. Nun habe ich mich nach Schaltungen umgeschaut und diese sollte wohl die beste sein: http://www.sentex.ca/~mec1995/circ/sensor3.htm Nun zu meinen Problemchen :-) Ich brauche auch einen Levelsensor und in der Beschreibung der Schaltung steht man können parallel schalten und hätte einen Levelsensor. Wie muss ich mir das vorstellen? Pro ebene zwei Fühler? Bei anderen Sensoren hat man ja in der Regel ganz unten + und dann nochmal auf jeder ebene die Basis des Transistors. Was passiert wenn die Fühler der einen Ebene mit der der anderen Ebene kollidieren? Extrem dargestellt im Bild (rechte Zeichnung). Das nächste wäre die Entfernung. Schön wären 8 und noch besser up to 30 Meter über CAT (im selben Kabel liegt 1wire). Das einfachste wäre die Fühler-Kabel könnten so lang sein. Nächste Möglichkeit wäre Schaltung beim Wasser und über I2C. P82B96 ist schon im Einsatz. Nur bräuchte ich jeweils diesen plus einen PCF8574 dann an jedem Sensor/Fühler - was die Kosten hoch treibt.
Björn D. schrieb: > Dem Aufbau nach würde ich sagen Worauf begründest du diese Annahmen? Ich kann in der Beschreibung nichts zum internen Aufbau finden. Allerdings finde ich eine Anmerkung, dass da wohl eine aktive Elektronik drin ist, weil das Ding eine Versorgung benötigt. > ... gezählt werden egal wo der Tropfen den Kurzschluss verursacht. Wie kommst du darauf, dass da ein "Kurzschluss" hergestellt wird? Warum sollte "der Tropfen" den Kurzschluss "danach" wieder von selbst entfernen? > Nächste Möglichkeit wäre Schaltung beim Wasser Die andere Möglichkeit scheidet m.E. sowieso aus: 30m lange, an einem Ende offene Kabel. Sowas hat man im letzten Jahrtausend auch "Antenne" genannt. Das Ding zählt dann sicher jeden Blitz in der näheren Umgebung auch als Tropfen... > Ich brauche auch einen Levelsensor und in der Beschreibung der Schaltung > steht man können parallel schalten und hätte einen Levelsensor. Es ist doch eh' schon ein Levelsensor. Dort steht dann auch nur, dass man beliebig viele dieser Kurschlussensoren an eine einzige dieser Schaltungen parallelschalten kann, und so nur eine Elektronik für viele Pegelsensoren braucht: "Also, one handy feature not mentioned in the article is that several resistive "sensors" can be hooked up together (in parallel) to detect fluid at any of several different locations." Das ist eine überaus naheliegende Schaltungstechnik, die wäre mir tatsächlich auch keine Erwähnung wert...
Lothar Miller schrieb: > Worauf begründest du diese Annahmen? Ich kann in der Beschreibung nichts > zum internen Aufbau finden. Weil oben das Sieb ist um Blätter fern zu halten und sich durch das Sieb kein einzelner Tropfen Bilden kann. Es muss sich ja ein Tropfen Bilden wie hier an der Burette: https://www.youtube.com/watch?v=0-x3KzUWLSE der runter fällt und die Elektroden berührt. > Allerdings finde ich eine Anmerkung, dass da > wohl eine aktive Elektronik drin ist, weil das Ding eine Versorgung > benötigt. Die Elektronik gibts als Ersatzteil: http://www.peetbros.com/shop/item.aspx?itemid=184 > Wie kommst du darauf, dass da ein "Kurzschluss" hergestellt wird? Warum > sollte "der Tropfen" den Kurzschluss "danach" wieder von selbst > entfernen? Aus der Beschreibung: "Each uniform drop falling from the tube is detected by four gold plated sensing electrodes that signal an electronic counting circuit." Wird wohl so aufgebaut sein das der Tropfen durch fällt und nicht hängen bleibt. > Es ist doch eh' schon ein Levelsensor. Dort steht dann auch nur, dass > man beliebig viele dieser Kurschlussensoren an eine einzige dieser > Schaltungen parallelschalten kann, und so nur eine Elektronik für viele > Pegelsensoren braucht Woher weiß ich dann wo das Wasser steht? Normal sieht so was so aus: http://www.electroschematics.com/wp-content/uploads/2014/03/arduino-water-level-sensor.jpg Aber bei dieser Wechselspannungsschaltung?
Björn D. schrieb: > und sich durch das Sieb kein einzelner Tropfen Bilden kann. Dann wird sich der Tropfen wohl erst nach dem sieb bilden und durch eine Lichtschranke fallen.. >> Dort steht dann auch nur, dass >> man beliebig viele dieser Kurschlussensoren an eine einzige dieser >> Schaltungen parallelschalten kann, und so nur eine Elektronik für viele >> Pegelsensoren braucht > Woher weiß ich dann wo das Wasser steht? Gar nicht. Es kann überall dort stehen, wo so ein Sensor angebracht ist... > Normal sieht so was so aus: > http://www.electroschematics.com/wp-content/uploads/2014/03/arduino-water-level-sensor.jpg Die von dir oben verlinkte Schaltung ist ein einefacher "Wasserwarner". Damit wird kein Füllstand angezeigt. > Aber bei dieser Wechselspannungsschaltung? Eigentlich einfach: nimm einen solchen Sender (N1 bis zum C1), lege dessen "Fühlerkontakt" auf den Boden des Behälters und binde mehrere Elektroden mit Empfänger (ab C2) daran an...
Lothar Miller schrieb: > Dann wird sich der Tropfen wohl erst nach dem sieb bilden und durch eine > Lichtschranke fallen.. Nix Lichtschranke - steht doch in der Beschreibung. Und ich denke es wird innen so aufgebaut sein: http://cre.ations.net/image/view/full/303 > Die von dir oben verlinkte Schaltung ist ein einfacher "Wasserwarner". > Damit wird kein Füllstand angezeigt. Natürlich sieht man wo das Wasser steht - dafür sind die LEDs da. Video Beispiel: https://www.youtube.com/watch?v=hEb68oHnuEc
Björn D. schrieb: > Nix Lichtschranke - steht doch in der Beschreibung. Tatsächlich. > Und ich denke es wird innen so aufgebaut sein: > http://cre.ations.net/image/view/full/303 Das scheint mir etwas zu einfach zu sein. Die Geometrie muss in offenbar wesentlich komplizierter ausfallen...
1 | Each uniform drop falling from the tube is detected by four gold plated sensing electrodes that signal an electronic counting circuit. |
Ich würde einfach mal den "Messkopf" kaufen und schauen, was der so an Signal ausgibt. Björn D. schrieb: > So sollte immer gezählt werden egal wo der Tropfen den Kurzschluss > verursacht. Mich würde interessieren, wie der Tropfen den Kurzschluss wieder löst... Björn D. schrieb: > Die von dir oben verlinkte Schaltung Ich meinte die gaaaaaaanz da oben im Beitrag "Tropfenzähler (Niederschlagsmesser), Levelsensor, Wassersensor" Auf die hat sich deine Frage nach der "Wechselspannungsschaltung" ja auch bezogen...
Mit der Niederschlagsmessung haben sich auch schon Andere beschäftigt, siehe: http://www.strippenstrolch-stammtisch.de/thread.php?board=11&thread=4&page=3
Lothar Miller schrieb: > Das scheint mir etwas zu einfach zu sein. Die Geometrie muss in offenbar > wesentlich komplizierter ausfallen... Warum? Auch in der Chemie werden Tropfen gezählt: http://www.vernier.com/products/sensors/vdc-btd/ Video: https://www.youtube.com/watch?v=0-x3KzUWLSE Der Tropfen ist doch immer gleich groß - die selbe Menge... > Ich würde einfach mal den "Messkopf" kaufen und schauen, was der so an > Signal ausgibt. Der gibt kein Signal aus - das sind nur vier Elektroden. > Ich meinte die gaaaaaaanz da oben Direkt über deinem "Damit wird kein Füllstand angezeigt." war aber der Arduino Water Level Sensor link. Ist ja eigentlich auch alles gar nicht so kompliziert. Alles was ich suche ist ein Level Sensor auf AC Basis oder den verlinkten umstricken wenn es geht.
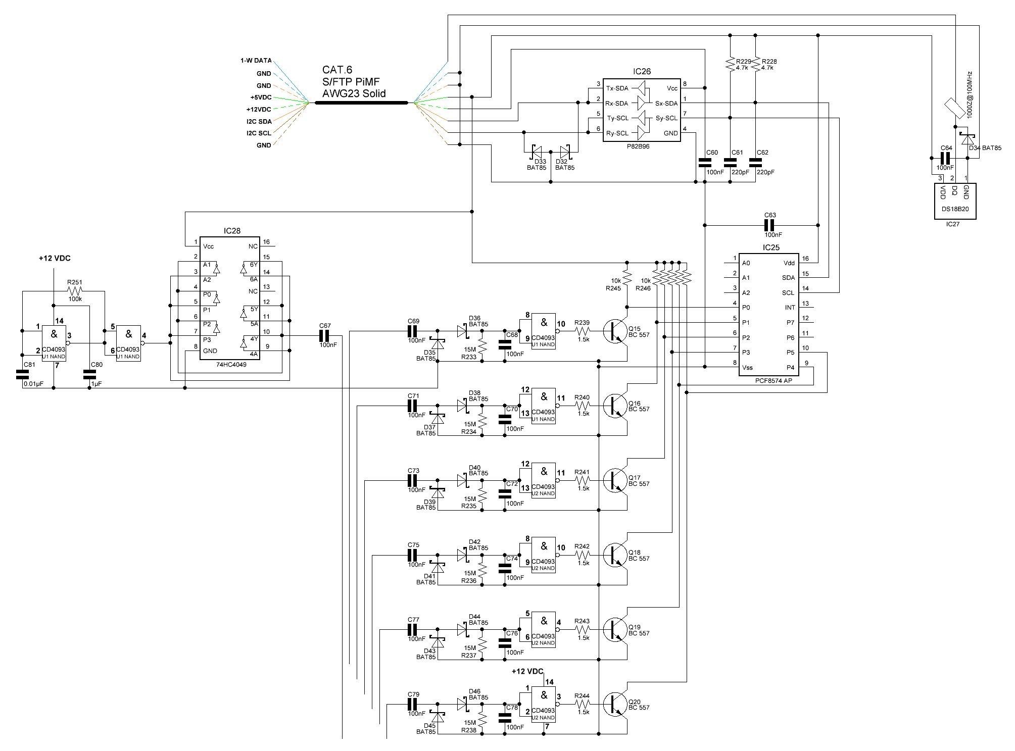
So, kann sich jemand bitte meine Schaltung vornehmen und sie in der Luft zerreißen :-)
Björn D. schrieb: > möchte mir einen Niederschlagsmesser selber Bauen da ich bei den > Wippenmessern einige Nachteile sehe. Soso. Und die Tropfengröße ist von der Temperatur unabhängig, und wird auch nicht durch Verunreinigungen wie Pollen, Algen etc. beinflusst?
Björn D. schrieb: > Lothar Miller schrieb: >> Das scheint mir etwas zu einfach zu sein. Die Geometrie muss in offenbar >> wesentlich komplizierter ausfallen... > Warum? Sagen wir mal so: ich stelle mir diese Fragen nur, weil sie mir in den Kopf kommen. Warum kann der im Utube Video das mit 2 Kontakten und warum brauchen die Amis 4? > Auch in der Chemie werden Tropfen gezählt: > http://www.vernier.com/products/sensors/vdc-btd/ Die werden dort aber optisch aus einem definierten Medium gezählt, nachdem sie sich geformt haben. Und es wird auch immer wieder mal das Tropfenvolumen nachkalibriert... Björn D. schrieb: > meine Schaltung vornehmen Die R222-R227 sind viel zu niederohmig. Nicht umsonst ist in der Originalschaltung(gaaanz oben im allerersten Post) ein 15MOhm(!) Widerstand eingebaut. Die Endstufe mit dem R221 und dem Fet ist nicht symmetrisch. So wirst du trotz der Kondensatoren(!) eine Gleichspannungsanteil auf die Elektroden bekommen. Schalte da lieber ein paar Mosfet-Gatter parallel, die können nämlich Push-Pull wie in der Originalschaltung. Gib den Q15-Q20 jeweils noch einen Basiswiderstand. Sie und die NANDs davor werden es dir mit geringerer Erwärmung danken. Und ich würde den Eingängen des PCF8574 jeweils noch einen 10k Pullup nach 5V spendieren. Sonst wirst du keine '1' einlesen können... :-o
lrep schrieb: > Soso. > Und die Tropfengröße ist von der Temperatur unabhängig, und wird auch > nicht durch Verunreinigungen wie Pollen, Algen etc. beinflusst? Also nach meinen Nachforschungen: Gute teure Kippwaagen: Auflösung max. 0.1mm Tropfer/Lichtschranke: Auflösung max. 0.0001mm Natürlich muss es nicht so genau sein aber es muss ja einen Grund geben warum Tropfer genauer sind (trotz der von dir angeführten Punkte). Außerdem bastel ich gerne und Jugend forscht... @Lothar, ja die Pullups hatte ich vergessen - war in Gedanken noch beim direkten anschließen an den µC (interne Pullups). Hast Du ein Beispiel für die "Mosfet-Gatter parallel Push-Pull" Sache?
Björn D. schrieb: > Hast Du ein Beispiel für die "Mosfet-Gatter parallel Push-Pull" Sache? Nim einen Hex-Inverter 4049 oder Buffer 4050, schalte alle Eingänge parallel und schalte alle Ausgänge parallel. Damit hast du einen ausreichend starken symmetrischen Treiber... Björn D. schrieb: > Gute teure Kippwaagen: Auflösung max. 0.1mm > Tropfer/Lichtschranke: Auflösung max. 0.0001mm Geanuigkeit != Auflösung != Langzeitkonstanz > Gute teure Kippwaagen: Auflösung max. 0.1mm > Tropfer/Lichtschranke: Auflösung max. 0.0001mm Das gilt genau dann, wenn 1000 Tropfen in eine Kippmulde passen...
Bitte melde dich an um einen Beitrag zu schreiben. Anmeldung ist kostenlos und dauert nur eine Minute.
Bestehender Account
Schon ein Account bei Google/GoogleMail? Keine Anmeldung erforderlich!
Mit Google-Account einloggen
Mit Google-Account einloggen
Noch kein Account? Hier anmelden.


