Hallo Zusammen, es existieren zwar hunderte Beiträge zu diesem Thema, aber etwas Passendes habe ich nicht gefunden. Ich möchte einen bipolaren Schrittmotor mit meinem kleinen STM32F030 steuern. Einige Eckdaten: -der STM32 läuft mit 3 Volt aus einem Handy-Ladegerät. -der l293 läuft mit 5 Volt (Li-Po über 7805) -Spannung für den Motor 12 Volt (Li-Po) vom selben Li-Po -alle haben eine gemeinsame Masse Der L293 ist richtig angeschlossen, wie hier gezeigt: Beitrag "Bipolarer Schrittmotor an L293D" Das Programm im STM ist recht simpel. Es werden einfach die Ports, wie für den Vollschritt notwendig, nach einander geschaltet. Mein Problem ist, dass ich schon 2 STM32 Controller gebraten habe und nicht genau feststellen kann warum und wann genau es passiert. Eine Zeitlang hat sich der Motor sogar gedreht und wenige Minuten später hat der Controller Rauchsignale gesendet. Die Ports des STM32 sind 5 Volt tolerant liefern aber nur 3 Volt. Kann ich damit die Eingänge des l293 überhaupt steuern? Danke und Gruß Rainer
Rainer schrieb: > Mein Problem ist, dass ich schon 2 STM32 Controller gebraten habe und > nicht genau feststellen kann warum und wann genau es passiert. Da liest sich die Überschrift aber ganz anders. Ein Blick ins Datenblatt des L293 sorgt für Klarheit. Das mußt Du selber lesen.
Was mir gerade noch aufgefallen ist: Ich habe gerade den l293 ohne den STM32 und den Motor beschaltet. Also die 4 GND Pins, die beiden Enable Pins und die Versorgung auf 5 Volt und Pin 8 mit 12 für den Motor. An allen 4 Eingängen (Pin 2, 7, 10, 15) messe ich knapp 5 Volt und an allen Motorpins (Pin 3, 6, 11, 14) die Volle Motorspannung von knapp 12 Volt. Habe schon 2 unterschiedliche l293D‘s ausprobiert, an beiden messe ich das Selbe. Ist das normal? Helmut Lenzen schrieb: > Wie waere es mit einem Schaltplan anstatt mit Prosa? Der Schaltplan, bzw. die Beschaltung entspricht dem ersten Bild aus: Beitrag "Bipolarer Schrittmotor an L293D" Viel mehr ist da nicht. An den Pins 2, 7, 10 und 15 hängt mein stm32. Gruß Rainer
Rainer schrieb: > Helmut Lenzen schrieb: >> Wie waere es mit einem Schaltplan anstatt mit Prosa? > > Der Schaltplan, bzw. die Beschaltung entspricht dem ersten Bild aus: > Beitrag "Bipolarer Schrittmotor an L293D" > Viel mehr ist da nicht. An den Pins 2, 7, 10 und 15 hängt mein stm32. Der geneigte Leser moege sich den Schaltplan bitte selber zusammensuchen...
Rainer schrieb: > Viel mehr ist da nicht. An den Pins 2, 7, 10 und 15 hängt mein stm32. Dann ist es ganz einfach: da fehlt die Masse! Es ist allerdings tstsächlich so, dass sich Elektroniker weltweit am einfachsten mit Schaltplänen verständigen. Ein Musiker schreibt ja auch nicht: kennt ihr dieses Stück, wo drei Viertelnoten auf as gefolgt von einem Sechzehntellauf nach c' kommen?
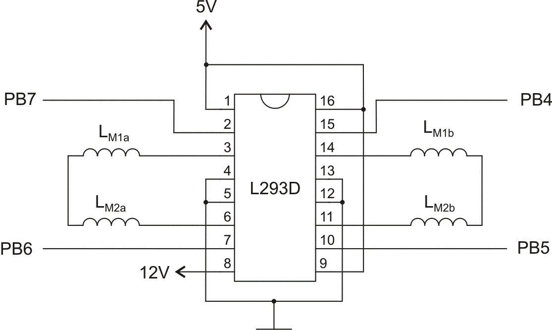
Helmut Lenzen schrieb: > Der geneigte Leser moege sich den Schaltplan bitte selber > zusammensuchen Anbei ein Bild zu der Beschaltung des l293D.
Rainer schrieb: > Helmut Lenzen schrieb: >> Der geneigte Leser moege sich den Schaltplan bitte selber >> zusammensuchen > Anbei ein Bild zu der Beschaltung des l293D. Also ICH weiß wie man den verschaltet. Habe schon 1998 damit Roboter fahren lassen. Und wenn du Rainer das auch so toll weißt, dann lös dein Problem selber, wie wärs?
Rainer schrieb: > Anbei ein Bild zu der Beschaltung des l293D. Ein "Bild" ist nicht unbedingt ein Schaltplan, das hier ist bestenfalls eine grobe Prinzipskizze. In diesem "Plan" fehlt z.B. jeglicher Puffer- bzw. Blockkondensator
Lothar Miller schrieb: > Dann ist es ganz einfach: da fehlt die Masse! Rainer schrieb: > -alle haben eine gemeinsame Masse Alle GND Anschlüsse treffen sich an einem Punkt. Sorry das ich kein Schaltplan von meinem Aufbau liefern kann. Habe dafür noch kein Werkzeug, höchstens einen Bleistift :) Habe mit Elektrotechnik bis jetzt auch noch nicht so viel zu tun gehabt. Gruß Rainer
Rainer schrieb: > Habe dafür > noch kein Werkzeug, höchstens einen Bleistift Das ist eines der leistungsfähigsten Werkzeuge überhaupt, wenn man dazu noch ein Stück Papier hat ... Ne mal im Ernst. Alle Vorposter haben recht. Solange Du nicht exakt zeichnest was Du wie verschaltest hast ist das alles Schall und Rauch und niemand wird Dir helfen können. Wahrscheinlich liegt das an Deiner komischen Handynetzteil + Lipo Versorgung + Verzicht auf jede Schutzbeschaltung. Können wir auch was gewinnen wenn einer von uns richtig rät ? Rainer schrieb: > Kann ich damit die Eingänge des l293 überhaupt steuern? Datenblatt lesen. Steht da drin.
Rainer schrieb: > Sorry das ich kein Schaltplan von meinem Aufbau liefern kann. Habe dafür > noch kein Werkzeug, höchstens einen Bleistift :) Habe mit Elektrotechnik Fotoapparat? Handy mit Bildaufnahmemöglichkeit? Scanner? Blatt Papier? Bildformate hier im Forum beachten. Wie gut ist das Handy Ladegerät. Stimmt die Spannung von 3V. Sind noch Abblockkondensatoren irgendwo in der Schaltung vorgesehen?
Michael Knoelke schrieb: > Das ist eines der leistungsfähigsten Werkzeuge überhaupt, wenn man dazu > noch ein Stück Papier hat ... Noch besser wirds, wenn man zusätzlich ein Lineal benutzt. Das sieht dann oft besser aus als irgendein Eagle-Schaltplan mit weissen Leitungen auf schwarzen Grund und ineinanderlaufenden Beschriftungen.
Harald Wilhelms schrieb: > Michael Knoelke schrieb: > >> Das ist eines der leistungsfähigsten Werkzeuge überhaupt, wenn man dazu >> noch ein Stück Papier hat ... > > Noch besser wirds, wenn man zusätzlich ein Lineal benutzt. > Das sieht dann oft besser aus als irgendein Eagle-Schaltplan > mit weissen Leitungen auf schwarzen Grund und ineinanderlaufenden > Beschriftungen. Im allgemeinen hilft das Zeichnen eines Schaltplans auch beider eigenen Fehlersuche nach dem Motto: wo hab' ich den Draht denn da ansgeschlossen, der gehört ja da garnicht hin. rgds
Harald Wilhelms schrieb: > Noch besser wirds, wenn man zusätzlich ein Lineal benutzt. Aber Harald, das braucht jahrelange Erfahrung damit richtig umzugehen. Und dann noch die 75 Grad Normschrift.
Hab mich mal jetzt im Forum registriert. Michael Knoelke schrieb: > Ne mal im Ernst. Alle Vorposter haben recht. > Solange Du nicht exakt zeichnest was Du wie verschaltest hast ist das > alles Schall und Rauch und niemand wird Dir helfen können. Verstanden, habe eine Kleinigkeit auf die Schnelle zusammengekritzelt. Bitte nicht gleich steinigen, ist für mich ein neues Gebiet. Habe noch vergessen kenntlich zu machen, dass alle GND Anschlüsse auf dem Steckbrett verbunden sind. latürnich schrieb: > Wie gut ist das Handy Ladegerät. Stimmt die Spannung von 3V Die Spannung ist stabil, einige Male gemessen. Gruß Rainer
Rainer --- schrieb: > schaltplan.gif Hmm, die Tatsache, das es Lineale gibt, hat sich anscheinend noch nicht herumgesprochen. :-) > Habe noch vergessen kenntlich zu machen, dass alle GND Anschlüsse auf > dem Steckbrett verbunden sind. Aha, Steckbrett. Das führt häufiger zur Nichtfunktion von Schaltungen. Bau das ganze doch nochmal auf einer Lochrasterplatte auf.
Rainer --- schrieb: > dass alle GND Anschlüsse auf dem Steckbrett verbunden sind. Da könntest du gleich noch ein Bild von deinem Aufbau posten. BTW: Steckbretter neigen zu Wackelkontakten wen die Federn mal ausgelutscht sind...
Rainer --- schrieb: > Steckbrett verbunden sind. Das ist nicht gerade zuverlässig. Ich nehme für Testaufbauten Rasterplatinen und löte alles. GND, +UB verbindet man auch nicht irgendwie, sondern in Richtung des größten Stromflusses. Also: Netzteil -> L293 -> 7805 -> 3V-Regler -> STM32
Am Steckbrett liegt es nicht! Ich sitze schon seit einer ganzen Weile an dem Problem und habe schon so ziemlich alles überprüft. Die Kontakte, Verbindungen, Spannungsquellen, Leitungen, … sind IO. Alles schon einige Male vermessen und überprüft. Habe (fast) denselben Aufbau schon Mal vor einer Weile mit einem ATTINY durchgeführt und es hat wundervoll funktioniert. Damals wurden nur die beiden IC’s von derselben Spannungsquelle versorgt. Laut Datenblatt, wenn ich das richtig verstanden habe, kann der l293D an den Eingängen ab 2.3 Volt gesteuert werden. Und der STM32 verträgt auch die 5 Volt. Was mir eventuell fehl ist ein Kondensator direkt am l293D. Eine letzte Frage: Ist dieses Verhalten richtig wenn ich den Mikrocontroller und den Motor weg lasse? Rainer schrieb: > An allen 4 Eingängen (Pin 2, 7, 10, 15) messe ich knapp 5 Volt und an > allen Motorpins (Pin 3, 6, 11, 14) die Volle Motorspannung von knapp 12 > Volt. Amateur schrieb: > Wer hat die Spannungsversorgung für den STM32 (3V) geklaut... Ist ein Ladegerät von einem Handy, oder ähnlichem. Liefert aber saubere 3 Volt. Peter Dannegger schrieb: > GND, +UB verbindet man auch nicht irgendwie, sondern in Richtung des > größten Stromflusses. Verstanden, Danke. Gruß Rainer
Hm, ein Ladegerät liefert 3V? Das klingt sehr ungewöhnlich, eigentlich liefern die 5V, um damit LiIon-Akkus laden zu können. Bist du sicher, dass das auch im Moment des Abrauchens des STM32 noch 3,0V sind und nicht etwa 5V+? (Testweise) würde ich auch einen Pegelwandler zwischen STM32 und deinen IC schalten. 5V-Toleranz klingt toll, aber wenn da nun doch durch irgendwelche schräg einfallenden Erdstrahlen oder ähnliches höhere Spannungen aufklatschen, brutzelt es den µC halt weg. Wackelkontakt durch Steckbrett am 7805 etwa nicht auszuschließen ...
Warum sind 5v am L293D als Vss angelegt? Laut Datenblatt reichen 2,3V. 3Volt sollten somit reichen. Am STM32 jeweils 100nf. In den Steuerleitungen je einen Widerstand 1Kohm einfügen.Wenn der wert zu groß ist dann mit 470 ohm bis abwärts 100 ohm probieren.
Frank T. schrieb: > Warum sind 5v am L293D als Vss angelegt? Laut Datenblatt reichen 2,3V. > 3Volt sollten somit reichen. Wo ist Vss? Vcc1 (Logik Versorgung) ist 4,5 bis 7V im DB angegeben.
Lothar Miller schrieb: > Welche 5V muss der wie "vertragen"? Genau hier habe ich ein Verständnisvollem. Wenn ich den l293 wie in der beigefügten Kritzelei anschließe (ohne Motor und ohne Mikrocontroller), hat er an den Eingängen 2, 7, 10, 15 (das sind die Pins die später mit dem Mikrocontroller verbunden werden) immer 5 Volt, an allen gleichzeitig. Somit bekommt der STM32 immer 5 Volt ab, oder? Und an den Pins 3, 6, 11, und 14 immer 12 Volt. Frank T. schrieb: > Am STM32 jeweils 100nf. > In den Steuerleitungen je einen Widerstand 1Kohm einfügen.Wenn der wert > zu > groß ist dann mit 470 ohm bis abwärts 100 ohm probieren. Danke, werde ich morgen testen. Danke allen für die Unterstützung Rainer
Wenn schon getrennte Vers.spannungen benutzt werden, dann verwende doch gleich Optokoppler, um uC und L293 galv. zu trennen.
Eventuell eine Frage der zwei Spannungsquellen? Da hier 2 voneinander unabhängige Spannungsquellen vorliegen, kann man fallweise dann ein Problem haben, wenn die 3V3 nicht eingeschaltet sind, die 12V aber da sind. In dem Fall kann am Eingang des Controllers eine Spannung anliegen, wenn der Controller nicht versorgt ist. Das kann ungesund werden, je nachdem wieviel Strom da fließen kann. Denk dir doch mal alle Verbindungen zwischen den Bereichen durch - was passiert, wenn die eine Seite versorgt ist, die andere aber nicht? Power Sequencing halt, der Quell vieler Probleme ;-)
Rainer --- schrieb: > Wenn ich den l293 wie in der beigefügten Kritzelei anschließe (ohne > Motor und ohne Mikrocontroller), hat er an den Eingängen 2, 7, 10, 15 > (das sind die Pins die später mit dem Mikrocontroller verbunden werden) > immer 5 Volt, an allen gleichzeitig Die Eingangsbeschaltung zeigt, dass eine Konstantstromquelle von Vcc1 aus auf den Pin treibt. Ich würde mal vorschlagen, dass du von jedem dieser Pins einen 1k Widerstand nach Masse einbaust, und dann die Pegel nochmal kontrollierst...
Der originale L293 von ST hat npn am Eingang, d.h. da müssen 0V anliegen. Der Nachbau von TI hat aber pnp am Eingang und die ziehen auf VCC. D.h. Du hast den TI-Typ. Kann sein, daß der MC allergisch reagiert, wenn er an den IOs 5V Spannung sieht, bevor seine VCC oben ist. Häng mal Pulldowns (3,3k) an die Eingänge des L293, damit ohne MC die Spannung nahe 0V ist.
Rainer schrieb: > schon 2 STM32 Controller gebraten habe und > nicht genau feststellen kann warum und wann genau es passiert http://www.mikrocontroller.net/part/L293 Wenn ich flink den Beitrag L293 mit Rainers schöner Zeichnung vergleiche, so sehe ich gar keine Schutzdioden, die Rainers Rest vor bösen Abschaltspannungen der Induktivitäten schützen könnten?
Steht da nicht im Datenblatt, die Schutzdioden wären schon drin? Hab es nur überflogen und las sich so für mich.
Oder es sind Spezial-Chinesen und die integrierten Dioden wurden "vergessen".
Peter Dannegger schrieb: > Kann sein, daß der MC allergisch reagiert, wenn er an den IOs 5V > Spannung sieht, bevor seine VCC oben ist. Rainer schrieb: > Die Ports des STM32 sind 5 Volt tolerant Genuer gesagt: er wird algerisch reagieren denn so das Datenblatt richtig ist (RTFM an denn TO) halten PA1,2,3,4 nur 3,3V aus und sind nicht 5V tolerant, Aber: Rainer schrieb: > Mein Problem ist, dass ich schon 2 STM32 Controller gebraten habe und > nicht genau feststellen kann warum und wann genau es passiert. Eine > Zeitlang hat sich der Motor sogar gedreht und wenige Minuten später hat > der Controller Rauchsignale gesendet. Selbst wenn der L293 in der TI Variante tatsächlich am Eingang 5V (oder halt VCC1) liefern würde (kann ich aus dem datenblatt nicht rauslesen) halte ich die "Stromquellen" des L293 nicht für geeignet (Achtung: Equivalent aber nicht direct Schematic) einen STM32 in Rauch aufgehen zu lassen. Ich gehe daher von einem anderen Mechanismus aus. Am besten ist es, die Ports des STM32 mal über Serienwiderstände 10k an den L293 anzsuchließen und da am STM32 zusätzlich 3,6V Z-Dioden zu spendieren. Selbst wenn der Port mal mehr als 5V abbekommt himmelt es den Controller dann noch nicht sondern nur die Portdiode oder die Z-Diode. rgds
Ich glaube nach wie vor nicht, daß die Ursache der L293 ist, wie es die Überschrift suggeriert. Die typisch -2 µA des Eingangs reichen nicht für ein 'latchup' beim Einschalten. Der Fehler steckt woanders!
Lothar Miller schrieb: > Dirk K. schrieb: >> die Schutzdioden wären schon drin? > Im L293D schon... Aber kennt Rainer wirklich den Unterschied zwischen 'L293' und 'L293D'?
Der TO sollte mal die unnötigen Elkos hinter dem Regler gegen einen 100nF Kondensator tauschen. Elkos im µF-Bereich machen den Regler träge, was ursächlich für die Probleme sein kann(aber nicht zwangsweise sein muss). Die Serienwiderstände zwischen Ports und Treibereingang würde ich auch empfehlen, genauso wie die Freilauf-Schutzdioden, die verhindern, das die EMK der Motore auf die Betriebspannung reflektiert wird.
Du verwendest PA1-PA4 ? Die sind aber nicht 5V tolerant. Pin Type TT = 3,3V Pin Type FT wären die 5V toleranten. Mit Serienwiderständen, wie es gute Designspraxis ist, wäre das garnicht weiter aufgefallen. Edit: Mal wieder zu spät, hat 6a66 schon erkannt.
Hallo, Rainer, "5V-Toleranz" am Eingang eines uP heisst noch lange nicht, dass derselbe PIN, als Ausgang konfiguriert und mit 3,3V versorgt, dann auch 5V verträgt. Beschränke Dich in Deinem Schaltplan nicht auf die Globalansicht der Blockschaltbilds, sondern schau auf die konkrete Schaltung. Im Datenblatt des L293 siehst Du dann, dass der eine Konstantstromquelle hat, die in die Emitter zweier p-Trs speist. An deren Basis hast Du dann Deinen Ausgangsportpin geschaltet, vermutlich stecken dahinter zwei komplementäre FETs. Der n-FET von denen hat an seiner Source dann mehr Spannung als an seinem Drain - falls der eine parasitäre Diode eingebaut hat wie viele Power-FETs, dann leitet die. Bei manchen IC wird das Substrat dann sogar zum parasitären Thyristor, (oder wie das heisst), dafür ist der IC aber nicht gebaut. So richtig meine Diagnose, wirst Du entweder die Versrorgungsspannung des uP erhöhen müssen oder 4 Level-Konvertert einbauen müssen. Ciao Wolfgang Horn
Wolfgang Horn schrieb: > "5V-Toleranz" am Eingang eines uP heisst noch lange nicht, dass derselbe > PIN, als Ausgang konfiguriert und mit 3,3V versorgt, dann auch 5V > verträgt. Generell richtig, aber in diesem Fall spricht ST von: '5 V tolerant I/O' und etwas genauer: Input voltage on FT and FTf pins: max VDD + 4.0V Andererseit spricht ST auch von: > Injected current on TTa pins: ± 5mA Da sollte selbst bei TT Pins nichts passieren. Jetzt wird es aber spannend: > Injected current on FT, FTf and B pins -5/+0 mA > 3. Positive injection is not possible on these I/Os and does not occur > for input voltages lower than the specified maximum value. Jetzt mal streng nach dem Datenblatt sollte so und so nichts passieren. Hätte der TO die tatsächlichen 5V toleranten Pins benutzt könnte es passieren das die MCU gerade nicht versorgt ist und die Rückspeisung über die Port Pins übel nimmt. Bei den verwendeten Pin Types wirkt da aber die Body Diode gegen und mit mehr als 5mA speist auch der L293 nicht. Wolfgang Horn schrieb: > falls der eine parasitäre Diode eingebaut hat Die ist ja parasitär, ungewollt, dem Prozess geschuldet, also immer da. Wolfgang Horn schrieb: > Bei manchen IC wird das Substrat dann sogar zum parasitären Thyristor, > (oder wie das heisst), dafür ist der IC aber nicht gebaut. Das oder Latch-Up. http://de.wikipedia.org/wiki/Latch-Up-Effekt Würde mich nicht wundern da Steckbretter und der daraus resultierende Drahtverhau für schnelle Schaltvorgänge wirklich das letzte sind. Wolfgang Horn schrieb: > So richtig meine Diagnose, wirst Du entweder die Versrorgungsspannung > des uP erhöhen müssen oder 4 Level-Konvertert einbauen müssen. a: Der kann nur 3V3. b: OC Transistorstufe wäre die einfache Variante. Warscheinlich ist das alles ganz profan. TO steckt Programmer an, PC hat anderes Potential, Potentialausgleich findet über ISP Pins statt. Geht mal gut, grillt mal den STM. Es bleibt ein Ratespiel solange wir nicht wissen was genau, wann genau passiert. Lothar Miller schrieb: > Da könntest du gleich noch ein Bild von deinem Aufbau posten. Wäre hilfreich, denn das DC mäßige vermessen eines Aufbaus der dann im heftigen Schaltbetrieb gefahren wird macht nicht viel schlauer.
Dirk K. schrieb: > Steht da nicht im Datenblatt, die Schutzdioden wären schon drin? > Hab es > nur überflogen und las sich so für mich. Hi, Witzig. Exakt das Problem hatte ich an einem SMT32 auch schon (STM32 war kaputt und wurde heiß). Ich habe dann externe Schutzdioden angeschlossen und seitdem ist nichts mehr passiert. Das Seltsame ist, dass ich auch den D-Typ mit internen Dioden nutzte. Irgendwas ist da faul... Ich bin aufjeden Fall interessiert wie es weitergeht --> bitte berichten.
Nachtrag: Ich kann mich nicht mehr erinnern, ob ich zusätzlich zu den Schutzdioden die Anschlüsse noch über Serienwiderstände verbunden habe (bei Bedarf schaue ich da mal nach)... Auf jeden Fall war danach erstmal Ruhe..
Hi, Michael, > Generell richtig, aber in diesem Fall spricht ST von: '5 V tolerant I/O' > und etwas genauer: Input voltage on FT and FTf pins: max VDD + 4.0V Tja, ich habe das wohl noch nie verletzt: (Datenblatt STM32F407xx) "5.3.15 I/O current injection characteristics As a general rule, current injection to the I/O pins, due to external voltage below VSS or above VDD (for standard, 3 V-capable I/O pins) should be avoided during normal product operation... ... IINJ(PIN): Injected current on five-volt tolerant I/O: –5/+0mA" Ich lese das als "absolut kein Rückspeisung!" Aber interessant, wenn es doch anders ginge. Ciao Wolfgang Horn
Leg mal die Enable Eingänge EN1-4 per gemeinsammen 10kOhm Pullup auf VCC1. Die Pins von deinem STM zum 293D wurde ich mit mind. 1kOhm absichern. Und wenn du den L293 benutzt solltest du noch die Dioden nachrüsten sonst generiert dein Motor schöne Induktionsspitzen. Ansonsten gleich den L293D nehmen der kann zwar nur 0,6A statt 1,0A hat aber dafür die Dioden integriert.
Bitte melde dich an um einen Beitrag zu schreiben. Anmeldung ist kostenlos und dauert nur eine Minute.
Bestehender Account
Schon ein Account bei Google/GoogleMail? Keine Anmeldung erforderlich!
Mit Google-Account einloggen
Mit Google-Account einloggen
Noch kein Account? Hier anmelden.


