Hallo, ich habe eine Einschaltverzögerung mit NE555 gebaut, doch leider funktioniert sie nicht und ich weiß nicht woran es liegt. Die Schaltung macht nun folgendes: Sobald die 12V am NE555 anliegen, liegt am Ausgang 3 eine Spannung an, welche nach einer kurzen Zeit nicht mehr anliegt. Das NE555 gibt also nur einen Impuls am Ausgang raus, dessen länge man mit dem Poti einstellen kann. Welcher Fehler liegt vor? Wie bekomme ich die Einschaltverzögerung hin? Danke Gruß Horst
Horst Riedemann schrieb: > Hallo, > > ich habe eine Einschaltverzögerung mit NE555 gebaut, doch leider > funktioniert sie nicht und ich weiß nicht woran es liegt. So ganz versteh ich diesen Einwand nicht. Ich würde sagen, das was du an Verhalten beschreibst, ist genau das, was man mit dieser Beschaltung erwarten würde. http://www.elektronik-kompendium.de/sites/bau/0206115.htm "Innenschaltung des NE555
1 | Wird am Trigger-Anschluss (2) eine Spannung angeschlossen, die kleiner |
2 | ist als 1/3 der Betriebsspannung, dann geht der Ausgang des |
3 | Komparators 2 auf "1". Das RS-Flip-Flop wird gesetzt. Der Ausgang des |
4 | NE555 (3) geht auf "1". |
5 | Wird am Schwelleneingang (6) eine Spannung angeschlossen, die größer |
6 | ist, als 2/3 der Betriebsspannung, dann geht der Ausgang des |
7 | Komparators 1 auf "1". Das RS-Flip-Flop wird zurückgesetzt. |
8 | Der Ausgang des NE555 geht auf "0". |
du hast da einen Kondensator, der bei Anlegen der Versorgungsspannung
leer ist. Die SPannung an seinem Vcc-Ende ist 0. 0 ist kleiner als 1/3
der Betriebsspannung -> Ausgang vom 555 geht auf 1.
Über den/die Widerstände wird der Kondensator geladen. Die Spannung an
seinem Vcc Ende steigt (langsam). Irgendwann ist die Spannung größer als
2/3 der Betriebsspannug -> Ausgang vom 555 geht auf 0.
Das sieht für mich alles sehr stimmig aus.
> Welcher Fehler liegt vor? Wie bekomme ich die Einschaltverzögerung hin?
Indem du gedanklich mal deinen Ausgang in der Bedeutung umdrehst?
Solange der Ausgang auf 1 ist, darf die angehängte Schaltung NICHT mit
Spannung versorgt werden. D.h. die 1 am Ausgang sagt dir, dass du die
Versorgung unterdrücken musst. Oder anders ausgedrückt: mit dieser 1 am
Ausgang schaltest du einen Schalter aus, der deine weitere Schaltung mit
Spannung versorgt.
Wie dieser Schalter auszusehen hat, hängt von deiner weiteren Schaltung
und deren Stromverbrauch ab.
Alternativ könnte man sicherlich auch mit einem Pullup und dem Discharge
Ausgang etwas anfangen, der (wie das Schaltbild zeigt), dann immer den
gegenteiligen Pegel wie der Ausgang hat. Je nach Stromaufnahme der
weiteren Schaltung könnte man den Discharge Transistor auch als Low-Side
Schalter für die weitere Schaltung benutzen.
Also an dem Ausgang soll nur ein Schütz angeschlossen werden. Es soll also ein Schütz mit einer Einschaltverzögerung versehen werden. Die Frage ist nun, wie ich das nun realisieren kann. Kannst Du mir da weiterhelfen?
Horst Riedemann schrieb: > Also an dem Ausgang soll nur ein Schütz angeschlossen werden. Es soll > also ein Schütz mit einer Einschaltverzögerung versehen werden. Die > Frage ist nun, wie ich das nun realisieren kann. Kannst Du mir da > weiterhelfen? TL7712 wenn du mit 12V arbeitest und ein Leistungstreiber für den Schütz
Horst Riedemann schrieb: > Welcher Fehler liegt vor? Wie bekomme ich die Einschaltverzögerung hin? Momentan hast du beschrieben, was die Schaltung macht, und das dies nicht deiner Erwartung entspricht. Es wäre hilfreich, du würdest auch beschreiben, was die Schaltung deiner Erwartung nach eigentlich Ausgeben soll. Soll die Ausgangs-Spannung genau umgekehrt sein? Also am Anfang low, und nach einiger Zeit dauerhaft high? Um was für ein Schütz handelt es sich denn dabei (Spannung, Stromaufnahme)? Karl Heinz schrieb: > Alternativ könnte man sicherlich auch mit einem Pullup und dem Discharge > Ausgang etwas anfangen, der (wie das Schaltbild zeigt), dann immer den > gegenteiligen Pegel wie der Ausgang hat. Dem ist leider nicht so. Discharge schaltet nach GND durch, wenn der Ausgang low ist.
Also nochmal zu der gewünschten Funktion: Der Ausgang soll nach der Ansteuerung vom NE555 noch ca. 5s das Low-Level besitzen und dann auf das High-Level umschalten, das soll solange anstehen, bis das NE555 nicht mehr mit Spannung versorgt wird. Also so wie eine Einschaltverzögerung. Das anzusteuernde Schütz hat folgende Daten: 12V=/60mA
Aha. Und als Vorlage hast du dir die hier gewählt http://hamburg-highend.de/Einschaltverz.oe.gerung.htm und dabei komplett übersehen, dass hier das Relais nach Vcc (also den +12V) verschaltet ist und daher genau dann anzieht, wenn der Ausgang auf 0 abfällt. Statt dessen kannst du natürlich mit einem Transistor noch eine Invertierung an den Ausgang nachschalten, so wie das zb hier Beitrag "Einschaltverzögerung mit NE555 - Fehler" gemacht wurde.
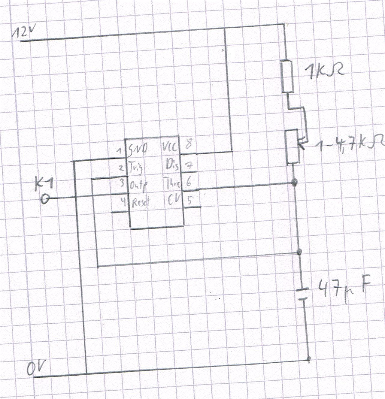
Ich habe mir das hier angeschaut: http://www.atx-netzteil.de/relais_ein_ausschaltverzoegerungen.htm#Blatt%202 Zu der Schaltung mit dem Relais nach VCC: Kann ich also das Schütz nun mit dem einen Kontakt an Anschluss 3 und mit dem anderen Kontakt an + anschließen?
Horst Riedemann schrieb: > Ich habe mir das hier angeschaut: > http://www.atx-netzteil.de/relais_ein_ausschaltverzoegerungen.htm#Blatt%202 > > Zu der Schaltung mit dem Relais nach VCC: Kann ich also das Schütz nun > mit dem einen Kontakt an Anschluss 3 und mit dem anderen Kontakt an + > anschließen? Könnte man so machen, da dein "Schütz" wohl eher ein Relais ist, und der NE555 bis zu 200mA am Ausgang verträgt. Du musst aber unbedingt eine Freilaufdiode parallel zum Relais verbauen. Anode an Pin 3, Kathode an VCC (+), also genau wie bei dem Link von Karl Heinz gezeigt: http://hamburg-highend.de/Einschaltverz.oe.gerung.htm
Super danke erstmal, das werde ich gleich morgen ausprobieren! Jetzt ist nur die Frage, wie ich eine ca. 5s lange Einschaltverzögerung hinbekomme, also wie ich die Zeit verlängere. Wenn ich das richtig verstehe, muss ich die Kapaziät des Kondensators erhöhen, was sollte man da nehmen?
Oder 47K für den Widerstand und ein 50K Poti. Dann kannst du zwischen 2.5 und 5s einstellen. Oder eben 100K / 47uF fest (ca. 5s).
Okay, so große Widerstände habe ich leider nicht "im Lager", dafür aber haufenweise Kondensatoren. Was wäre da ideal?
Jo mei, wenn ich jetzt bloß wüsste, welche Kondensatoren du in der Kiste hast... http://www.csgnetwork.com/ne555timer1calc.html 100K / 47uF 47K / 100uF 39K / 120uF 22K / 220uF 10K / 470uF 4.7K / 1000uF
Hier ist eine simple Timeralternative.08/15 Standardschaltung.... Hatte die Schaltung mal fuer 4s ausgelegt.Meine Originalschaltung hatte nur Leds anzusteuern. Du wirst zwar auf deinen 555 bestehen,was auch ok ist,aber sich andere Schaltungstechniken anzusehen kann ja nicht schaden ;-)
Es funktioniert. Doch leider habe ich vergessen die Freilaufdiode beim Relais einzubauen. Vermutlich ist nun der NE555 defekt... Also erstmal mehrere neue bestellt
Horst Riedemann schrieb: > Vermutlich ist nun der NE555 defekt... Also erstmal > mehrere neue bestellt und warum hälts du am 555 fest? wo es doch mit dem TL7712 eine einfachere Alternative gibt der genau das macht was du willst? Joachim B. schrieb: > TL7712 wenn du mit 12V arbeitest und ein Leistungstreiber für den Schütz OK Treibertrasi für deinen 60mA "Schütz"
DrElko schrieb: > Gehört der Reset Pin nicht auf Vcc? nur wenn er mit Vornamen ! oder NICHT heisst und keinen internen pullup hat.
Bitte melde dich an um einen Beitrag zu schreiben. Anmeldung ist kostenlos und dauert nur eine Minute.
Bestehender Account
Schon ein Account bei Google/GoogleMail? Keine Anmeldung erforderlich!
Mit Google-Account einloggen
Mit Google-Account einloggen
Noch kein Account? Hier anmelden.

