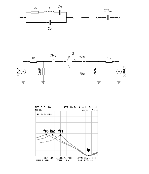
Hallo, in einem alten Topic "Ladderfilter berechnen und bauen" wurde mal kurz von B E R N D W. erlaeutert, wie die Berechnungen auf der Website "http://www.giangrandi.ch/electronics/crystalfilters/xtaltest.html" fuer die Quarz-Charakteristiken (Cs, Ls, Cp) sind. Er schrieb: B e r n d W. schrieb: > Gegeben: > Cz = 7pF > Cp = 3pF > Rs = 90 > Fs = 3579866 > F3 = 3581920 > > Ohne Cz (Ziehkondensator) > hängt Fs nur von Cs und Ls ab. > > Mit Cz > hängt Fs von CS in Reihe mit (Cz+Cp) und Ls ab. > > Das ergibt zwei Gleichungen, nach Ls aufgelöst, gleichgesetzt und dann > nach Cs aufgelöst: > > Cs = (Cz+Cp) * (F3^2 / Fs^2 -1) > Cs = 11.47858 fF > > Ls = 1 / ((2*Pi*Fs)^2 * Cs) > Ls = 172.1942 mH > > Fp = 1/(2*PI*sqrt(Ls*(Cs*Cz/(Cs+Cz)))) > Fp = 3586708 Nun habe ich Probleme die Formel herzuleiten... > Mit Cz > hängt Fs von CS in Reihe mit (Cz+Cp) und Ls ab. Ist der Ansatz richtig? : Ua/Uin = [1/(Rs + jwLs + 1/jwCs + 1/jwCp) + 1/(1/jwCz)]^-1 = [(Rs + jwLs + 1/jwCs + 1/jwCp) * 1/jwCz] / [(Rs + jwLs + 1/jwCs + 1/jwCp) + 1/jwCz] Und dann praktisch nach L aufloesen?
Zuvorderst ist etwas mehr Sorgfalt bei der Verlinkung und Formatierung angesagt. Die meisten Forennutzer machen sich nicht die Arbeit und tragen dir alte Beiträge hinterher. Das ist der Beitrag: Beitrag "Ladderfilter berechnen und bauen" und da der Kommentar: Beitrag "Berechnung der Quarzparameter" Wie die Formatierung im Forum funktioniert, bspw. für Formeln, kann man auch lesen. Warum in deinen Formeln dann die Frequenzen fehlen, handelt es sich doch um einen Serienschwingkreis und Eingangsspannung und Ausgangsspannung ins Verhältnis gesetzt werden (müssen), ist mir unklar. (Fehlt die Andeutung komplexer Größen?) Die Berechnung der Quarzparameter erfolgt ja durch Messung der Frequenzabweichung bei Änderung der Serienkapazität. (Die Maxima und Minima sind ja nur wichtig relativ zueinander.) Grundsätzlich wird das unbekannte Bauteil durch Veränderung vermittels bekannter (=vermessener, nicht nur bedruckter!) und unter Zuhilfenahme einer Übertragungsfunktion (in die jene bekannten Bauteile Eingang finden) eingegrenzt. Vermutlich sind es nur zwei Funktionen, weil nur zwei Kondensatoren bekannt sind (und die beiden im Quarz modellierten Kapazitäten unbekannt). Daraus kann man Induktivität und Kapazität nicht errechnen, aber die Abhängigkeit der beiden Größen voneinander. Die Gleichsetzung geschieht dann entweder über die gesuchte Kapazität – Ergebnis ist Ls – oder die Induktivität – Ergebnis ist Cs.
Bitte melde dich an um einen Beitrag zu schreiben. Anmeldung ist kostenlos und dauert nur eine Minute.
Bestehender Account
Schon ein Account bei Google/GoogleMail? Keine Anmeldung erforderlich!
Mit Google-Account einloggen
Mit Google-Account einloggen
Noch kein Account? Hier anmelden.
