Hallo, dieser Beitrag beschäftigt sich mit dem Berechnen (Simulieren) und Bauen von Ladderfiltern. Er ist aus dem Beitrag Beitrag "verbessertes Ten-Tec Audion" hervorgegangen. Von dort stammen auch die Zitate im nächsten Posting.
[Zitat Bernd aus dem o.g. Beitrag, B e r n d W. schrieb im Beitrag #2671760:] > Noch mal zum Ladderfilter: > gibt es einen konkreten mathematischen Zusammenhang zwischen > Quarzfrequenz und Durchlasskurve? http://www.giangrandi.ch/electronics/crystalfilter... Es gibt da dieses Ersatzschaltbild für Quarze. Wenn man den Quarz als Blackbox sieht, verhält er sich als wären diese Teile eingebaut. Ich kauf mir 20-30 Quarze und vermesse sie. Dann werden sie in Gruppen eingeteilt, die möglichst ähnliche Parameter haben. Vermessen werden sie mit einem Clapposzillator. Die Serienresonanz wird mit 3 verschiedenen Fußkapazitäten ermittelt und in ein Excel Sheet eingetragen. Daraus werden Reihen und Serienresonanz berechnet und man bekommt ein Gefühl dafür, wie weit und wie leicht sich ein Quarz ziehen läßt. Wichtig dabei ist der Abstand zwischen Parallel- und Serienresonanz. Liegen diese zu dicht zusammen, hat der Quarz eine zu hohe Güte und die erzielbare Bandbreite ist zu schmal. Wird die Güte zu klein, bekommt man einen runden Durchlassbereich. Dann kann man diese Parameter in LTspice übernehmen und das Filter simulieren. Es ist schön zu sehen, wie gut Spice-Simulation und Dishal übereinstimmt. Aber in der Realität ist das Filter dann meist etwas schmalbandiger und die Bandbreite muß nochmal angepasst werden. Dazu wechselt man bei allen Kondensatoren auf den nächst kleineren Wert. Möglicherweise liegt das bei mir an einem systematischen Messfehler wie Sockelkapazität nicht mit einberechnet... Filter mit maximal 4 Quarzen sind noch relativ leicht aufzubauen. Darüber sollte man über geeignete Meßmittel wie einen Netzwerk-Analysator verfügen oder es wird, wie bei mir, eine Fummelei. Typische Frequenzen sind 8, 9, 10 und 10.7 MHz. Bei diesen Frequenzen ist es einfach möglich, für CW ein 400 oder 600Hz, für SSB 2,7kHz und eventuell sogar eine schmales AM-Filter aufzubauen. Danach ist es aber einfacher einen Produktdetektor nachzuschalten, als nochmal auf eine zweite ZF runterzumischen, um dann zu versuchen, an der Filtercharakteristik noch irgendwas zu verbessern. Einen Nachteil möchte ich noch erwähnen: Ladderfilter haben einen asymetrischen Durchlaßbereich. Die hochfrequente Flanke des Filters ist ziemlich steil wegen der Parallelresonanz und die niederfrequente verläuft umso flacher, je breitbandiger ein Filter wird. Deshalb wird es schwierig, ein steiles AM-Filter mit >>6kHz Bandbreite nach der Ladder-Methode aufzubauen. Das geht nur mit sehr vielen Quarzen. Gruß, Bernd [Zitat Ende. Leider akzeptiert diese Seite keine längeren Zitate, deshalb ohne Zitatmarkierung ">"]
[Zitat Bernd aus dem o.g. Beitrag, B e r n d W.] > anscheinend kann man da was machen: > http://www.mydarc.de/dk4sx/ladderfilter.htm Ich kenn das, es bringt aber nicht viel. Das hier angehängte GIF zeigt den Vergleich. Es ist IMHO besser, einen weiteren Quarz einzubauen. > kommen die asymmetrischen filterkurven von > den parasitären Cs der quarzgehäuse. > warum nicht einfach die quarze aus den gehäusen holen, > (sägen funzt :O)) Wie, Du hast schon gesägt? Der Cp ist das einige Bauteil im Ersatzschaltbild, das durch die reelle Kapazität entsteht. Aufsägen reduziert Cp nur um ca. 1pF. Der Quarz selber stellt ja einen idealen Kondensator dar mit Dielektrikum. Ohne schützendes Gehäuse altert der Quarz schneller. >Welche Werte muss man bei dem Xtal-C angeben Das sind typische Werte, nur zum "Spielen". Cp = 5pF (3-7) Cs = 18fF dieser Wert variiert abhängig von der Güte Rs = 20 Ohm bei 15MHz bis 200 bei 1MHz (Datenblatt) Ls = 27.76mH davon hängt die Frequenz ab [Zitat Ende. Anhänge auch von Bernd]
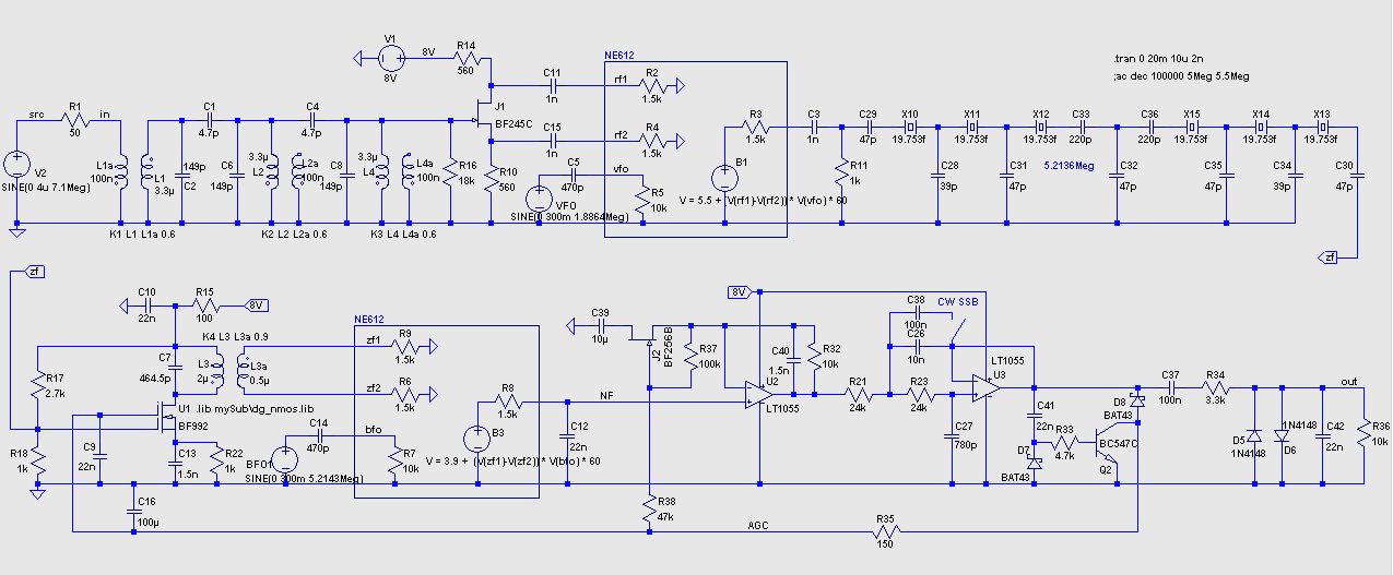
Hallo Bernd, hier eine Frage vorweg: brächte es Vorteile, wenn man das HF-Signal über Bandfilterspulen ein- und auskoppeln würde? So würde man 1. die Last besser(?) anpassen können 2. die Flanken steiler machen können Habe jetzt auch LTspice installiert, die C(res)-Frequenz vom Xtal läßt sich ja ganz einfach über "Capazitance[F]" und "Equiv. Parallel Inductance[H]" einstellen (kann man ja z.B. mit Ringkernrechner ermitteln). Wie kommt man denn auf die 20fF? Kann der Wert praktisch bei allen Quarzen verwendet werden? Ich habe hier noch ein kleines Konvult an 3.579545MHz-Quarzen. (Aufdruck: CQ 3.579545 im HC49-Gehäuse, leider kein Datenblatt) Damit würde ich gerne ein erstes Ladderfilter für SSB aufbauen. Mir ist klar, dass es ein Kompromis wird: -f liegt im 80m-Band (dafür kann ich aber die fertige 80m-Steckspule fürs TT-Audion benutzen :-) und in dem niedrigen f-Bereich läßt es sich extrem leicht abstimmen) -die Quarz-Frequenz ist zu niedrig, um ein 3kHz-breites Filter mit symetrischen steilen Flanken aufzubauen. Deshalb würde ich mich auch mit etwas mehr als 2kHz und leichter Asymmetrie zufriedengeben (kein High-End-SSB ;-))). Bernd schrieb: > Vermessen werden sie > mit einem Clapposzillator. http://de.wikipedia.org/wiki/Clapp-Schaltung Nehme an, so etwas hier mit Xtal (+ Mess-Cs) statt C1/L1: http://de.wikipedia.org/w/index.php?title=Datei:Clapp_oszillator.GIF&filetimestamp=20070108194422 Kannst du den Schaltplan von dem Oszi posten, mit dem du vermessen hast? Noch eine Frage zur LTspice-Simulation: Wenn ich die Datei Quarzfilter_2.457.asc starte und für eine graphische Darstellung auf das "Pick visible Traces"-Icon klicke, öffnet sich ein Graphik-Fenster Quarzfilter_2.457.raw . Dort ist der Bereich auf der "Horizontal Axis" bereits festgelegt (läßt sich nach dem Draufklicken zwar zunächst in einem anderen Fenster ändern, die Änderungen werden aber danach nicht ins Diagramm übernommen). Wie kann man den Bereich so einstellen, dass man auch Filter mit Quarzen anderer Frequenzen untersuchen kann und was bedeuten die Zahlen hinter V1 SINE(0 2 6.556Meg), ich verstehe nicht ganz den Zusammenhang zu 2.457MHz? So viel erst mal (mir scheint, Ladderfilter baut man beim ersten Mal nicht an einem Nachmittag)
KLS schrieb: > Wie kommt man denn auf die 20fF? Ein Quarz kann man sich wie ein Serienresonanzkreis mit einer Prallelkapazität ( Kapazität der Quarzanschlüsse ) vorstellen. Das LC Verhältnis bestimmt mit dem Serienresonanzwiderstand die Güte des Quarzes. Weil die Güte des Quarzes aber eine Betrag von mehreren 10000 bis sogar mehreren 100000 aufweisen kann, muss das L sehr groß und das C sehr klein sein, damit der Resonanzwiderstand sehr groß wird. Die Güte ist im wesentlichen Resonanzwiderstand / Serienwiderstand. Dieser extrem kleine Wert der Kapazität von wenigen Femtofarad und die große Induktivität bis weit in den Milihenry mitunter Henry Bereich ist somit für eine hohe Quarzgüte Voraussetzung. Man kann das alles nachlesen im Quarzkochbuch von Bernd Neubig. Der hat das sehr gut erklärt. Ralph Berres
Ralph Berres schrieb: > Weil die Güte des Quarzes aber eine Betrag von mehreren 10000 > bis sogar mehreren 100000 aufweisen kann, muss das L sehr groß und das C > sehr klein sein, damit der Resonanzwiderstand sehr groß wird. Die Güte > ist im wesentlichen Resonanzwiderstand / Serienwiderstand. Ahaaaaaa! :-) > Man kann das alles nachlesen im Quarzkochbuch von Bernd Neubig. Der hat > das sehr gut erklärt. Habe neulich schon irgendwo einen Link zu diesem buch hier im Forum gefunden. Leider funktionierte der Link nicht mehr. Habe aber beim Googeln das hier entdeckt: http://material.htlwien10.at/wissensspeicher/Quarze_Schwingquarze_Quarzoszillatoren_Resonatoren/Quarzkochbuch_5MB.pdf
> 1. die Last besser(?) anpassen können Die Anpassung ist sehr wichtig. Im Durchlassbereich muß die Impedanz eingehalten werde. Halbier mal in der Simulation die Abschlußwiderstande -> der Durchlaßbereich wird wellig. Außerhalb des Durchlassbereiches sollte die Anpassung zumindest nicht hochohmiger werden, besser sie bleibt konstant. Oft wird ein Reihenschwingkreis zur Impedanztransformation verwendet. > 2. die Flanken steiler machen können Das ändert an den Flanken so gut wie nichts, jedoch die Weitabselektion wird besser. Quarze können Nebenresonanzen haben. Ab einer Quarzzahl von 5-6 sind diese Nebenstellen ausreichen unterdrückt. Aber ein weiteres Filter ist durchaus hilfreich. > Wie kommt man denn auf die 20fF? In der Realität sind bei mir bisher Werte zwische 15 und 23 fF aufgetaucht. Ich kann da bisher keinen großen Zusammenhang zur Quarzfrequenz feststellen. In der Ersatzschaltung hat der Wert natürlich einen direkten Einfluß auf die Resonanzfrequenz. Der Cp kann schon je nach Lieferant bei Quarzen gleicher Frequenz um ca. 3fF variieren. Die Reihenresonanz errechnet sich aus Cr und Lr, die Parallelresonanz aus (Cr in sere mit Cp) und Lr. Durch die Serienschaltung liegt die Parallelresonanz oberhalb der Serienresonanz. Jetzt kann man die Serienresonanz mit einem in Serie zum Quarz geschalteten Kondensator "ziehen". Dadurch verschiebt sich die Serienresonanz nach oben. Die Parallelresonanz kann aber nie erreicht werden. Durch eine in Serie geschaltete Induktivität kann man den Quarz nach unten "ziehen". Wird die Induktivität zu groß, also zieht man zu weit, verliert das Ganze die Quarzeigenschaften und es entsteht ein normaler Schwingkreis. Die Kondensatoren des Ladderfilters gegen GND ändern hauptsächlich den Koppelfaktor zwischen den Quarzen, Das Filter wird also schmaler/breiter. > ein kleines Konvult an 3.579545MHz-Quarzen Wenn Du Glück hast, ist die Güte schlecht, dann wird es breiter. Eventuell sind dann 2.2-2.4 kHz zu schaffen und alles wird gut. Es kann aber auch sein, das Filter wird grottenschlecht. Ein zuverlässig gutes Resultat wird nur durch Vermessen und selektieren erreicht. Fs sollte nicht weiter als 50 Hz streuen. Ltspice Klick mal mit der rechten Maustaste auf die Zeile .ac dec ... 1. Die erste Lasche links oben zeigt Transient. Dabei handelt es sich um eine Simulation im Zeitbereich. Die Simulation erfasst Klein- und Großsignalverhalten. Stop Time gibt die simulierte Dauer vor. Die Frequenz wird durch einen schwingenden Oszillator oder eine äußere Spannungsquelle vorgegeben. Die 6.556Meg stammen noch von einer alten Simulation und werden hier nicht verwendet. Du kannst aber 2.457Meg angeben. Zuvor ist es empfehlenswert, bei den Einstellungen von LT-Spice (das Hammer-Symbol), alle drei Haken bei Compression auszuschalten. Wird eine Schwingung angezeigt, kann man mit der rechten MAustaste auf das Diagramm klicken und View / FFT wählen, dann bei Window Function: Hamming. Dann ein Signal auswählen und ok Drücken. Es wird das Frequenzspektrum des Signals angezeigt mit Harmonischen. 2. Auf der zweiten Lasche steht AC Analysis. Die Anzeige geschieht im Frequenzbereich, es werden also Frequenz- und Phasengänge berechnet. Es wird nur das Kleinsignalverhalten simuliert. Falls Arbeitspunkte von aktiven Bauelementen den Frequenzgang beeinflussen, sollte dies vorher in der Transienten-Analyse optimiert werden. Die 4 Felder müssen sinvoll ausgefüllt werden, also Frequenzbereich und die Auflösung vorgeben. Bei sehr schmalen Filtern sind schon mal 1e6 Punkte pro Dekade notwendig. Im HF-Bereich verwendet man Dekaden, im NF-Bereich Oktaven als anschauliche Frequenzspanne.
Hallo KLS Hier kommt noch der Oszillator. Jenachdem ist es ein Colpitts oder Clapp. http://www.giangrandi.ch/electronics/crystalfilter Wie bei giangrandi angegeben, wird mit unterschiedlichen Ziehkondensatoren die Resonanzfrequenz ermittelt. Daraus kann dann auf die Quarzparameter zurückgerechnet werden. Das Poti so einstellen, daß der Oszillator mit allen Quarzen einer Serie gerade sicher schwingt.
Hallo Bernd, Danke für die ausführlichen Erklärungen! Ich komme später noch darauf zurück. Im Moment löte ich den Clapp-Oszillator für die Quarzmessungen zusammen. Was ist dieses V2-PULSE-Ding im Schaltplan? Mein Frequenzzähler kann leider nur auf ein kHz genau messen. Deshalb habe ich das etwas abenteuerliche Vorhaben überlegt, die geforderten Frequenzen per Weltempfänger zu ermitteln. Der Weltempfänger kann zwar auch nur auf ein kHz genau, aber im SSB-Modus kann man den BFO verstellen und hört dann (wem sage ich dass) bei einem unmodulierten AM-Signal je nach Einstellung einen entsprechend hohen Ton. Dessen Tonhöhe müsste man irgendwie in Zusammenhang mit der Frequenzabweichung von der eingestellten kHz-Zahl auswerten. z.B. so: Quarzfrequenz x = Weltempfängerfrequenz + NF-Frequenz USB-Pfeifton Die NF-Frequenz kann mit dem Frequenzmesser sehr genau bestimmt werden. Ich bin nur noch nicht ganz sicher, ob das so funktioniert. Müssen die Werte absolut richtig sein, oder würde auch eine relative Genauigkeit ausreichen? Die Quarze nach möglichst gleicher Pfeiftonhöhe zu selektieren, dürfte überhaupt kein Problem sein. Für eine absolute Messung müsste der Ton irgendwie quantifiziert werden... PS: wie bestimmt man mit dem Clapp eigentlich fp? http://www.giangrandi.ch/electronics/crystalfilters/xtalresponse.gif bzw. http://www.giangrandi.ch/electronics/crystalfilters/xtaltest.html
Oszi läuft jetzt. Die beiden Messkapazitäten sind 7pF und 24pF (gemessen direkt im Schaltungsaufbau, alleine gemessen haben beide Cs jew. 1p weniger). Messreihe beginnt morgen... :-)
>Was ist dieses V2-PULSE-Ding im Schaltplan? Die Spannung erzeugt einen 3ns Impuls und beschleunigt damit das Anschwingen. Sonst dauert mir die Simulation zu lange. Selbst ein realer Quarz kann mal ein paar 100 ms fürs Anschwingen benötigen. > Für eine absolute Messung müsste der Ton irgendwie > qualifiziert werden Du kannst mal mit deinen Weltempfänger prüfen, indem Du nachts im 75m Band auf 3955, 3965 kHz und den Zeitzeichensender in Moskau RWM auf 4996 kHz einstellst. Falls der BFO bei jedem dieser Sender an der gleichen Stelle in Schwebung kommt, hast Du die richtige Stelle. Dann suchst Du mit dieser BFO-Einstellung die Quarzfrequenz und gehst 1kHz runter. Der Quarz schwingt dann auf der angezeigte Frequenz plus Schwebungston. Es reicht eventuell schon die Anzeige auf dem Oszi aus oder die Soundkarte mit entsprechender Software. Wie wärs mit einem besseren Frequenzzähler? > wie bestimmt man mit dem Clapp eigentlich fp Der schwingt nur auf Serienresonanz, fp müsste berechnet werden. Wir haben drei Frequenzen und drei Unbekannte. Eventuell könnte man sich auch was mit dem Dipmeter-Oszillator überlegen und die Resonanzpunkte so ausmessen.
>Die beiden Messkapazitäten sind 7pF und 24pF (gemessen direkt im >Schaltungsaufbau, alleine gemessen haben beide Cs jew. 1p weniger). Kannst Du mal versuchen, Cp direkt zu messen?
Hallo Bernd! B e r n d W. schrieb: >>Was ist dieses V2-PULSE-Ding im Schaltplan? > Die Spannung erzeugt einen 3ns Impuls und beschleunigt damit das > Anschwingen. Sonst dauert mir die Simulation zu lange. Ach so, so eine Art One-Shot-Generator zum Anstubsen! Kann ich mir gut vorstellen, dass es keinen Spass macht, wor dem Rechner zu sitzen und zu warten, bis sich virtuelle Cs aufgeladen haben usw. :-) > Du kannst mal mit deinen Weltempfänger prüfen, indem Du nachts im 75m > Band auf 3955, 3965 kHz und den Zeitzeichensender in Moskau RWM auf 4996 > kHz einstellst. Habe es gestern Abend ausprobiert, die Sender haben alle drei die gleiche Schwebungsfrequenz. Übrigens gute Idee, auf vorhandene Sender abzugleichen!!! > Dann suchst Du > mit dieser BFO-Einstellung die Quarzfrequenz und gehst 1kHz runter. Der > Quarz schwingt dann auf der angezeigte Frequenz plus Schwebungston. Also auf USB (nicht LSB!) stellen , dann z.B. bei 3955kHz den BFO auf 1kHz abgleichen, dann aufgedruckte Quarzfrequenz auf 1kHz genau einstellen und je nach Frequenzlage beim Prüfling noch ein paar kHz hoch oder runterschalten, bis ein auswertbarer Schwebungston erklingt. Dessen Tonhöhe bestimmen und die gesuchte Quarzfrequenz (Messfrequenz) wie folgt ermitteln: reale Quarzfrequenz im Messaufbau = angezeigte Weltempfängerfrequenz + Frequenz des Schwebungstons im USB-Modus ?!!
B e r n d W. schrieb: > Wie wärs mit einem besseren Frequenzzähler? Das wäre sehr gut! Habe nur im Moment keine richtige Idee, was als Schaltung in Frage kommt. Könnte natürlich einen Buffer aufbauen, dahinter einen Frequenzteiler und dann das Ergebnis mit einem AVR auswerten, das funktioniert auch, die Frage ist nur, wie genau das ganze dann wird. Spezielle Ideen für einen f-Zähler? >> wie bestimmt man mit dem Clapp eigentlich fp > Der schwingt nur auf Serienresonanz, fp müsste berechnet werden. Wir > haben drei Frequenzen und drei Unbekannte. Hm, auf http://www.giangrandi.ch/electronics/crystalfilters/xtaltest.html braucht man für den Kalkulator auch noch fp. Zitat: "First connect the 10 pF capacitor (position 1) and look for the frequency that gives the maximum signal at the output (minimum attenuation). This will be fs1. Than connect the 27 pF (position 2) and look for the maximum output again, and this will be fs2. Now connect the crystal directly (position 3) and look for maximum output (frequency fs3) and also for the minimum one (frequency fp)." Wobei die Frage ist, was mit >>... and also for the minimum one (frequency fp). gemeint ist. Bei deinem EXEL-Programm braucht man Cp nicht? Kannst du es mal posten? > Kannst Du mal versuchen, Cp direkt zu messen? Die Parallelkapazität bei direkter Messung als C ist 3pF +/- 0,5pF
KLS - Zitat Bernd schrieb: > Einen Nachteil möchte ich noch erwähnen: Ladderfilter haben einen > asymetrischen Durchlaßbereich. Die hochfrequente Flanke des Filters ist > ziemlich steil wegen der Parallelresonanz und die niederfrequente > verläuft umso flacher, je breitbandiger ein Filter wird. Deshalb wird es > schwierig, ein steiles AM-Filter mit >>6kHz Bandbreite nach der > Ladder-Methode aufzubauen. Das geht nur mit sehr vielen Quarzen. Hallo, DK4SX hat symmetrische Ladderfilter berechnet und aufgebaut, dazu gibt es einen guten Artikel im Funkamateur 03/2010. Infos auch auf seiner Webseite http://www.mydarc.de/dk4sx/ladderfilter.htm Für ein 8kHz AM Filter ist jedoch eine Quarzfrequenz von 12 MHZ nötig. 73
Ich und nicht er schrieb: > DK4SX hat symmetrische Ladderfilter berechnet und aufgebaut, dazu gibt > es einen guten Artikel im Funkamateur 03/2010. Hallo, diese Möglichkeit hatten wir oben schon aufgegriffen, dort ist auch ein Diagramm von Bernd dazu. Hier noch ein kurzes Zitat... Bernd schrieb: >> anscheinend kann man [in Bezug auf die Asymmetrie]da was machen: >> http://www.mydarc.de/dk4sx/ladderfilter.htm > Ich kenn das, es bringt aber nicht viel. Das hier angehängte GIF zeigt > den Vergleich. Es ist IMHO besser, einen weiteren Quarz einzubauen. Das besagte Diagramm dazu ist das erste in diesem Beitrag von oben.
Habe zwei theoretische Messreihen ersonnen und ausgewertet (Bild), Reihe zwei (rechte Spalte) mit den gleichen Messfrequenzen der linken Spalte, aber jeweils minus 1 kHz. Fazit: Bis auf die um 1 kHz verschobene Mittenfrequenz fallen die Ergebnisse so gut wie gleich aus. Deshalb gehe ich davon aus, dass die Messwerte nicht absolut mit der richtigen Frequenz gemessen werden müssen, sondern nur relativ zueinander stimmen müssen (im Rahmen einer absoluten Abweichung der tatsächlichen Frequenz von ein paar kHz). Darum wird es wohl genügen, aus der Reihe der zu vermessenden Quarze ein Kalibrierquarz zu "ernennen" und zu diesem relativ zu messen. Gibt es andere Meinungen dazu?
@Ich und nicht er > Für ein 8kHz AM Filter ist jedoch eine Quarzfrequenz von 12 MHZ nötig. Das kommt in etwa hin, bei 10,7 MHz wäre ich auf max. 7 kHz gekommen, hab mich dann aber auf 6 kHz beschränkt. Für 8 kHz Bandbreite würde ich lieber ein Filter zukaufen, zumal bei meinen 10,7 MHz verfügbar. Die Schmalband-FM-Filter sind leider schon zu breit. > dann das Ergebnis mit einem AVR auswerten Bei der Angehängten Schaltung handelt es sich um eine FLL. Der Frequenzzähler misst die Oszillatorfrequenz, addiert oder subtrahiert die ZF-Ablage und vergleicht mit der Sollfrequenz. Diese wird auf 10Hz genau nachgeregelt. Dazu geht ein PWM-Signal wie bei der Frequenz-Feineinstellung hochohmig auf die Kapazitätsdioden, die so ein paar kHz Abstimmung zulassen. Bei mir wird mit einem 10-Gang Poti auf die Empfangsfrequenz abgestimmt. Dann drück ich Enter. Die Regelung rastet jetzt auf diese Frequenz ein. Mit einem Drehencoder (Baustelle) kann später die Frequenz noch in 10Hz Schritten nachgestellt werden. > die Frage ist nur, wie genau das ganze dann wird. Die Grundgenauigkeit hängt von der Quarzfrequenz ab. Diese läßt sich mit C12 kalibrieren. Oszillatorfrequenz ermitteln: Ein kHz tiefer als die aufgedruckte Frequenz einstellen. Bei USB und Quarz direkt auf GND muß ein hörbarer Schwebungston entstehn. Falls der Receiver 1kHz tiefer empfängt, muß die Schwebung 1kHz höher sein. Dann eine Software verwenden die das Spektrum anzeigt wie z.B. Spectran: http://digilander.libero.it/i2phd/spectran.html > braucht man für den Kalkulator auch noch fp. Fp hab ich bisher mit dem Messsender gemessen, es sollten aber genügend Informationen vorhanden sein, um Cp zu berechnen. > Die Parallelkapazität bei direkter Messung als C ist 3pF +/- 0,5pF Könntest Du mal andere Quarze durchmessen, ob dort auch höhere Werte mit ~5pF auftauchen, dann könnte man dem Wert vertrauen.
Hallo KLS > Darum wird es wohl genügen, aus der Reihe der zu > vermessenden Quarze ein Kalibrierquarz zu "ernennen" > und zu diesem relativ zu messen. Im Prinzip hast Du recht. Prozentuel macht ein kHz Meßfehler bei 3,5MHz praktisch nichts aus, aber.. später ist es von Vorteil, wenn Du es möglichst genau weißt. Bei welcher Frequenz liegen die Filterflanken, wo die Filtermitte, wo schwingt der BFO optimal für USB/LSB. Deshalb war der Weg mit dem Receiver schon richtig. Du wirst absolut auf <=100Hz Genauigkeit kommen und relaiv auf 10Hz. Damit sollte sich das Filter bauen lassen. Später wäre es eventuell denkbar, einen weiteren Quarz in den Oszillator einzusetzen, um damit die Durchlasscharakteristik des Filters zu vermessen.
B e r n d W. schrieb: >> Die Parallelkapazität bei direkter Messung als C ist 3pF +/- 0,5pF > Könntest Du mal andere Quarze durchmessen, ob dort auch höhere Werte mit > ~5pF auftauchen, dann könnte man dem Wert vertrauen. Die meisten Quarze haben 3pF, ein paar haben 4p (z.B. ein 6MHz-Grundton-Q.) und ein paar kommen auf 5pF (z.B. ein 8MHz-GT und ein 36MHz-Oberwellenquarz mit 3. Oberwelle). (es waren übrigens auch ein paar 2pF-Exemplare dabei) Die Kapazitätswerte sind so weit ok, wie ich vom praktischen Basteln weiß. >> Darum wird es wohl genügen, aus der Reihe der zu >> vermessenden Quarze ein Kalibrierquarz zu "ernennen" >> und zu diesem relativ zu messen. > Im Prinzip hast Du recht. Prozentuel macht ein kHz Meßfehler bei 3,5MHz > praktisch nichts aus, aber.. Ich sehe dabei vor allen Dingen das Problem, dass der Weltempfängen nur Nachts an den genannten Sendern kalibriert werden kann und ich auch gerne mal tagsüber messe ;-) ...da kommt mir ein Kalibrierquarz grade recht. (vielleicht wäre es ganz gut, einen Kalibrieroszillator aufzubauen und anhand der genannten Sender abzugleichen - das wirft aber die Frage nach Stabilität/Temperaturdriftvermeidung etc. auf). Langfristig hast du völlig recht, ein genauer Frequenzmesser muss her. Die Sache mit dem SSB-Ladderfilter mit 3,579545MHz-Quarzen ist auch eher eine Spielerei, um mit der Materie warm zu werden. Das Ergebnis sollte aber trotzdem brauchbar sein. Im Grunde wäre ein Netzwerktester für solche Dinge angebracht. Danke für den Schaltplan zum FLL, muss ich mir mal in Ruhe ansehen. Wenn alles klappt, poste ich später ein paar Ergebnisse von der ersten Quarzreihenmessung.
Habe mittlerweile 17 Quarze vermessen.
(ein paar waren schon in der Vorauswahl rausgeflogen und wurden nicht
weiter erfasst).
Hier eine kleine Auswahl der Rohmessung, ich kann gerne auch alle
Ergebnisse posten:
3579 3580 3581 [kHz] Weltempfänger-f
6. 945 713 959 [Hz] Schwebungs-f (USB)
8. 974 700 884
9. 965 683 844
10. 972 719 939
11. 985 727 927
14. 954 717 969
Nach dieser Seite hier
http://www.giangrandi.ch/electronics/crystalfilters/xtaltest.html
müsste jetzt noch fp (Crystal parallel resonance frequency) ermittelt
werden.
Bernd, du meintest ja, dass man den Wert fp aus den anderen dreien
errechnen kann; kannst du sagen, wie das geht und/oder die besagte
Exel-Datei posten?
Dann die nächste Frage, bei dem "Crystal ladder filter calculator"
steht:
>It's also important to select crystals with very similar characteristics (the
>resonance frequencies should be within 100 Hz).
http://www.giangrandi.ch/electronics/crystalfilters/xtalladder.html
Das würde auf die o.g. Quarzreihe mehr oder weniger zutreffen.
Wenn man damit eine 6-Quarze-Filterbank aufbauen wollen würde, müsste
man erst noch jeweils einen Mittelwert für f(brücke), f(7p) und f(24p)
errechnen und diesen bei "Crystal ladder filter calculator" eintragen
oder besser das Filter direkt bei LTspice simmulieren und dort die
Filterwerte real eingeben?
KLS schrieb: > ... oder besser das Filter direkt bei LTspice simmulieren und dort die > Filterwerte real eingeben? Wobei man ja irgendwie wenigstens näherungsweise die C-Werte für die gewählte Bandbreite berechnen müsste...
Hallo KLS > ein paar waren schon in der Vorauswahl rausgeflogen > und wurden nicht weiter erfasst Den mit der höchsten Frequenz würde ich mir als BFO-Quarz reserviceren. Runterziehen geht einfacher als hoch. Ein BFO in Verbindung mit dem TenTec Funktioniert besser als das Audion freischwingend. Ich hab die Werte iterativ ermittelt. Cp Cs Ls Rs 3pF 11.94fF 165.54mH 90 Fs F (24p) F (7p) Fp 3579866 3580710 3581920 3586980 Mit iterativ meine ich: Cs und Ls so verändert, daß mit Deinen Ziehkondensatoren die Frequenzänderung identisch ist. Schau mal selber, ob das so passt. Den Rs hab ich aus einem Datenblatt von einem Quarz der selben Frequenz, es können zwar leichte Abweichungen da sein, das wirkt sich aber eher auf die Einfügedämpfung aus. So beträgt die Bandbreite leider nur 2 kHz. Eine Drossel mit 220µH und 2pF muß man selbst wickeln, die gekauften haben 20pF parasitäre Kapazität. Gruß, Bernd PS Probier das Filter mal mit folgenden Werten: 15pF, 18pF, 100pF
Hallo Bernd, vielen herzlichen Dank fürs Rechnen und die asc-Dateien! B e r n d W. schrieb: > Mit iterativ meine ich: Cs und Ls so verändert, daß mit Deinen > Ziehkondensatoren die Frequenzänderung identisch ist. Mit der Quarz_3.579.asc-Datei ermittelt? > Den mit der höchsten Frequenz würde ich mir als BFO-Quarz reserviceren. > Runterziehen geht einfacher als hoch. Ein BFO in Verbindung mit dem > TenTec Funktioniert besser als das Audion freischwingend. Der höchste hat bei F(Brücke statt C) 3,58014MHz wo würde das BFO-Signal am besten eingekoppelt werden, vor oder hinter dem Ladderfilter? > So > beträgt die Bandbreite leider nur 2 kHz. Ich sehe es! :( > Eine Drossel mit 220µH und 2pF muß man selbst wickeln, die gekauften > haben 20pF parasitäre Kapazität. Eine Drossel mit 220µ und 2p, geht das überhaupt? Ich frage mich, ob die Drossel überhaupt nötig ist und ob das Audion bei angezogener RK nicht sowieso die Flanken steilzieht!? > Probier das Filter mal mit folgenden Werten: > 15pF, 18pF, 100pF Das sieht doch sehr gut aus!!! :) Wo du das mit dem Quarz-BFO geschrieben hast kam mir die Idee, ob man eigentlich auch ein Quarzaudion bauen kann. Also ein Audion, dass statt LC ein Quarz plus Zieh-C besitzt. Müsste doch eigentlich möglich sein... (nur der Empfangsbereich wäre eben seeehr begrenzt) Diese Quarzfilter setzen die Signalstärke ganz schön herab, -60dB wären bei NF schon unhörbar. Wie weit kann sich denn eigentlich die Welligkeit unangenehm bemerkbar machen?
>> Mit iterativ meine ich: Cs und Ls so verändert, daß mit Deinen >> Ziehkondensatoren die Frequenzänderung identisch ist. > Mit der Quarz_3.579.asc-Datei ermittelt? Ja, Du siehst beim Verändern der Ziehkapazität, wohin sich die Serienresonanz verschiebt. Das hängt vom Verhältnis Zieh-/Cs ab. Wenn sich Cs verkleinert, muß sich Ls im gleichen Verhältnis vergrößern, damit die Grundresonanz an der gleichen Stelle bleibt. > wo würde das BFO-Signal am besten eingekoppelt werden, > vor oder hinter dem Ladderfilter? So wie hier: Beitrag "Re: Superhet-Audion" Beitrag "Re: Festfrequenzaudion nach ZF-Filter" Die genaue Stelle muss man bei der Tentec-Schaltung ausprobieren. Eventuell mit 10pF an den Source vom J2. Das gif ist aus dem zweiten Thread: 4. Typische Kurve eines Audions, welches auch gleich demoduliert. Beide Seitenbänder werden erfasst. 3. ideale Filterkuve aus mit zugesetztem BFO. 2. Reale Filterkurve. Die Flanken sind steil, die Trennung zum "falschen" Seitenband ist gut und der Durchlassbereich flach. 1. Durch den externen BFO kann das Q-Multiplier-Maximum in der Mitte sitzen. > Eine Drossel mit 220µ und 2p, geht das überhaupt? Könnte man so ungefähr auf einen Ringkern wickeln. Im Endeffekt liegen die parasitäre Kapazität der Spule und Cp des Quarzes parallel. Zusammen mit der Induktivität muß die Resonanzfrequenz auf Quarzfrequenz liegen. Um das abstimmen zu können, benötigt man aber die entsprechende Messtechnik, welche die Filterkurve bei -80dB noch sichtbar macht. > Ich frage mich, ob die Drossel überhaupt nötig ist und ob > das Audion bei angezogener RK die Flanken steilzieht!? Das Filter ist ohne die Induktivität nicht wirklich schlecht. Wenn man von Asymetrie spricht, ist das wie Jammern auf hohem Niveau. Auch mit dem Tentec-Nachsetzer kann man da kaum noch was verbessern. > ein Audion, dass statt LC ein Quarz plus Zieh-C besitzt Der Quarz kann als Filter dienen mit einer relativ schlechten Weitabselektion von ca. 35dB. Die schmale Bandbreit von 100 Hz bewirkt auch eine geringe Datenrate, zu schmal für Sprache, aber CW funktioniert. Es gibt meist Nebenresonanzen, möglicherweise läßt der Quarz 300kHz höher wieder "durch". Da diese Nebenstellen bei jedem Quarz wo anders liegen, ist ein Ladderfilter ab 5 Quarzen praktisch Nebenstellenfrei. Zrotzdem werden Quarze manchmal auch zur Vorselektion verwendet, wie im 30m-Band bei 10.140MHz für QRSS verwendet. Der komplette interessante Bereich ist dort ja nur 100Hz breit. > Diese Quarzfilter setzen die Signalstärke ganz schön > herab, -60dB wären bei NF schon unhörbar. Theoretisch sind die 90-100 dB machbar. Dies wird aber durch Übersprechen zunichte gemacht. Der Komplette Aufbau müßte Stufe für Stufe in abgeschirmten Bereichen stattfinden, die Betriebsspannung sauber abgeblockt werdenu das Quarzfilter müßte auf zwei Kammern verteilt werden. Anders sind halt nur 70 oder 80 dB Dämpfung realistisch. Bei 10m ist das Hintergrundrauschen schon relativ klein. Es kann vorkommen, daß ein Nutzsignal mit 1µV ein paark kHz neben einem Störsignal mit 100mV liegt. Dies entspricht einem Dynamikbereich von 100dB. > Wie weit kann sich denn eigentlich die Welligkeit > unangenehm bemerkbar machen? Eine Welligkeit von 2-3 dB ist kaum hörbar.
Hallo Bernd, Danke für das ausführliche Posting von neulich! Ich würde gerne so eine Art Liste erstellen, die man abarbeiten kann, um seine Quarze für ein Ladderfilter zu vermessen und damit das Filter zu simmulieren. Natürlich gibt es mehrere Wege/Möglichkeiten... Also, ich fange mal an, wie ich es verstehe: Für die Ladder-Filtersimmulation werden die Werte Cp, Cs, Ls und Rs benötigt: Cp läßt sich mehr oder weniger direkt mit einem C-Messgerät bestimmen und beträgt meistens um 3pF (2p - 5pF) Rs kann aus Datenblättern von Quarzen vergleichbarer Frequenz abgeschätzt werden (meistens ca. 100R) Cs läßt sich aus den selbstermittelten Parametern fs1, fs2 und fs3 bestimmen Ls ergibt sich automatisch aus der Schwingkreisformel. Die Quarzfrequenz ist bekannt und Cs auch. Daraus kann Ls errechnet werden. Vorgehensweise zur Ermittlung von Cs : -zuerst bei allen Quarzen die Frequenzen fs1, fs2 und fs3 bestimmen (s = seriell) fs1: Brücke statt seriellem C fs2: seriellen 27p-C fs3: seriellen 10p-C (es können auch andere C-Werte genommen werden, wenn dies in die Berechnung mit einfließt) -diejenigen Quarze rauspicken, die untereinander die geringsten Abweichungen haben -für diese Quarze die Mittelwerte für fs1, fs2 und fs3 bestimmen -als nächstes z.B. mit LTspice den Wert Cs ermitteln/abschätzen B e r n d W. schrieb: > Ich hab die Werte iterativ ermittelt. > Cp Cs Ls Rs > 3pF 11.94fF 165.54mH 90 > > Fs F (24p) F (7p) Fp > 3579866 3580710 3581920 3586980 B e r n d W. schrieb: >> Mit der Quarz_3.579.asc-Datei ermittelt? > Ja, Du siehst beim Verändern der Ziehkapazität, wohin sich die > Serienresonanz verschiebt. Das hängt vom Verhältnis Zieh-/Cs ab. Wenn > sich Cs verkleinert, muß sich Ls im gleichen Verhältnis vergrößern, > damit die Grundresonanz an der gleichen Stelle bleibt. Ich verstehe den Schritt von fs1, fs2 und fs3 zu Cs noch nicht so richtig... Wenn man mit LTspice Cs abschätzen will, müssen ja die anderen Werte schon (näherungsweise) bekannt sein, also Cp, Ls und Rs. Aber LS kann man ja eigentlich noch gar nicht wissen/berechnen. Kannst du das in kleinen Scheibchen erklären? So viel erst mal, viele Grüße! PS: interessantes Diagramm! Was bedeutet bei 4. in der Praxis "Beide Seitenbänder werden erfasst"?
Hallo KLS > Ich verstehe den Schritt von fs1, fs2 und fs3 zu Cs noch nicht so Ein sauberer Schritt wäre jetzt, die Formel dafür zu erarbeiten. Es gibt 3 Frequenzen und zwei Unbekannte. Cp ist nicht beteiligt, es liegen nur Cs, Ls und der Ziehkondensator in Reihe. Auf dem Weg des geringsten Widerstandes als Notlösung hab ich typische Werte für Cs und Ls verwendet und mit dem Ziehkondensator die Serienresonanz geändert. Mittelwerte gemessen: FS3 = 3581.920 kHz - FS1 = 3579.866 kHz -------------------- 4.265 kHz Simulation: Cs=18fF, LS=109.8082mH -> Fs3 = 3583.081 kHz -Fs1 = 3579.866 kHz -------------------- 3.215 kHz Cs = Cs_alt * 3.215 / 4.265 = 13.569fF Ls = Ls_alt * 4.265 / 3.215 = 145.671fF Mit diesen Werten macht man das Ganze nochmal. Ziehbereich ermitteln, Cs und Ls im Verhältnis verändern, dann stimmt der Ziehbereich schon auf 1% genau mit dem gewünschten Wert überein: Cs = 11.94fF Ls = 165.54mH > Rs kann aus Datenblättern von Quarzen vergleichbarer > Frequenz abgeschätzt werden (meistens ca. 100R) Mangels anderer Möglichkeiten hab ich das so gemacht. Erstmal variiert der Rs von >200 Ohm bei 1 MHz bis 20 Ohm bei 20MHz. Dann hängt es von der Bauform ab, vermutlich von der Größe der Scheibe. Niedrige SMD-Quarze sind hochohmiger. Besser den ecchten Wert aus dem Datenblatt verwenden. > 4. "Beide Seitenbänder werden erfasst"? Das Audion muß auf eine Frequenz abgestimmt werden, die den richtigen Träger für die Demodulation des Seitenbandes ergibt, leider nicht auf die Mitte des Seitenbandes (hier LSB). Dadurch liegt das falsche Seitenband (USB) genausogut im Durchlassbereich, zwischen den Seitenbändern findet überhaupt keine Selektion statt. USB ist hier aber der nächste Kanal und eigentlich ein LSB-Signal in USB-Lage und unerwünscht! Auf der anderen Seite ist die Durchlasskurve schon selektiv: Sie reduziert die Höhen des gewünschten Signals. Gruß, Bernd
Gegeben: Cz = 7pF Cp = 3pF Rs = 90 Fs = 3579866 F3 = 3581920 Ohne Cz (Ziehkondensator) hängt Fs nur von Cs und Ls ab. Mit Cz hängt Fs von CS in Reihe mit (Cz+Cp) und Ls ab. Das ergibt zwei Gleichungen, nach Ls aufgelöst, gleichgesetzt und dann nach Cs aufgelöst: Cs = (Cz+Cp) * (F3^2 / Fs^2 -1) Cs = 11.47858 fF Ls = 1 / ((2*Pi*Fs)^2 * Cs) Ls = 172.1942 mH Fp = 1/(2*PI*sqrt(Ls*(Cs*Cz/(Cs+Cz)))) Fp = 3586708
Hallo Bernd, an dieser Stelle schon mal DANKE für die Formeln und die Excel-Datei! Ich will demnächst noch eine vollständigen Vermessanleitung damit erstellen (auch für mich selber als "Online-Notiz" ;O)). Wenn das Filter gelötet ist, melde ich mich hier ohnehin noch mal zwecks Vermess-Ideen. Habe übrigens noch ein DDS-(?)-IC in der Bastelkiste (für eine Art Rechteck-Generator von 100kHz bis 50MHz o.ä., vor längerer Zeit mal an Lager gelegt). Es ist so ein kleines SMD-Ding mit 5 Beinen. Finde leider im Moment nicht die Typenbezeichnung... Sollte eigentlich halbwegs brauchbar fürs Filter-Vermessen sein (es ist allerdings so winzig, dass es sich vermutlich nicht ohne weiteres löten läßt). B e r n d W. schrieb: > Das Audion muß auf eine Frequenz abgestimmt werden, die den richtigen > Träger für die Demodulation des Seitenbandes ergibt, leider nicht auf > die Mitte des Seitenbandes (hier LSB). Dadurch liegt das falsche > Seitenband (USB) genausogut im Durchlassbereich, zwischen den > Seitenbändern findet überhaupt keine Selektion statt. USB ist hier aber > der nächste Kanal und eigentlich ein LSB-Signal in USB-Lage und > unerwünscht! Das habe ich noch nicht ganz verstanden. Mir ist aber auch der Zusammenhang zwischen Seitenband und Trägerfrequenz noch nicht ganz klar. Allerdings ist mir aufgefallen, dass ganz in der Nähe von gut empfangbaren SSB-Sendern oft gleichstarke SSB-Sender zu finden sind, die sich beim besten Willen nicht ordentlich demodulieren lassen und bei denen die NF höher wird, wenn man die Frequenz in die entgegengesetzte Richtung dreht (relativ zum erstgenannten, gut einstellbaren SSB-Sender). Handelt es sich dabei um das "falsche" Seitenband oder sind es zufällige Sender, die aus anderen Gründen nicht hörbar empfangen werden können???
> Handelt es sich dabei um das "falsche" Seitenband
Bei einem SSB Signal handelt es sich nur um ein Seitenband ohne Träger
im Vergleich zu AM, welches den Träger mitliefert einschließlich den
beiden Seitenbändern.
Bei SSB muß der Träger im Empfänger wieder zugesetzt werden. Und zwar
bei USB unterhalb des Signals und bei LSB oberhalb des Signals. Nur dann
mischt es sich zu einem verständlichen NF-Signal.
Wird der Träger auf der falschen Seite injiziert, ist das Ergebnis
unverständlich. Töne, welche vorher tiefe Frequenzen waren sind dann die
Höhen und umgekehrt. Du weißt ja sebst, wie es sich anhört.
Wird jetzt bei einem Empfänger mit ungenügender Trennschärfe der Träger
auf der richtigen Seite hinzugefügt, befindet er sich (der Träger/BFO)
für den nächsten Kanal, welcher mangels Trennschärfe leider noch
durchkommt, auf der falschen Seite. Dann empfängst Du zwei Signale
gleichzeitig: Ein Verständliches und ein Unverständliches.
So ist das also... Das bedeutet unter dem Strich, dass beim Audion beim SSB-Empfang immer zwei "Kanäle"/Seitenbänder gleichzeitig empfangen werden müssen. Außerdem kann das "richtige" Seitenband von der falschen Seite her empfangen werden. Gäbe es beim überdrehten Audion die Möglichkeit, ein Seitenband gezielt zu eliminieren? So ein Ladderfilter mit 2 bis 3kHz Bandbreite läßt nur ein einziges Seitenband durch, das ist mal klar! Könnte man mit einem Konverter + ZF-Ladderfilter auch ein "inverses" SSB-Signal einfangen? Ich vermute Ja!
> Gäbe es beim überdrehten Audion die Möglichkeit, > ein Seitenband gezielt zu eliminieren? Nein. Aber man könnte die Resonanz auf die Mitte des gewünschten Signals stellen und einen externen Träger (BFO) zuführen. Das würde das ungewünschte Signal zumindest abschwächen (Kurve 1). > Könnte man mit einem Konverter + ZF-Ladderfilter > auch ein "inverses" SSB-Signal einfangen? Ich vermute Ja! Man kann es "einfangen", aber auch einen inversen Nachbarkanal fast komplett eliminieren. Du erinnerst Dich an die Asymetrie des Filters. Auf der steilen Seite geht es besser als auf der flachen. Deshalb hab ich das Signal bei meinem 40m Empfänger so runtergemischt, daß der BFO auf der steilen Seite sitzt. Da auf 40m das untere Seitenband üblich ist, schwingt aus diesem Grund bei mir der VFO unterhalb der Empfangsfrequenz.
Wie Bernd schon schrieb, man kann alles einzeln empfangen je nach dem wie es passt ich habe heute abend mal wieder das Seewetter mit gelesen auf 10.080MHz RTTY die Software kann auch das invertierte Signal auswerten, anders als unser Ohr welches ein invertiertes Frquenzspechtrum zwar hören und erkennen kann, aber wo sich die Sprachverständlichkeit im Gehirn einfach nicht einstellen will. Ein negatives Bild hingegen können wir auch in Farbe noch zu teilen auswerten. Zurück zur inversen signalaufnahe. Das invertierte enthält die vollständige Information und kann ev. besser aufgenoen werden als von der Richtigen seite her wo es ev. Störer hat. in eine solchen fall lohnt der aufwand es nachträglich zu Invertieren egal ob per SW oder per Hilfträger (BFO) Ich überlege gerate einen Aufwärtskonwerter für DCF 77,5KHZ um es in das Spektrum meines DX-Empfängers auf über 150 KHz umzusetzen und dort durchs CW2 (schmal)Filterlaufen zu lassen bevor ich es mit einer Soundkarte einlese um es zu analysieren............ @ Bernd, sollte es nicht möglich sei einen schwachen BFO ca 200-400 Khz als selbsschwingende Mischstufe aufzubauen und eine ca.15 meter Drathantenne anzuhängen bevor, ich bei f (BF0+77,55KHZ) das Signal suche? Wie schätzt du das ein? Der BFO darf natürlich nicht die pA aus der Antenne totschalgen. Also muss der mit Bfo fast wie ein Audion am besten gerade anschwingen Kreisverstärkung 1.0001 oder so ähnlich.
Hallo Winfried Es gibt eine selbstschwingende Mischerschaltung mit Dualgate-Mosfet. Die Oszillator-Rückkopplung funktioniert über Source zum G2 nach Hartley oder Colpitts-Prinzip. Das Empfangssignal liegt auf G1, welches beim Mischvorgang noch ein paar dB verstärkt wird. Leider kann ich die Schaltung gerade nicht finden. Auf diese Art sollte so gut wie nichts abgestrahlt werden. Mit einer Oszillatorfrequenz von 78,125kHz mischst Du auf 625 Hz runter und gleichzeitig auf 155,625 kHz hoch. Je nach dem, ob ein Hoch- oder Tiefpass nachgeschaltet wird. Auf diese Art würde Dir beides offenstehen. Empfang und Signalaufbereitung über Deinen Receiver oder als DC-Receiver direkt in den Mikrofoneingang des PC. Nachtrag, so ähnlich: http://www.omnirep.se/drm/circuit.html
KLS schrieb: > > Habe übrigens noch ein DDS-(?)-IC in der Bastelkiste (für eine Art > Rechteck-Generator von 100kHz bis 50MHz o.ä., vor längerer Zeit mal an > Lager gelegt). Es ist so ein kleines SMD-Ding mit 5 Beinen. Finde leider > im Moment nicht die Typenbezeichnung... > Sollte eigentlich halbwegs brauchbar fürs Filter-Vermessen sein (es ist > allerdings so winzig, dass es sich vermutlich nicht ohne weiteres löten > läßt). LTC1799 - 1kHz to 33MHz Resistor Set SOT-23 Oscillator Im QRPForum haben wir vieles/alles zu deiner Fragestellung geschrieben. Horst, dj6ev hat einigen für Ladderfiterberechung und Messung entwickelt. Vielleicht hast Du einen FA-NWT, dann wird alles viel einfacher und es gibt eine genau 'Beschreibung'. Links - http://www.qrpforum.de/index.php?page=Thread&threadID=5667 - http://www.qrpforum.de/index.php?page=Thread&threadID=4544 - http://www.qrpforum.de/index.php?page=Thread&threadID=4694 - http://www.qrpforum.de/index.php?page=Thread&postID=51963#post51963 - http://fa-nwt.akadns.de/blogs/blog4.php
B e r n d W. schrieb: >> Gäbe es beim überdrehten Audion die Möglichkeit, >> ein Seitenband gezielt zu eliminieren? > Nein. Aber man könnte die Resonanz auf die Mitte des gewünschten Signals > stellen und einen externen Träger (BFO) zuführen. Das würde das > ungewünschte Signal zumindest abschwächen (Kurve 1). Aber nur beim Festfrequenzaudion zum ZF-Empfang!?! Ansonsten müsste der BFO ja einen Frequenzbereich parallel zum Audion überstreichen! > Du erinnerst Dich an die Asymetrie des Filters. Auf der steilen Seite > geht es besser als auf der flachen. Deshalb hab ich das Signal bei > meinem 40m Empfänger so runtergemischt, daß der BFO auf der steilen > Seite sitzt. Da auf 40m das untere Seitenband üblich ist, schwingt aus > diesem Grund bei mir der VFO unterhalb der Empfangsfrequenz. Das ist clever! Winfried J. schrieb: > Zurück zur inversen signalaufnahe. Das invertierte enthält die > vollständige Information und kann ev. besser aufgenoen werden als von > der Richtigen seite her wo es ev. Störer hat. in eine solchen fall lohnt > der aufwand es nachträglich zu Invertieren egal ob per SW oder per > Hilfträger (BFO) Interessant, was man so alles machen kann. B e r n d W. schrieb: > Nachtrag, so ähnlich: > http://www.omnirep.se/drm/circuit.html Kann man auf diese Weise einen NE602 ersetzen oder handelt man sich damit irgendwelchen anderen Ärger ein? Uwe S. schrieb: > LTC1799 Ich bin zu 99% sicher, dass es dieser IC ist! Wie bist du darauf gekommen? Wegen der Bauform? Leider habe ich hier im Forum (?) in einem Beitrag gelesen, dass der Baustein nicht sehr frequenzstabil sein soll. Kann man seine "natürliche" Drift irgendwie einengen (z.B. durch Temperaturstabilisierung)? Coole Links! Nein, einen FA-NWT habe ich leider (noch) nicht. Hier noch Fragen zum Laddefilter: Die Kondensatoren für so ein Filter sollten (bis auf die "Großen in der Mitte") NP0s sein, nehme ich an. Bei einigen Versuchen mit LTspice kam heraus, dass schon Abweichungen von zum Teil nur 2% des Soll-C-Werts erhebliche (negative) Auswirkungen auf die Filterkurve haben können. Habe hier einen Beutel mit 15p-NP0s, die sehr eng toleriert sind, damit würde ich gerne das Filter aufbauen. Habe durch Probieren folgende Werte gefunden: 12.5p, 15p, ca. 80p Die 12.5p müsste man irgendwie zusammensetzen oder per Trimmer einstellen. Bei den genannten Werten ist die Filterkurve etwas breiter als bei den anderen Werten (und auch etwas welliger). Kann man die Kurve noch optimieren (unter Beibehaltung der 15p-Cs)? Gibt es theoretische Verhältniszahlen für Größe der Cs in einem (Sechser-) Ladderfilter?
Dualgate ist Klasse muss unbedingt mal einige besorgen. ;-) Das Prinzip war bekannt, auch DRM sogar die 625Hz in Bezug auf DCF. War letzteres nicht mal im Funkbummi? Danke trotzdem fürs anwerfen meiner Hirnzellen. So jetzt beende ich mal das OT-Gelabere Sorry, KLS (?)
@ KLS > Ansonsten müsste der BFO ja einen Frequenzbereich > parallel zum Audion überstreichen! Ja, das hat man schon so gemacht. Mit der Hand eingestellt. > Abweichungen von zum Teil nur 2% des Soll-C > Die 12.5p müsste man irgendwie zusammensetzen Zusammensetzen oder abgleichbar macht erst mal keinen Sinn, wenn die Kurvenform nicht sauber vermessen kannst. Es kommen ja noch die Schaltkapazitäten hinzu, da ist auch schnell mal 1 pF zusammen. Es gibt auch die sogenannten Cohn-Filter. Diese verwenden lauter gleiche Kapazitäten, sind etwas welliger im Durchlassbereich, aber die Einfügedämpfung ist geringer. Zieh erst mal ein Filter komplett durch, dann siehst Du, wo noch Stolpersteine liegen. >> so ähnlich: >> http://www.omnirep.se/drm/circuit.html > Kann man auf diese Weise einen NE602 ersetzen Nein, beide haben komplett andere Eigenschaften. Beim DG-Mosfet kommt das Eingangssignal und das Oszillatorsignal auch hinten raus. Was unerwünscht ist, muss erst weggefiltert werden. Auf der anderen Seite sind die Eingänge sehr hochohmig im mehrstelligen Meg-Bereich und dadurch wird ein vorgeschalteter Schwingkreis nicht belastet. > dass der LTC1799 nicht sehr frequenzstabil sein soll. Er ist für Messsenderaufgaben durchaus stabil genug. Nur beim Quarzfilter bin ich mir nicht sicher. Auf jeden Fall sollte ein Frequenzzähler die genaue Frequenz anzeigen können.
@ Winfried Fürs Runtermischen sind die 78125 - 77500 = 625 optimal. Falls Du doch hochmischen möchtest kommen mir Bedenken, weil die erste Harmonische des Oszillators und der Empfangsfrequenz liegen gleich neben dem Ausgangssignal. Dann würde ich den Oszillator fürs Hochmischen lieber ein paar kHz höher stellen.
B e r n d W. schrieb: >> Ansonsten müsste der BFO ja einen Frequenzbereich >> parallel zum Audion überstreichen! > > Ja, das hat man schon so gemacht. Mit der Hand eingestellt. Warum eigentlich nicht ;-) >> Abweichungen von zum Teil nur 2% des Soll-C >> Die 12.5p müsste man irgendwie zusammensetzen > > Zusammensetzen oder abgleichbar macht erst mal keinen Sinn, wenn die > Kurvenform nicht sauber vermessen kannst. Es kommen ja noch die > Schaltkapazitäten hinzu, da ist auch schnell mal 1 pF zusammen. Es gibt > auch die sogenannten Cohn-Filter. Diese verwenden lauter gleiche > Kapazitäten, sind etwas welliger im Durchlassbereich, aber die > Einfügedämpfung ist geringer. Zieh erst mal ein Filter komplett durch, > dann siehst Du, wo noch Stolpersteine liegen. Im Durchziehen sehe ich nicht unbedingt das Problem, Lötkolben an, Teile auf kupferkaschierte Platine gelötet, fertig. Schön wäre, wenn vorher schon die größten Stopbersteine kartographiert werden könnten, um die Aussichten auf ein brauchbares Filter zu erhöhen. Danke für den Hinweis, hier haben wir schon etwas zum Thema Cohn: http://w7zoi.net/xtal_methods/xtal_methods.html Stimmt, die parasitären Cs gibt es ja auch noch... Wie kann man denn ein Ladderfilter für bestimmte C-Werte optimieren? Es gibt doch bestimmt so eine Art "Schablone" für die Bauteilwerte (z.B. C2 = 1,2 * C1, C3 = 8 * C1 oder so). > Beim DG-Mosfet kommt > das Eingangssignal und das Oszillatorsignal auch hinten raus. beim NE602 nicht? >> dass der LTC1799 nicht sehr frequenzstabil sein soll. > > Er ist für Messsenderaufgaben durchaus stabil genug. Nur beim > Quarzfilter bin ich mir nicht sicher. Auf jeden Fall sollte ein > Frequenzzähler die genaue Frequenz anzeigen können. Muahhhh, das wäre dann wieder der Weltempfänger + BFO-Schwebung ;-) Werde das IC mal auf den Rücken legen (Dead bug) und probeweise verlöten. Der andere f-Zähler mißt ja auch auf 1kHz genau, das könnte vielleicht für ein breites Ladderfilter grade noch für eine Pi-mal-Daumen-Messung gehen...
Hallo, ich lese hier schon eine Weile mit, meine ersten Ladderfilter habe ich vor ca. 30 Jahren gebaut. Mit 17 hat man zwar Wünsche, aber keine Meßgeräte, wie ich sie heute hier stehen habe. Was habe ich gemacht? Ein Einkanal-Scope genommen, einen einfachen HF-Generator eingestellt auf eine Frequenz ein wenig "daneben" und mit einem gewobbelten NF-Generator das HF-Signal gemischt. Wenn man die Wobbelung gut kontrollieren kann (z. B. HP 3325), dann kann man mit einem Scope im XY-Mode sehr präzise ablesen, was das Filter macht, wenn man an Cs etwas verändert oder andere Quarze einsetzt. Heute habe ich einen HP 3585A hier stehen, unter anderem. Zur Breite: Ich habe die Topologie eines FM-Filters hier, auch schon mal ausprobiert, allerdings fast alles mit den 4.4433618-MHz-Quarzen (Farbhilfsträger), die hatte ich damals haufenweise. Gruß, Jochen
>> Beim DG-Mosfet kommt >> das Eingangssignal und das Oszillatorsignal auch hinten raus. > beim NE602 nicht? Bei doppelt balancierten Mischern wie Gilbertzellen NE602, SO42... und Dioden-Ringmischern werden die Eingangssignale mehr oder weniger stark unterdrückt. In der Regel ist die Dämpfung größer 40 dB. Idealerweise würde nur die Summen- und Differenzfrequenz rauskommen. Dem ist aber nicht so. Da eine Antenne nie nur ein Signal auf den Empfänger gibt, sondern eine Frequenzgemisch, entstehen bei starken Signalen durch Kreuzmodulation unerwünschte Mischprodukte. Dabei schneidet der NE602 nicht besonders gut ab. Trotzdem kann man damit Receiver bauen, die funktionieren. > ein Ladderfilter für bestimmte C-Werte optimieren? > Es gibt doch bestimmt ein Schema > z.B. C2= 1,2 * C1, C3 = 8 * C1 oder so Da verweise ich nochmal auf ihn. http://www.giangrandi.ch/electronics/crystalfilters/xtalladder.html Die Kapazitäten hängen vom Quarz, von der Bandbreite und der Welligkeit (Tschebyscheff) ab. Es kommen einfach immer krumme Werte raus. Ich nehm dann einfach die nächsten Cs aus der E12 - Reihe, die beiden außeren gegen GND eine Stufe kleiner. Es hat bisher trotzdem funktioniert. Es kommt einfach darauf an, ob ich damit zufrieden bin und ob die Verbesserung hörbar wäre.
Jochen Fe. schrieb: > Mit 17 hat man zwar Wünsche, aber > keine Meßgeräte ich leg mich nieder ;O)))))))))))
> Ich habe die Topologie eines FM-Filters hier, > allerdings fast alles mit den 4.4433618-MHz-Quarzen Das ist dann wahrscheinlich in Brückenschaltung?
Nein, das ist eine recht komplexe Sache mit mehreren Spulen ziemlich unkonventionell arrangiert. Falls Interesse, zeichne ich das mal modern und poste es. Seit 30 Jahren habe ich ein Buch, in dem ich alle selbst ausprobierten und funktionierenden Schaltungen mit Erfahrungen eintrage, da steht es alles drin.
Hallo Jochen KLS könnte sich ja einen kleinen Generator bauen mit einer LED! drin. Die Frequenz braucht sich ja nur um +- 10kHz verstellen lassen. Mit Wobblern hat man aber bei mehrstufigen Quarzfiltern seine Probleme. Die Frequenz fährt in der Regel zu schnell durch, um dem Quarzfilter genügend Zeit zum Einschwingen zu geben. Langsamer sieht man auf dem Oszi nichts mehr. Es ginge ganz langsam, dann aber mit einem Speicheroszi. Nochwas, wenn man die Quarze anfasst, laufen sie schon weg. Deshalb mit der Spitzzange ein/ausstecken oder nach der Wäscheklammermethode. > Mit 17 hat man zwar Wünsche Mit 20 hab ich meinen ersten Doppelsuper für 10m gebaut. Es war eine Röhren/Halbleitermischung. Sogar ein Q-Multiplier war drin. Der zweite Oszillator war mit einen Quarz 4.433618 MHz aufgebaut. Wie lange das her ist, sag ich jetzt lieber nicht (es gab schon Transistoren).
Jochen Fe. schrieb: > Falls Interesse, zeichne ich das mal modern > und poste es. Das würde mich interessieren!
Jochen Fe. schrieb: > Mit 17 hat man zwar Wünsche, aber > keine Meßgeräte, wie ich sie heute hier stehen habe. Heute habe ich mehr als 30 Scopes hier (Hobby!), knapp ein Dutzend Spektrumanalysatoren, mehrere TDRs, Generatoren bis 18,6 GHz, Oszilloskope bis 14 GHz. Ich liebe es, historische Meßtechnik zu restaurieren. Als Schüler hatte ich mit 13 ein HM 307-3, einen selbstgebauten Funktionsgenerator, einen Impulsgenerator, ein selbstgebautes Netzgerät (Bausatz) und den unvermeidlichen Ersa 30. Gepaart mit viel Freude an Elektronik.....
B e r n d W. schrieb: > Mit Wobblern hat man aber bei mehrstufigen Quarzfiltern seine Probleme. > Die Frequenz fährt in der Regel zu schnell durch, um dem Quarzfilter > genügend Zeit zum Einschwingen zu geben. Langsamer sieht man auf dem > Oszi nichts mehr. Es ginge ganz langsam, dann aber mit einem > Speicheroszi. Schon mal probiert? Wenn ein Filter 3 kHz breit ist, darf man schon mal mit 200 Hz wobbeln, das gibt ein absolut gutes Bild, wenn man den Rücklauf nicht hat. Auch ein "nur" 200 Hz breites Filetr läßt sich gut wobbeln. Die sbezieht sich auf die "Primitiv-Methode", nicht auf die Messung mit einem Skalaren Netzwerk-Analysator.
OT: @Bernd W.: >Bei doppelt balancierten Mischern wie Gilbertzellen NE602, SO42... und >Dioden-Ringmischern werden die Eingangssignale mehr oder weniger stark >unterdrückt. In der Regel ist die Dämpfung größer 40 dB. Mit der Einschränkung, dass bei Diodenringmischern zumindest der LO-Pegel viel größer ist (1,41Vss bis ca. 8Vss). Damit ist eine "isolation" von 40 dB wiederum wenig. ;) Einen DG-MOSFET kann man, wenn eine optimale Mischerverstärkung gewünscht ist mit bis zu 5Vss betreiben. Allerdings hat der DG-MOSFET eine (LO-)Dämpfung von nur 20 dB - wurde zumindest geschrieben.
B e r n d W. schrieb: > Da verweise ich nochmal auf ihn. > http://www.giangrandi.ch/electronics/crystalfilter... > Die Kapazitäten hängen vom Quarz, von der Bandbreite und der Welligkeit > (Tschebyscheff) ab. Es kommen einfach immer krumme Werte raus. Habe die Werte dort eingegeben und die exakten (Ergebnis-) Werte in LTspice übernommen, die Kurve sieht irgendwie verunglückt aus...
Auch hier kann man einschränkend sagen, daß ein Abgleich möglich ist, da die Ausgangsfrequenz nur ein schmales Band ist. Bei einem Mischer, der einganggseitig und ausgangsseitig breitbandig betrieben wird, stimmt der Einwand. Ist die Ausgangsfrequenz nur ein schmales Band, so kann man 20 bis 30 dB mehr an Trägerunterdrückung herausholen, je nach Modell.
@ KLS LT-Spice nimmt bei Dezimalzahlen keine Kommas, nur Punkte. > Schon mal probiert? Wenn ein Filter 3 kHz breit ist, > darf man schon mal mit 200 Hz wobbeln Ich wobble manchmal mit einem alten Nordmende UW958. Der kann nur 50Hz. Es geht gerade so, wenn man nur genau über die Filterbreite wobbelt. So ein kleiner Hub ist schon etwas schwierig einzustellen. Was gut zu wobbeln geht, sind Half-Lattice-Filter. Anscheinend schwingen die schneller ein als die Ladder, wo der mittlere Quarz keinen direkten Zugang zu irgendeiner Dämpfung hat.
Aus diesem Grund die Methode mit HF-Generator und Funktionsgenerator. Das ist sehr feinfühlig einstellbar.
> dass bei Diodenringmischern zumindest der > LO-Pegel viel größer ist (1,41Vss bis ca. 8Vss) Mit welcher Amplitude schwingt wohl ein freischwingender DG-Mosfet? IMHO werden Eingangssignal und Oszillatorsignal zum Ausgang noch verstärkt. Lediglich das nachgeschaltete Filter verhindert eine größere Amplitude.
Der freischwingende DG-Mosfet ist doch eher die Ausnahme. Der "normale" DG-Mosfet kann eine ganze Menge Spannung ab am Eingang, und er schaltet auch einigermaßen schnell (MHz, keine GHz)
> MHz, keine GHz Was halt die Bastelkiste hergibt, der BF992 hat anscheinend eine Transitfrequenz von 600 MHz. Oberhalb von 1GHz hören meine Möglichkeiten sowiso auf. > er schaltet auch einigermaßen schnell Du spielst jetzt eher auf eine Verwendung als Schaltmischer an.
Ja, die Verwendung als Schaltmischer ist die Voraussetzung für den aktiven selbstschwingenden Mischer. Ich nehme ihn gerne als Eingangsstufe für einen hochohmigen Scope-Tastkopf bis 1 GHz.
Gute Frage mit der Amplitude beim DG-MOSFET. Also bei den Colpitts-Oszillatoren, die ich verwende sind es ca. 2Vss (nat. mit Begrenzung). Es gibt aber auch Oszillatoren, die schaffen 15Vss am Schwingkreis (Quelle: Experimental Methods in RF Design)
> Allerdings hat der DG-MOSFET eine (LO-)Dämpfung von nur 20 dB
Das hatte ich unterschlagen, der DG-Mosfet hat eine sehr gute Dämpfung
zum G1, es wird also praktisch nichts abgestrahlt. In der aktuell
simulierten Schaltung beträgt die Rückwärtsdämpfung annähernd 80 dB.
Ein einfacher HF-Verstärker wird heute mit einem MMIC wesentlich einfacher aufgebaut. Aber der DG-Mosfet ist auch heute noch ein interessantes Bauteil, nicht nur in Silizium, sondern auch in GaAs, ab und zu gibt es die heute noch.
> für einen hochohmigen Scope-Tastkopf bis 1 GHz.
Hochohmig heißt dann < 1pF! Zu diesem Thema gab es doch letztes Jahr
hier einen Thread. Aber irgendwann wird leider jeder Tastkopf
niederohmig.
Ja. Kleiner 1 pF ist gut machbar, duch Bootstrapping noch weniger. Nimmt man einen festen Teilungsfaktor in Kauf, so sind 0.2 pF gut machbar.
Dabei seh ich gerade, der BFR93 hat recht hohe Kapazitäten vor allem die C-be mit 1,7pF und C-ce mit 0.6pF. Damit hab ich vor Kurzem eine E-Feld-Sonde für Precompliance-Messungen gebaut. Bis 1GHz kein Problem, aber 500 MHz hätten auch gereicht, da "oben" nichts mehr abstrahlt.
B e r n d W. schrieb: > @ KLS > LT-Spice nimmt bei Dezimalzahlen keine Kommas, nur Punkte. Ahhh... Danke! So, jetzt sieht es gut aus. Habe bemerkt, dass die Welligkeit auch mit den Abschluss-Rs zusammenhängt. Habe pauschal für jeden C 0.5pF Schaltkapazität aufgerechnet. Dann könnte es morgen langsam mal ans Löten gehen. Bescheidene Frage: warum kann man mit Wobblern Filter vermessen? Noch eine bescheidene Frage: warum eignen sich die gelb-weißen Ringkerne aus Schaltnetzteilen nicht für HF-Zwecke (wohl, weil das Material stark dämpft, aber warum)? Zumindest bei mir geben die Dinger jedenfalls keine brauchbaren Ergebnisse...
Gelb-Weiss = Material #26, Netzfilter, EMI-Filter Der soll keine hohe Güte haben, sondern Störungen wegdämpfen. Hohe Eisenverluste, für Frequenzen bis 1MHz.
> warum kann man mit Wobblern Filter vermessen? http://de.wikipedia.org/wiki/Wobbelgenerator Wobbelgeneratoren enthalten meist einen Sägezahnoszillator. Dieser steuert die Frequenz, gleichzeitig aber auch den X-Kanal des Oszilloskops. Gibt man das Generatorsignal auf ein Filter und das Ausgangssignal des Filters auf den Y-Kanal eines Oszilloskops, wird die Filter-Durchlasskurve als HF-Band sichtbar. http://www.youtube.com/watch?v=-A_DxsxPdeI Wird dieses Signal mit einem HF-Gleichrichter aufbereitet, sieht es aus wie hier (etwas weiter unten): http://saba.magnetofon.de/showtopic.php?threadid=4513
So siehts aus, wenn die Einschwingzeit nicht reicht: http://www.vk2zay.net/article/93 Mit Bauanleitung für einen "RF Sweep Generator".
Ich habe kürzlich von einer Platine Telefon/modem oder so einen kleinen verkappten Ringkernübertrager abgelötet. Der sieht recht interessant aus. Den werde ich mal ausmessen, wenn ich Zeit habe, oder ein Datenblatt suchen. Netzwerk und Busplatienen könnten auch so etwas hergeben. Namaste
Winfried J. schrieb: > Ich habe kürzlich von einer Platine Telefon/modem oder so einen kleinen > verkappten Ringkernübertrager abgelötet. Lustiges Ding! > Den werde ich mal ausmessen, wenn ich Zeit habe Kann man Ringkerne mit vertretbarem Aufwand ausmessen? Welche Parameter wolltest du denn extrahieren? B e r n d W. schrieb: > Gelb-Weiss = Material #26, Netzfilter, EMI-Filter > > Der soll keine hohe Güte haben, sondern Störungen wegdämpfen. Hohe > Eisenverluste, für Frequenzen bis 1MHz. Was heißt "für Frequenzen bis 1MHz"? Bezogen auf Störbeseitigung oder Übertragung? Werde gleich mal den LTC1799 auf eine Platine "tuckern" und einen kleinen Testlauf fahren. Das Ladderfilter habe ich noch mal neu berechnet (mit der Vorgabe: Restwelligkeit = 1,5dB). Erstaunlicherweise können die Cs dann insgesamt sehr viel höhere Toleranzen aufweisen, ohne dass sich die Filterkurve sonderlich verformt (war jedenfalls mein erster Eindruck).
habe eben das hier entdeckt: http://fa-nwt.akadns.de/blogs/media/blogs/dj6ev/quarzfilter/Quarzfilter_Rev2.pdf Dort sind auf S.30 zwei Abbildungen 28a und b. Mein Ladderfilter ähnelt Bild 28b. Folgt daraus, dass es nur als LSB-Filter taugt? Ich vermute, dass "ja"! (s.u., Bernds Beitrag Beitrag #2683939) Noch eine Idee: jeweils ein Serienresonanz- und ein Parallelresonanz-Quarzfilter aufbauen und beide über einen Impedanzwandler in Serie schalten. So müsste ein steiles Filter mit symmetrischen Flanken entstehen! (Problem ist dabei wahrscheinlich, Filter gleicher Mittenfrequenz aufzubauen) B e r n d W. schrieb: > Du erinnerst Dich an die Asymetrie des Filters. Auf der steilen Seite > geht es besser als auf der flachen. Deshalb hab ich das Signal bei > meinem 40m Empfänger so runtergemischt, daß der BFO auf der steilen > Seite sitzt. Da auf 40m das untere Seitenband üblich ist, schwingt aus > diesem Grund bei mir der VFO unterhalb der Empfangsfrequenz. Ladderfilter mit Serienresonanz --> LSB-Filter (weil: BFO sitzt auf der steilen Flanke "rechts" vom LSB-Signal, s.o.)
> Mein Ladderfilter ähnelt Bild 28b. Filter nach Abbildung 28a sind sehr hochohmig und unüblich, weil schwer angepasst werden können. > dass es nur als LSB-Filter taugt? Die Trennschärfe ist auch auf der "schlechten Seite" viel besser als das Audion. Es funktioniert auch andersrum, und das nicht schlecht. Hier hatte ich die Filterwirkung schon mal verglichen: Beitrag "Re: Eigene Audion-Schaltung so ok?" > Ladderfilter mit Serienresonanz --> LSB-Filter > BFO sitzt auf der steilen Flanke "rechts" vom LSB-Signal Falls amn das ausreizen will, muß man darauf achten, daß bei Frequenzen größer 10MHz der VFO über der Empfangsfrequnez schwingt Umgekehrt bei Frequenzen kleiner 10MHz liegt der VFO unterhalb. Dies kann eventuell Probleme bereiten, da Harmonische in den Empfangsbereich und in die ZF fallen können. Es sollte vorher überprüft werden, ob diese Gefähr besteht.
Wenn du die Filterfunktion spiegeln willst, so lege das Filter in die Gegenkopplung eines invertierenden Verstärkers und invertiere das Signal anschließend erneut(Phasenlage) .Idealerweise bringst du die Verstärkung des Durchlassbereiches auf 1 so kannst du das Filter und die Versärker separat umschalten und Phaseenlage so wie Filterkurve anpassen je nach dem auf welcher Sseite du die Steile flanke brauchst die weniger steile eignet sich immer noch als FM-Flanken oder Phasendemodulator wenn auch nicht perfekt, so kann Mann, Bub doch noch einiges lernen. ;-) Namaste
B e r n d W. schrieb: >> dass es nur als LSB-Filter taugt? > Die Trennschärfe ist auch auf der "schlechten Seite" viel besser als das > Audion. Es funktioniert auch andersrum, und das nicht schlecht. Ok, hatte ich mir auch schon irgendwie gedacht, die dB-Zahlen sind ja schon "ziemlich weit" auseinander, auf beiden Filterseiten... >> dass es nur als LSB-Filter taugt? > Die Trennschärfe ist auch auf der "schlechten Seite" viel besser als das > Audion. Es funktioniert auch andersrum, und das nicht schlecht. > > Hier hatte ich die Filterwirkung schon mal verglichen: > Beitrag "Re: Eigene Audion-Schaltung so ok?" Super, danke für die Graphik!!! Das wollte ich schon die ganze Zeit im direkten Vergleich sehen. >> Ladderfilter mit Serienresonanz --> LSB-Filter >> BFO sitzt auf der steilen Flanke "rechts" vom LSB-Signal > Falls amn das ausreizen will, muß man darauf achten, daß bei Frequenzen > größer 10MHz der VFO über der Empfangsfrequnez schwingt > > Umgekehrt bei Frequenzen kleiner 10MHz liegt der VFO unterhalb. Dies > kann eventuell Probleme bereiten, da Harmonische in den Empfangsbereich > und in die ZF fallen können. Es sollte vorher überprüft werden, ob diese > Gefähr besteht. Meinst du jetzt VFO oder BFO? Winfried J. schrieb: > Wenn du die Filterfunktion spiegeln willst, so lege das Filter in die > Gegenkopplung eines invertierenden Verstärkers und invertiere das Signal > anschließend erneut(Phasenlage) .Idealerweise bringst du die Verstärkung > des Durchlassbereiches auf 1 so kannst du das Filter und die Versärker > separat umschalten und Phaseenlage so wie Filterkurve anpassen je nach > dem auf welcher Sseite du die Steile flanke brauchst die weniger steile > eignet sich immer noch als FM-Flanken oder Phasendemodulator wenn auch > nicht perfekt, so kann Mann, Bub doch noch einiges lernen. ;-) Das ist ja raffiniert! Darüber hatte ich neulich schon nachgedacht, war aber noch auf keine Lösung für die "Filterspiegelung" gekommen. Dabei muss "nur" das Signal gespiegelt werden... ;-) Hier noch ein Zitat aus "ladderfilter.pdf": "Breite Filter bei niedrigen Frequenzen sind eigentlich - trotz oft anders formulierter Aussagen - kein Problem in der Transistorwelt." [nämlich durch Halbierung aller Cs und Verdoppelung der Abschluss- Rs , (Anm. meinerseits)] Habe es bei LTspice probiert, scheint zu klappen! :-) Das LTC1799-Ding steht jetzt provisorisch für Messzwecke im Bereich 2 bis 4 MHz zur Verfügung. Jetzt fehlt noch etwas, um die HF am anderen Ende des Filters mit dem Multimeter als Gleichstrom messen zu können... Erste Überprüfungen mit dem f-Zähler ergaben, dass die f im Bereich von ca. 1kHz hin- und herschwankt (innerhalb von ein paar Sekunden).
> Meinst du jetzt VFO oder BFO?
Ich meinte den VFO. Im Prinzip machen ja beide das Gleiche, nur daß man
das Ergebnis des BFOs hören kann.
Wohin sich beim Mischen die Frequenzen verschieben, kann man sich selber
herleiten, indem das Mischen mit der unteren und oberen Grenze des
Signals getrennt durchgerechnet wird.
Im Bild entstehen neue Mischfrequenzen VFO-f1, VFO-f2, VFO+f1 und
VFO+f2. Hier sind erst mal nur die beiden ersten interessant. VFO-f1
bildet den längeren Pfeil und fällt daher später auf die hohere
Frequenz/ in der ZF. Umgekehrt VFO-f2 auf die niedrige. Das Signal wird
also gespiegelt.
Dann wird mit dem BFO gemischt, welcher ebenfalls oberhalb der ZF
schwingt. Dabei spiegelt sich das Signal erneut und es entsteht die
hörbare NF.
Danke für die Erklärung und das Diagramm! Das muss ich noch mal in Ruhe sacken lassen. Habe grade das Filter "fliegend" vermessen (mit Steckbrett-Ge-Dioden-Gleichrichter, grade fertig geworden) Das IC ist (zumindest bei dem Aufbau) eine Katastrophe, die kHz-Zahlen sind rauf und runter... das folgende ist mehr eine Schätzung als eine Messung. Außerdem Verbindungen z.T. mit Krokoklemmen, vermute, das HF übergesuppt ist. f0 lt. Berechnung = 3583.385 kHz Bandbreite 2.2kHz Hier die Ergebnisse: HF in = 1,36V kHz mV out 3500 - 5 3562 - 12 3564 - 16 3566 - 20 3568 - 31 3570 - 50 3572 - 71 3574 - 83 3576 - 90 3578 - 103 3580 - 127 3582 - 134 3584 - 139 3586 - 110 3588 - 89 3590 - 71 3592 - 43 3594 - 19 3600 - 10 Das ganze kommt mir relativ breitbandig vor, habe leider nicht nach einem Peak gesucht, der ist möglicherweise zwischen den Zahlen untergegangen?!! Habe auf dem I-Net-Rechner hier kein Excel, sonst hätte ich direkt ein Diagramm gepostet.
Die Zahlen legen ein Übersprechen der HF nahe. Die Breite bei -3 dB wäre mehr als 10 kHz, wenn ich die Daten gerade richtig gelesen habe. Die Breite ist auch "verdächtig", was die Dämpfung im Sperrbereich angeht. Wie findet man das heraus, ob es überspricht? Man nimmt einfach einen ab´ndren Aufbau, legt eine dickere Masse, und vor allem den Widerstand vor dem Gleichrichter mal halboeren (wenn es vom Wellenwiderstand geht). Wenn nun die Meßwerte deutlich anders sind, ist es der Aufbau. Bleiben die Meßwerte, ist es wahrscheinlich, daß das Filter wirklich so ist wie gemessen.
Die Zahlen sehen echt nicht gut aus. Denke mal, dass es mindestens z.T. am Aufbau liegt. Werde morgen noch mal anders messen. Habe das Filter vor den Eingang eines Weltempfängers geklemmt und eingangsseitig am Filter eine Langdrahtantenne angeschlossen. Man empfängt im Bereich um die Quarzfrequenz auf einem schmalen Bereich ein scharfes Rauchen, darüber und darunter hört man im Grunde nichts mehr. (das nur nebenbei) Auf jeden Fall muss der f-Generator stabilere Werte liefern, sonst geht gar nichts... Was mir überhaupt nicht gefällt: den f-Generator empfängt man mit dem Weltempfänger im SSB-Modus (LSB) nicht als Pfeifen, sondern als eine Art undefiniertes Rauschen.
Zum Vermesssen würde sich eine "ugly construction" für die Quarzladder eignen. Zum bsp der "Manhattan-Style" mit Lötinseln aus kupferkaschierten Cu-Material, die mit Sek-Kleber wiederum auf eine doppelseitige (oder einseitige) Cu-Platine geklebt werden. Bei doppelseitigem Material müssen beide Masseflächen mehrmals per Durchkontaktierung verbunden werden. Cu-Folie geht da auch, die man ringsrum am Rand der Platine verlötet.
KLS schrieb: > Was mir überhaupt nicht gefällt: > den f-Generator empfängt man mit dem Weltempfänger im SSB-Modus (LSB) > nicht als Pfeifen, sondern als eine Art undefiniertes Rauschen. So gesehen auch kein Wunder, dass der f-Zähler springt
Ich vermute mal, daß es eher an der Messtechnik liegt. Durch das Phasen- Frequenzrauschen des RC-Oszillators wird die Filterkurve viel breiter als sie eigentlich ist. Bau Dir lieber einen Colpitts- oder Hartleyoszillator. Sowas kann man immer wieder verwenden. Deshalb nochmal der Link von oben. LC-Oszillatoren laufen viel + n*viel stabiler als RC! (Beliebige Zahl für n einsetzen) http://www.vk2zay.net/article/93 > nicht als Pfeifen, sondern als eine Art undefiniertes Rauschen Wie breit ist das Rauschen? Dein Rückkoppelempfänger kann doch auch auf 3,5MHz schwingen und hat eine Feineinstellung und eine Pufferstufe. Probiers doch mal damit.
KLS schrieb: > Was mir überhaupt nicht gefällt: > den f-Generator empfängt man mit dem Weltempfänger im SSB-Modus (LSB) > nicht als Pfeifen, sondern als eine Art undefiniertes Rauschen. Das riecht verdächtig nach einem unsauber schwingenden Oszillator..... In dem Fall wird die Filterkurve zu flach und zu breit. Das könnte es sein.
Hallo Appaloosa! Appaloosa schrieb: > Zum Vermesssen würde sich eine "ugly construction" für die Quarzladder > eignen. Wie meinst du das in Bezug aufs Vermessen. Die Ladder selber befindet sich schon auf einer Kupferseite. B e r n d W. schrieb: >> nicht als Pfeifen, sondern als eine Art undefiniertes Rauschen > Wie breit ist das Rauschen? Hallo Bernd, Danke für das Diagramm! Das Rauschen ist im benötigten f-Bereich ca. 10 bis 30kHz breit, vieeel zu breit auch für RC! > Dein Rückkoppelempfänger kann doch auch auf 3,5MHz schwingen und hat > eine Feineinstellung und eine Pufferstufe. Probiers doch mal damit. Das ist eine super Idee!!! :-) Werde ich morgen machen. Kann der LTC1799 defekt sein? Kann im Aufbau keinen Fehler finden. Die Spannungen stimmen auch alle, Abblock-C 100n ker. direkt von + nach Masse vorhanden. Rätsel... Jochen Fe. schrieb: > Das riecht verdächtig nach einem unsauber schwingenden Oszillator..... Das kann man wohl sagen! Es klingt auch danach...
> Kann der LTC1799 defekt sein?
Nein, das ist für die Dinger normal.
Jitter laut Datenblatt:
Pin4 auf GND, :1, 0.4%
Pin4 offen, :10, 0.13%
Pin4 auf Plus, :100, 0.06%
Es gibt noch eine weiter Methode, bei einem funktionierenden Empfänger
die Filtercharakteristik zu vermessen und zwar mit einem
Rauschgenerator.
Ein Generator erzeugt weißes Rauschen. Dies wird über die Antenne
eingespeist und auf die ZF umgesetzt, wo das Quarzfilter seine Arbeit
verrichtet. Im Prinzip entspricht das durchgelassene Rauschspektrum
genau der Filterkurve.
Lediglich Rauschen, welches nachträglich im NF-Verstärker oder BFO
dazukommt, verschlechtert das Ergebnis. In der Regel ist das Filter
selbst noch ein wenig besser, als das Messergebnis.
Da ich nur ein SSB-Quarzfilter eingebaut habe, gibt es ein
nachgeschaltetes NF-Filter für CW. Dessen Wirkung ist schön auf der
Durchlasskurve zu sehen.
Hallo Bernd,
interessante Grafen! Nehme an, auf der X-Achse stehen [Hz]
Du hast also mit einer Rauschquelle vermessen!? Wie kommt man zu den
Ausgangsspannungswerten bei den jeweiligen Frequenzen?
Habe zwischenzeitlich auch etwas vermessen:
Hier also die aktuellen Messergebnisse zum Ladderfilter:
U(in)= 1733mV
[kHz] [mV]
01. 3576,0: 0,0
02. 3577,0: 0,0
03. 3578,0: 0,0
04. 3578,5: 0,0
05. 3579,0: 0,1
06. 3579,5: 0,7
07. 3580,0: 7,7
08. 3580,5: 355
09. 3581,0: 659
10. 3581,5: 519
11. 3582,0: 713
12. 3582,5: 699
13. 3583,0: 660
14. 3583,5: 7,5
15. 3584,0: 0,0
16. 3584,5: 0,0
17. 3585,0: 0,0
18. 3586,0: 0,0
Bernd, deine Idee, mit dem Audion zu vermessen, war wirklich super!!!
Habe also in altbekannter Manier per Weltempfänger im USB-Modus gemessen
und mit dem Audion mit Hilfe des f-Zählers jeweils die NF-Schwebung auf
1kHz bzw. 1,5kHz abgeglichen.
Das Ergebnis kann sich so weit, glaube ich, sehen lassen :-)
Der Bereich um 3580,0 bis 3583,5 kHz wird noch mal genauer unter die
Lupe genommen, auch, um eine bessere Ahnung von der Welligkeit des
Filters zu erhalten.
Ach ja, gibt es ein Freeware-Programm, mit dem man Filterkurven gut
darstellen kann?
Wie bekommt man auf die Y-Achse dB-Werte und wie muss f auf der X-Achse
dargestellt werden? (log. Darst.?)
Dieses LTC1799-Dings ist auf jeden Fall wirklich grottenschlecht! Gibt es ein ähnliches IC, das ein sauberes und weitgehend frequenzstabiles Rechtecksignal liefern kann? Gibt es eventuell auch (zusätzlich) eins, das seriell (z.B. per µC) programmierbar ist und das man möglicherweise sogar als VFO benutzen kann? Mit einem Pi-Filter (heißt das so?) müsste man, wenn nötig, auch ein Sinussignal erhalten können (für bestimmte f-Bereiche).
KLS schrieb: > Dieses LTC1799-Dings ist auf jeden Fall wirklich grottenschlecht! Gibt > es ein ähnliches IC, das ein sauberes und weitgehend frequenzstabiles > Rechtecksignal liefern kann? Spannungsgesteuert! (VCO!?)
Hier noch mal in höherer Auflösung. Die Kurve könnte von der Lage her
ein wenig zur vorherigen abweichen, weil ich zwischen den Messungen
versehentlich leicht am "USB-Rad" gedreht habe.
U(in)= 1735mV
[kHz] [mV]
01. 3578,00: 0,0
02. 3579,00: 1,7
03. 3579,50: 20,5
04. 3579,75: 149,6
05. 3580,00: 649
06. 3580,25: 553
07. 3580,50: 703
08. 3580,75: 501
09. 3581,00: 530
10. 3581,25: 692
11. 3581,50: 593
12. 3581,75: 599
13. 3582,00: 628
14. 3582,25: 586
15. 3582,50: 340
16. 3582,75: 50
17. 3583,00: 0,4
18. 3583,25: 0,1
19. 3583,50: 0,1
20. 3583,75: 0,0
> Du hast also mit einer Rauschquelle vermessen!? Wie kommt > man zu den Ausgangsspannungswerten bei den jeweiligen Frequenzen? Das hab ich mit Spectran ausgewertet. http://digilander.libero.it/i2phd/spectran.html Es gibt aber noch andere ähnliche Programme. Für Rauschgeneratoren gibt es auch einige Bauanleitungen. Für Kurzwelle geht das relativ einfach. > Das Ergebnis kann sich so weit, glaube ich, sehen lassen :-) Sieht gut aus, eventuell wird die Welligkeit mit einem etwas höheren Abschlußwiderständen noch geringer. Versuch das aber noch besser zu messen. > Mit einem Pi-Filter (heißt das so?) müsste man > ein Sinussignal erhalten können Wenn keine harmonischen mehr im Signal sind, muß zwangsläufig ein Sinus draus werden. > Gibt es eventuell auch (zusätzlich) eins, das seriell > (z.B. per µC) programmierbar ist und das man > möglicherweise sogar als VFO benutzen kann? Das wäre dann ein DDS wie z.B. AD9851. Den kann man auch als VFO benutzen mit einer Auflösung kleiner als 1 Hz. Die RC-Oszillatoren werden etwas ruhiger, wenn eine höhere Frequenz durch 4 geteilt wird. Z.B. einen VFO mit dem 74HC4046 bauen und durch 4 oder 8 teilen. Dabei mittelt sich das Phasenrauschen etwas raus. Ein guter OSzillator wird aber nie draus.
Hallo Bernd, Danke für das Diagrammerstellen! Habe jetzt mal SkiDavis runtergeladen und damit versucht, die Filterdaten mit der höheren Auflösung darzustellen, leider klappt das auf die Schnelle nicht (irgendwie bekomme ich die 20 * log(10) dort nicht eingebaut für die Signalstärke). Beim Vermessen mit Viertel-kHz-Schritten fiel übrigens auf, dass manche Frequenzen nicht eingestellt/vermessen werden konnten (bzw. nur in der Näherung). Ich weiß aber noch nicht, ob es am Audion oder dem Weltempfänger liegt. Spectran ist ein sehr interessantes Programm, merke es vor. Vermutlich kann man es auch sehr effektiv in Verbindung mit einem Direktmischer einsetzen. Wenn ich eine Rauschquelle benötige, werde ich vermutlich auf den 78L06 zurückgreifen, der im TT-Audion so viel Ärger bereitet hat. >> Das Ergebnis kann sich so weit, glaube ich, sehen lassen :-) > Sieht gut aus, eventuell wird die Welligkeit mit einem etwas höheren > Abschlußwiderständen noch geringer. Versuch das aber noch besser zu > messen. Auch schon überlegt. Allerdings wird dadurch die Bandbreite wieder kleiner und 2,2kHz sollten es schon sein. > Das wäre dann ein DDS wie z.B. AD9851. Den kann man auch als VFO > benutzen mit einer Auflösung kleiner als 1 Hz. Gibt es noch andere? Der AD9851 läßt sich anscheinend schwer auftreiben (habe schon einen Beitrag im Marktforum dazu eröffnet). > Die RC-Oszillatoren werden etwas ruhiger, wenn eine höhere Frequenz > durch 4 geteilt wird. Glaube, von RC-Gen. lasse ich lieber die Finger, es sei denn, es gibt einen relativ guten für Messzwecke. Der LTC1799 ist für mich kein RC-Generator, sondern ein RND-Generator! ;-) (Zufallsrauschgenerator mit einem schwimmenden Mittelwert) Jetzt mal Butter bei die Fische :-))) Für einen 40m-Empfänger (oder 20m-) bräuchte ich nur einen NE602 auf den Rücken zu legen, ein abgestimmtes Dreifach-LC-Kreis-Filter vor den Eingang und den internen Oszi so aufgebaut, dass er plus oder minus meiner Ladderfilterfrequenz zur gewünschten Empfangs-f schwingt!?! Am Ausgang das Ladderfilter (den Filter-Eingangs-R mit dem Ausgangs-R des NE602 verrechnet) und dahinter das entsprechend eingestellte Audion!?!?! Ist das so einfach??? >> Ladderfilter mit Serienresonanz --> LSB-Filter >> BFO sitzt auf der steilen Flanke "rechts" vom LSB-Signal > Falls amn das ausreizen will, muß man darauf achten, daß bei Frequenzen > größer 10MHz der VFO über der Empfangsfrequnez schwingt > > Umgekehrt bei Frequenzen kleiner 10MHz liegt der VFO unterhalb. Dies > kann eventuell Probleme bereiten, da Harmonische in den Empfangsbereich > und in die ZF fallen können. Es sollte vorher überprüft werden, ob diese > Gefähr besteht. Was bedeutet das für die Praxis in Bezug auf einen 40m-Empfänger? Wie ich es verstehe, wäre es günstiger, mit dem Filter einen 20m-Empfänger aufzubauen, weil der VFO dann über der Empfangsfrequenz schwingt. (Die Harmonischen kämen vom VFO, nehme ich an => Extra-Oszi mit Pi-Filter wäre besser bei 40m!?!)
Übrigens habe ich zwischendurch versucht, den Oszillator, mit dem ich die Quarze vermessen habe, zum LC-Oszillator umzufunktionieren (Quarz raus und LC rein). Wollte aber nicht anschwingen! :-(
> Habe jetzt mal SkiDavis runtergeladen Warum nimmst Du nicht einfach Open-Office? > irgendwie bekomme ich die 20 * log(10) dort nicht eingebaut G = 20 * log10(Ua/Ue) (Logarithmus zur Basis 10) >> Welligkeit mit höheren Abschlußwiderständen geringer > Allerdings wird dadurch die Bandbreite wieder kleiner Nein, die Abschlußwiderstände beeinflussen nur die Welligkeit. > Der AD9851 läßt sich anscheinend schwer auftreiben Eigentlich ist der gebräuchlich. Der kleinere Bruder AD9850 kommt auch in Frage, der erzeugt aber bei höheren Frequenzen schon mehr Unsauberkeiten. Der AD9834 ist sehr preiswert und eventuell als Prüfsender bis 15 MHz geeignet. Der AD9851 ginge bis 50-60 MHz, also 1/3 vom 180MHz Takt. Mach Dich mal schlau, wie ein DDS funktioniert. > Jetzt mal Butter bei die Fische :-))) Lass mich mal raten, Du wohnst nördlich des Weißwurstäquators? ;) > einen NE602 auf den Rücken zu legen, ein abgestimmtes > Dreifach-LC-Kreis-Filter vor den Eingang Bei einer ZF von ~3,5MHZ liegt die Spiegelfrequenz schon 7MHz drüber oder drunter. Möglicherweise reichen da schon 2 Vorkreise. Das müßte mal durchsimuliert werden. > den internen Oszi so aufgebaut, dass er plus oder minus > Ladderfilterfrequenz zur gewünschten Empfangs-f schwingt!?! Korrekt. Da fällt mir noch eine Möglichkeit ein. Falls Du auf die steile Flanke verzichtest, und der VFO den Bereich von 10,4 bis 10,8 MHz überstreicht, könntest Du durch Umschalten des Vorfilters den Bereich zwischen 40m und 20m wechseln, also zwei Klappen mit einer Fliege. > Am Ausgang das Ladderfilter (den Filter-Eingangs-R mit dem > Ausgangs-R des NE602 verrechnet) und dahinter das entsprechend > eingestellte Audion!?!?! Ist das so einfach??? Ja, das funktioniert so, wenn auch mit ein paar Kompromissen. Aber geh mal in Dich, momentan kannst Du die Asymetrie des Quarzfilters noch nicht mal nachweisen. Das spielt in mancher Hinsicht schon besser als Dein Weltempfänger. Dein Plan sieht momentan noch keine AGC vor. Damit solltest Du auch erst mal Erfahrungen sammeln. Aber stell Dir vor, Du empfängst ein starkes und ein schwaches Signal, das Eine hörst Du gerade noch, beim Zweiten fallen Dir die Ohren ab. Um das auszugleichen hat jemand die AGC erfunden. Schau Dir mal die AGC auf dem angehängten Schaltplan an. Das ist der Empfänger, mit dem ich die drei Filterkurven aufgenommen habe. > wäre es günstiger, mit dem Filter einen 20m-Empfänger > aufzubauen, weil der VFO dann über der Empfangsfrequenz schwingt. Sobald irgendwas unterhalb der Empfangsfrequenz schwingt, sollte man sehr vorsichtig sein. Harmonische könnten in den Empfangsbereich oder ZF durchschlagen, dann gibt es eine Pfeifstelle. Momentan kannst Du dein Konzept nicht für 80m verwenden, da dort die ZF reinfällt. Die doppelte Frequenz 3.58*2=7.16MHz fällt in den 40m Bereich und die vierfache 3.58*4=14.32MHz in den 20m. Wahrscheinlich empfängst Du die Harmonischen deiner ZF. Aber es handelt sich jeweils nur um eine Stelle. Noch eine Frage, wie groß ist momentan der Abschlußwiderstand des Quarzfilters? Sind es noch die 3.3 kOhm?
Hallo Bernd! B e r n d W. schrieb: > Warum nimmst Du nicht einfach Open-Office? Gute Idee! :-) >>> Welligkeit mit höheren Abschlußwiderständen geringer >> Allerdings wird dadurch die Bandbreite wieder kleiner > Nein, die Abschlußwiderstände beeinflussen nur die Welligkeit. Tatsächlich! Es sieht in der Simmulation nur so aus, weil die Amplitude leicht nach unten rutscht. > Noch eine Frage, wie groß ist momentan der Abschlußwiderstand des > Quarzfilters? Sind es noch die 3.3 kOhm? Bis jetzt 2k2. Allerdings war der Eingangs-2k2-R direkt an D vom BF256B (also der vor dem BF199) angeschlossen. Keine Ahnung, welche Ausgangsimpedanz an der Stelle herrscht. 2k7 oder 3k3 müssten auf jeden Fall für das Filter machbar sein! An der Stelle mal eine andere Frage: was für eine Eingangsimpedanz hat eigentlich das Audion??? Das geht doch eher Richtung 50-Ohm, oder? >> Der AD9851 läßt sich anscheinend schwer auftreiben > Eigentlich ist der gebräuchlich. Der kleinere Bruder AD9850 kommt auch > in Frage, der erzeugt aber bei höheren Frequenzen schon mehr > Unsauberkeiten. Der AD9834 ist sehr preiswert und eventuell als > Prüfsender bis 15 MHz geeignet. Der AD9851 ginge bis 50-60 MHz, also 1/3 > vom 180MHz Takt. Mach Dich mal schlau, wie ein DDS funktioniert. Habe bei der Bucht mal ein AD9850-Modul geordert. Hoffe, es reicht für Messzwecke bis 35MHz. http://www.ebay.de/itm/AD9850-DDS-Signal-Generator-Signalgenerator-Module-Square-Wave-/170844831102?pt=Mess_Pr%C3%BCftechnik&hash=item27c7253d7e Nun überlege ich, wie man einen M88 oder M16 am besten zur Steuerung verwendet... Kann man mit dem AD9850 auch wobbeln? Müsste ja eigentlich gehen bei paralleler Programmierung! >> Jetzt mal Butter bei die Fische :-))) > Lass mich mal raten, Du wohnst nördlich des Weißwurstäquators? ;) Riiiiichtig! Ich komme aus der Kölsch-Region (und wohne mittlerweile östlich der Saale, also Breitengrad-mäßig kein großer Unterschied). >> einen NE602 auf den Rücken zu legen, ein abgestimmtes >> Dreifach-LC-Kreis-Filter vor den Eingang > Bei einer ZF von ~3,5MHZ liegt die Spiegelfrequenz schon 7MHz drüber > oder drunter. Möglicherweise reichen da schon 2 Vorkreise. Das müßte mal > durchsimuliert werden. Das wäre ja nicht schlecht! Die Filterspulen müsste ich nämlich von irgendwelchen Platinen runterlöten, wie es aussieht. >> den internen Oszi so aufgebaut, dass er plus oder minus >> Ladderfilterfrequenz zur gewünschten Empfangs-f schwingt!?! > Korrekt. Da fällt mir noch eine Möglichkeit ein. Falls Du auf die steile > Flanke verzichtest, und der VFO den Bereich von 10,4 bis 10,8 MHz > überstreicht, könntest Du durch Umschalten des Vorfilters den Bereich > zwischen 40m und 20m wechseln, also zwei Klappen mit einer Fliege. Das wäre eine oder auch mehrere Überlegungen wert! >> Am Ausgang das Ladderfilter (den Filter-Eingangs-R mit dem >> Ausgangs-R des NE602 verrechnet) und dahinter das entsprechend >> eingestellte Audion!?!?! Ist das so einfach??? > Ja, das funktioniert so, wenn auch mit ein paar Kompromissen. Was für Kompromisse? Ist der Ausgangs-R vom NE602 f-abhängig? > Dein Plan sieht momentan noch keine AGC vor. Das stimmt. Wenn der VFO sauber schwingt, wird über eine AGC nachgedacht. Fürs erste würde ich mich auch mit einem RF-Regler zufriedengeben. >> wäre es günstiger, mit dem Filter einen 20m-Empfänger >> aufzubauen, weil der VFO dann über der Empfangsfrequenz schwingt. > Sobald irgendwas unterhalb der Empfangsfrequenz schwingt, sollte man > sehr vorsichtig sein. Harmonische könnten in den Empfangsbereich oder ZF > durchschlagen, dann gibt es eine Pfeifstelle. Momentan kannst Du dein > Konzept nicht für 80m verwenden, da dort die ZF reinfällt. Die doppelte > Frequenz 3.58*2=7.16MHz fällt in den 40m Bereich und die vierfache > 3.58*4=14.32MHz in den 20m. Wahrscheinlich empfängst Du die Harmonischen > deiner ZF. Aber es handelt sich jeweils nur um eine Stelle. Da muss ich noch mal in Ruhe drüber nachdenken... Viele Grüße Richtung Süden (über den WW-Äquator!)!
>> Noch eine Frage, wie groß ist momentan der Abschlußwiderstand des >> Quarzfilters? Sind es noch die 3.3 kOhm? > Bis jetzt 2k2. Allerdings war der Eingangs-2k2-R direkt > an D vom BF256B angeschlossen. Grob geschätzt 1 kOhm. Der NE602 hat 1.5k am Ausgang, dann würde ich nochmal 1k in Reihe schalten und den Ausgang mit 2.7k abschließen. Dann einen JFet als Pufferstufe. Du könntest jetzt schon die Pufferstufe nachschalten, dann vergrößert sich der Dynamikumfang Deiner Messungen. > was für eine Eingangsimpedanz hat eigentlich das Audion? > Das geht doch eher Richtung 50-Ohm, oder? AM HF-Poti ja, aber wenn man direkt am J1 ankoppelt, ca. 1k. >>> dahinter das entsprechend eingestellte Audion >> Ja, das funktioniert so, wenn auch mit ein paar Kompromissen. > Was für Kompromisse? Ist der Ausgangs-R vom NE602 f-abhängig? Der Abschlußwiderstand nach dem Quarzfilter erzeugt breitbandiges Rauschen. Der Widerstand davor nur schmalbandiges, denn das Rauschen wird zum größten Teil weggefiltert. Du wirst ein nachgeschaltetes Audion verwenden, welches noch zusätzlich filtert. Weitere Maßnahmen sind IMHO nicht notwendig. Bei meiner Schaltung oben habe ich auch diese einfache Variante gewählt. Nach dem DG-Mosfet gibt es aber noch ein weiteres Filter. Falls das Konzept steht und es sowas wie einen Frequenzplan gibt, könnte ich mal mit einer Simulation anfangen. Dann wird auch klar, ob ein zweistufiges Vorfilter reicht. > Habe bei der Bucht mal ein AD9850-Modul geordert. > Hoffe, es reicht für Messzwecke bis 35MHz. Mit einem nachgeschalteten Tiefpassfilter sollte das gehen. > einen M88 oder M16 Meinst Du Mega88? > Kann man mit dem AD9850 auch wobbeln? Nenn es mal eher scannen. Es dauert ein paar Sekunden je nach Schrittweite, ist dann dafür auch genauer. Dahinter wird meist ein logarithmischer Verstärker AD8307 nachgeschaltet. Das steigert den Dynamikumfang der Messung gegenüber einem Diodengleichrichter enorm. Und nach der AD-Wandlung sind Daten gleich im PC zur Weiterverarbeitung. Eventuell gibt es schon ein älteres Projekt, welches Du übernehmen kannst. Ich hatte mir mal zwei ähnliche Platinen aus Hongkong geholt, da war auch Software für den Mikrocontroller dabei. Leider nicht für den PC. AD9850 und AD9851 sind bis auf den unterschiedlichen Takt anscheinend Softwarekompatibel. > Ich komme aus der Kölsch-Region > Viele Grüße Richtung Süden (über den WW-Äquator!)! Weißwurstfrühstück mit Bretzel und süßem Senf ist zwar eine Bayrische Tradition, bei uns hier im Großraum Stuttgart/Heilbronn gibt es das gelegentlich auch. Falls kein Weißbier mehr da ist, geben wir uns zur Not auch mal mit einem Kölsch zufrieden.
Hallo, nur zur Vollständigkeit der AD9834 (c) läuft nun auch mit 75MHz Quarzoszillator, damit liegt dann die Ausgangsfrequenz bei max. 30 Mhz. Zwei Module habe ich am laufen. - http://www.qrpforum.de/index.php?page=Thread&threadID=6976
B e r n d W. schrieb: > Falls das Konzept steht und es sowas wie einen Frequenzplan gibt, könnte > ich mal mit einer Simulation anfangen. Hallo Bernd, herzlichen Dank für das Angebot! Das wäre prima! Die Idee mit der ZF um 10,3MHz für 40m und 20m klingt auf jeden Fall gut! Denke, dass ich es so aufbauen werde. Ich melde mich morgen noch ausführlicher zum Thema (und zu den anderen auch). Habe seit gestern das Elektor-Buch "311 Schaltungen" hier. Dort wird ein recht minimalistischer Empfänger (von einem Gert Baars) vorgestellt, der lt. Beschreibung von 0Hz bis 18MHz empfängt (Projekt Nr.175). Der Haupttrick ist die hohe ZF. Vom selben Autor wird auch ein variables Quarzfilter (Kettenfilter mit drei Quarzen und 2x BB204 Doppel-C-Diode, Nr. 228) vorgestellt. Ok, also morgen mehr dazu. Viele Grüße!
@KLS > Die Idee mit der ZF um 10,3MHz für 40m und 20m VFO von 10.4-10.8, ZF wie gehabt. > lt. Beschreibung von 0Hz bis 18MHz empfängt Die hohe ZF hat Vor- und Nachteile. Es gibt einen großen Abstimmbereich, Selektiert wird durch einen Tiefpass mit Fg = 30 MHz. Dein Vorverstärker und der Mischer müssen alle Signale von Null bis 30 MHz verkraften. So dürfte auch Deine Weltempfänger funktionieren. Bei der Großsignalfestigkeit mußt Du einige Abstriche machen. Mit dem NE602 würde ich das nicht probieren. @Uwe Das sieht gut aus! Welche Auflösung erreicht man damit? Ein AD9834 liegt hier auch noch rum. Der war allerdings für was Anderes gedacht.
B e r n d W. schrieb: > @Uwe > Das sieht gut aus! Welche Auflösung erreicht man damit? Ein AD9834 liegt > hier auch noch rum. Der war allerdings für was Anderes gedacht. Mir reicht 1Hz. Den AD9834 will ich auch mal für einen Antennenanalysator einsetzen. Treiber AD8000 OPAmp, Detektor evtl. mit AD8302: 2.7GHz RF / IF Gain Phase Detector, LCD Anzeige für portabel Betrieb.
@Uwe >> Welche Auflösung erreicht man mit dem AD9834? > Mir reicht 1Hz. Das würde mir auch reichen. @KLS > Dein Vorverstärker und der Mischer müssen alle Signale > von Null bis 30 MHz verkraften. Stimmt nicht ganz, man kann ja trotzdem ein Vorfilter davorsetzen. Und mit der Loopantenne wird auch noch selektiert. Mit der Simulation hab ich schon mal angefangen. Im Extremfall, Nutzsignal 1µV und Störsignal 10mV, könnten Störungen auftreten. Die Spiegelfrequenzunterdrückung mit 2fach Vorfilter scheint nur mit Notchkreis auszureichen. Dann ist die Frage, ob Du nicht lieber gleich 3-fach Filter verwendest. Eventuell sollte ich mal beide Varianten zum Vergleich in ein Diagramm packen.
Hallo Bernd, Danke für die Angaben zu den Ein-/Ausgangsimpedanzen! B e r n d W. schrieb: > Du könntest jetzt schon die Pufferstufe nachschalten, dann vergrößert > sich der Dynamikumfang Deiner Messungen. Gute Idee! z.B. einfach einen Sourefolger mit einem BF245A? Wenn ja, wie groß sollte der S-Widerstand in etwa sein? Der G-Widerstand ergibt sich ja aus dem Filter-Abschluss-R. Die Messungen mit dem Weltempfänger bei Auflösungen von < 500Hz machen irgendwie keinen Spass (möglicherweise liegt es daran, dass das Audion als Messsender sich in dem hochauflösenden Bereich schlecht einstellen läßt!?). Deshalb das AD9850-Modul. Damit kann man ja über den µC per Tastendruck problemlos im 100-Hz-Raster (oder noch viel feiner) durchmessen und braucht dafür noch nicht mal einen zusätzlichen Frequenzähler. >> was für eine Eingangsimpedanz hat eigentlich das Audion? >> Das geht doch eher Richtung 50-Ohm, oder? > AM HF-Poti ja, aber wenn man direkt am J1 ankoppelt, ca. 1k. RF-Regler und Balun sind aber schon eine gute Sache! Insbesondere schlagen mit Langdraht direkt am J1 hin und wieder stärkere Sender (MW) durch, mit Balun überhaupt nicht! :-) > @KLS >> Die Idee mit der ZF um 10,3MHz für 40m und 20m > VFO von 10.4-10.8, ZF wie gehabt. > >> lt. Beschreibung von 0Hz bis 18MHz empfängt > Die hohe ZF hat Vor- und Nachteile. Es gibt einen großen Abstimmbereich, > Selektiert wird durch einen Tiefpass mit Fg = 30 MHz. Die Erwähnung von dem Weltempfänger aus dem Elektorbuch war nur nebenbei, ich finde die Idee für einen AM-Empfänger ganz witzig. Für den 40m/20m-Empfänger habe ich mir folgendes (weiter-) überlegt: Umschaltbares Eingangsfilter mit jew. zwei abgestimmten und am hochpunkt kapazitiv gekoppelten Schwingkreisen aus Filterspulen (hoffe, das funktioniert auch für 20m). Der VFO überstreicht einen Bereich von (etwas mehr als) 10,6375 +-0,175 [MHz] Das bedeutet für 40m: 6,925 bis 7,275 [MHz] und für 20m: 14,000 bis 14,350 [MHz] Der Bereich für 40m ist so zugegebenermaßen etwas groß... mit einer f-Feineinstellung sollte es aber gehen. (im Grunde also deine Idee!) Dann habe ich überlegt, statt des Audions könnte man vielleicht auch ein Empfänger-IC verwenden. Habe zur Auswahl TDA1072, TDA1572, TEA5570 und A244D (= TCA440), ferner TDA440(Video IF Amp.), A281D (ZF-Verstärker???) und M810 (so ein kleines SMD-Ding). Wenn man hinter das Ladderfilter ein TDA1072 oder TDA1572 hängen würde, hätte man direkt eine AGC integriert. Das 455kHz-ZF-Filter würde ja nicht mehr benötigt werden (?!), dann könnte man dort vielleicht das BFO-Signal einspeisen. Eventuell könnte man auch den VFO des ICs zum BFO ausbauen!? Einen Demodulator hätte man auch schon integriert. Ebenfalls einen Anschluss für ein S-Meter. Was hältst du von der Idee? >> Was für Kompromisse? Ist der Ausgangs-R vom NE602 f-abhängig? > Der Abschlußwiderstand nach dem Quarzfilter erzeugt breitbandiges > Rauschen. Ein Widerstandsrauschen von R < 3k3 macht sich schon störend bemerkbar? B e r n d W. schrieb: >> einen M88 oder M16 > Meinst Du Mega88? Genau, Atmega88 oder Atmega16. Letzterer hat mehr Beine (DIL40) und damit mehr Ein-/Ausgänge :-) Meine Idee: f-Anzeige über LCD, jeweils zwei Drucktasterreihen für das Vorschalten (Addieren der "Tastenfrequenz") -> Vorschalten in Reihe1: 5KHz, 500Hz, 50Hz, 5Hz-Schritten Vorschalten in Reihe2: 1KHz, 100Hz, 10Hz, 1Hz-Schritten So müsste man ziemlich schnell filter in den genannten abständen vermessen können, Ergebnisse werden direkt in den PC eingetippt (humanoide Schnittstelle). Damit man um den jeweiligen Bereich zurückschalten kann, wird eine andere Taste parallel gedrück. Datenübertragung ans AD9850-Modul dann lieber seriell wegen geringerem Verkabelungsaufwand. > Dahinter wird meist ein > logarithmischer Verstärker AD8307 nachgeschaltet. Der wird auch als Demodulator in oben genanntem Elektorprojekt-Weltempfänger verwendet. > Eventuell gibt es schon ein älteres Projekt, welches Du übernehmen > kannst. Ich hatte mir mal zwei ähnliche Platinen aus Hongkong geholt, da > war auch Software für den Mikrocontroller dabei. Leider nicht für den > PC. Ich würde auch eine fertige Software in einen Atmega flashen und den Aufbau entsprechend wie dafür benötigt gestalten. Habe allerdings noch nicht danach gesucht. Warum geht keine serielle Steuerung mit dem PC? Wegen den RS232-Pegelunterschieden? In dem Fall könnte man einen Max232 zwischenschalten. >> Ich komme aus der Kölsch-Region >> Viele Grüße Richtung Süden (über den WW-Äquator!)! > Weißwurstfrühstück mit Bretzel und süßem Senf ist zwar eine Bayrische > Tradition, bei uns hier im Großraum Stuttgart/Heilbronn gibt es das > gelegentlich auch. Falls kein Weißbier mehr da ist, geben wir uns zur > Not auch mal mit einem Kölsch zufrieden. Lach, Kölsch ist ja auch obergährig. Weißwurstfrühstück mit Bretzel und süßem Senf klingt auf jeden Fall sehr deftig! Ich persönlich bin ja eher ein Freund herber Pilssorten (allerdings nicht zum Frühstück ;-))
KLS schrieb: > Meine Idee: f-Anzeige über LCD, jeweils zwei Drucktasterreihen für das > Vorschalten (Addieren der "Tastenfrequenz") -> > > Vorschalten in Reihe1: > 5KHz, 500Hz, 50Hz, 5Hz-Schritten > > Vorschalten in Reihe2: > 1KHz, 100Hz, 10Hz, 1Hz-Schritten Also von der Anordnung etwa so ( X = Taster): X 5KHz X 1KHz X 500Hz X 100Hz X 50Hz X 10Hz X 5Hz X 1Hz X Invertierungstaster (ohne Invertierungstasterdruck werden die genannten Taster-Frequenzen jeweils zur Display-Frequenz addiert , wenn der Invertierungstaster gedrückt ist, werden die Tasterfrequenzen subtrahiert . So kann man die Frequenzen schnell und trotzdem hochauflösend einstellen und hat trotzdem nicht alzu viele Taster. Beim Filtervermessen will man (denke ich) in der Regel sowieso nur von einer Anfangsfrequenz in definierten Schritten zu einer höheren Endfrequenz. Der Invertierungstaster kann übrigens bequem mit dem Daumen bedient werden)
> einfach einen Sourefolger mit einem BF245A Der Puffer-Verstärker im Schaltplan macht in etwa 20 dB. Als Arbeitsdrossel 82 oder 100µH. > RF-Regler und Balun sind aber schon eine gute Sache! Der HF-Regler muß aber ganz nach vorne. > ich finde die Idee für einen AM-Empfänger ganz witzig. Da kann man auch mal kurz auf DCF77 drehen und sich die Zeit anhören. Dann gibt es noch einen AFU-Bereich bei 138 kHz. > Umschaltbares Eingangsfilter mit jew. zwei abgestimmten und > am hochpunkt kapazitiv gekoppelten Schwingkreisen aus Filterspulen Die beiden Filter können fest am NE602 verdahtet werden. Umgeschaltet wird am Schleifer des HF-Potis, am Besten mit 2xUM. Das unbenutzte Filter wird auf GND gelegt wegen dem Übersprechen. > Ein Widerstandsrauschen von R < 3k3 macht sich schon störend bemerkbar? Es rauscht mit 0.28µV bei 3 kHz Bandbreite aber 1.65µV bei 100 kHz Es kommt also auf die nachfolgende Bandbreite an. Letzteres würde schon stören. > Der Bereich für 40m ist so zugegebenermaßen etwas groß Er hat die selbe Auflösung wie 20m, mit Fein-Poti kein Problem. > Meine Idee: f-Anzeige über LCD Eigentlich müssen drei Einstellungen gemacht werden: die Schrittweite für die Frequenzauflösung die Verweildauer wegen der Einschwingzeit des Filters Damit kann die Filtermessung automatisch ablaufen. Das Ganze wird Excel-gerecht per RS232 an den PC gesendet. Es gibt einen Zusammenhang zwischen Schrittweite und Verweildauer. Dies könnte in einer Tabelle abgelegt und ausgewählt werden. Es reichen in der Regel 3 Taste: +/- und Enter. Eventuell wäre ein 10er Feld interessant, um Frequenzen direkt einzugeben. Soll der Generator als Test-Generator oder VFO fungieren, muß eine Ablage programmierbar sein und die Frequenz sich eventuell nach Deiner Methode bequem einstellen lassen. > Warum geht keine serielle Steuerung mit dem PC? Nur bei meinen Modulen war keine PC-Software dabei. Die selber zu schreiben oder was anderes, fertiges zu verwenden sollte kein Problem sein. Am liebsten würde ich mich aber an einen einfachen Netzwerk-Analyser dranhängen, da die Auswertung doch einen gewissen Aufwand darstellt. > allerdings nicht zum Frühstück ;-)) Weißwurst-Frühstück gibt es um 10 oder 11 Vormittags zu besonderen Anlässen.
B e r n d W. schrieb: >> einfach einen Sourefolger mit einem BF245A > Der Puffer-Verstärker im Schaltplan macht in etwa 20 dB. Als > Arbeitsdrossel 82 oder 100µH. Kannst du den Schaltplan noch mal in etwas größer posten oder die .asc-Datei? Ich würde ihn zum besseren Sichten gerne ausdrucken. BF246A habe ich auch noch in der Bastelkiste, er ist ein bisschen "stromstärker" als sein BF245er-Kollege, stimmts? :-) Der FET ist bei dir sozusagen als Aufholverstärker geschalten für die Filterverluste, nehme ich an... >> RF-Regler und Balun sind aber schon eine gute Sache! > Der HF-Regler muß aber ganz nach vorne. Selbstverständlich! :-) >> ich finde die Idee für einen AM-Empfänger ganz witzig. > Da kann man auch mal kurz auf DCF77 drehen und sich die Zeit anhören. > Dann gibt es noch einen AFU-Bereich bei 138 kHz. Ja! Mein Weltempfänger kann z.B. nur 150kHz bis 29,999MHz. In einem anderen Elektorbuch habe ich einen Schaltplan für einen VLF/LW/MW-Empfänger gefunden (ein Doppelsuper). Bei Interesse könnte ich mal den/die Schaltpläne schicken. Die Zeit anzuhören ist natürlich immer gut! ;O) Glaube, das kann man auch irgendwo im VLF-Band (20,5 und 23 kHz). >> Umschaltbares Eingangsfilter mit jew. zwei abgestimmten und >> am hochpunkt kapazitiv gekoppelten Schwingkreisen aus Filterspulen > Die beiden Filter können fest am NE602 verdahtet werden. Umgeschaltet > wird am Schleifer des HF-Potis, am Besten mit 2xUM. Das unbenutzte > Filter wird auf GND gelegt wegen dem Übersprechen. Sehr gute Sache! Hatte schon über PIN-Dioden nachgedacht... wenn aber nur die Filtereingänge umgeschaltet werden, geht auch ein ein echter Umschalter... > Eigentlich müssen drei Einstellungen gemacht werden: > die Schrittweite für die Frequenzauflösung > die Verweildauer wegen der Einschwingzeit des Filters Ups. Ich glaube, meine Filter müssen erstmal nur mit der Frequenz vorlieb nehmen. Wenn es mal dazu kommt, dass ich öfter HF-Filter vermessen muss, kommt ein Netzwerkanalysator ins Haus. > Es gibt einen Zusammenhang zwischen Schrittweite und Verweildauer. In Bezug auf was? > Soll der Generator als Test-Generator oder VFO fungieren, muß eine > Ablage programmierbar sein und die Frequenz sich eventuell nach Deiner > Methode bequem einstellen lassen. Die Ablage ist im µC ja schon als EEPROM eingebaut. Bei dem Prpjekt soll ein programmierbarer Rechteckgenerator als Messender entstehen. Später will ich noch einen VFO mit einem AD9851 aufbauen. >> Warum geht keine serielle Steuerung mit dem PC? > Nur bei meinen Modulen war keine PC-Software dabei. Die selber zu > schreiben oder was anderes, fertiges zu verwenden sollte kein Problem > sein. Am liebsten würde ich mich aber an einen einfachen > Netzwerk-Analyser dranhängen, da die Auswertung doch einen gewissen > Aufwand darstellt. Verständlich! >> allerdings nicht zum Frühstück ;-)) > Weißwurst-Frühstück gibt es um 10 oder 11 Vormittags zu besonderen > Anlässen. Hatte mich schon gewundert, wer um sechs Uhr früh Brezeln und Weißwurst zu sich nimmt und dann in den Arbeitstag startet... KLS schrieb: > Dann habe ich überlegt, statt des Audions könnte man vielleicht auch ein > Empfänger-IC verwenden. > Habe zur Auswahl TDA1072, TDA1572, TEA5570 und A244D [...] Was sagst du denn zu meiner Idee mit dem AM-Chip hinter dem Filter? Das wäre doch eigentlich ideal! (oder ist dir das zu unsportlich?)
B e r n d W. schrieb: > [...] Schrittweite, ist dann dafür auch genauer. Dahinter wird meist ein > logarithmischer Verstärker AD8307 nachgeschaltet. Das steigert den > Dynamikumfang der Messung gegenüber einem Diodengleichrichter enorm. Kann man hier eigentlich den Diodengleichrichter verbessern, indem man die Ge-Diode sinnvoll vorspannt? (im Anhang der Schaltplan für den HF-Gleichrichter, den ich für die Messung verwendet habe, irgendwo im Netz gefunden)
> Dann habe ich überlegt, statt des Audions könnte man > vielleicht auch ein Empfänger-IC verwenden. Habe zur Auswahl : TDA1072 kompletter AM Empfänger bis 60 MHz TDA1572 kompletter AM Empfänger bis 60 MHz A244D = TCA440 kompletter AM Empfänger bis 30 MHz TEA5570 kompletter AM Empfänger bis 30 MHz, FM ZF Diese wären IMHO eher als Frontend geeignet, da ja erst ein Mischer angeordnet ist und dann die ZF, dann ein AM-Demodulator mit AGC. Der TCA440 wurde immer gerne für AFU-Zwecke benutzt, es sollten also genügend Schaltungsvorschläge existieren. Man müßte die AGC verwenden, aber die ZF zu Weiterverarbeitung vor dem Demodulator auskoppeln. Besser wäre, die ZF rauszuführen und die Demodulation mit einem richtigen Produktdetektor zu verwirklichen. Dabei wird im Gegensatz zu obigen Bausteinen die AM unterdrückt. Dies reduziert Störungen. NE602 Oszillator, Double Balanced Mixer, Verstärker 17dB Ideal als Produktdetektor geeignet, wird häufig benutzt Ein Diodenmischer mit 2 oder 4 Dioden wäre sehr gut als Produktdetektor geeigent. Darüber läßt sich viel im Netz finden. Man benötigt einen externen BFO. M810 (IAM81008) 5 GHz Double Balanced Mixer/IF Amp 8dB Vermutlich als Produktdetektor geeignet mit 2 optionalen Kondensatoren, benötigt aber einen externen BFO, SO-8 Gehäuse A281D = TAA981 AM/FM ZF-Verstärker bisher keine vernünftige Applikation gefunden TDA440 Video IF Amp. hier Projekt nutzlos DDR-Halbleiter: http://ok1ike.c-a-v.com/soubory/ddr/index.htm > einen Schaltplan für einen VLF/LW/MW-Empfänger gefunden > (ein Doppelsuper). Bei Interesse könnte ich mal den/die > Schaltpläne schicken. Nur wenn einer der genannten Empfänger-ICs verwendet wird.
Statt IAM 81008 geht auch der CA3054, der besteht aus 2 halben Gilbertzellen. Der AD8307 hat weniger Bandbreite als der AD8302, also einen besseren unteren Wert für die Amplitudenerkennung. Falls man ihn bekommt, ist auch der MC3356 sehr nützlich als Demodulator, wenn auch nciht ganz so linear wie der AD8307. Im Grunde benötigt man ja nur das Videosignal, und das ergibt sich aus dem RSSI-S9ignal der Bausteine.
Idee VFO mit direkter Ansteuerung des FA-NWT. http://www.qrpforum.de/index.php?page=Thread&postID=52955#post52955 Vor allen meinen DDS ad9834, ad9851 und ad9951 sitzt eine FA-NWT kompatible Firmware, die im einfachsten Fall, nur die Frequenzeinstellung zulassen muss. Wobbeln und das mW-Meter wären dann Erweiterung mit einem AD8307/ AD8310 an einem ADC Eingang. Schaltausgänge für eine der drei mögl. Dämpfungslieder sind eine weitere Alternative. Andreas, DL4jAL hat das alles sehr genau beschrieben: http://www.dl4jal.eu/hfm9.htm Siehe: Gesamtdokumentation LinNWT/WinNWT V4.xx (PDF)
Die Schaltung hat einen Offset, welcher bei jedem Messwert subtrahiert werden muß. Eine weitere Möglichkeit wäre, die zweite Diode in die Gegenkopplung eines OPs zu schalten. Dieser regelt die Vorspannung der zweiten Diode so nach bis eine identische Ausgangsspannung erreicht wird. Manche Powermeter geben sogar eine Wechselspannung vor und lassen diese ebenfalls gleichrichten. Der Regelkreis vergleicht das Ausgangssignal der beiden Gleichrichter.
Hallo, kann mir jemand sagen, wo in der Praxis die obere Frequenzgrenze für Ladderfilter liegt? Wir haben gelernt, dass Quarze mit höherer Frequenz meistens Obertonquarze sind. Das bedeutet dann wohl, das in der Praxis Grundtonquarze mit einer Frequenz größer als 20MHz wahrscheinlich schlecht verfügbar sind? Danke!
Es gibt einen Bereich zwischen 20 und 40 MHz, wo sich Grundwellen- und Obertonquarze überlappen. Die Grundwellenquarze werden bei den hohen Frequenzen sehr dünn und empfindlich. Es gibt wohl eine mechanisch sinvolle obere Grenze für Grundwellenquarze. Es ist aber auch möglich, Quarzfilter auf dem Oberton zu bauen, wobei ich das bei Ladderfiltern noch nie gesehen habe. Mit Half-Lattice funktioniert es jedenfalls. Bei Oberwellenquarzen wird die nutzbare Bandbreite geringer, da die Parallelkapazität gleich bleibt. Parallel- und Serienresonanz rücken beim Obertonquarz näher zusammen und der Spielraum wird kleiner. Da das Quarzfilter auf der Grundwelle auch durchläßt, muß dies mit einer entsprechenden Maßnahme verhindert werden. Jemand hat bei einem Oszillator oberhalb von 100MHz ein selbstgebautes Quarzfilter auf der 5-fachen zur Reduktion des Phasenrauschens nachgeschaltet. Leider finde ich die Seite gerade nicht.
Hallo Bernd, meinst Du vielleicht den IQ-Generator aus dem Hause Funkamateur ? http://www.box73.de/product_info.php?products_id=2266 _
B e r n d W. schrieb: > Es ist aber auch möglich, Quarzfilter auf dem Oberton zu bauen, wobei > ich das bei Ladderfiltern noch nie gesehen habe. Mit Half-Lattice > funktioniert es jedenfalls. Hallo Bernd, ich weiß gar nicht, warum ich das noch nie probiert habe. Ich werde einmal ein paar Tests fahren, auch mit SMD-Quarzen im kleinen Keramikgehäuse. Ich habe hier einen HP 3585A und einen W&G TSA-1, das sollte zum Ausmessen reichen ;-) Vielen Dank für die Anregung! Gruß, Jochen
so könnts gehen: P so abgleichen, daß bei "out" grade keine Gleichspannung meßbar ist (die Widerstände linker Hand haben ungefär den doppelten Wert vom ursprünglichen Wid. an der Anode) Ist aber immer noch nicht sehr genau bei kleinen Spannungen weil die Kennlinie von der Diode besonders unten nicht grade ist
Jochen Fe. schrieb: > B e r n d W. schrieb: >> Es ist aber auch möglich, Quarzfilter auf dem Oberton zu bauen, wobei >> ich das bei Ladderfiltern noch nie gesehen habe. Mit Half-Lattice >> funktioniert es jedenfalls. Wenn ihr hier etwas weiter unten in dem paper schaut, sind dort auch Obertonquarzfilter beschrieben und welchen Nachteile sie mit sich bringen http://fa-nwt.akadns.de/blogs/media/blogs/dj6ev/quarzfilter/Quarzfilter_Rev2.pdf EMU
@schwaby Schon bei der geringsten Vorspannung kommt hinten ein DC-Signal raus, das läßt sich nicht vermeiden. Es hängt von der Dimensionierung der Bauteile ab, ob das 50mV sind oder 5mV. Die zweite Diode war auch zur Temperaturkompensation gedacht. Mit einer negativen Vorspannung am Fusspunkt von R3 oder einer Brückenschaltung fürs Multimeter kann der Nullpunkt kompensiert werden. Oder mit einer OPV-Schaltung den Offset kompensieren und mit einem zweiten den Meßbereich um Faktor 1/10/100 verfeinern.
KLS schrieb: >...wird ein recht minimalistischer Empfänger vorgestellt, der >lt. Beschreibung von 0Hz bis 18MHz empfängt. Der >Haupttrick ist die hohe ZF. Sowas hier?
Man beachte die Symmetrie bei der Abstimmung mittels Stromquelle und 2er C-Dioden. Namaste
> der Abstimmung mittels Stromquelle
Irgendwie ist das keine "echte" Stromquelle. Soll damit eine
Temperaturdrift kompensiert werden? Die Kompensation müßte bei niedriger
Abstimmspannung stärker wirken. Steht da was im Text?
B e r n d W. schrieb: > Steht da was im Text? Statt teurem Mehrgangpoti wird aus Kostengründen mit 2 Potis abgestimmt: Zitat: "Am "Fine"-Poti (P2) liegt über einen als Stromquelle geschalteten Transistor eine konstante Spannung von ungefähr 1V an. Das "Band"-Poti (P3) hat praktisch keinen Einfluss auf die Spannung an P2, so dass beide Potis voneinander unabhängig bedient werden können." Hmm, da stellt Grobi sich die Frage, warum das so sein soll... B e r n d W. schrieb: > Soll damit eine > Temperaturdrift kompensiert werden? Davon steht da nix. Aber man kann wohl den 4k7 erhöhen, dann wird der Bereich von P2 enger.
wenn man P3 schon als Band-Poti bezeichnet, sollte man wenigstens so konsequent sein und es durch ein schaltbares widerstandsnetzwerk zur bereichsumschaltung ersetzen. yeahhhh! :O)
@ grobi ...,weil der Emmiterwiderstand eine Gegenkopplung bewirkt welche die Drift ausregelt. ;-)
Da steht beim zweiten Schaltbild: The 1N4005 diode is for temperature compensation http://www.qrp.pops.net/cascoder1.asp Es ist ja durchaus bekannt, daß man Dioden (oder BE-Strecken) als Temperaturfühler verwenden kann. Deshalb ist es durchaus möglich, dass das Ube des Transistors eine Temperaturkompensation bewirkt. Dann gleich die nächste Frage: Warum fehlt bei der D1 auf einer Seite der Gleichstrompfad?
Es ist die Driftkompensation! Über R5 und R6 kann Strom und Temperatureinfluß gezielt voreingestellt werden. Der Spannungsabfall an R5 beträgt von 0-40°C 112-183mV. Der Kollektorstrom ändert sich von 24-39µA. @KLS Damit kannst Du Deinen Tentec Nachbau driftfrei bekommen.
Meine Vermutung D1 kompensiert die HFPhasenabhängige Kapazitätsverschiebung der Abstimmdiode (D2?) darunter. Dies ist möglich, da für die Cs die HF eine endlichchen Widerstand aufweisen und die Flussspannung von D1 zu keinem Zeitpunkt erreicht wird. Dummerweise wird dieser Aufwand durch die Gleichstrombelastung von L1 konterkariert welche wohl teil der Serienresonanz sein soll. ich beziehe mich mal auf Schematic2. Bekomme ich ein Bienchen?
B e r n d W. schrieb: > Es ist die Driftkompensation! > > Über R5 und R6 kann Strom und Temperatureinfluß gezielt voreingestellt > werden. Der Spannungsabfall an R5 beträgt von 0-40°C 112-183mV. Der > Kollektorstrom ändert sich von 24-39µA. > > @KLS > Damit kannst Du Deinen Tentec Nachbau driftfrei bekommen. siehe 2 beiträge höher ;-) o.k. nicht so schön aber klar und deutlich
Hein3 schrieb: > Sowas hier? Jepp! Bei meinem Schaltplan folgt dann noch ein NF-Verstärker mit LM386. B e r n d W. schrieb: > Es ist ja durchaus bekannt, daß man Dioden (oder BE-Strecken) als > Temperaturfühler verwenden kann. Deshalb ist es durchaus möglich, dass > das Ube des Transistors eine Temperaturkompensation bewirkt. Kann gut sein! Nur weil es nicht im Text steht, kann der Erdenker der Schaltung es ja trotzdem zur T-Komp. eingebaut haben. B e r n d W. schrieb: > The 1N4005 diode is for temperature compensation Das wäre vielleicht auch mal einen Versuch wert für mein driftendes TT-Audion! Irgendwie sind jetzt viele Baustellen offen... Diese 0 bis 18MHz-Schaltung wirkt auf mich irgendwie verlockend. Wenn man einen großsignalfesten Mischer nähme, dazu einen BFO, dann ein Mehrgang-Poti für die f-Einstellung und zu guter letzt statt des Keramikfilters ein Ladderfilter (!!!), könnte es ein ganz interessantes Projekt werden. Alles in ein Gehäuse ähnlich dem BC-348 und man hat ein feines Gerätchen... :-) Von der AM-IC-Benutzung trete ich vorerst wieder zurück. Das kommt aber später noch. (Danke Bernd für die Infos zu den ICs, einige hatte ich bereits gegoogelt aber z.T. relativ viel Bahnhof verstanden. Ist der IAM81008 eigentlich großsignalfester als der NE602 (wg. der höheren Versorgungsspannung? Bleibe wie gehabt bei deinem Schaltplan oben, Bernd! Später einen Produktdetektor aufzubauen, wäre sicher nicht verkehrt. Jetzt erst mal mit Vorfiltern, Mischer, Ladderfilter und Audion nebst NE602-LO. Habe mittlerweile ein Vorfilter für das 40m-Band aufgebaut, ein bisschen gemessen und Filterspulen nachgedreht (Messung per Audion und 40m-Steckspule). Jetzt hat es eine ganz minimal überkritische Einstellung, die Flanken sind so weit im richtigen Bereich. Der nächste Schritt wäre, ein solches Filter für 20m aufzubauen. Bin nicht ganz sicher, ob man dafür ebenfalls ohne weiteres 10,7MHz-Filterspulen nehmen kann. Man wird es wohl direkt in der Praxis ausprobieren müssen. Ansonsten handwickeln. *** Noch eine wichtige Frage *** Vor die Filterspulen kommt der Balun und davor das RF-Poti!!!(?) Wenn ja, verändert der Balun nicht die Induktivität der ersten Filterspule und verstimmt das Filter wieder? B e r n d W. schrieb: > Dann gleich die nächste Frage: > Warum fehlt bei der D1 auf einer Seite der Gleichstrompfad? Du meinst bei der linken C-Diode? Deren Anode ist über L2 gleichstrommäßig mit Masse verbunden. (Die Fragen zum HF-Gleichrichter müssen zunächst vertagt werden)
B e r n d W. schrieb: > Es ist die Driftkompensation! > > Über R5 und R6 kann Strom und Temperatureinfluß gezielt voreingestellt > werden. Der Spannungsabfall an R5 beträgt von 0-40°C 112-183mV. Der > Kollektorstrom ändert sich von 24-39µA. > > @KLS > Damit kannst Du Deinen Tentec Nachbau driftfrei bekommen. Hallo Bernd, das wäre ja super! Habe eben schon alle Kerkos < 10p rausgekramt um zu schauen, ob welche mit entsprechendem T-Koeffizienten dabei sind. Momentan hat die Feineinstellungs-LED einen NP0 als Vor-"Kondensator". Damit hätte ich es dann erst mal versucht... >Der Spannungsabfall an R5 beträgt von 0-40°C 112-183mV Kühlschrank-nach-Backofen-Messung oder Simulation?
> die Flussspannung von D1 zu keinem Zeitpunkt erreicht wird. Bei der BB104 handelt es sich um eine Doppel-Varicap. Die obere Diode wird sich selber so weit vorspannen, bis die Halbwelle in Durchflußrichtung sie gerade noch ganz kurz leitend macht > Gleichstrombelastung von L1 Zum Glück beträgt der Strom nur ca. 100µA. > Diese 0 bis 18MHz-Schaltung wirkt auf mich irgendwie verlockend Der VFO schwingt auf 45-63 MHz. Ob der auf Anhieb stabil läuft? > Ist der IAM81008 eigentlich großsignalfester als der NE602 De IAM ist in diesem Zustand Großsignalfester, rauscht aber auch stärker. Der Unterschied kommt von der zusätzlichen Verstärkung des NE602/612. Verstärkt ma das Signal vor dem IAM um den gleichen Betrag, kommen ähnliche IP3- und Rauschwerte zustande. > für 20m aufzubauen, ob man dafür 10,7MHz-Filterspulen nehmen kann Auf jeden fall müßten die internen Cs raus, denn sonst kommst Du nicht so weit hoch. Wenn die Induktivität noch in der Nähe von <=4µH liegen, ist das ok. > Vor die Filterspulen kommt der Balun und davor das RF-Poti Der Balun wird hier nicht benötigt, nur das Poti. >> Warum fehlt bei der D1 auf einer Seite der Gleichstrompfad? > Deren Anode ist über L2 gleichstrommäßig mit Masse verbunden. Mißverständnis, es ging um das zweite Schaltbild, da hängt die Diode in der Luft. Keine Ahnung, ob das Absicht war. http://www.qrp.pops.net/cascoder1.asp >> Der Spannungsabfall an R5 beträgt von 0-40°C 112-183mV > Kühlschrank-nach-Backofen-Messung oder Simulation? Nur simuliert, aber das Ergebnis ist plausibel.
B e r n d W. schrieb: > Bei der BB104 handelt es sich um eine Doppel-Varicap. Die obere Diode > wird sich selber so weit vorspannen, bis die Halbwelle in > Durchflußrichtung sie gerade noch ganz kurz leitend macht Das spräche für einen Designfehler welcher mit einem hochohmigen R von Anode1 zu Anode2 an d1 zu Beheben währe die güte von C würde zwar geringfügig beeinflusst aber bei der Schaltung viele das wohl nicht ins Gewicht?
Habe noch mal eingehend das TT-Audion auf Temperaturdrift geprüft: -die LED und ihr NP0-Kollege sind unschuldig -die Hauptverursacher der Drift sind der RK-T (J2!?) und die beiden Keramiktrimmer für die Bereichseinstellungen der beiden internen Audionbänder -vermutlich tragen noch andere Bauteile untergeordnet zu der Drift bei -in den ersten fünf Minuten nach dem Einschalten steigt die f monoton an. Dann fällt und steigt sie abwechselnd in einem relativ engen f-Bereich. > Diese 0 bis 18MHz-Schaltung wirkt auf mich irgendwie verlockend. > ...und zu guter letzt statt des > Keramikfilters ein Ladderfilter (!!!), könnte es ein ganz > interessantes Projekt werden. Läßt sich so ein Ladderfilter um die 45MHz eigentlich gut aufbauen? Weiter oben steht etwas von einer oberen Grenze für Grundtonquarze... @Bernd Arbeitest du z.Zt. an einem speziellen HF-Projekt und wenn ja, was?
B e r n d W. schrieb: > Schon bei der geringsten Vorspannung kommt hinten ein DC-Signal raus, > das läßt sich nicht vermeiden. Warum kommt bei schwabys Schaltung eine DC raus? Man müsste doch mit dem Poti so abgleichen können, dass grade keine DC durchkommt?!? > Die Schaltung hat einen Offset, welcher bei jedem Messwert subtrahiert > werden muß. > > Eine weitere Möglichkeit wäre, die zweite Diode in die Gegenkopplung > eines OPs zu schalten. Dieser regelt die Vorspannung der zweiten Diode > so nach bis eine identische Ausgangsspannung erreicht wird. Manche > Powermeter geben sogar eine Wechselspannung vor und lassen diese > ebenfalls gleichrichten. Der Regelkreis vergleicht das Ausgangssignal > der beiden Gleichrichter. Da hast du auf jeden Fall mal wieder (!) eine coole Schaltung ausgetüftelt! Vor allem die Idee mit dem Operationsverstärker gefällt mir! Wie funktioniert die T-Kompensation mit der zweiten Diode, das sehe ich noch nicht? Das mit dem Offset ist eigentlich nicht tragisch, wenn man ohnehin mit einem Tabellenkalkulator arbeitet.
> in den ersten fünf Minuten nach dem Einschalten steigt > die f monoton an. Dann fällt und steigt sie abwechselnd > in einem relativ engen f-Bereich. Gibt es eine extra Drift, wenn Du mit der Hand ein wenig Wind machst? Dann könnte es helfen, die empfindlichen Teile nah anzuordnen, und gegen Luftzug zuschützen. > Läßt sich so ein Ladderfilter um die 45MHz eigentlich gut aufbauen? Wie hier schon erwähnt, wird die Bandbreite recht schmal. Möglicherweise reicht es für SSB gerade noch aus. http://fa-nwt.akadns.de/blogs/media/blogs/dj6ev/quarzfilter/Quarzfilter_Rev2.pdf Momentan hätte ich keine Möglichkeit, die Quarze auszumessen. Es gibt aber fertige Quarzfilter. Die Bezeichnung lautet 45M15B. Leider beträgt die Bandbreite 7,5kHz. > Warum kommt bei schwabys Schaltung eine DC raus? Weil die Dioden nicht schlagartig bei der Schwellspannung leitend werden, sondern schon weite drunter. Es sit ein Gleichstrompfad da, also kommt hinten auch was raus. Es sei denn das Poti steht auf Null, aber dann gibt es auch keine Vorspannung. > eine coole Schaltung ausgetüftelt! > Vor allem die Idee mit dem Operationsverstärker gefällt mir! Dise Ideen sind nicht von mir. Es gibt auch noch logarithmische Verstärker. Damit könnte wieder ein lineares Signal erzeugt werden. Aber es wird nur eine Größenordnung genauer, dann ist irgendwann auch Schluß. Es macht mehr Sinn, die HF zu verstärken (*10, *100, *1000) und ein ausreichend starkes Signal gleichzurichten.
B e r n d W. schrieb: >> Warum kommt bei schwabys Schaltung eine DC raus? > Weil die Dioden nicht schlagartig bei der Schwellspannung leitend > werden, sondern schon weite drunter. Es sit ein Gleichstrompfad da, also > kommt hinten auch was raus. Es sei denn das Poti steht auf Null, aber > dann gibt es auch keine Vorspannung. Habe es eben mit Krokoklemmen ausprobiert, tatsächlich, die kleinste Potiverstellung weg von 0V bringt Gleichstrom. Wenn man sich die IU-Kennlinie einer "normalen" Ge-Diode vor Augen hält, müsste man das Offset so einstellen, dass an der Anode ca. 300mV abfallen, um in einen halbwegs linearen Messbereich zu kommen? (wobei eine Schottky-D sicher besser wäre) > Es macht mehr Sinn, die HF zu verstärken (*10, *100, *1000) und ein > ausreichend starkes Signal gleichzurichten. Es gibt ja diese Transistor-Demodulatoren, in deinem TT-Audion ist auch so einer. Sowas in Emitterschaltung könnte vielleicht ebenfalls ganz brauchbar sein (eventuell noch ein FET davor zur Erhöhung von Ri).
> Es gibt ja diese Transistor-Demodulatoren Der kann nur AM demodulieren. Bei einem konstanten HF-Signal geht er nach kurzer Zeit zurück auf Ruhestellung. Schau mal auf diese Seite: http://www.agder.net/la8ak/m2.htm
B e r n d W. schrieb: >> Es gibt ja diese Transistor-Demodulatoren > Der kann nur AM demodulieren. Hätte gedacht, dass er auch als so eine Art vorgespannte Diode fungiert und damit Einweg-gleichrichtet (mit Offset) > Schau mal auf diese Seite: > http://www.agder.net/la8ak/m2.htm Das sieht ja recht interessant aus: http://www.agder.net/la8ak/images/2a12.gif Kannst du eventuell die .xls-Datei zu der Grafik "Filter2.gif" als Beispieldatei posten? Versuche mich grade am Open Office Calc...
> die .xls-Datei zu der Grafik "Filter2.gif" als Beispieldatei
Das ist die 3. Kurve. Die Anderen hatte ich nicht gespeichert.
Merci! B e r n d W. schrieb: > NE602 Oszillator, Double Balanced Mixer, Verstärker 17dB > Ideal als Produktdetektor geeignet, wird häufig benutzt > > M810 (IAM81008) 5 GHz Double Balanced Mixer/IF Amp 8dB > Vermutlich als Produktdetektor geeignet mit 2 optionalen Kondensatoren, > benötigt aber einen externen BFO, SO-8 Gehäuse Ein Produktdetektor ist ein Festfrequenz-Direktmischer, der auf der ZF schwingt, wenn ich das richtig sehe!?
http://www.mydarc.de/dh2mic/afu-kurs/pdffiles/modulation.pdf Eine gute Übersicht. Auf Seite 16 erscheint der Produktdetektor. ;-]
Winfried J. schrieb: > no no no > > falscher schluss > Auf Seite 16 erscheint der Produktdetektor. Für mich riecht das aber nach wie vor schwer nach Direktmischer! Auf jeden Fall interessantes PDF! Es zeigt auch noch mal schön den Unterschied zwischen USB und LSB!
Definitionsversuch: Ein Produktdetektor ist ein Mischer, dem zwei Signale zugeführt werden, ZF und BFO. Schwingt der BFO auf der richtigen Frequenz, wird das ursprüngliche NF-Signal wieder hergestellt. @Winfried Umgekehrt gibt es aber DC-Receiver, die speziell für 9 oder 10.7 MHz lieferbar sind zum Zweck der Demodulation und zur Anzeige eines kleinen Frequenzabschnitts als Wasserfall-Spektrum.
B e r n d W. schrieb: > Definitionsversuch: > Ein Produktdetektor ist ein Mischer, dem zwei Signale zugeführt werden, > ZF und BFO. Schwingt der BFO auf der richtigen Frequenz, wird das > ursprüngliche NF-Signal wieder hergestellt. Für LSB/USB dann auf der jeweiligen Trägerfrequenz. Das mit dem Produktdetektor klingt doch gut und ist auf Dauer sicher besser als ein Audiondetektor. Ich vermute, dass am Ausgang des Produktdetektors ein Tiefpass angebracht sein sollte (für ca. 3kHz). Frage: wenn ich zu meinem Ladderfilter einen passenden Produktdetektor für LSB und USB aufbauen will, brauche ich ja zwei Oszillatorfrequenzen. Könnte man diese mit "frequenzgezogenen" 3,579545-Quarzen aufbauen (also ein Oszillator, bei dem jeweils zwischen zwei Quarzen mit "Ziehgliedern" umgeschaltet wird)? Das Filter ist ca. 2,4Khz breit, also müsste das eine Quarz mit Cs ca. 1,2kHz unterhalb der Mittenfrequenz des Filters schwingen und das zweite Quarz mit Ls um den selben Betrag oberhalb. Ist letzteres überhaupt praktikabel? Dann noch eine andere Frage: eigentlich müsste sich mit den verbleibenden Quarzen ein zweites, schmales Ladderfilter für CW aufbauen lassen, wenn ich das richtig sehe?! :-)
> Ich vermute, dass am Ausgang des Produktdetektors ein Tiefpass > angebracht sein sollte (für ca. 3kHz) Ja, das entfernt die Summe (7MHz) und bei einer Grenzfrequenz von 3kHz entfernt es störendes Rauschen. > Filter ist ca. 2,4Khz breit, also müsste das eine Quarz mit > Cs ca. 1,2kHz unterhalb der Mittenfrequenz des Filters schwingen 1,2kHz unterhalb/oberhalb der Mittenfrequenz befindet sich der Rand der Durchlasskurve. Der BFO muß nochmal mit 200-300Hz Abstand vom Durchlassbereich des Filters schwingen. Das kommt dann auf die Klangvorlieben an, ist also Geschacksache. Das sind dann 1,4 - 1,5 Khz von der Mitte. Soll der BFO oberhalb schwingen, also für LSB, muß Cz relativ klein sein ~10pF. Unterhalb für USB wird die tiefste Frequenz mit Quarz direkt auf GND erreicht. Schwingt er dann noch zu hoch, kann eine Drossel 10-20µH in Reihe probiert werden. >ein zweites, schmales Ladderfilter für CW Ja, das CW-Filter funktioniert sogar besser, es sollten 4-5 Quarze reichen. Simulier mal mit Kondensatoren von 120 und 150pF. Leider wird der Innenwiderstand zwischen 50 und 100 Ohm liegen. Die Impedanzanpassung ist bei CW nicht so kritisch.
Hallo Bernd, Danke für die Skizze! B e r n d W. schrieb: > Leider wird > der Innenwiderstand zwischen 50 und 100 Ohm liegen. Warum? Wegen der größeren Cs? > Der BFO muß nochmal mit 200-300Hz Abstand vom > Durchlassbereich des Filters schwingen. Das kommt dann auf die > Klangvorlieben an, ist also Geschacksache. Das sind dann 1,4 - 1,5 Khz > von der Mitte. Das muss man also ausprobieren... Wenn ich es richtig verstehe, muss der BFO für den Produktdetektor nur ein mal abgestimmt werden, braucht also keine Potis nach "außen"!? Gilt das auch für dessen Amplitude? Wie schaltet man praktischerweise zwischen dem SSB- und dem CW-Ladderfilter um? Ein- und Ausgänge der Filter sind ja ca. 10cm voneinander entfernt (und das ist ja auch gut so! ;-))
Ps: was passiert eigentlich, wenn die Mittenfrequenz zwischen CW- und SSB-Filter leich abweicht? Ich nehme an, das macht nichts, weil man es über den VFO vom Mischer ausgleichen kann. Nur die Mittenfrequenz vom SSB-Filter muss in der Mitte zw. den beiden USB/LSB-BFO-Frequenzen liegen, stimmts!? ;-)
> wenn die Mittenfrequenz zwischen CW- und SSB-Filter leich abweicht?
Die wird stark abweichen. Die Filter sind normalerweise automatisch
linksbündig angeordnet. Die linken Filterflanken berühren sich.
Bei einer Bandbreite von 600Hz liegt die Mitte des CW-Filters 600Hz vom
BFO entfernt. Dann hört es sich gut an. Jetzt kann die Empfangsfrequenz
ohne große Lautstärkeänderung noch um +- 100 Hz verstellt werden. Ich
persönlich empfinde 700Hz als angenehmer.
Falls das so nicht passt, kann man das CW-Filter noch ziehen. Dazu
benötigt jeder Quarz einen Serienkondensator.
>> Innenwiderstand zwischen 50 und 100 Ohm > Warum? Wegen der größeren Cs? Ja. > der BFO nur ein mal abgestimmt werden, > braucht also keine Potis nach "außen"!? Der BFO wird einmalig fest eingestellt, kleine Anpassungen der Tonhöhe geschehen über die Empfangsfrequenz. > Gilt das auch für dessen Amplitude? Nein, es wird z.B. ein NE602 verwendet, dabei ist die Amplitude des Oszillators fest vorgegeben. Von Außen würde man 300mV in Pin6 einspeisen. > Wie schaltet man praktischerweise zwischen dem SSB- und dem > CW-Ladderfilter um? Am Besten geht das über ein Relais mit 2xUm Kontakten. Die unbenutzte Seite sollte an wenigstens einer Stelle auf GND gelegt werden. Es geht auch ein manueller Schalter 2xUm oder mit Schaltdioden.
So würde erst mal mein Vorschalg aussehen. Beide Filter laufen parallel an den Ausgängen des NE602. Nach dem Filter wird eine Seite auf den 15dB Verstärker geschaltet, die andere auf GND gelegt. Damit sollte es kein Übersprechen geben. Das niederohmige CW-Filter wird mit einer Kollektorschaltung angepasst, das SSB-Filter mit einem Schwingkreis, aber auf diese Weise sind die Pegel der beiden Signalpfade zumindest in der Simulation identisch. Falls später mal ein S-Meter dran soll, wäre diese ein schöner Nebeneffekt.
Hallo Bernd! B e r n d W. schrieb: >> Wie schaltet man praktischerweise zwischen dem SSB- und dem >> CW-Ladderfilter um? > Am Besten geht das über ein Relais mit 2xUm Kontakten. Die unbenutzte > Seite sollte an wenigstens einer Stelle auf GND gelegt werden. Es geht > auch ein manueller Schalter 2xUm oder mit Schaltdioden. Schaltdioden müsste ich sogar vorrätig haben. Muss mal die Typenbezeichnung raussuchen. > So würde erst mal mein Vorschalg aussehen. Beide Filter laufen parallel > an den Ausgängen des NE602. Nach dem Filter wird eine Seite auf den 15dB > Verstärker geschaltet, die andere auf GND gelegt. Damit sollte es kein > Übersprechen geben. Sieht sehr gut aus! :-) > Das niederohmige CW-Filter wird mit einer Kollektorschaltung angepasst, > das SSB-Filter mit einem Schwingkreis, aber auf diese Weise sind die > Pegel der beiden Signalpfade zumindest in der Simulation identisch. > Falls später mal ein S-Meter dran soll, wäre diese ein schöner > Nebeneffekt. Das S-Meter hinter E von Q1? Wie die Spule den Pegel anpasst, verstehe ich noch nicht so richtig. Arbeitet sie als XL (also der Wechselstrom-R bei ZF als Anpass-R)? Den Schwingkreis sehe ich auch nicht so richtig, der Spule folgen zwei Cs, einer gegen Masse => Serienschwingkreis/Saugkreis!? Bin grade dabei, eine Art Platinenlayout zu erstellen (also welche Teile wo auf der Cu-Fläche untergebracht werden). Irgendwie hatte ich es so verstanden, dass man die beiden Vorfilterausgänge fest am Eingang vom NE602 installiert lassen kann und nur die Antenne zwischen den beiden Eingängen umschaltet, wobei der jeweils nicht benutzte Filtereingang auf Masse gelegt wird. Dann hat man aber das Problem, dass die ausgangsseitigen Ls und Cs von den beiden Vorfiltern parallel liegen...
> Das S-Meter hinter E von Q1? Das S-Meter-Signal wird bei einfachen Empfängern meist aus der AGC gewonnen. > ich hatte es so verstanden, dass die beiden Vorfilter- > ausgänge fest am Eingang vom NE602 installiert bleiben > Dann hat man aber das Problem, dass die ausgangsseitigen Ls und Cs von > den beiden Vorfiltern parallel liegen... Der NE602 hat 2 Differenzeingänge und 2 Differenzausgänge, die sich nur wenig gegenseitig beeinflussen. Wird ein Eingang nicht benutzt, soll er mit einem C auf GND gelegt werden. Für die Eingangsfrequenz liegt jeweils der andere Eingang über den Schwingkreis auf GND. Weil jedoch die unbenutzte Seite auf der Spiegelfrequenz liegt, könnte das Rauschsignal des 1,5k Filter-Innenwiderstandes mit auf die ZF gemischt werden. Da aber das Nutzsignal durch das Vorfilter schon ca. 10dB angehoben wird, macht sich dieses Rauschen vermutlich nicht bemerkbar. Dies kannst Du nach dem Aufbau kontrollieren. Wenn der unbenutzte Eingang über einen C auf GND gelegt wird sollte das Nutzsignal nicht stärker und bei abgezogener Antenne das Rauschen kaum leiser werden. > Wie die Spule den Pegel anpasst L2 und C19 arbeiten aus der Sicht des NE602 in Serienresonanz. Der Strom ist in der Serienschaltung konstant, aber in der Mitte die Spannung höher. Man kann mit unterschiedlichen Bauteilpaaren die Resonanz bei der selben Frequenz erreichen: 68µ und 18pF, XL=Xc=1,5k 82µ und 15pF, XL=Xc=1,8k 100µ und 12pF, XL=Xc=2,2k ... Jede dieser Kombinationen transformiert die 1,5k des NE602 auf einen anderen Ausgangswiderstand für das Filter. Ich habe die Kombination mit der geringsten Welligkeit im Simulator verwendet. Die Resonanz wird auf beiden Seiten stark bedämpft und ist dadurch sehr breitbandig. > auch ein manueller Schalter 2xUm oder mit Schaltdioden. > Schaltdioden müsste ich sogar vorrätig haben Es sollte immer mit zwei Elementen geschaltet werde: Eines unterbricht, das zweite legt auf GND. Eines alleine schafft 30-50 dB. Die Frequenz hat da einen großen Einfluß und bei dir liegt die ZF nicht so hoch. Eventuell kannst Du Dich mal umschauen, wie das bei ähnlichen Receivern gemacht wird. Jeder hat da ein anderes Konzept.
B e r n d W. schrieb: >> Das S-Meter hinter E von Q1? > Das S-Meter-Signal wird bei einfachen Empfängern meist aus der AGC > gewonnen. Sofern vorhanden ;-) > Der NE602 hat 2 Differenzeingänge und 2 Differenzausgänge, die sich nur > wenig gegenseitig beeinflussen. Wird ein Eingang nicht benutzt, soll er > mit einem C auf GND gelegt werden. Für die Eingangsfrequenz liegt > jeweils der andere Eingang über den Schwingkreis auf GND. Ansich eine kluge Idee! Rein irrational würde ich aber doch lieber etwas zum beidseitigen Umschalten verwenden. Ich überlege, einfach mehrere 2x-Umschalter zu verwenden, jeweils einen an den filtereingängen und einen an den Filterausgängen. Man muss dann zwar immer "doppelt" umschalten, aber dafür ist die Lösung einfach und effektiv. >> auch ein manueller Schalter 2xUm oder mit Schaltdioden. >> Schaltdioden müsste ich sogar vorrätig haben > Es sollte immer mit zwei Elementen geschaltet werde: Eines unterbricht, > das zweite legt auf GND. Dieses Konzept ist auf jeden Fall sehr vertrauenserweckend! HF "fließt" ja gerne mal über die Platine, wie ich mittlerweile gemerkt habe. Habe noch BA479G PIN-Dioden. Lt. Datenblatt geeignet für 10MHz bis 100MHz. Bei 100MHz haben sie wohl 50R (und unter 100MHz wahrscheinlich einen entsprechend größeren R). Was ich im Datenblatt nicht verstehe, ist, ob es eine Minimalspannung gibt, die diese Dioden benötigen, um voll durchzuschalten. >> Wie die Spule den Pegel anpasst > L2 und C19 arbeiten aus der Sicht des NE602 in Serienresonanz. Der Strom > ist in der Serienschaltung konstant, aber in der Mitte die Spannung > höher. Wo liegt denn dann der Vorteil gegenüber einem rein ohmschen Widerstand? Werde am WE das CW-Filter aufbauen und durchmessen. Mir kam noch die Idee, das CW-Filter einfach hinter das SSB-Filter zu schalten. Wenn nur das SSB-Filter aktiv sein soll, wird das CW-Filter einfach mit einem Schalter überbrückt. Die Frage ist nur, ob die Eigendämpfung in der Praxis dann nicht zu groß wird. Was hältst du von der Idee? Viele Grüße
> Habe noch BA479G PIN-Dioden. Was ich im Datenblatt nicht > verstehe, ist, ob es eine Minimalspannung gibt, die diese > Dioden benötigen, um voll durchzuschalten. Es muß ein Strom in Durchlassrichtung fließen. Wenn Du 10 mV an 50 Ohm als maximales Signal erwartest, dann I = U / R = 0.01 / 50 = 2mA >>> Wie die Spule den Pegel anpasst >> L2 und C19 arbeiten aus der Sicht des NE602 in Serienresonanz. > Wo liegt denn der Vorteil gegenüber einem rein ohmschen Widerstand? Der Schwingkreis transformiert, der Widerstand vernichtet Energie (6dB). > Werde am WE das CW-Filter aufbauen und durchmessen. Viel Spass, das ist die Kür. >> das CW-Filter einfach hinter das SSB-Filter zu schalten. > Was hältst du von der Idee? Finde ich nicht so gut. Du müßtest die Filter auch aneinander anpassen. Quarzfilter klingeln gerne. Das kann soweit gehen, daß die Erkennung von CW Signalen schwierig wird. Also nicht unnötig viele Quarze hinereinander.
B e r n d W. schrieb: >> Werde am WE das CW-Filter aufbauen und durchmessen. > Viel Spass, das ist die Kür. Habe das CW-Filter mittlerweile Pi mal Daumen vermessen, es dürfte so um die 500Hz breit sein. Heute ist der AD9850 eingetroffen. Wenn ich ihn aktiviert bekommen habe, wird das Filter noch mal sauber vermessen (das SSB-Filter auch). Habe dazu diesen Beitrag angeleiert: Beitrag "AD9850-Modul mit AtMega steuern" Bisher aber ohne Resonanz. Wie steuerst du den AD9850/51 an? > Quarzfilter klingeln gerne. Hatte ich schon irgendwo gelesen. Wie auch immer das Klingeln in der Praxis klingen mag, es klingt nicht gut! ;-) Ach so, habe ein paar T80-2 Ringkerne besorgt (1MHz - 30MHz). Frage mich, ob man mit zwei Kernen von dieser Sorte einen großsignalfesten Mischer aufbauen kann (einen Dioden-Ringmischer). Kann man ungefähr sagen, welche(n) Strom/Spannung (Leistung) so ein Ringmischer benötigt? Für den Produktdetektor würde ich weiterhin einen SA602 einsetzen, hier (hinter dem Ladderfilter) spielt die Großsignalfestigkeit ja vermutlich keine Rolle mehr!?
Hallo, KLS schrieb: > Heute ist der AD9850 eingetroffen. Wenn ich ihn aktiviert bekommen habe, > wird das Filter noch mal sauber vermessen (das SSB-Filter auch). > > Habe dazu diesen Beitrag angeleiert: > Beitrag "AD9850-Modul mit AtMega steuern" > Bisher aber ohne Resonanz. > > Wie steuerst du den AD9850/51 an? dann hast Du nicht im QRPForum nachgesehen, oder ? Im Beitrag Beitrag "Re: Ladderfilter berechnen und bauen" hatte ich auf das Forum verwiesen und wenn dort etwas vom AD9834 steht, sollte man auch die Idee habe AD9851 ein zu geben ? http://www.qrpforum.de/index.php?page=Thread&threadID=6954 Sonst hilft Dir nur das Datenblatt zu lesen und die paar Routinen selbst zu schreiben. Mein Vorschlag ist ja weiterhin ein Frontend für die Nutzung der FA-NWT Software zu benutzen. http://www.dl4jal.eu/hfm9.htm Das Frontend für den Analog Device DDS, ich nenne sie Firmware, verhält sich dann als FA-NWT Generator ! Mit ein AD8307 als log. Detektor hat man dann einen kleinen FA-NWT ! http://www.rtk-service.de/shop/sg_Leiterplatten.htm?ID=2169 http://www.rtk-service.de/shop/sg_Bausatz.htm?ID=2177 http://www.rtk-service.de/shop/sg_Bausatz.htm?ID=2176 Edit1: Bei deinem AD9850 muss warheinlich noch ein anderes TP rein und eine Ausgangstreiber AD8000/ AD8008 eingebaut werden. Man sollte einen Ausganspegel von +4dBm - +10dBm anstreben.
> ein paar T80-2 Ringkerne besorgt (1MHz - 30MHz). > ob man mit zwei Kernen von dieser Sorte einen > großsignalfesten Dioden-Ringmischer aufbauen kann? Ja klar, das geht gut. Nur die T80-Kerne, sind die nicht schon ein bisschen groß? Ich hätte eher zu einem T37 tendiert. Als einfache Diode könnte ich die Schottkydiode BAT41 empfehlen, sehr robust, hält 100V aus und hat doch eine relativ geringe Sperrschicht-Kapazität. > wieviel Signal so ein Ringmischer benötigt? Dioden-Ringmischer benötigen in der Regel ein Oszillatorsignal in der Größenordnung ihrer IP3-Festigkeit. Ein 7dbm Mischer benötigt also auch ungefähr 7dBm. Dies entspricht den typischen einfachen Mischern wie: IE500 usw. Die 7dBm entsprechen 0.5 Volt eff. Obwohl 7dBm Mischer noch lange nicht das Ende der Fahnenstange bedeuten, sind sie schon um Längen großsignalfester als die NE602. Weiter verbessern kann man den Mischer durch eine Reihenschaltung von jeweils 2 Dioden. Dann werden 14dBm an Oszillatorsignal fällig, was dann 25mW oder 1.2 Volt eff. entspricht. Dir ist schon klar, daß Du damit noch ein paar weitere Baustellen aufmachst: - Du benötigst einen ebenso großsignalfesten Vorverstärker, der den Mischer von der Antenne isoliert. Die Oszillator- frequenz muß von der Antenne ferngehalten werden. - Der Mischer muß von allen 3 Seiten breitbandig mit 50 Ohm abgeschlossen werden. - Zwischen Mischer und Quarzfilter wird ein Diplexer notwendig - Das Quarzfilter will am Eingang auch eine korrekte Impedanz im Durchlassbereich "sehen". Dadurch müssen die 50 Ohm des Mixers auf die 2k des Filters gebracht werden.
Wenn man das liest, wundert man sich warum die ganzen UKW-Radios mit Gilbert-Varianten überhaupt funzen können. Und erst die ganzen Handies! Alles ohne Ringmischer!! Ob da die Antenne nicht einfach zu fett ist?
> Ob da die Antenne nicht einfach zu fett ist? EA3JE to USA: http://www.youtube.com/watch?v=v3cEz6IOnAQ#! Falls also Joe dir in ganz Europa die Ohren wegbrüllt, möchtest Du vielleicht auch den Japaner hören, mit dem er gerade kommuniziert. Ohne gute Antenne überm lokalen Störnebel geht das normalerweise nicht. Diese Antenne erfordert dann aber einen großsignalfesten Empfänger. Es nützt auch nichts, nur den Mischer zu verbessern, der Empfänger ist nur so gut, wie das schwächste Glied in seiner Kette. Oder wer A sagt muß auch B sagen! Der NE602 wäre empfindlich genug, den Japaner zu hören, aber er könnte die Summe der restlichen anliegenden Signale nicht verkraften. Handies dagegen müssen bei Weitem nicht diesen Dynamikumfang verkraften. Die Gegenstation ist meist in Sichtweite, es wird auf die letzten 20dB der theoretisch möglichen Verstärkung verzichtet, auch aus Kostengründen. Alle relevanten Signale sind in etwa gleich stark.
B e r n d W. schrieb: > Diese wären IMHO eher als Frontend geeignet, da ja erst ein Mischer > angeordnet ist und dann die ZF, dann ein AM-Demodulator mit AGC. Der > TCA440 wurde immer gerne für AFU-Zwecke benutzt, es sollten also > genügend Schaltungsvorschläge existieren. Man müßte die AGC verwenden, > aber die ZF zu Weiterverarbeitung vor dem Demodulator auskoppeln. Wobei TDA1572 und Konsorten meistens nur für eine ZF von 455KHz ausgelegt sind. Vorne will man normalerweise eine möglichst hohe ZF zur Spiegelfrequenzunterdrückung. Aus dieser Perspektive gesehen macht ihre Anwendung als Back-End hinter der ersten ZF für einen Doppelsuper schon Sinn. (ich interpretiere dabei die Begriffe Front-End und Back-End so, dass das Front-End die Eingangsseite/Antennenseite des Empfängers ist) Die Nachteile dabei hat Bernd ja schon genannt.
B e r n d W. schrieb: >> Ob da die Antenne nicht einfach zu fett ist? > > EA3JE to USA: > http://www.youtube.com/watch?v=v3cEz6IOnAQ#! Habe ich mir nicht angetan. Aber ich denke ich kenne seine Antennenanlage. > Handies dagegen müssen bei Weitem nicht diesen Dynamikumfang verkraften. > Die Gegenstation ist meist in Sichtweite, es wird auf die letzten 20dB > der theoretisch möglichen Verstärkung verzichtet, auch aus > Kostengründen. Alle relevanten Signale sind in etwa gleich stark. Ja, hier liegt genau die Lösung! Die allermeisten Amateurfunker verstehen das aber nicht.
Abdul K. schrieb: > Ja, hier liegt genau die Lösung! Die allermeisten Amateurfunker > > verstehen das aber nicht. Es werden aber immer mehr. Und die heute erhältlichen Kurzwellentransceiver sind was den Empfänger betrifft, um Welten besser, als vor 30 Jahren. Insbesonders im intermodulationsfreien Dynamikbereich. Ralph Berres
Ein Direktsampler wenn der Frequenzbereich paßt. Eigentlich müßte er ja mittlerweile immer passen, denn in dem Bereich in dem es dafür noch keine Chips gibt, gilt ja optischer Horizont. Oder die Mischer-Schaltungen von Chris Trask. Halte ich momentan für den richtigen Weg.
B e r n d W. schrieb: > Ja klar, das geht gut. Nur die T80-Kerne, sind die nicht schon ein > bisschen groß? Ich hätte eher zu einem T37 tendiert. Als einfache Diode > könnte ich die Schottkydiode BAT41 empfehlen, sehr robust, hält 100V aus > und hat doch eine relativ geringe Sperrschicht-Kapazität. Hallo, es geht, sie sind von der Größe noch relativ handzahm. ;-) Alternativ hätte ich noch solche elliptisch geformten Doppelloch-Ringkerne. T37 wird auf jeden Fall bei der nächsten Elektronikbestellung geordert. Geht auch BAT43? > Obwohl 7dBm Mischer noch lange nicht das Ende der Fahnenstange bedeuten, > sind sie schon um Längen großsignalfester als die NE602. Weiter > verbessern kann man den Mischer durch eine Reihenschaltung von jeweils 2 > Dioden. Dann werden 14dBm an Oszillatorsignal fällig, was dann 25mW oder > 1.2 Volt eff. entspricht. Kann man statt der beiden seriellen BAT41 auch eine 1N4148 verwenden? Oder hat sie eine zu hohe Eigenkapazität? > Dir ist schon klar, > daß Du damit noch ein paar weitere Baustellen aufmachst: Das ist mir klar! > - Du benötigst einen ebenso großsignalfesten Vorverstärker, > der den Mischer von der Antenne isoliert. Die Oszillator- > frequenz muß von der Antenne ferngehalten werden. FET in Gain-Schaltung? > - Der Mischer muß von allen 3 Seiten > breitbandig mit 50 Ohm abgeschlossen werden. Also HF in, LO in und ZF out?! > - Zwischen Mischer und Quarzfilter wird ein Diplexer notwendig Was schaltet der Diplexer an dieser Stelle? > - Das Quarzfilter will am Eingang auch eine korrekte Impedanz im > Durchlassbereich "sehen". Dadurch müssen die 50 Ohm des Mixers > auf die 2k des Filters gebracht werden. Könnte man ja mit einem Balun transformieren... > Falls also Joe dir in ganz Europa die Ohren wegbrüllt, möchtest Du > vielleicht auch den Japaner hören, mit dem er gerade kommuniziert. Ohne > gute Antenne überm lokalen Störnebel geht das normalerweise nicht. Diese > Antenne erfordert dann aber einen großsignalfesten Empfänger. Nicht nur der. Mein Weltempfänger ist eigentlich ein schönes Empfangsgerät, an eine Loop angeschlossen bringt er prima Ergebnisse auf allen AFU-Bändern... solange niemand besonders "laut" sendet. Wenn doch, liegt das halbe Band lahm. Deshalb kam mir auch die Idee mit dem großsignalfesten Mischer. Dann hätte ich einen Empfänger, der dem Weltempfänger darin überlegen ist. Und man will sich ja schließlich verbessern! :-) Abdul K. schrieb: > Oder die > Mischer-Schaltungen von Chris Trask. Habe ich mal gegoogelt und auch allerlei Schaltpläne unter dem Namen gefunden. Kann man mit knappen Worten erklären, was das besondere daran ist und wie es funktioniert? Wenn alles klappt, bekomme ich übers WE den HF-Generator mit AD9850 fertig. Damit müsste man ja eigentlich auch den LO für die grade angeführte Schaltung "simulieren" können... :-)
> Geht auch BAT43? Die geht auch, aber die Bat41 ist ein bisschen besser. Die Sperrschichtkapazität der BAT43 bei -0.5 Volt ist schon recht hoch. Die normalen Dioden benötigen gegenüber den Schottkys ein doppelt so großes Oszillatorsignal. Bat43 15 pF 5 ns Bat41 3.5 pF 5 ns Bat17 0.6 pF 1 GHz HSMS2865 0.3 pF 5 Ghz 1N4148 1.5 pF 4 ns 1N4150 1.5 pF 2.5ns > FET in Gain-Schaltung? Falls Du Gateschaltung meinst, die hat einen niedrigen Eingangswiderstand und eine schlechte Entkopplung von der Antenne. Bei der Drainschaltung hättest Du eine kostenlose Verstärkung durch die hochohmige Ankopplung ans Vorfilter, einen niederohmigen Ausgang zum Mischer und eine gute Rückwärtsdämpfung. > Was schaltet der Diplexer an dieser Stelle? http://www.qsl.net/va3iul/Homebrew_RF_Circuit_Design_Ideas/Receiver_HF_SSB_CW_Superheterodine.gif Der Diplexer läßt hier nur die ZF (1.5MHz) auf die folgende Stufe durch. Trotzdem muß der Mischer breitbandig 50 Ohm Last am Ausgang "sehen". Die einfachste Schaltung besteht aus einem 51 Ohm Widerstand und einem darauffolgenden JFet. Dann bekommt der Jfet aber zusätzlich ein Gemisch aus unerwünschten Frequenzen ab. Das Signal ist vor dem Quarzfilter noch recht breitbandig, denn es wird das komplette 40m-Band und eine Teil des 41m BC-Bands runtergemischt und es entsteht leicht Kreuzmodulation. Besser wäre es, nach dem Diplexer eine Anpassung für beide Filter zu finden und erst hinterher verstärken. > kam mir auch die Idee mit dem großsignalfesten Mischer Jemand hat hier mal gesagt: Nach dem Empfänger ist vor dem Empfänger. An Deiner Stelle würde ich die Schaltung mit den zwei NE602 zu Ende bringen. Meist ist es so, wenn der HF-Regler nur 6dB zurückgedreht wird, ist der Empfang sauber. Nachdem der Superhet funktioniert, weißt Du schon, was Du später besser machen würdest. Was dich später stört, ist möglicherweise was anderes, als Du jetzt befürchtest. > Wenn doch, liegt das halbe Band lahm. Das hört sich für mich eher nach mangelnder Selektivität des ZF-Filters an.
KLS schrieb: > Abdul K. schrieb: >> Oder die >> Mischer-Schaltungen von Chris Trask. > > Habe ich mal gegoogelt und auch allerlei Schaltpläne unter dem Namen > gefunden. > Kann man mit knappen Worten erklären, was das besondere daran ist und > wie es funktioniert? > Das besondere, hm, er checkte die offenen Technikquellen grundlegend auf Verbesserungspotential durch Kombination verschiedener Ideen, hat das nachvollziehbar veröffentlicht und teils auch praktisch aufgebaut und sogar für einige Sachen als quasi Bauanleitung veröffentlicht. Du weißt also auf was du dich einläßt. Seine Lösungen sind grundsätzlich praktisch orientiert, und auf das Minimum reduziert um eine bestimmte Leistungsklasse zu erreichen. Was nützt dir ein tolles z.B. Agilent-Patent, wenn es nur als Patent dokumentiert ist? Ist es nutzbar, welche Parameter muß man drehen, sind kaufbare Bauelemente gemeint, wofür ist es genau, fehlen entscheidende kritische Punkte im Patent? Wenn du kommerziell orientiert, darfst es dann sowieso nicht ohne Lizenz einsetzen! Warum er so wenig zitiert/referenziert wird, weiß ich nicht. Ist vielleicht eher ein 'Facebook-Problem'. Im Gegensatz zu Agilent kann man ihm auch mailen. Ich habe sehr viel über Mixer gelesen. Also wenn dir ein SA602 nicht reicht und du auch nicht mit einem passiven Ringmischer glücklich bist, dann sind die Varianten vom Trask ein guter Mittelweg. Rubiola sowie NIST sind auch noch gute Quellen in eher akademischer Richtung. Grundlegend entscheidend sind einfach: - Aufwand/Kosten - Frequenzbereich - Größe Mit den drei Kriterien findet sich recht leicht die ideale Struktur. Fürs Kurzwellenband ist sein simpler <recht aktueller> Schaltmischer sehr interessant. Und nicht so aufwändig wie seine Gilbert-Varianten. Die sehe ich eher in höheren Frequenzbereichen angesiedelt. Da wo es keine geeigneten Schalter momentan zu kaufen gibt. Drunter und mit mehr Aufwand die Direksampler (als ADC mit einem Kanal). Weniger Aufwand und eher PC orientiert gibts noch die IQ (hoher Frequenzbereich) bzw. Tayloe-Mixer (niedriger Frequenzbereich). Ringmischer würde ich eher für den Bereich ab mehrere 100MHz ansiedeln. Die sind sozusagen am Aussterben. Nicht zu vergessen, ist auch der Aufwand der Diplexer. Da kommt der Ringmischer ganz schlecht weg. Die anderen Technologien sind da weit toleranter! In gewisser Hinsicht ist der olle SA602 eine kleine eierlegende Wollmilchsau. Er wird nur zu oft schlechtgemacht bzw. mangels Wissen an der falschen Baustelle eingesetzt. Achja, endlos kann man dazu schreiben.
Hallo Abdul Falls man ohne Quadratur nur mischen möchte, sollte selbst ein 74HC4066 noch gut geeignet sein. Welche Möglichkeiten gibt es als Übergang/Anpassung vom Schaltmischer zu den beiden Quarzfiltern. Das CW-Filter hat eine Impedanz von 450 Ohm und das SSB ca. 2,5k. Die herkömmliche Technik der Schaltmischer geht direkt auf ein RC-Glied/Tiefpass. Eventuell geht es mit einen JFet in Gateschaltung, mit dem Drain hochohmig aufs SSB-Filter und mit einem Sourcefolger aufs CW. @KLS Andere Möglichkeit, schau Dir mal den zweiten Mischer an: http://www.agder.net/la8ak/12345/n16.htm Möglicherweise könnte man mit 3 Wicklungen des Ausgangsübertragers auf 450 Ohm kommen.
Ich danke Euch für die Postings! B e r n d W. schrieb: > Die > normalen Dioden benötigen gegenüber den Schottkys ein doppelt so großes > Oszillatorsignal. Wird es dadurch auch doppelt so großsignalfest? Werde die Tage einen Gurt BAT41 ans Lager legen. > 1N4148 1.5 pF 4 ns > 1N4150 1.5 pF 2.5ns Rein von der Kapazität und der Schaltzeit her sind die ja auch nicht sooo schlecht :-) >> FET in Gain-Schaltung? > Falls Du Gateschaltung meinst, die hat einen niedrigen > Eingangswiderstand und eine schlechte Entkopplung von der Antenne. Selbstverständlich! Ich meine natürlich die Gate-Schaltung! Dachte immer, sie würde Eingang und Ausgang exzellent entkoppeln, deshalb auch der Einsatz im TT-Audion als Vorstufe. >> Was schaltet der Diplexer an dieser Stelle? > http://www.qsl.net/va3iul/Homebrew_RF_Circuit_Desi... Interessanter Schaltplan! So ein Diplexer scheint nicht unbedingt zu den einfachsten Bausstufen zu gehören... >> kam mir auch die Idee mit dem großsignalfesten Mischer > Jemand hat hier mal gesagt: Nach dem Empfänger ist vor dem Empfänger. An > Deiner Stelle würde ich die Schaltung mit den zwei NE602 zu Ende > bringen. Meist ist es so, wenn der HF-Regler nur 6dB zurückgedreht wird, > ist der Empfang sauber. Das ist wohl wahr! Außerdem muss man (in dem Fall ich) bedenken, dass die Ladderfilter mit ihrer f im 80m-Band nicht wirklich optimal sind. Abdul K. schrieb: > Fürs Kurzwellenband ist sein simpler <recht aktueller> Schaltmischer > sehr interessant. So etwas findet man oft mit einem 4066 realisiert im Netz. Dieser Baustein muss ganz schön flink sein. Bei welcher f liegt ungefähr die Grenze für diesen Baustein als Schaltmischer, falls das hier jemand weiß? > Das besondere, hm, er checkte die offenen Technikquellen grundlegend auf > Verbesserungspotential durch Kombination verschiedener Ideen, hat das > nachvollziehbar veröffentlicht und teils auch praktisch aufgebaut und > sogar für einige Sachen als quasi Bauanleitung veröffentlicht. Du weißt > also auf was du dich einläßt. Seine Lösungen sind grundsätzlich > praktisch orientiert, und auf das Minimum reduziert um eine bestimmte > Leistungsklasse zu erreichen. Hier ist schon mal seine HP: http://home.earthlink.net/~christrask/ Beziehst du dich mit dem Geschriebenen auf sein PDF http://home.earthlink.net/~christrask/Mixer%20Diplexers.pdf ? > Welche Möglichkeiten gibt es als > Übergang/Anpassung vom Schaltmischer zu den beiden Quarzfiltern. Das > CW-Filter hat eine Impedanz von 450 Ohm und das SSB ca. 2,5k. Welche Nachteile würden sich ergeben, wenn man das CW-Filter ebenfalls hochohmiger abschließen würde? Viele Grüße!
> Rein von der Kapazität und der Schaltzeit her sind die > ja auch nicht sooo schlecht :-) Die 1N4148 ist wahrscheinlich beim 1dB Kompressionspunkt besser, ähnlich wie zwei in Reihe geschaltete Schottkys. Bei den Schottkys halbiert sich aber durch die Reihenschaltung die Kapazität. Die Schperrschicht-Kapazität bewirkt ein Übersprechen zu einem Zeitpunkt, wenn die Diode eigentlich sperren soll. >> Die Gateschaltung hat einen niedrigen Eingangswiderstand >> und eine schlechte Entkopplung von der Antenne. > Dachte immer, sie würde Eingang und Ausgang exzellent entkoppeln, > deshalb auch der Einsatz im TT-Audion als Vorstufe. Durch den hohen Sourcewiderstand gegen GND hat die Vorstufe des TTA einen sehr hohen Ausgangswiderstand (20-30 kOhm). Vorne geht der Übertrager mit 450 Ohm rein. Das Wirkt als Spannungteiler. Aber beim JFet mit Gate als Eingang wirkt nur die Gatekapazität zurück, vor allem bei niedrigen Frequenzen isoliert das sehr gut. > So ein Diplexer scheint nicht unbedingt zu den > einfachsten Bausstufen zu gehören... Die Bandbreiten der Schwingkreise müssen zueinander passen. Dann bleibt die Eingangsimpedanz linear. > die Ladderfilter mit 3.579MHz im 80m-Band nicht wirklich optimal Ob mit oder ohne NE602, das gibt ein schönes Gerät. Es ist aber nicht die Eierlegende... > So etwas findet man oft mit einem 4066 realisiert im Netz. > Bei welcher f liegt ungefähr die Grenze als Schaltmischer? Hier steht was über die Bandbreite des 74HC4066: http://www.qrpforum.de/index.php?page=Thread&threadID=4934 "Selbst ein 74HC4066 läßt sich einsetzen" > Welche Nachteile würden sich ergeben, wenn man das CW-Filter > ebenfalls hochohmiger abschließen würde? Welligkeit, möglicherweise 2 Peaks im Durchlassbereich. Das Filter wirkt wie eine Kurzschluß für die Stufe zuvor. Wenn die Leistung nicht ins Filter gelangt, dann kann hinten auch nichts rauskommen. Schlechtes Einschwingverhalten, dadurch werden die Morsezeichen verwaschen.
KLS schrieb: > Abdul K. schrieb: >> Fürs Kurzwellenband ist sein simpler <recht aktueller> Schaltmischer >> sehr interessant. > Ja. Vergleiche es mit den häufigen 4066 Vorschlägen und du siehst sofort, wo wirklich Fortschritt ist. > So etwas findet man oft mit einem 4066 realisiert im Netz. Dieser > Baustein muss ganz schön flink sein. > Bei welcher f liegt ungefähr die Grenze für diesen Baustein als > Schaltmischer, falls das hier jemand weiß? > Aus dem Kopf: 80MHz. Hängt aber auch von der Ansteuerung, Aufbau und Hersteller ab. 4066 hat sich spätestens mit dem Trask-Vorschlag eines Wechselschalters sowieso erledigt. > Beziehst du dich mit dem Geschriebenen auf sein PDF > http://home.earthlink.net/~christrask/Mixer%20Diplexers.pdf > ? > Ich kenne diesen Vorschlag (und lese sofort jede seiner neuen Ideen ;-) ) Ob das haltbar ist, weiß ich allerdings nicht. Das müßte ich zumindest mal simulieren. Wenn es wahr ist, dann ist auch wiederum dieser Vorschlag mal wieder meilenweit den 'normalen bauenden Amateurfunkern' voraus. Im Bereich Diplexer gibt es allerdings Patente in einer unübersichtlichen Zahl. Auch ich habe da schnell aufgegeben. Wie man schon vermuten kann, benutze ich keine Ringmischer sondern Gilberts in ihren Varianten (auch linear multiplizierend). Schaltmischer stehen noch aus. Ringmischer sehe ich eher im Bereich GHz und für Meßgeräte. Also da wo Preis und Leistungsverbrauch egal sind. Schön kann man auch in diesem Thread erkennen, daß die Beteiligten völlig unterschiedliche Schwerpunkte im Kenntnisstand zum Thema haben. Das sorgt dann in der Diskussion jedesmal für Krach - früher oder später. z.B. bleibe ich bei meinem Standpunkt, daß der SA602 eine eierlegende Wollmilchsau ist! Kein anderer Baustein hat solche Leistungsdaten, wenn man den eigenen Leistungsverbrauch in die Metrik einbezieht.
Hallo zusammen @ KLS > Ach so, habe ein paar T80-2 Ringkerne besorgt (1MHz - 30MHz). Frage > mich, ob man mit zwei Kernen von dieser Sorte einen großsignalfesten > Mischer aufbauen kann (einen Dioden-Ringmischer). Meines Wissens und meiner eigenen Erfahrung nach werden Diodenringmischer mit Ferritübertragern gebaut. Bei Minicircuits gibt es Mixer, die deutlich unter 50kHz anfangen. Nicht die Trickschaltung mit ZF und HF vertauscht! Das mit einem Eisenpulverkern? Würden wohl etwas groß werden. So ein Ding selbst zu bauen ist gar kein Problem. Beim trifilaren Übertrager muss man nur etwas bei der Beschaltung aufpassen. Versuch mal dein Glück mit FT43 oder FT61. Zur Not gehen auch ein paar Ferritperlen. (Hoffentlich liest Falk Brunner diesen Beitrag nicht. Ich hatte mit ihm schon mal eine heftige Diskussion über Leitungsübertrager.) Standardringmischer mit 2 Trafos und 4 Dioden laufen einfach. Da ist nichts schwieriges dran. Ca. +7dBm (5mW) als Oszillatorpegel, mehr braucht es nicht. Selbst die Diskussion über geeignete Dioden ist erstmal überflüssig. Auch ich würde immer Schottkydioden vorziehen aber ich selbst habe bei einem selbstgestrickten Teil mal gemessen!, daß irgendwelche japanische Si-Dioden besser waren als HP2800. Selbst ein Diodenquartett HP2805 bringt auf KW nichts. Wenn du mehr Pegel möchtest, mußt du die Struktur des Ringes ändern: 2 Dioden in Serie, zur Diode ein C-überbrücktes R in Serie und andere Möglichkeiten. Z.B. nachzulesen bei: E.T. Red :'Arbeitsbuch für den HF-Techniker', Franzis Dann brauchst du natürlich auch mehr Oszillatorpegel. Der Diplexer ist wichtig, zumindest auf der ZF-Seite. Da sind bei den IM3 10dB und mehr zu holen! @ Abdul >Ringmischer würde ich eher für den Bereich ab mehrere 100MHz ansiedeln. >Die sind sozusagen am Aussterben. Wie kommst du zu dieser Ansicht? Schau dir an was Minicircuits und Konsorten da alles anbieten. Die Bauformen werden kleiner und die Frequenzen immer weiter nach oben geschoben. Sonst nix. Bzgl. Chris Trask : Einfach nur ein genialer Mann. 73 Wilhelm
> Versuch mal dein Glück mit FT43 oder FT61. Zur Not gehen auch Doppellochkerne bis 4µH den BN61-2402 und ab 5µH einen BN43-2402. > Standardringmischer mit 2 Trafos und 4 Dioden laufen einfach. Full agree! Jeder sollte mal einen Diodenringmischer selbst gebaut haben. Ein Vorteil des Selbstbaus: 2-3 Anpasswicklungen können gleich mit auf den Übertrager gepackt werden. > Der Diplexer ist wichtig, zumindest auf der ZF-Seite. > Da sind bei den IM3 10dB und mehr zu holen! Das machen Analogschalter mit links. Jetzt gibt es Vorschläge für den ultimativen Mischer, aber die Schwachstelle Vorfilter mit 40dB Spiegelfrequenzunterdrückung kommt mir vor wie ein Mofa mit F1-Reifen.
Das liegt daran, daß die allermeisten 'Abhandlungen' einfach nur den Mischer als das größte Problem sehen. Vorfilter, Diplexer (bei aktiven Mischern größtenteils unnötig), Phasenrauschen/Jitter im LO bzw. der PLL werden einfach als ideal angesehen. Das mit dem Ringmischer sehe ich wie bei Röhren. Sie haben auch noch ihre Berechtigung, aber der Stückzahlbereich ist es nicht mehr. mini-circuits fing als Modulhersteller an und dabei blieben sie auch. Wenn z.B. einer im Physikbereich einen Mischer brauch, dann wird der hier seltenst vorbeikommen. Der kauft bei mc den passenden. Geld spielt für diese Leute keine große Rolle. Genauso Militär u.ä. Das ist deren lohnende Kundschaft. Man muß eben im Einzelfall das bestpassenste Bauelement auswählen. Hängt auch etwas von den persönlichen Vorlieben und Erfahrungen ab.
Naja die Mini Circuits Bauteile sind aber nicht all zu teuer. Ich verwende die auch gerne. Ralph Berres
Abdul K. schrieb: > Das liegt daran, daß die allermeisten 'Abhandlungen' einfach nur den > Mischer als das größte Problem sehen. Vorfilter, Diplexer (bei aktiven > Mischern größtenteils unnötig), Phasenrauschen/Jitter im LO bzw. der PLL > werden einfach als ideal angesehen. Stimmt so nicht, zumindest nicht in der AFU-Literatur, die ich so gelesen habe. Dort ist der LO knapp vor dem Mischer....
Ist halt meine persönliche Wahrnehmung. Die wird durch allerlei Dinge verzerrt. Googled doch einfach. Dort findet ihr viel haltbarere substantiellere Aussagen. Ich bin nur ein kleiner Wurm, der jeden Tag ängstlich aber notwendig aus seinem Loch guckt. Neue Blätter einsammelt.
Hallo zusammen. @ Bernd >> Der Diplexer ist wichtig, zumindest auf der ZF-Seite. >> Da sind bei den IM3 10dB und mehr zu holen! > Das machen Analogschalter mit links. So ein selbstgestrickter Mixer macht bei halbwegs manierlichen Pegeln (-20dBm bis -10dBm) einen 2-Ton IM3 Abstand von mindestens 30dB pro Ton. Wer gibt sich als Bastler mit 10dB IM3 Abstand zufrieden? >> Da sind bei den IM3 10dB und mehr zu holen! Zusätzlich!! Man kommt einfach in Regionen > 40dB. Allein das zu messen ist schon ein Problem. Ist das echt, was der Analyzer anzeigt, oder doch nur ein Schmutzprodukt...?? Ich hatte mich wohl nicht klar genug ausgedrückt. Einen Analogschalter habe ich noch nicht probiert. Ein Ringmischer war bis jeztz immer die einfachste Lösung. Bei den Analogschaltern stört mich immer dieses 4 * Fo. 73 Wilhelm
Ich bin der Meinung, daß man sich, wenn jier die Mischertypen diskutiert werden, man schon genaue Terminologie einhalten sollte. Da die Intermodulationsprodukte 3. Ordnung mit Faktor 3 ansteigen, im Verhältnis zum Anstieg der 2 Töne, ist hier eine Angabe des IP 3. Ordnung sinnvoll. Dieser wird aber nicht in dB, sondern in dBm angegeben, bei einem definierten Abstand der 2 Töne.
Wilhelm; DK4TJ schrieb: >>> Da sind bei den IM3 10dB und mehr zu holen! > > Zusätzlich!! Man kommt einfach in Regionen > 40dB. Allein das zu messen > > ist schon ein Problem. Ist das echt, was der Analyzer anzeigt, oder > > doch nur ein Schmutzprodukt...?? Keine Sorge. Der Spektrumanalyzer zeigt das schon richtig an und zwar bis zu ca 70db. Vorrausgesetzt der SA ist nicht übersteuert, was aber leicht mit dem betätigen des Eingangsabschwächers des SA zu verifizieren ist. Nimmt man den Abschwächer um 10db raus, und die IM Produkte steigen um 20db, so ist der SA übersteuert. Ralph Berres
Wilhelm; DK4TJ schrieb: > Einen Analogschalter habe ich noch nicht probiert. > Ein Ringmischer war bis jeztz immer die einfachste Lösung. > Bei den Analogschaltern stört mich immer dieses 4 * Fo. > Dann kennst du nicht alle Varianten. Wenn du einen IQ-Konverter bauen willst, hast du das Problem 0°/90° mit den klassischen Ringmischern genauso! Mit differentieller Logik kann man es auf Faktor 2 drücken. Deswegen schrieb ich ja schon: 1. Billigschaltungen auf einem IC integriert für den Massenmarkt -> hoher 'natürlicher' Gleichlauf auf dem IC macht IQ sinnvoll. 2. Modernes Konzept: Direktsampler mit nachfolgender FFT. (Ist doch witzig: Das ist der uralte Geradeausempfänger, nur digitalisiert) Ich würde dir als nächstes Bastelobjekt den hier empfehlen: Anhang Berichte deine Ergebnisse.
Tja, Anhänge anhängen bei Änderung des Betrags geht immer noch nicht.
@Wilhelm >> Da sind bei den IM3 10dB und mehr zu holen! > Das machen Analogschalter mit links. Ja, das war ein Mißverständnis. Allerdings hatte schon mal jemand einen 7dBm Mischer untersucht und der fiel ohne Diplexer auf 2dBm ab. Also falls jemand ein einfaches Gerät aufbauen will, es geht zur Not auch ohne. Der NE602 liegt bezogen auf das Eingangssignal bei -13dBm und der Kompressionspunkt bei -25dBm = 12,5mV an 50 Ohm = 70mV an 1,5k. Ob es sich lohnt, das Signal für ein besseres Signal/Rausch-Verhältnis auf die 70mV/1,5k hochzutransformieren, muß jeder selbst abwägen. Die NF=5dB bezieht sich bestimmt zur Beschönigung des Datenblattes auf ein SSB-Signal. > Ein Ringmischer war bis jetzt immer die einfachste Lösung. > Bei den Analogschaltern stört mich immer dieses 4 * Fo. Die 4*Fo gelten aber nur für SDRs. Es geht auch mit 2*F, dann aber mit einer gewissen Ungenauigkeit im Phasenwinkel und dadurch reduzierter Spiegelfrequenzunterdrückung. Aber warum werden eigentlich Schaltmischer so selten für Superhets verwendet?
Hast du mal für den SA602 alle Anschlußwerte von 50 Ohm auf 3K
differentiell umgerechnet? Wie sieht dann der Dynamikbereich für einen
Ringmischer vs. den SA602 aus? Das ist doch das entscheidende. Das würde
mich mal interessieren.
Und was man sagen muß: Der SA602 benötigt keine Diplexer an allen Ports
und es ist eine Transistorstufe weniger für die weitere Verstärkung
notwendig.
> Aber warum werden eigentlich Schaltmischer so selten für Superhets verwendet?
Die Industrie für Billigprodukte hängt immer mindestens 20 Jahre
hinterher. Wenn du nun einen Schaltmischer mit ein paar MHz laufen läßt,
reicht der Abstand zur ausreichenden Spiegelfrequenzunterdrückung nicht
aus.
Hallo zusammen. @ Jochen >Ich bin der Meinung, daß man sich, wenn jier die Mischertypen diskutiert >werden, man schon genaue Terminologie einhalten sollte. Da die >Intermodulationsprodukte 3. Ordnung mit Faktor 3 ansteigen, im >Verhältnis zum Anstieg der 2 Töne, ist hier eine Angabe des IP 3. >Ordnung sinnvoll. Dieser wird aber nicht in dB, sondern in dBm >angegeben, bei einem definierten Abstand der 2 Töne. Ich habe in keinem meiner Beitäge das Wort: Interception Point 3. Ordnung oder vergleichbare Termini gebraucht. Du hast schon recht, die werden in dBm angegeben. Ich habe mich immer nur auf relative Pegel bezogen. Und wenn man es dann gerne logarithmisch mag, das sind 'dB's. 73 Wilhelm
Bitte melde dich an um einen Beitrag zu schreiben. Anmeldung ist kostenlos und dauert nur eine Minute.
Bestehender Account
Schon ein Account bei Google/GoogleMail? Keine Anmeldung erforderlich!
Mit Google-Account einloggen
Mit Google-Account einloggen
Noch kein Account? Hier anmelden.

























