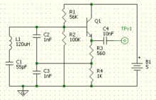
Hallo, in meinem letzten Beitrag wurde das Thema Superhetaudion angesprochen: Beitrag "Buch "HF-Technik mit dem NE/SA 602/612"" Das Thema interessiert mich und weil bald ein paar freie Tage auf mich zukommen ;O) wäre das vielleicht ein geeignetes Bastelprojekt für diese Zeit. Deshalb hier noch mal ein eigener Beitrag für dieses Thema. Im Anhang eine Skizze, wie ich mir das Prinzip vorstelle. Als Empfangskreis funktioniert vielleicht auch ein "Festfrequenzfilter" aus zwei hintereinander geschalteten Schwingkreisen, bei dem nur der Bereich des 40m-Bandes durchgelassen wird. Abstimmbar ist dann nur der VFO. Die ZF von 0,35 MHz habe ich gewählt, weil ein Audion mit so niedriger Frequenz sehr gut handhabbar ist und außerdem auf dem Bereich zwischen LW uns MW nicht viel los ist, abgesehen von ein paar Flugfunkfeuern. Wilhelm, DK4TJ sprach in dem anderen Beitrag noch von einer zweiten Möglichkeit, ein Superhet-Audion aufzubauen, komme grade auf keine andere sinnvolle Lösung mit Festfrequenzaudion für die ZF-Demodulation. Wenn jemand eine Idee hat, bitte posten.
Man kann den ganzen Bereich umsetzen auf eine tiefere Region, z.B. auf 350-550kHz. Dieser Bereich wird dann vom Audion weiterverarbeitet. Dafür reicht ein Oszillator mit einer festen Frequenz. Die erste Version dürfte aber komfortabler funktionieren, da das Audion bei einer festen Frequenz arbeitet. Die lästige Abstimmerei entfällt (fast).
Nennt sich sowas nicht "Direktmischempfänger"? (siehe z.B. "Elektronisches Jahrbuch 1978", Militärverlag der DDR, Seite 206 :-) )
Die ZF ist etwas tief gewählt. Gucke mal wie viele dB Unterdrückung das 2-kreisige Empfangsfilter für die tiefste Spiegelfrequenz von 7.7MHz hat: => Mit Chebyshef 0.1dB komme ich auf ca. 35 dB. Um auf > 50 dB zu kommen, müsstest Du mindestens ein 3-kreisiges Empfangsfilter nehmen, oder die ZF auf z.B 2.84 MHz erhöhen. Ich persönlich würde ein 3-kreisiges Filter nehmen und die ZF auf die übliche AM-ZF von 455 kHz legen. Da gibt es fix-fertige ZF-Filter und Du hast eine komfortable Spiegelfrequenzunterdrückung von 60 dB.
Danke für die Ideen und Anregungen! B e r n d W. schrieb: > Man kann den ganzen Bereich umsetzen auf eine tiefere Region, z.B. auf > 350-550kHz. Dieser Bereich wird dann vom Audion weiterverarbeitet. Dafür > reicht ein Oszillator mit einer festen Frequenz. Die Idee kam mir eben auch, als ich in einer endlosen Schlange an der Kasse stand ;) > Die erste Version dürfte aber komfortabler funktionieren, da das Audion > bei einer festen Frequenz arbeitet. Die lästige Abstimmerei entfällt > (fast). Da ist was dran. Allerdings dürfte die Version mit abstimmbarem Audion besser bei Temperaturdriften des Oszilatorkreises zu sein. >>Nennt sich sowas nicht "Direktmischempfänger"? > > Das nennt sich Konverter. Wobei hier unterschwellig die große Frage im Raum steht, was der Unterschied zwischen einem Superhet-Audion und einem Konverter-Audion ist. In jedem Fall ist es ein "Indirektmischer" ;) Peter S. schrieb: > Die ZF ist etwas tief gewählt. Gucke mal wie viele dB Unterdrückung das > 2-kreisige Empfangsfilter für die tiefste Spiegelfrequenz von 7.7MHz > hat: > => Mit Chebyshef 0.1dB komme ich auf ca. 35 dB. > > Um auf > 50 dB zu kommen, müsstest Du mindestens ein 3-kreisiges > Empfangsfilter nehmen, oder die ZF auf z.B 2.84 MHz erhöhen. Da sollte man in jedem Fall mal drüber nachdenken. Prinzipiell könnte ich mengenmäßig mit ausgelöteten AM-Radio-Filterspulen auch einen Vierfach-Filter aufbauen, fragt sich nur, ob das praktikabel ist. Die Audionfrequenz kann man natürlich auch in eins der unteren Tropenbänder legen, da ist sowieso fast nie was los (jedenfalls meiner Erfahrung nach). Vor dem Mittelwellenbereich habe ich ein wenig Angst, weil ein größerer MW-Ortssender in der Nähe ist. > Ich persönlich würde ein 3-kreisiges Filter nehmen und die ZF auf die > übliche AM-ZF von 455 kHz legen. Da gibt es fix-fertige ZF-Filter und Du > hast eine komfortable Spiegelfrequenzunterdrückung von 60 dB. Das hatte ich auch schon überlegt, eigentlich würde es sich ja anbieten, den empangskreis fest zu gestalten, der VFO variabel, ZF = 455KHz, dann das audion für 455KHz Festfrequenz. Neben der Mittelwellensenderdurchschlagsangst kommt dann aber noch die Angst vor Temperaturdriften dazu, dann würde a) das ZF-Filter mehr oder minder dichtmachen b) die Audionfestfrequenz sich verstimmen Die Version -Empfangskreis fest -Oszillatorkreis fest -Audion abstimmbar scheint mir am flexibelsten gegen Temperaturdriften. Jetzt zum Schluss noch eine ganz abenteuerliche Frage: Wenn es statt dem Einfachsuper-Audion ein Zweifachsuper-Audion werden soll, wie müsste das ganze aufgebaut sein? Sagen wir mal, beide Mischer mit NE602, 1. ZF 10,7MHz, da könnte man ja auch Keramikfilter einsetzen, 2. ZF wie gehabt. Und nehmen wir mal das 80m-Band, das wäre mir (nachdem ich noch mal darüber nachgedacht habe) für ein erstes Bauprojekt dieser Art lieber. Ich vermute, irgendwas um den ersten Mischer herum muss abstimmbar gestaltet sein, damit unabhängig von der Empfangsfrequenz immer die 10,7MHz für die 1. ZF entstehen, was dann bedeutet, dass irgendwie ein Gleichlauf zum zweiten Mischer oder zum Audion hergestellt werden muss, was die Sachen nicht vereinfachen würde... oder?
Ich würde bloss den Oszillator abstimmbar machen, alles andere fix lassen. Ein sorgfältig aufgebauter Clapp Oszillator ist ausreichend stabil (Frequenz-bestimmender LC-Kreis gegen Masse und gut entkoppelt vor variierenden Transistorparameter, der Speisespannung und der Last) Später kannst Du den Oszillator mit einem PLL erweitern oder gegen einen DDS tauschen, dann würde sogar SSB-Empfang gut funzen.
Anbei noch ein Schema für einen "guten" 8 MHz Oszillator, Der LC-Kreis muss natürlich noch mittels eines Drehkondensators oder Kapazitätsdioden abstimmbar gestaltet werden...
a) das ZF-Filter mehr oder minder dichtmachen Solange das 1. ZF-Filter einige kHz breiter ist als das Zweite, macht nichts dicht. b) die Audionfestfrequenz sich verstimmen Die Audionfrequenz verstimmt sich nur, wenn das Audion wegdriftet. Alle drei Möglichkeiten wirken sich als wegdriften der Empfangsfrequenz aus. Für die Umsetzung auf 455kHz nimmt man normalerweise einen Quarzoszillator mit 10,24MHz. Der Oszillator ist im NE612 schon eingebaut und der Quarz ist leicht erhältlich. Die 1.ZF liegt dann aber eher auf von 10,695MHz.
Hier noch was zum Thema Clapp Oszillator, wenn Spulenanzapfung möglich, ginge von der Frequenzstabilität her sicher auch ein Hartley-Oszillator. http://de.wikipedia.org/wiki/Clapp-Schaltung http://de.wikipedia.org/wiki/Hartley-Schaltung
Peter schrieb: > Später kannst Du den Oszillator mit einem PLL erweitern oder gegen einen > DDS tauschen, dann würde sogar SSB-Empfang gut funzen. Mit dem Audion müsste man auch so SSB empfangen können bei dosierter Überdrehung der Rückkopplung, dann erhält man so eine Art Direktmischer.
Peter schrieb: > Anbei noch ein Schema für einen "guten" 8 MHz Oszillator, Der LC-Kreis > muss natürlich noch mittels eines Drehkondensators oder Kapazitätsdioden > abstimmbar gestaltet werden... Danke für die Antworten! Ich werde die Variante mit variabler Oszillatorfrequenz und ZF-Filter 455KHz vor dem Festfrequenzaudion wählen. Kommt es bei dem Oszillator darauf an, dass er einen möglichst sauberen Sinus produziert? Einen BFR93A habe ich leider nicht im Heimsortiment, dafür aber andere HF-Typen wie BF199, 2N708, BF494. Für 4 MHz (80m-Band) geht vielleicht sogar noch ein BC547B. Eine andere Frage, was ist günstiger, den Oszillator für (3,7MHz + 455KHz) oder für (3,7MHz - 455KHz) aufbauen? (also die Frage, ob der Oszi um die ZF höher oder niedriger schwingen soll als die Empfangsfrequenz) Prinzipiell würde ich sagen, der Oszi mit der niedrigeren Frequenz ist einfacher aufzubauen und frequenzstabiler, vielleicht spricht aber etwas anderes dagegen?! B e r n d W. schrieb: > a) das ZF-Filter mehr oder minder dichtmachen > Solange das 1. ZF-Filter einige kHz breiter ist als das Zweite, macht > nichts dicht. Schon mal gut zu wissen! ZF-Filter stelle ich jetzt erst mal hinten an, bis der Oszi stabil läuft. > b) die Audionfestfrequenz sich verstimmen > Die Audionfrequenz verstimmt sich nur, wenn das Audion wegdriftet. Alle > drei Möglichkeiten wirken sich als wegdriften der Empfangsfrequenz aus. Das Audion verstimmt sich, so weit ich weiß, selber, wenn die Rückkopplung verstellt wird. Zwar nur in geringen Grenzen, trotzdem wird wohl eine Feinregulierung für die Audionfrequenz notwendig sein...
>Kommt es bei dem Oszillator darauf an, >dass er einen möglichst sauberen Sinus produziert? Etwas einigermaßen sinusähnliches reicht aus. Wichtiger ist die Amplitude. Falls ich mich recht erinnere, möchte der NE612 so 200-300mV Signal haben. >Eine andere Frage, was ist günstiger, den Oszillator >für (3,7MHz + 455KHz) oder für (3,7MHz - 455KHz) aufbauen? Meist schwingt der Oszillator oberhalb, was die Gefahr für Pfeifstellen im Empfangsbereich verringert. Ein Argument für die tiefere Frequenz hast Du schon genannt: geringere Drift. Die Schwäche dieses Konzepts ist vermutlich die Spiegelfrequenzunterdrückung. Deshalb würde ich mir überlegen, wohin Spiegelfrequenz zu liegen kommt. Bei der tieferen Variante fällt diese auf ~2,8 MHz und bei der höheren auf 4,6 MHz. Wahrscheinlich befinden sich auf 2,8 weniger Störer, was man des Nachts mit einem anderen Empfänger nachprüfen könnte. >Das Audion verstimmt sich Dieses Verstimmen ist relativ gering durch die niedrige Frequenz.
>Hier noch was zum Thema Clapp Oszillator, wenn Spulenanzapfung möglich, >ginge von der Frequenzstabilität her sicher auch ein Hartley-Oszillator. Hartleys sind von der Stabilität her schlechter als Clapp, Spulenanzapfung ist auch meistens ungünstiger als ein kapazitiver Spannungsteiler p.s. Mein Clapp-Schemavorschlag hat ein C-LC Schwingkreis 3. Ordnung, das ist wesentlich für die gute Stabilität! Auskoppelung am Vout natürlich über ein C, z.B. 100pf...1nF @Harry: Bei Deinem Schema wirken Transitorparameter (vor allem BE und BC-Kapazität) direkt auf den LC-Kreis: => Wegdriften über Temperatur und Speisespannung, bzw. Modulation ducrh Rippel der Speisepannung! >Mit dem Audion müsste man auch so SSB empfangen können bei dosierter >Überdrehung der Rückkopplung, dann erhält man so eine Art Direktmischer. Natürlich ist das theoretisch möglich, wenn aber der Oszi schon nur wenige 100 Hz wegdriftet, hast Du nur noch unverständliches Donald-Duck gequake. Daher PLL oder DDS, eventuell kriegst Du es mit einem guten Clapp-Oszi auch noch hin. >Kommt es bei dem Oszillator darauf an, dass er einen möglichst sauberen >Sinus produziert? Nee, der Mischer ist eh nichtlinear. Am besten ist ein sauberer Rechteck mit 50:50 Dutycycle um die Mischer-Diode(n) sauber durchzuschalten. Es kann sich lohnen den Oszi auf doppelter Frequenz laufen zu lassen und mit einem Flipflop :2 teilen, um ein sauberes DutyCycle zu haben. >Prinzipiell würde ich sagen, der Oszi mit der niedrigeren Frequenz ist >einfacher aufzubauen und frequenzstabiler, vielleicht spricht aber etwas >anderes dagegen?! Ja, das Gegenteil ist der Fall. Beim höher liegenden Oszi ist der relative Ziehbereich kleiner (df/fo) => Besser Frequenstabilität realisierbar. Aber Du musst auch abwägen, ob die obere oder untere Spiegelfrequenz günstiger liegt (Filterunterdrückung? störende Frequenzen?) >Einen BFR93A habe ich leider nicht im Heimsortiment, dafür aber andere >HF-Typen wie BF199, 2N708, BF494. Für 4 MHz (80m-Band) geht vielleicht >sogar noch ein BC547B. Ist eigentlich nicht so kritisch, die Transitfrequenz sollte einfach hoch genug liegen, ich denke mal über 100 MHz. Ich habe den kapazitiven Spannungsteiler (100pF/470pF) auf den BFR93 @ 8 MHz optimiert, eventuell müsstest Du diese Werte bei einem anderen Transistor anpassen, experimentell oder via Simulation. (Fürs erste würde versuchen ich die Werte beizubehalten)
>Beim höher liegenden Oszi ist der relative Ziehbereich >kleiner (df/fo) => Besser Frequenstabilität Dann wär ja die Stabilität bei 28MHz noch besser! Diese Aussage gilt sicher nur für bestimmte Rahmenbedingungen, wie z.B. unter Beibehaltung der Induktivität.
B e r n d W. schrieb: >>Kommt es bei dem Oszillator darauf an, >>dass er einen möglichst sauberen Sinus produziert? > Etwas einigermaßen sinusähnliches reicht aus. Wichtiger ist die > Amplitude. Falls ich mich recht erinnere, möchte der NE612 so 200-300mV > Signal haben. Peter schrieb: >>Kommt es bei dem Oszillator darauf an, dass er einen möglichst sauberen >>Sinus produziert? > Nee, der Mischer ist eh nichtlinear. Am besten ist ein sauberer Rechteck > mit 50:50 Dutycycle um die Mischer-Diode(n) sauber durchzuschalten. Es > kann sich lohnen den Oszi auf doppelter Frequenz laufen zu lassen und > mit einem Flipflop :2 teilen, um ein sauberes DutyCycle zu haben. Also wenn das so ist, kann man auch einfach ein LTC1799 als Reckteckgenerator einsetzen und eventuell noch ein Filter dahintersetzen. Dieses IC ist, wie ich aus eigener Erfahrung weiß, äußerst gutmütig in Bezug auf Drift, wenn man es ordentlich beschaltet. Außerdem lassen sich Bereichsumschaltungen über Widerstände realisieren. Und es kostet nur zwei bis drei Euro.
Der Jitter beim LTC1799 beträgt laut Datenblatt 0,16% bei 3MHz. Dies bedeutet, die Frequenz schwankt um +/- 4,8kHz innerhalb weniger Schwingungen. Das ist für einen Empfänger unbrauchbar.
>kann man auch einfach ein LTC1799 Nein der ist definitiv nicht geeignet als Oszillator für Empfängerschaltungen, der "rauscht" um Faktoren zu heftig. Für ein Blinklicht oder anspruchslosen uC-Takt geht der gerade noch. >Dann wär ja die Stabilität bei 28MHz noch besser Wen man nur +/- 100 kHz Abstimmbereich braucht, muss man mit den Kapazitätsdioden nur noch einen kleinen C-Bereich variieren, einen grossen Kapazitätsanteil kann man mit stabilen Fix-Werten realisieren. Oszillatoren driften oft wegen ungenügender Entkoppelung Speisespannung, oder weil sich der Arbeitspunkt des Transistors (und somit auch seine parasitären Kapazitäten) über die Temperatur ändert. Weitere Problempunkte sind Rückwirkungen von der Last, Mikrofonie der Spule oder ungenügende Abschirmung des Oszillators. Viele Punkte werden beim Clapp-Oszillator mit C-L|C Kreis entschärft: Schwinkreis 3. Ordnung => "scharfe" Resonanz => stabile Frequenz + rauscharm Schwingkreis ist gut enkoppelt von Speisespannung und den Transistor-Paramter => Stabile Frequenz die nicht wegdrifted. Gebufferter Ausgang am Emiter => Gute Entkopplung von der Last. (Ich hänge oft sogar noch einen zusätzlichen Emiterfolger dahinter, um sicher zu sein, dass nicht Frequenzen von der Mischerstufe auf den Oszillator rückwirkken und aufmoduliert werden. Hoher Ausgangspegel: => Reicht normalerweise direkt um TTL/CMOS Logik anzusteuern. >Falls ich mich recht erinnere, möchte der NE612 so 200-300mV Signal haben. Dioden Mischer benötigen sogar noch mehr. Je nach Ausführung meist so 7..15 dBm (bzw. 0.5 - 1.5V) => Knickspannungen der Dioden müssen überwunden werden.
Vielen herzlichen Dank für die Antworten! Im Anhang die Sim, die ich eben noch schnell von Peters Oszi angefertigt habe. Der T ist einfach durch einen BF199 ersetzt. Am Oskar-Bild sieht man, dass der Arbeitspunkt noch angepasst werden kann. Außerdem fällt auf, dass die Ua bei fast 5V Spitze/Spitze liegt, dem NE602 vermutlich zu viel, wie ich das oben gelesen habe. Erst mal bis hierher, FF!
Einen großen Unterschied in der Beschaltung bezüglich des Arbeitspunktes kann ich zwischen Clapp, Collpits und Hartley nicht entdecken. Der Emitter haut bei allen Dreien eine Beule in den Sinus, was ja dann auch Phasenrauschen verursacht. Aber Hartley und Vackar (mein Favorit) haben den riesen Vorteil, daß die Rückkopplung kaum eine Frequenzabhängigkeit aufweist und der Abstimmbereich durch Reihen- bzw. Parallelschaltung der Rückkoppelkondensatoren nicht eingeschränkt wird. Deshalb sind damit Oszillatoren realisierbar, welche mehr als eine Oktave am Stück überstreichen. Beim Phasenrauschen schneidet dabei der Vackar-Oszillator sicher mit am Besten ab, da die Basis vom Schwingkreis "geführt" wird und der Transistor nicht impulsartig aufsteuert. Es hat halt jeder seine Vor- und Nachteile. >>Dann wär ja die Stabilität bei 28MHz noch besser >Wen man nur +/- 100 kHz Abstimmbereich braucht, muss man mit den >Kapazitätsdioden nur noch einen kleinen C-Bereich variieren, einen >grossen Kapazitätsanteil kann man mit stabilen Fix-Werten realisieren. Kapazitätsdioden werden extrem schlecht (Güte und Drift), wenn man sie zwischen 0 und 3 Volt Sperrspannung betreibt. Was ist ein Schwinkreis 3. Ordnung? Meinst Du die Ankopplung am niederohmigen Ende des Schwingkreises und dadurch geringe Bedämpfung?
B e r n d W. schrieb: > Aber Hartley und Vackar (mein Favorit) haben den riesen Vorteil, daß die > Rückkopplung kaum eine Frequenzabhängigkeit aufweist und der > Abstimmbereich durch Reihen- bzw. Parallelschaltung der ... Kannst du ein Schaltbild für so einen Vackaroszillator für das 40- oder 80-m-Band posten?
Einen Vackar-Oszillator habe ich hier gefunden (keine Ahnung, ob es gegen das Copiright verstößt):
Für einen kleinen Frequenzbereich reicht es, nur eine Seite abzustimmen. Nach Weglassen der parallelgeschalteten Kapazitäten kann man leicht ein Frequenzverhältnis >1:2 erreichen.
Danke für die Schaltpläne! Der Oszillator ist wohl das Kernstück des Empfängers, wie mir scheint. Er soll natürlich so stabil wie möglich laufen. @Bernd: Deinen Schaltplan verstehe ich im Moment nicht ganz, er sprengt ein wenig den Rahmen meines Wissens über Oszillatorschaltungen. Ich vermute, die Spannungsquelle V2 versorgt zwei "virtuelle" Kapazitätsdioden C2, C4 über die Widerstände R6, R9. L1 ist die Schwingkreiskapazität, L2 ist eine Siebdrossel für die Spannungsversorgung von Q3 und L3, L4 bilden ein Ausgangsfilter (?) und/oder einen induktiven Spannungsteiler oder transformieren die Ausgangsspannung herab und erhöhen den Strom?!! Q3 steuert den Oszillator, Q2 ist ein Emitterfolger zur Impedanzanpassung. Aber was macht Q1? Scheint mir irgendeine Form von Gegenkopplung zu sein... Sieht auf jeden Fall alles mehr oder weniger aufwändig aus. Hast du so einen Oszi schon mal real aufgebaut?
...ach so, habe kürzlich LTspice installiert, die Version 4.13h. Wollte damit die Datei Oscillator_Vackar_40m.asc ausprobieren. Leider bekomme ich direkt die Fehlermeldung, dass der BF199 nicht in der Datenbank enthalten ist. Kann man diesen Transistor irgendwie implementieren?
Hallo Iguana, seh das doch nicht so verkniffen. Welchen Trans du da reinschmiedest, ist wirklich nicht so wichtig. Suche mal nach z.B. einem 2N5179 oder schnapp dir eine Vergleichsliste; dann wirst du bestimmt einen 2N.. oder 2SC... finden, der dem BF199 entspricht und der dann auch in der Bauelementeliste von LT-Spice steht. Wenn alle Stricke reissen, ein BC107 o. ä. tut es auch - zumindest für den Anfang; nach ELEKTOR irgend ein TUN. Ich beneide dich um deine LT-Spice Kenntnisse. Rechnen ist zwar die halbe Miete, aufbauen ist das Mass der Dinge. Diesen Thread könnte man in der Theorie unendliche lange weiterführen! Auch berechnete! Bildchen bringen niemanden weiter; ein Photo von einem Scope-Bildschirm ist doch für die Praxis wesentlich aussagekräftiger. Schöne Schaltpläne und Berechnungen helfen nicht weiter, solange du nicht endlich mal den Lötkolben in die Hand nimmst. Ein einfacher Colpitts o. ä. ist doch in kürzester Zeit auf einer Massefläche im Freiluftaufbau zu realisieren. Für welche Oszillatorschaltung du dich entscheidest, steht auf einem ganz anderen Blatt. Ob Hartley-, Colpitts-, Seiler-, Clapp-, Vackar- oder Franklinoszillator, jede Schaltung hat ihre Vor- und Nachteile. Ich bevorzuge den Franklin. Durch seine 2 Stufen hat er m.E den Vorteil, dass die Rückkopplung einfacher und feinfühliger zu beeinflussen ist. Ob du - welches Teil auch immer - mit einem TUN oder einem FET realisierst, steht auf dem nächsten Blatt. Darum....., google erst mal ein bisschen; wenn du dann meinst, etwas für dich Passendes gefunden zu haben, wirf den Lötkolben an, schau, was dabei herausgekommen ist und dann berichte! Soviel wollte ich eigentlich nicht schreiben... 73 Wilhelm
Hallo Iguana Bau einfach den Colpitts-Oszillator auf, so wie du ihn oben simuliert hast. Ob Colpitts, Clapp oder Hartley, das ist fast egal. Du kannst die obigen Modelle zur Datei SwCADIII\lib\cmp\standard.bjt hinzufügen. >er sprengt ein wenig den Rahmen des Projekts. R8 und C9 filtern die Betriebsspannung. V2 entspricht der Abstimmspannung, momentan ohne Funktion L3 und L4 bilten einen Übertrager zu Anpassung Q3 Oszillator, L2 seine Arbeitsdrossel Q2 Pufferstufe Q1 Regelkreis zur Amplitudenregelung und um Clipping des Oszillators zu vermeiden @Wilhelm >ein Photo von einem Scope-Bildschirm Erst die Theorie, dann die Praxis. Wenn dann das Oszi nahezu die identischen Kurven wie die Simulation zeigt, war das Modell vermutlich richtig. Wenn man nicht nur Schaltungen nachbauen will, erspart einem die Simulation einen Haufen Löterei. Du bekommst auch Informationen, an die man auf dem Labortisch nicht so schnell rankommt, z.B. wieviel Verlustleistung wird im Oszillator-Transistor in Wärme umgesetzt. Gruß, Bernd
@ Bernd: Keiner der Herren Hertz, Marconi, Armstrong, Lee De Forest u. a. haben ihre Schaltungen mit LT_Spice untersucht! In vielen - wenn nicht den meisten - Fällen gingen die jeweils festgestellten Erkenntnisse den zu dieser Zeit möglichen Erklärungen meilenweit voraus. Sie wussten nicht, was sie taten; erklären konnten sie es auch nicht. Sie haben es probiert und vor allen Dingen...., es hat geklappt! Erst die Theorie, dann die Praxis...? Woher nimmst du deinen Hochmut? Ein Taschenrechner aus den 70er Jahren, mit dem man Netzwerkanalyse machen konnte? Wenn man nicht wusste, was man tat, war man hoffnungslos verloren. Vor 20 Jahren war man froh, wenn man ein geklautes uraltes Touchstone(R) in die Gänge bekam. Kein Windoooffs!, nur schei... DOS. Mit allen Haken und Ösen hat man unendlich viel gelernt, wenn man es dann wollte. Ich bin Funkamateur - ich betone 'Amateur' kein Profi! - und habe mir im Laufe meiner nun ca. 40jährigen Amateurfunklaufbahn so viel theoretisches Wissen angeeignet, das ich auch mit Spice klar komme. Aber ohne Vetständnis der Sache ist man heute mit allen Rechnermöglichkeiten genau so dumm dran, wie zu Zeiten des Rechenschiebers und der Logarithmentafel. Diese ganze Rechnerei dann in die Praxis umzusetzen, ist eine ganz andere Sache. Jeder Laboringenieur macht einen Newcomer von der Uni in windeseile nass. Der eine rechnet und wundert sich in der Praxis, warum die Sache wild schwingt; der Praxismensch empfielt dann ein C an einer geeigneten Stelle, und gut ist. Dass ein bisschen! Rechnen viel!!!! Arbeit erspart will ich überhaupt nicht in Zweifel ziehen! 73 Wilhelm
>Armstrong >Sie wussten nicht, was sie taten Ja, zumindest von Armstrong weiß ich, daß er den Superhet eher per Zufall entdeckt als erfunden hat. >>>Bildchen bringen niemanden weiter >>Erst die Theorie, dann die Praxis. >Woher nimmst du deinen Hochmut? Wieso Hochmut und warum regst Du Dich da auf? Das ist einfach meine Vorgehensweise. Und Iguana scheint das ähnlich zu praktizieren. Ich bin mir sicher, in dem Moment, wenn er die Schaltung komplett versteht, lötet er sie zusammen. Wenn jemand einen BF199 in der Bastelkiste hat, ist das wahrscheinlich kein blutiger Anfänger. Falls ich Ihm dazu einen Denkanstoß geben kann, dann tu ich das. >ich betone 'Amateur' kein Profi! Als alter Sack, Simulant und Praktiker bestehe ich darauf, in ungefähr dieser Reihenfolge meinem Hobby nachzugehen! LTspice ist mir dabei extrem hilfreich und ich möchte es nicht mehr missen. Zum PSpice-Demo mit 64 Knoten unter dem alten "schei... DOS" möchte ich bestimmt nicht mehr zurück.
Hier entwickeln sich interessante Gespräche und Positionen... Ich simuliere nach Möglichkeit immer, bevor ich etwas aufbaue. In den allermeisten Fällen gibt es kaum Unterschiede zwischen der Simulation und der realen Schaltung. Wenn, dann liegt es meistens darann, dass Halbleiter toleranzbedingt leicht abweichende Kennlinien haben. B e r n d W. schrieb: > Und Iguana scheint das ähnlich zu praktizieren. Ich bin > mir sicher, in dem Moment, wenn er die Schaltung komplett versteht, > lötet er sie zusammen. Ich habe sie noch nicht ganz verstanden, werde sie morgen ausdrucken und unter die Lupe nehmen. Mir geht es vor allen Dingen darum, dass der Oszillator nicht dauernd wegläuft. Habe vor diesem Beitrag schon ein wenig mit dem NE602-internen Oszillator experimentiert, der ist aber nicht wirklich zu empfehlen (zumindest mein Eindruck). > Wenn jemand einen BF199 in der Bastelkiste hat, > ist das wahrscheinlich kein blutiger Anfänger. Die BF199 habe ich extra für dieses Projekt in weiser Voraussicht bei der letzten Bestellung vor ein paar Wochen gleich mitgeordert ;O) (von Hause aus passionierter NF-Tüftler mit Ge, Si und Vakuum, sprich: Röhren) > Falls ich Ihm dazu einen > Denkanstoß geben kann, dann tu ich das. So ist es und ich nehme ihn gerne an! Ich komme jetzt zurück zum Thema, ihr dürft aber gerne weiterdiskutieren, wenn ihr wollt. @DK4TJ: Wie würdest du so einen VFO konkret aufbauen? @Bernd: Welche von den Cs 1-4 sind jetzt Varicapdioden, ich vermute C2 und C4, an den anderen beiden steht aber auch (var)? > L3 und L4 bilten einen Übertrager zu Anpassung Wie würde man zweckmäßigerweise diesen Übertrager aus L3, L4 in der Praxis aufbauen (auch vor dem Hintergrund, dass ich einen Oszi für das 80m-Band aufbaue)?
>Welche von den Cs 1-4 sind jetzt Varicapdioden Alle vier sind Varicaps. Kapazitätsdioden ändern bekanntlich ihre Kapazität abhängig von der angelegten Sperrspannung. Im Schwingkreis können HF-Spannung von mehreren Volt erzeugt werden. Diese Wechselspannung wirkt auf die Kapazitätsdiode zurück und ändert die Resonanzfrequenz des Schwingkreises im Takt der Schwingung. Dadurch entsteht eine unerwünschte Phasenmodulation. Um diesen Effekt weitgehend zu vermeiden, werden 2 Varicaps antiseriell geschaltet. Der Schwingkreis, bestehend aus C6, L1 und C5, hat auch die Aufgabe, die erzeugte Schwingung um 180° zu drehen. Der Transistor macht weitere 180°. Die Ausgangsspannung hängt vom Kapazitätsverhältnis C5 / C6 ab. An der kleineren Kapazität ergibt sich die höhere Spannung. Um übere größere Abstimmbereiche das Kapazitätsverhältnis konstant zu halten, werden parallel zu C5 und C6 jeweils 2 Varicaps erforderlich. > L3 und L4 bilden einen Übertrager zu Anpassung Das war für einen Dioden-Ringmischer ausgelegt. Für Dich reicht ein 1k Arbeitswiderstand gegen GND und dann über einen Kondensator 1nF zum NE612 auskoppeln. Wichtig ist, vor der Basis des Treibertransistors die Amplitude entsprechend zu reduzieren.
Hallo zusammen. @ Iguana anbei ein PDF-File mit der Schaltung eines Franklin Oszis. Hab ich mal vor ein paar Jahren gebaut als 1. Versuch für einen DC-RX . War ausreichend stabil, die Auflösung müsste noch etwas verfeinert werden. Ist übrigens mein 1. Bild, das ich hochlade. Ich hoffe, es ist ok so. 73 Willi
Danke für die Antworten! Zwei Doppelkapazitätsdioden habe ich auch noch in der Bastelbox. B e r n d W. schrieb: > Kapazitätsdioden ändern bekanntlich ihre Kapazität abhängig von der > angelegten Sperrspannung. Im Schwingkreis können HF-Spannung von > mehreren Volt erzeugt werden. Diese Wechselspannung wirkt auf die > Kapazitätsdiode zurück und ändert die Resonanzfrequenz des > Schwingkreises im Takt der Schwingung. Dadurch entsteht eine > unerwünschte Phasenmodulation. Um diesen Effekt weitgehend zu vermeiden, > werden 2 Varicaps antiseriell geschaltet. Von dem Effekt habe ich noch gar nichts gehört. Habe das Schaltbild ein wenig modifiziert, den Ausgang würde ich dann so wie gezeigt gestalten. Was mich wundert: Die Katoden der V-Dioden C1 und C3 liegen nicht direkt auf Masse (nur über R7 = 100k). Reicht das denn? Was für eine Art Spannungsquelle ist V1 (da steht was von Pulse und 7,8 = 7,8V?)? Wilhelm; DK4TJ schrieb: > @ Iguana > anbei ein PDF-File mit der Schaltung eines Franklin Oszis. > > Hab ich mal vor ein paar Jahren gebaut als 1. Versuch für einen DC-RX . > War ausreichend stabil, die Auflösung müsste noch etwas verfeinert > werden. > > Ist übrigens mein 1. Bild, das ich hochlade. Ich hoffe, es ist ok so. Danke für das Bild! Ja, ist so weit ok, man muss nur leider den Kopf ein wenig drehen zur Betrachtung mit der Forenansicht :O) Aber fürs erste Upload absolut akzeptabel! Was meinst du mit "die Auflösung müsste noch etwas verfeinert werden"?
Von Philips gibt es zum NE602/612 mehrere Application Notes. Die AN1982, AN1983, AN1993, AN1994 und das normale Datenblatt. In der AN1982 steht: Applying the oscillator of the SA602 in low-power mixer applications Injected LO If the application calls for a separate local oscillator, it is acceptable to capacitively-couple 200 to 300mV at Pin 6. Da das nicht weiter spezifiziert ist, würde ich vorerst von 250mVeff. ausgehen.
PS, @ Bernd: >Der Schwingkreis, bestehend aus C6, L1 und C5, hat auch die Aufgabe, die >erzeugte Schwingung um 180° zu drehen. Der Transistor macht weitere >180°. Die Ausgangsspannung hängt vom Kapazitätsverhältnis C5 / C6 ab. An >der kleineren Kapazität ergibt sich die höhere Spannung. Um übere >größere Abstimmbereiche das Kapazitätsverhältnis konstant zu halten, >werden parallel zu C5 und C6 jeweils 2 Varicaps erforderlich. Reicht es dann zur Temperaturstabilisierung, wenn nur C5 und C6 NPO-Typen o.ä. sind? Was ist unter "größere Abstimmbereiche" zu verstehen? Ich will ja das 80m-Band überstreichen, was ich als eher kleineren Abstimmbereich bezeichnen würde...
@ Iguana: An die Klemmen 3-5 gehört ein Poti. Die Abstimmung ist mit einem Spannungshub von 0-12V (so, wie ich es gezeichnet habe) viel zu grob. Mit je einem Widerstand (noch bessser Trimmer) oben und unten ans Poti kann man den Abstimmbereich 1. kleiner machen 2. mit Trimmpotis dahin schieben, wo man hin will. Ich hoffe, das reicht als Erklärung.
B e r n d W. schrieb: > Da das nicht weiter spezifiziert ist, würde ich vorerst von 250mVeff. > ausgehen. Man könnte ja vielleicht den 1k-R am Ausgang als Trimmer ausführen und das Signal über dessne Schleifer auskoppeln, dann ist man mit der Ausgangsspannung flexibel. Wilhelm; DK4TJ schrieb: > @ Iguana: > > An die Klemmen 3-5 gehört ein Poti. > Die Abstimmung ist mit einem Spannungshub von 0-12V (so, wie ich es > gezeichnet habe) viel zu grob. Mit je einem Widerstand (noch bessser > Trimmer) oben und unten ans Poti kann man den Abstimmbereich > 1. kleiner machen > 2. mit Trimmpotis dahin schieben, wo man hin will. > > Ich hoffe, das reicht als Erklärung. Danke für die Erlärung, so hätte ich es auch gemacht, anschließend mindestens einen der Trimmer durch einen Festwiderstand ersetzt. Ich frage mich, ob man die Abstimmspannung nicht besser aus den "zenerdioden-stabilisierten" 9,1V gewinnen würde, wenn dadurch der Abstimmbereich nicht zu klein wird...
@ Bernd Du hast vollkommen recht. Es war nur ein Versuch, um die Eigenschaften des Franklin zu testen. Auf die Feinheiten habe ich damals der Einfachheit halber verzichtet.
Ja, das ist eher ein kleiner Abstimmbereich. Da aber die Kapazitätsdioden zu den anderen Kondensatore parallel und selbst noch in Reihe geschaltet werden, ist doch ein Mindest-Verstellbereich notwendig. Das Kapazitätsverhältnis beträgt mindestens (3,35MHz / 3,05MHz)^2 = 1,2. Bei C6 = 150pF müßte eine Varicap schon einen Bereich von ca. 5 - 80 pF überstreichen können. Hier wäre es günstiger, C5 und C6 wären etwas kleiner und idealerweise gleich groß. >C5 und C6 NPO-Typen o.ä. sind? C5 und C6 haben bei weitem den größten Einfluß. Dann folgen die Varicaps, C7 sollte schon fast vernachlässigbar sein. >den 1k-R am Ausgang als Trimmer ausführen Du veränderst während dem Verstellen die Ausgangsimpedanz des Treibers. Aber das sollte in diesem speziellen Fall funktionieren, da der NE612 beim Oszillator-Eingang einen unbekannten Eingangswiderstand zwischen 1,5k und 20kOhm aufweist. R3 und C11 werden auch überflüssig, da die den Ruhestrom begrenzen. Das erledigt jetzt das 1k Poti. Der Regelkreis funktioniert so nicht mehr, er benötigt eine niederohmige Verbindung zu GND. Dabei kam es mir nur auf den Nachweis an, daß die Basis im Gegensatz zu den meisten anderen Oszillatoren kontinuierlich geführt wird. Also weg damit. @Wilhelm >@Bernd Du hast vollkommen recht. Ich hab doch noch gar nichts gesagt? Außerdem sieht das meine Frau vollkommen anders.
>Die Kathoden der V-Dioden C1 und C3 liegen >über R7 = 100k auf Masse. Reicht das denn? Laut Datenblatt fließen in Sperrichtung nur ~10 Nanoampere. Man kann auch 47k reinmachen, belastet dann aber den Schwingkreis stärker. Der Sperrstrom ist temperaturabhängig und bewirkt am R7 einen temperaturabhängigen Spannungsabfall von ca. 1mV bei Raumtemperatur. Diese Drift ist mindestens um eine Größenordnung kleiner als die Kapazitätsdrift der Dioden. >Was für eine Art Spannungsquelle ist V1 >(da steht was von Pulse und 7,8V)? Die Spannungsquelle macht einen Sprung von 7,8 auf 8 Volt. Dies gibt dem Schwingkreis einen kleinen Schubs und hilft beim Anschwingen. Letztendlich spart es Wartezeit bei der Simulation.
Hier eine kleine Simulation des Franklin-Oszillators nach Wilhelm. Leider lief der Oszi nach dem Originalschaltplan in der Simulation nicht an. Nach Einfügung der Source-Widerstände/Kondensatoren schwingt er jetzt (zumindest virtuell) sehr leicht an.
@Wilhelm: ich füge mal die Tina-Datei an. Du kannst hier http://www.ti.com/tool/tina-ti&DCMP=hpa_amp_general&HQS=Other+OT+tina-ti kostenlos TINA-TI runterladen (weiter unten in der Tabelle "Order now"). Dann die hier angehangene Datei nach Installation damit öffnen und selber ausprobieren. Zur Änderung von Bauteilparametern mit Rechtsklick auf das gewünsche Bauelement, dann "Properties" klicken und den Wert ändern. Das ganze ist eigentlich kinderleicht und meistens selbsterklärend. Den Oskar findet man oben unter "T&M".
Hallo ihr 2, seit längerem sind nur wir 3 ja nun die Meister dieses Threads. Eben auf dem Sofa habe ich mir überlegt, wie ich sauber aus dieser Sache rauskomme. Die letzten Mails können aber nicht unbeantwortet bleiben! Zum Franklin: Diese Schaltung läuft problemlos, verschwendet auf Grund ihrer Eigenschaften als (eigentlich astabiler) Multivibrator überhaupt keine Gedanken darauf, nicht schwingen zu wollen! Wenn man die elementarsten Grundsätze eines astabilen Multivibrators berücksichtigt..., einfach nicht!! am Schwingen zu hindern! @ Iguana: Dass du ein weiteres Schaltungsanalyseprg. anführst... Ich werde meinen Rechner nicht mit weiteren unnützen Prgs vollmüllen! Wenn dieses Prg behauptet, es könnte nicht gehen..., bei mir liegt dieses Teil auf dem Tisch, und es geht!!! Ein Franklin..., die einfachste Sache der Welt; es befreit einen von der Wahl der richtgen Grösse und des Verhältnisses der Spannungsteiler_Cs wie beim Colpitts und von der Bestimmung des richtigen Anzapfs beim Hartley. Es gibt auch keine durch die Colpitts-Config bedingte Einschränkung des Abstimmbereichs. (Das wurde ja schon mal in einem Beitrag von Bernd erwähnt) Das ist eben der Unterschied zwischen Theorie und Praxis. Rechnet ihr ruhig weiter. Ehe es Fragen zu Multivibrator (Rechteck, Oberwellen o.ä) gibt; der Schwinkreis regelt das alles. Hinter dem Emitterfolger gibt es einen sauberen Sinus. Nun habt ihr 2 ja in aller Ausführlichkeit den Vackar auseinander genommen; als Anfängerprojekt hätte ich mir doch etwas anderes - und vor allen Dingen - einfacheres ausgesucht. @ Iguana: Für einen Test ist das 80m-Band eigentlich das Ungeeigneste! Warum: Die prozentuale Bandbreite (300kHz/ 3.6 Mhz -> ca. 8%) ist sehr gross. Ist z. B. der Oszillarorpegel für einen Ringmischer über die Bandbreite ausreichend konstant? Nun kommt die entscheidende Frage! Was möchtest du eigentlich..?? Nur ein bisschen diskutieren und die Leute aushorchen...? Jetzt nimm doch mal endlich den Lötkolben in die Hand und höre auf zu rechnen! In der Zeit, die du vor dem Rechner verbracht hast, hättest du all diese Schaltungen schon viele Male aufbauen können und uns mit Live-Scope-Bildern begeistern können. 73 Wihelm
Wilhelm; DK4TJ schrieb: > Zum Franklin: > > Diese Schaltung läuft problemlos, verschwendet auf Grund ihrer > Eigenschaften als (eigentlich astabiler) Multivibrator überhaupt keine > Gedanken darauf, nicht schwingen zu wollen! Hallo Wilhelm, dass es sich dabei um eine Art AMV handelt, habe ich auch schon gesehen. Was mich bei dem Schaltbild sofort stutzig macht, sind die fehlenden Source-Widerstände. Wie soll da die benötigte gegenüber der Source-Elektrode negative Gatespannung entstehen? Wenn überhaupt, dann durch Selbstaufladung der Gate-Elektrode bedingt durch den recht hochohmigen Gate-Widerstand (wobei man dann eher auf Größen um 10M-Ohm zurückgreift). Ich frage mal so: wenn ich den Oszillator so wie beschrieben aufbaue und er funktiniert nicht, gibst du dann einen Kasten Bier aus? :O) Danke auch für die anderen Hinweise, ich werde sie berücksichtigen!
Halo Bernd, Danke noch für die Antworten von gestern! B e r n d W. schrieb: > Der Regelkreis funktioniert so nicht mehr, er benötigt eine niederohmige > Verbindung zu GND. Dabei kam es mir nur auf den Nachweis an, daß die > Basis im Gegensatz zu den meisten anderen Oszillatoren kontinuierlich > geführt wird. Also weg damit. Was meinst du mit Regelkreis? Ich nehme an, den Zweig um R13, D1, C14, Q1, C13, R12 rausschmeißen (wobei ich diesen Satz "Der Regelkreis funktioniert so nicht mehr, er benötigt eine niederohmige Verbindung zu GND" dann nicht ganz verstehe). Wenn neben den grade genannten Bauteilen noch R3 und C11 rausfliegen, lichtet sich der Bauteilewald. > Das Kapazitätsverhältnis beträgt mindestens (3,35MHz / 3,05MHz)^2 = 1,2. > Bei C6 = 150pF müßte eine Varicap schon einen Bereich von ca. 5 - 80 pF > überstreichen können. Hier wäre es günstiger, C5 und C6 wären etwas > kleiner und idealerweise gleich groß. Gibt es eine Formel zur Bestimmung von C5 und C6 in Abhängigkeit von der gewünschten Frequenz?
Noch ein Nachtrag an Wilhelm: Habe in der Simulation deines Original-Schaltplans den FET BF256C jetzt mal gegen einen BF256A ausgetauscht, nun läuft der Oszi problemlos an (allerdings mit ziemlich begrenzter oberer Halbwelle). Hast du bei deiner Schaltung wirklich den BF256-C-Typ verwendet oder einen anderen FET-Typ?
Hallo Iguana, so ein Teil braucht keinen Sourcewiderstand. Die Dinger sind - im Gegensatz zu z.B. BS170, IRFxxx - selbstleitend, auf englisch Depletion Mode. Schau mal in ein Datenblatt eines BF245, BF256 o.ä. Da findest du Kurven, die den Strom über die Gatespannung aufzeigen, und du wirst auch einen Punkt finden, wo du den Strom bei 0 Volt Gatespannung ablesen kannst. Wichtig: Die Gatespannung muss immer negativ bis 0 Volt sein. Ein BS170 o.ä braucht eine positive Vorspannung am Gate -> Enhancement Mode. Sonst gibt dat nix! Ein himmelweiter Unterschied! Binde z.B. Gate und Source zusammen, dann hast du eine wunderbare 2polige Konstantstromquelle. Weil sich Ug nicht ändert, ändert sich der Strom auch nicht. Der Apparat gibt dann eben an Strom (ein paar mA) nur das her, was das Datanblatt verspricht. Weitergedacht heisst das dann, der braucht keinen Sourcewiderstand! Zu deiner weitern Info: Das ist in meinem Fall ein Drain-gekoppelter AMV. Wie du dir denken kannst, kann man so ein Teil aufbauen mit: 1. Röhren 2. normalen Transistoren (was ist schon normal?) 3. FETs Zu jeder Variante gibt es wieder verschiedene Möglichkeiten: 1. Anoden-, Kollektor-, Drain-gekoppelt 2. Kathoden-, Emitter-, Source-gekoppelt Das ist wie beim z.B. Colpitts; die in meinen Augen vertrauteste Schaltung ist die mit Common Collector, also Collector = Ground!. Alle frequnzbestimmenden Bauteile sind an der Basis. Beispiele (auch zum Franklin) findest du im Net ohne Ende. Wer einen AMV nicht zum Schwingen bringt .... Bei all eurer Rechnerei: Ist das schon der Unterschied? In der Praxis schwingt es, in der Theorie nicht???... Ich kann es nur wiederholen: Testen kommt (meistens) vor Rechnen! Oder die Synthese: Ein bisschen rechnen und dann loslegen! Bzgl.: Kasten Bier Ich setze 2 dagegen! Wo du wohnst, weiss ich micht; die Transportkosten werden wohl den Warenwert deutlich ünbersteigen!!?? Das wird dann ja eher dein Problem sein. Übrigens : Iguana ist ja super. Ich wüsste ja schon gerne, mit wem ich es zutun habe. Wir müssem ja nicht gleich die Heia... teilen Ich heisse wirklich Wilhelm und unter meinem Rufzeichen DK4TJ findet man einiges im Net. Was soll dieser ganze Schei... mit den Nicknames? 73 Wilhelm
Hallo Iguana, weiss ich nicht mehr, welche Transe da drin sind. Die heissesten Transistoren sind nicht immer die Geeignetsten. Ich nehme, was die Schatulle hergibt. Du bist ja Weltmeister im Rechnen. Dann rechne mal ein bisschen, damit du die Clippung auf dem oberen Peak beseitigst. Bitte keine Rs im Drain! Wie du gesehen hast, ein BF256A lässt es von selbst schwingen. Vorschläge: Ist der Emitterfolger der Übeltäter, weil Amplitude zu gross? Kann ich mir eigentlich schlecht vorstellen. Versuche mal, die Koppel-Cs zum Kreis (10pF) kleiner zu machen, dann wird auch im Ganzen die Amplitude kleiner. Zur Info: Mich interessiert 40m, dafür war diese Teil eigentlich vorgesehen. Auf die Ergebnisse bin ich gespannt. 73 Wilhelm
>Franklin-Schaltung: Ist der Emitterfolger der Übeltäter? Nein, die Schaltung ist erst mal komplett übersteuert. Bei 7 MHz funktioniert sie aber schon deutlich besser. Der Drainstrom ist für die 1k Widerstände zu groß, die Drainspannung beträgt mit BF256Bs schon nur noch 1,5 Volt. Die hab ich gegen 680 Ohm getauscht. Dann den Kondensator vom Drain zum Schwingkreis auf 4,7pF reduziert. Und noch als Notlösung zwei antiparallele 1N4148 zur Bedämpfung zum Schwingkreis geschaltet. Nun liegen die Harmonischen schon fast 40dB tiefer. >allerdings mit ziemlich begrenzter oberer Halbwelle Ok, bei mir sind mit dem BF256B die 1k Widerstände zu groß und bei Iguana zu klein. >Gate und Source zusammen -> Stromquelle Leider weichen da einige JFets ziemlich stark ab. Bei den J310 ist die Streuung angeblich deutlich geringer. >Gibt es eine Formel zur Bestimmung von >C5 und C6 in Abhängigkeit von der gewünschten Frequenz? Es gibt ja die allgemeine Formel zur Berechnung der Resonanzfrequenz. Die Induktivität ist bekannt. Die Kapazität des Schwingkreises setzt sich aus vielen Teilen zusammen. Die Drossel selbst besitzt schon eine parasitäre Kapazität. Dann die Leiterbahnen, die Gate-Drain-Kapazität des JFets ... Bei obigem Schaltbild müssen alle hochohmigen Widerstände weg. Aus dem niederohmigen R2 wird eine Verbindung. Spannungsquellen sind Verbindungen, da aber R1 hochohmig ist, kann auch V1 weg. Der Rest kommt komplett weg, auch das GND-Symbol, die GND Leiterbahn bleibt jedoch. Jetzt mußt Du noch die Parallel- und Reihenschaltungen der Kapazitäten auflösen, bis nur noch ein Kondensator übrigbleibt. Dann einsetzten: Fr = 1/(2*Pi*sqr(L*C)) Fr = 1/(2*Pi*sqr(47µH*60pF)) Fr = 3 MHz Übrigens schwingt die Schaltung nicht genau beim Maximum, sondern bei der Phase 180°. Wenn man diese Stelle nach oben verlängert, trifft man die Amplitudenkurve bei -16dB. Der Transistor muß also >=16dB verstärken, um eine ungedämpfte Schwingung zu erhalten. Gruß, Bernd PS Hallo Iguana, lötest Du schon?
Hallo Iguana Planst Du Kapazitätsdioden zu verwenden oder einen Drehkondensator? Gibt es da was in der Bastelkiste?
B e r n d W schrieb: >Einen großen Unterschied in der Beschaltung bezüglich des Arbeitspunktes >kann ich zwischen Clapp, Collpits und Hartley nicht entdecken. Der >Emitter haut bei allen Dreien eine Beule in den Sinus, was ja dann auch >Phasenrauschen verursacht. Häää? Das hat doch nichts mit Phasenrauschen zu tun. Wenn es ein astreiner Sinus sein muss, denn kannst Du auch beim Clapp-Oszi z.B. an der Spule auskoppeln! Aber nur hochohmig, um die Güte des Resonanzkreises nicht zusammen zu reissen, z.B. nach 2..3 Windungen der Spule auf das Gate eines Dualgate-FET's. @Iguana Vergiss aufwendige Oszillatorschaltungen wie sie hier vorgeschlagen werden. Ich habe in über 20 Jahren schon vieles ausprobiert, ich bin immer wieder als beste Lösung auf den Clapp Oszillator zurückgekommen, sei es mit einem Quarz oder dem C-LC Kreis, insbesondere was Stabilität (Frequenzdrift) und Rauschen anbelangt. Viele glauben immer noch, eine gute Schaltung muss kompliziert sein, doch oft ist das Gegenteil der Fall.
Noch was: Ich wundere mich immer wieder, wievielte inGENIEeure ihre Oszis mit FET's aufbauen, man findet diese auch immer wieder in verschiedenen Schaltungen. Nur: FET's haben ein viel höhers 1/f Rauschen als bipolare Transistoren, und dieses 1/f Rauschen findet sich auf wunderbare Weise wieder als auf den Träger aufmoduliertes Phase-Noise!
>Das hat doch nichts mit Phasenrauschen zu tun Erst mal erzeugt es Harmonische. Aber besser man läßt einen Schwingkreis hoher Güte in Ruhe schwingen. Das ist sicherlich auch vorteilhaft für das Phasenrauschen. Bei 3MHz kann man das aber vermutlich relativieren/vernachlässigen. >kannst Du auch beim Clapp-Oszi an der Spule auskoppeln! Da rennst Du offene Türen ein. Das hatte ich vor 1/2 Jahr in einem anderen Thread gepostet mit vertauschten Rollen. Die Harmonischen können leicht bei -60dB liegen. >auf den Clapp Oszillator Den Vackar hätte ich hier auch nicht wirklich favoritisiert. Der Clapp hat halt den Nachteil des eingeschränkten Abstimmbereiches, bei einem Drehko kein Problem, aber bei Varicaps schon. >FET's haben ein viel höhers 1/f Rauschen Vor allem bei 10pF Koppel-C und 1Meg gegen GND. Ein niederohmiger Pfad gegen GND oder zwische Gate und Source könnte das schon beheben. Komischerweise funktionieren die hochohmigen Aktivantennen mit JFet am Eingang besonders bei niedrigen Frequenzen nicht soo schlecht. Der Vorteil der obigen Franklinschaltung liegt einfach in der Nachbau- und Schwingsicherheit. >weil bald ein paar freie Tage auf mich zukommen Aber Iguana sollte sich jetzt endlich einen aussuchen und bauen, sonst sind die Feiertage um und es läuft noch nicht mal der Oszillator.
>>Das hat doch nichts mit Phasenrauschen zu tun >Erst mal erzeugt es Harmonische. Das ist klar, das transiente Grosssignalverhalten der Transitoren ist nicht linear und führt zusammen mit Sättigungseffekten zu diesen typischen Knicks im Sinus. Harmonische ist aber kein Rauschen und sie lassen sich wegfiltern, falls sie stören. >Der Clapp hat halt den Nachteil des eingeschränkten Abstimmbereiches, bei >einem Drehko kein Problem, aber bei Varicaps schon. Man kann das C parallel zur Spule durch zwei anti-parallel geschaltete Varaktordioden realisieren, damit kriegt man auch bis zu einer Oktave Abstimmbereich hin. Es empfiehlt sich aber, den Abstimmbereich nicht wesentlich grösser zu machen als erforderlich. Eine unnötig hohe Abstimmsteilheit birgt auch eine grosse Empfindlichkeit gegenüber Störungen+ Rauschen welches über die Varaktoren aufmoduliert wird.
B e r n d W. schrieb: >>weil bald ein paar freie Tage auf mich zukommen > Aber Iguana sollte sich jetzt endlich einen aussuchen und bauen, sonst > sind die Feiertage um und es läuft noch nicht mal der Oszillator. Tja, freie Tage sind nicht gleich freie Tage, wie ich besonders über Weihnachten feststellen musste... ;-) Habe in der Zwischenzeit die Platine mit dem NE602 fertiggestellt und auch einen mehr oder weniger testweisen Doppelfilter für das 40m-Band (werde jetzt doch mal mit 40m anfangen, weil der Abstimmbereich mit Varicaps besser überstreichbar ist). Ausserdem arbeite ich grade am Layout für eine Platine für den Oszi nach Wilhelm und hoffe, dass er wirklich problemlos anläuft. Ansonsten Kasten Bier fällig, Lieferung frei Haus ;O))) @Bernd Iguana schrieb: > B e r n d W. schrieb: >> Der Regelkreis funktioniert so nicht mehr, er benötigt eine niederohmige >> Verbindung zu GND. Dabei kam es mir nur auf den Nachweis an, daß die >> Basis im Gegensatz zu den meisten anderen Oszillatoren kontinuierlich >> geführt wird. Also weg damit. > > Was meinst du mit Regelkreis? Ich nehme an, den Zweig um R13, D1, C14, > Q1, C13, R12 rausschmeißen (wobei ich diesen Satz "Der Regelkreis > funktioniert so nicht mehr, er benötigt eine niederohmige Verbindung zu > GND" dann nicht ganz verstehe). > > Wenn neben den grade genannten Bauteilen noch R3 und C11 rausfliegen, > lichtet sich der Bauteilewald. Kannst du mir noch die Frage hier beantworten? Als nächstes Projekt würde ich dann wohl den Vackar für 80m aufbauen.
>Kannst du mir noch die Frage hier beantworten? >R13, D1, C14, Q1, C13, R12 rausschmeißen >Der Regelkreis funktioniert so nicht mehr Der Gleichstrom durch den 1k Widerstand am Ausgang bewirkt einen Spannungsabfall. An der Kathode der Diode erscheint diese Gleichspannung minus 0,7 Volt. Dadurch wird der Transistor immer durchgesteuert und der Oszillator wird bedämpft. Den Gleichrichter müßte man durch einen Standard HF-Gleichrichter am Besten mit 2 Dioden ersetzen. Aber eigenlich brauchst Du diese Stabilisierung garnicht.
Schau mal Wilhelm, so bekommt man einen schönen Sinus mit Franklin: einfach am LC-Kreis auskoppeln! Für den LC-Kreis werde ich eine 10,7MHz-Filterspule mit Koppelwicklung einbauen und mal schauen, ob man das Signal nicht einfach an der Koppelwicklung auskoppeln kann. Eventuell braucht man dann den BF199 gar nicht mehr... @ Bernd: die Sache mit dem HF-Gleichrichter schaue ich mir später noch genauer an, wenn der Franklin zufriedenstellend läuft. Ist sonst zu viel auf einmal.
Der Treiber verhindert vor allem Rückwirkungen aus der restlichen Schaltung auf den Oszillator. Erst recht, wenn später ein Frequenzzähler dran soll. Dieser benötigt möglicherweise sogar eine weitere Treiberstufe zur Entkopplung.
Die gehen doch in den Application Notes direkt vom externen Oszillator auf den Mischer an Pin6, denn dort ist ja noch ein Buffer integriert. Aber von Pin8 zum Frequenzzähler ist auf jeden Fall eine Stufe notwendig, die AN1982 beschreibt als beste Lösung einen Dual-Gate-Mosfet als rückwirkungsarmen Verstärker mit konstanter Eingangskapazität.
>Aber von Pin8 zum Frequenzzähler
Falsch, Pin7 ist der Ausgang.
Demodulationsprobleme:
Vermutlich wäre es besser, das Audion nie schwingen zu lassen, sondern
einen BFO einzuspeisen. Dann kann das Signal in der Mitte der Resonanz
liegen. Ansonsten muß bei CW um 600Hz verstimmt werden. Das Audion läßt
sich durch die niedrige ZF von 455kHz auf eine 6dB Bandbreite von bis zu
100 Hz "anziehen". Exact im Punkt des Schwingungseinsatzes wäre das
Signal nicht mehr im Durchlaßbereich.
Noch schlimmer bei SSB. Das Audion müßte auf eine Bandbreite von ~6kHz
eingestellt werden, damit der Träger an die richtige Stelle zu liegen
kommt und das Signal noch einigermaßen durchkommt. Dadurch erwischt man
aber immer auch den Nachbarkanal.
Sowas gab es doch bestimmt schon mal?
Der Oszi selber läuft mittlerweile. B e r n d W. schrieb: > Der Treiber verhindert vor allem Rückwirkungen aus der restlichen > Schaltung auf den Oszillator. Erst recht, wenn später ein Frequenzzähler > dran soll. Dieser benötigt möglicherweise sogar eine weitere > Treiberstufe zur Entkopplung. Frequenzzähler wird sowieso gebuffert! Zum wirklichen Entkoppeln wäre wahrscheinlich entweder ein Bipo in Basisschaltung, ein jFET in Gainschaltung oder ein DualGate-MOSFET in Drainschaltung empfehlenswert. > Die gehen doch in den Application Notes direkt vom externen Oszillator > auf den Mischer an Pin6, denn dort ist ja noch ein Buffer integriert. > > Aber von Pin8 zum Frequenzzähler ist auf jeden Fall eine Stufe > notwendig, die AN1982 beschreibt als beste Lösung einen Dual-Gate-Mosfet > als rückwirkungsarmen Verstärker mit konstanter Eingangskapazität. Von daher wäre ein Auskoppeln über die Koppelwicklung gar nicht so schlecht, weil die Ausgangsspannung dann schon runtertransformiert und damit niederohmiger ist, für den Buffer des NE602 sollte es wohl reichen. "Dual-Gate-Mosfet" habe ich ja oben schon erwähnt ;-) >>Aber von Pin8 zum Frequenzzähler > Falsch, Pin7 ist der Ausgang. Kein Problem, vor dem Zusammenstricken schaue ich ohnehin noch mal ins Datenblatt. > Demodulationsprobleme: > Vermutlich wäre es besser, das Audion nie schwingen zu lassen, sondern > einen BFO einzuspeisen. Dann kann das Signal in der Mitte der Resonanz > liegen. Ansonsten muß bei CW um 600Hz verstimmt werden. Das Audion läßt > sich durch die niedrige ZF von 455kHz auf eine 6dB Bandbreite von bis zu > 100 Hz "anziehen". Exact im Punkt des Schwingungseinsatzes wäre das > Signal nicht mehr im Durchlaßbereich. Darüber habe ich mir auch schon Gedanken gemacht. Das mit dem BFO ist natürlich eine gute Idee! Was man dann mit dem ZF-Filter macht, weiß ich noch nicht. In jedem Fall wird das Audion von der Frequenz her in gewissen Bereichen abstimmbar sein müssen. Schlimmstenfalls müsste man das ZF-Filter einfch weglassen...!?! > Noch schlimmer bei SSB. Das Audion müßte auf eine Bandbreite von ~6kHz > eingestellt werden, damit der Träger an die richtige Stelle zu liegen > kommt und das Signal noch einigermaßen durchkommt. Dadurch erwischt man > aber immer auch den Nachbarkanal. > > Sowas gab es doch bestimmt schon mal? Habe jedenfalls noch nichts in der Richtung gefunden! Frohen Jahreswechsel!
>Sowas gab es doch bestimmt schon mal? Es gab mal ein Zusatzgerät von Heathkit und viele Nachkriegsgeräte hatten einen Q-Multiplier drin. So, ich hab das jetzt ausprobiert (obige Schaltung). Die zwei Oszillator-Signale hab ich von externen Signalgeneratoren eingespeist. Es verhält sich tatsächlich wie vermutet. Mit BFO kann man die Empfangsfrequenz schön auf Maximum einstellen und erhält einen sauberen Klang auch bei SSB. Es gibt zwei Einstellungen: SSB und CW. Ansonsten braucht man an der Rückkopplung und am BFO nichts mehr verstellen. >das ZF-Filter einfch weglassen Es gibt nur einen Schwingkreis in der ZF und ohne den gehts nicht. Vom Aufwand her könnte man jetzt auch mit einem Produktdetektor demodulieren. Trotzdem erspart die Q-Multiplier-Methode im ZF-Bereich einige Bauteile, wenn auch mit Abstrichen bei den Filtereigenschaften: Oben zu schmal und unten zu breit. Immerhin ist die Bandbreite in gewissem Rahmen einstellbar. Im Hintergrund vor allem am oberen Bandende hört man noch leise die Rundfunksender im 41m Band. Die Unterscheidung von LSB und USB beträgt ca. 20dB, die andere Seite ist also noch hörbar. >Frohen Jahreswechsel! Ebenfalls einen "Guten Rutsch" an alle!
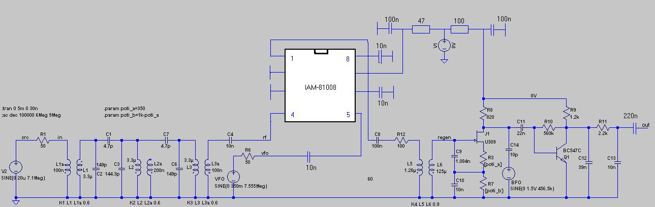
@B e r n d W. was ist das für ein (mischer-)kästchen mit der bezeichnung iam-81008 im diagramm?
Das ist ein Mischer-IC IAM-81008 von Agilent/HP, welcher aber nicht mehr hergestellt wird. Er dürfte sich bezüglich Kreuzmodulation etwas besser verhalten, als der NE612. Er hat keinen integrierten Oszillator, dafür müssen -5dBm eingespeist werden.
B e r n d W. schrieb: > Mischer-IC IAM-81008 von diesem ic habe ich noch nie gehört. kann man auch ein dual gate mos fet als mischer nehmen?
>> Mischer-IC IAM-81008 >von diesem ic habe ich noch nie gehört. Der war halt in der Bastelkiste. Die oberste Schaltung oben ist so ähnlich aufgebaut: http://theradioboard.com/rb/viewtopic.php?p=26813 Anstatt T1 und T2 könnte man auch einen DG-Mosfet einsetzten, im Oszillator sitzt ja sowiso schon einer. Aber ich würde dann eher eine Version mit dem NE612 als Mischer vorziehen. Einen weiteren Vorteil bezüglich Durchschlagen verspreche ich mir von einem weiteren ZF-Filter. Es wäre aber keine zusätzliche Verstärkung mehr notwendig.
B e r n d W. schrieb: > Aber ich würde dann eher eine Version mit dem NE612 als Mischer > vorziehen. Einen weiteren Vorteil bezüglich Durchschlagen verspreche ich > mir von einem weiteren ZF-Filter. Es wäre aber keine zusätzliche > Verstärkung mehr notwendig. interessantes konzept! B e r n d W. schrieb: > Demodulationsprobleme: > Vermutlich wäre es besser, das Audion nie schwingen zu lassen, sondern > einen BFO einzuspeisen. Dann kann das Signal in der Mitte der Resonanz > liegen. Ansonsten muß bei CW um 600Hz verstimmt werden. Das Audion läßt > sich durch die niedrige ZF von 455kHz auf eine 6dB Bandbreite von bis zu > 100 Hz "anziehen". Exact im Punkt des Schwingungseinsatzes wäre das > Signal nicht mehr im Durchlaßbereich. wo würde man den bfo einspeisen? braucht man dann einen zweiten mischer? könnte man zwischen usb und lsb unterscheiden?
B e r n d W. schrieb: >>> Mischer-IC IAM-81008 >>von diesem ic habe ich noch nie gehört. ebay 110545137678 Arno
>wo würde man den bfo einspeisen? Der ist schon im letzten Schaltplan eingezeichnet. Das BFO-Signal hab ich bisher von einemn Signalgenerator über C14 = 10pF in den Drain von J1 eingespeist. Das Signal addiert sich nicht einfach dazu, sondern das Signal im Schwingkreis L6, C9, C10 wird amplitudenmoduliert. Der Schwingkreis entfernt auch gleich das Summensignal 455kHz + BFO. Der BFO sollte ausgehend von den 455kHz um +/- 2..3 kHz verstellbar sein. Die Aplitude ist nicht kritisch, Verändern der Spannung um 30% hat nur einen geringen Einfluß. >Die Unterscheidung von LSB und USB beträgt ca. 20dB Dies gilt aber nur für CW und kurz vorm Schwingungseinsatz. Die Resonanz ist dann auch nur 300-400Hz/-6dB breit. Macht man das Filter noch schmaler, fängt es zu klingeln an. Ursprünglich war für das Vorfilter noch ein 8 MHz Sperrkreis eingeplant. Dieser hat sich bisher nicht als notwendig erwiesen. Die Spiegelfrequenz liegt zwischen 7,9 und 8,1 MHz. Dort ist anscheinend so wenig los, daß eventuell sogar ein Doppelfilter als Vorkreis ausreichen könnte.
B e r n d W. schrieb: >>wo würde man den bfo einspeisen? > Der ist schon im letzten Schaltplan eingezeichnet. Das BFO-Signal hab > ich bisher von einem Signalgenerator über C14 = 10pF in den Drain von > J1 eingespeist. ...jetzt sehe ich es auch! Du koppelst also direkt ins Audion ein. > Das Signal addiert sich nicht einfach dazu, sondern das > Signal im Schwingkreis L6, C9, C10 wird amplitudenmoduliert. Der > Schwingkreis entfernt auch gleich das Summensignal 455kHz + BFO. Das verstehe ich nicht richtig. Wo liegt der Unterschied zwischen Signaladdition und Amplitudenmodulation? Und warum entfernt der Schwingkreis das Summensignal? > Ursprünglich war für das Vorfilter noch ein 8 MHz Sperrkreis eingeplant. > Dieser hat sich bisher nicht als notwendig erwiesen. Die Spiegelfrequenz > liegt zwischen 7,9 und 8,1 MHz. Dort ist anscheinend so wenig los, daß > eventuell sogar ein Doppelfilter als Vorkreis ausreichen könnte. Hast du die Schaltung real aufgebaut oder "nur" simuliert?
>Wo liegt der Unterschied zwischen Signaladdition und Amplitudenmodulation? http://de.wikipedia.org/wiki/Amplitudenmodulation >Hast du die Schaltung real aufgebaut oder "nur" simuliert? Die Schaltung ist genauso aufgebaut wie oben, nur um den IAM-81008 befinden sich im realen Aufbau noch ein paar zusätzliche Kondensatoren. Den Sperrkreis hatte ich nur simuliert, damit würde man theoretisch eine Spiegelfrequenzunterdrückung von 70dB schaffen.
B e r n d W. schrieb: >>Hast du die Schaltung real aufgebaut oder "nur" simuliert? > Die Schaltung ist genauso aufgebaut wie oben, nur um den IAM-81008 > befinden sich im realen Aufbau noch ein paar zusätzliche Kondensatoren. und wie macht sich die schaltung? habe mir auch mal eine hand voll IAM-81008 geordert. würde es eventuell gerne nachbauen!
Hallo wolli
>und wie macht sich die schaltung?
Die spielt verblüffend gut, sehr stabil im Vergleich zu einem normalen
Audion. Ich hab eine Zimmer-Loopantenne angeschlossen und hatte bisher
noch keine richtige Übersteuerung. Ganz schwaches Durchschlagen von
Rundfunksendern (41m Band) führe ich auf mangelnde Weitabselektion des
einzigen Filters in der ZF zurück.
Die Selektivität kann man natürlich nicht mit einem Superhet mit
Quarzfilter vergleichen. SSB ist gut verständlich und CW kann man auf
Schwebungsnull einstellen und dann mit dem BFO unteres oder oberes
Seitenband wählen. Aber bei angezogener Rückkopplung des Q-Multipliers
ist das CW Signal durch den schmalen Peak schon recht schwierig
einzustellen.
Einen VFO mit minimaler Drift hab ich jetzt schon dran und nach meinem
Urlaub gibt es einen "richtigen" BFO.
Gruß, Bernd
hallo bernd, das klingt interessant! was für ein bfo ist derzeit angeschlossen? > Ganz schwaches Durchschlagen von > Rundfunksendern (41m Band) führe ich auf mangelnde Weitabselektion des > einzigen Filters in der ZF zurück. kann man am hf-eingang ein poti anbringen, mit dem man das gesamte eingangssignal so abschwächen kann, daß das rundfunksignal grade nicht mehr hörbar ist? vielleicht könnte man auch zwei zf-filter hintereinanderschalten (oder vielleicht sogar ein quarzfilter benützen)?
>was für ein bfo ist derzeit angeschlossen? Das ist mein alter Meßsender. >kann man am hf-eingang ein poti anbringen Ein 1 kOhm Poti am Eingang kann nicht schaden. >abschwächen, bis das rundfunksignal grade nicht mehr hörbar ist? Bei Kreuzmodulation würde das funktionieren. Bei mir wurde alles gleichmäßig leiser. Daraus schloss ich, daß die Weitabselektion des Q-Multipliers nicht reicht. Daraufhin hab ich ein zweites Filter davorgebaut, was aber nicht richtig funktionierte, vermutlich weil sich beide Schwingkreise als Bandfilter verkoppelten, trotz der losen Anbindung. Zwischen den Filtern müßte ein Trennverstärker eingebaut werden. Die Verstärkung sollte aber kleiner als 10 dB sein, um Übersteuerung zu vermeiden. Eventuell käme da auch ein einfaches 455kHz Keramikfilter mit 5-10 kHz Bandbreite in Frage. >wie groß ist eigentlich das poti R3/R7? Das hat 1 kOhm.
>habe mir auch mal eine hand voll IAM-81008 geordert.
Der hat ja ein typisches SSB NoisFigure von 17 dB, das ist mehr
rauschend als berauschend!
B e r n d W. schrieb: > Eventuell käme da auch ein einfaches 455kHz > Keramikfilter mit 5-10 kHz Bandbreite in Frage. solche filter müsste ich noch irgendwo haben (mit drei beinen). kannst du ein foto von deinem aufbau posten? (das würde mich brennend interessieren) dieser eingangsfilteraufbau, ist der durch einzelne kammern "gesichert", damit kein hf "überfließen" kann? B e r n d W. schrieb: >>abschwächen, bis das rundfunksignal grade nicht mehr hörbar ist? > Bei Kreuzmodulation würde das funktionieren. Bei mir wurde alles > gleichmäßig leiser. Daraus schloss ich, daß die Weitabselektion des > Q-Multipliers nicht reicht. gut, dann geht das hier nicht. Peter schrieb: >>habe mir auch mal eine hand voll IAM-81008 geordert. > Der hat ja ein typisches SSB NoisFigure von 17 dB, das ist mehr > rauschend als berauschend! butter bei die fische, was empfiehlst du, peter!
>SSB Noise Figure von 17 dB Ja, das hatte ich schon gelesen. Der NE612 ist mit 5dB angegeben. Aber sind die Werte direkt vergleichbar? Inwiefern spielt die Bandbreite eine Rolle? In der Realität ist ohne Antenne ein Rauschen zu vernehmen, mit Antenne wird es aber subjektiv um Faktor 3 lauter. Eventuell wäre ein direkter Vergleich mit einem anderen Receiver sinnvoll. Um das nachzumessen, fehlen mir die Meßmittel. >eingangsfilteraufbau, ist der durch einzelne kammern "gesichert" Nein, vorerst ist das bei 50dB Dämpfung noch nicht notwendig. Da würde ich lieber den VFO schön abschirmen, auch um Zugluft zu vermeiden.
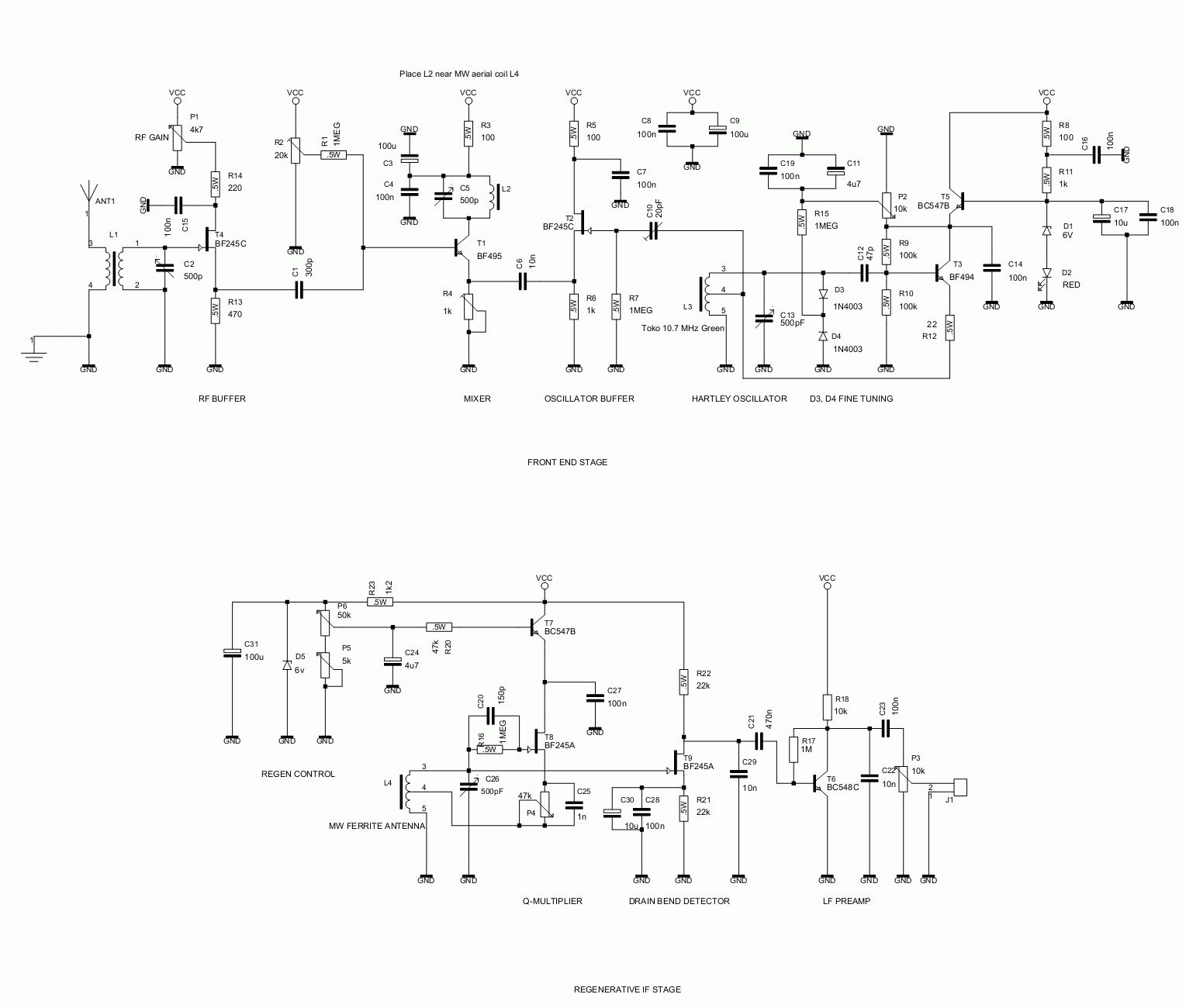
Hier habe ich einen Superhet-Audion. Es besteht aus einen Konverter und einen Rückkopplungsaudion mit separatem Entdämpfer und separatem Detector. Solche Empfänger werden auch Supergainer genannt.
Hallo, ich kenne den gezeigten Schaltplan auch. Vermutlich wird es besser und einfacher sein, als Mischer einen NE602 (SA612) einzusetzen. Besonders günstig wird es wahrscheinlich, wenn man das ganze so aufbaut, dass man ein Ladder Filter zwischen Mischerausgang und "Empfangs"-Audion schalten kann (sehr hohe Selektivität). Das Audion selber ist nämlich auch bei optimaler Einstellung um Längen unselektiver als ein gutes Ladder Filter. (das aber nur mal nebenbei ins "Unreine" geschrieben, es gibt natürlich auch noch andere Aspekte, die man beachten sollte)
Da der Thread jetzt schon mal aufgewärmt ist > ein typisches SSB NoisFigure von 17 dB > das ist mehr rauschend als berauschend! Der NE612 rauscht weniger, aber im gleichen Verhältnis ist der IAM-81008 Großsignalfester. Baut man vor letzteren einen Vorverstärker bis man die Mischverstärkung des NE612 erreicht, geht das Rauschen zurück und ebenso der IP3, die Werte gleichen sich an. > Das Audion selber ist nämlich auch bei optimaler Einstellung > um Längen unselektiver als ein gutes Ladder Filter. Das kann ich bestätigen, deshalb hat sich meine Schaltung genau in diese Richtung entwickelt. Das obere Schaltbild zeigt den auf den NE612 umgebauten Empfänger mit Keramikfilter vor dem Q-Multiplier für verbesserte Weitabselektion. Die Trennung von Q-Multiplier und BFO empfand ich schon in der allerersten Version als wesentliche Verbesserung gegenüber der Demodulation mit einem selbstschwingenden Audion. Das untere Schaltbild zeigt die endgültige Version, wie ich sie heute noch verwende. HF-Vorstufe, Quarzfilter für SSB, DG-Mosfet ZF-Verstärker wegen der AGC und ein zuschaltbares Audio-Filter für CW. Der VFO läuft ziemlich stabil, da er mit nur 1,8 MHz schwingt. SSB bleibt dadurch auf dem unteren Seitenband und die steile Seite des Quarzfilters verbessert die Dämpfung des unerwünschten Seitenbandes.
Da bekommt man direkt Lust auf Nachbauen! B e r n d W. schrieb: > Die > Trennung von Q-Multiplier und BFO empfand ich schon in der allerersten > Version als wesentliche Verbesserung gegenüber der Demodulation mit > einem selbstschwingenden Audion. Wie wird das Audion eingestellt (im Bezug auf Potis/Drehko/Regler)? Der zweite NE612 ist ein Produktdetektor oder?!
> Wie wird das Audion eingestellt Die Resonanzfrequenz befindet sich in der Mitte des zu empfangenen Signals, der BFO ca. 1,5 kHz höher oder tiefer. Da sich die Frequenz nicht ändert, kann der Bereich des Rückkoppel-Potis sehr stark gespreizt werden. Im Schaltplan ist ein 1k Poti eingezeichnet. Optimal wäre ein 680 Ohm Festwiderstand, ein Poti mit 100 Ohm und einen Trimmer mit 250 Ohm. Der Trimmer wird so eingestellt, daß mit dem Rückkoppel-Poti gerade so die Schwingung einsetzt. Es gibt eine moderate Einstellung für SSB und einen Bereich für CW. Kurz vor dem Schwingungseinsatz beträgt die Bandbreite weniger als 50 Hz bei -6dB. > Der zweite NE612 ist ein Produktdetektor oder?! Ja, im Original wird der interne Oszillator zusammen mit einem Quarz als BFO verwendet. Beim VFO handelt es sich um einen Colpitts-Oszillator mit BF199 und kleinem Drehko. Außer dem Drehko sind alle Oszillatorteile für den Temperaturausgleich mit Wachs übergossen. Das Signal wird am NE612/Pin6 ohne zusätzlichen Puffer eingespeist.
B e r n d W. schrieb: > Da sich die Frequenz > nicht ändert, kann der Bereich des Rückkoppel-Potis sehr stark gespreizt > werden. Klingt nach angenehmer Rückkopplungs-Regelung! Warum wird eigentlich die Rückkopplung überhaupt benötigt, wenn ein BFO vorhanden ist? > Kurz > vor dem Schwingungseinsatz beträgt die Bandbreite weniger als 50 Hz bei > -6dB. Beachtlich! > Beim VFO handelt es sich um einen Colpitts-Oszillator mit BF199 und > kleinem Drehko. Warum wurde der interne Oszillator des NE612 nicht benutzt, ist er weniger frequenzstabil als ein externer Oszi. mit BF199?
> Warum wird eigentlich die Rückkopplung überhaupt benötigt Weil mit der Rückkopplung die Bandbreite eingestellt wird. Der Bereich von 9kHz bis 50Hz ist prinzipiell interessant. Mit 9kHz war das Keramikfilter recht breit, hat aber für die Weitabselektion ausgereicht. An der Rückkopplung hätte man zwei Linien aufmalen können mit der Bezeichnung SSB und CW. Bei SSB war schon eine deutliche Dämpfung (fast 20dB) des unerwünschten Seitenbandes feststellbar. >> weniger als 50 Hz bei -6dB. > Beachtlich! Das hört sich dann eher wie ein getasteter Multivibrator an, nicht wie ein empfangenes Signal. Das Signal triggert den Schwingungseinsatz. Nur auf genau diesem Punkt ist die Resonanz so schmalbandig, mit einer konstanten Schwingung wird es schon wieder breiter. > Warum wurde der interne Oszillator des NE612 nicht benutzt Vorurteile, ich hab das nie probiert, wollte aber die frequenzrelevanten Teile eng zusammenlassen, abschirmen und mit Wachs übergießen. Nur dann können sich durch Wärmekopplung die Temperaturdriften ausgleichen.
Hallo, Danke für die ausführliche Antwort! Kannst du mal die .asc-Datei vom fertigen Schaltplan posten? Würde sie gerne zur besseren Betrachtung ausdrucken. Viele Grüße, Daniel
Bitte das JPG-Format nur für Fotos und Scans verwenden! Zeichnungen und Screenshots im PNG- oder GIF-Format hochladen. Siehe Bildformate
> Bitte das JPG-Format
Hallo Mathias, Du bist der Einzige, der hier das JPG-Format Format
raufgeladen hat. Nein Mist, jetzt ist es mir auch passiert. Spass
beiseite, ich lade meist gif oder asc-Dateien rauf und die sind ziemlich
klein. Von anderen Leuten gibt es noch pngs, verwechselst Du
möglicherweise den Tread?
@Daniel
Siehe Anhang!
Hallo, Danke für die .asc-Files! Kannst du eventuell noch den Schaltplan mit dem Oszillator (mit BF199) online stellen?
Danke für die Schaltpläne! Sind L4, L5 (beim zweiten Oszillator mit BF199) handgewickelt oder handelt es sich um eine 10,7MHz-Filterspule, bei der Primär- und Sekundärwicklung an einer Seite verbunden werden?
> handelt es sich um eine 10,7MHz-Filterspule?
Ja, es handelt sich um eine ganz normale 10,7MHz-Filterspule. Manche
haben eine Anzapfung, dann geht ein Hartley. Ohne Anzapfung würde ich
eine Colpitts-Schaltung verwenden.
Mit einer Parallelkapazität und der verschobenen Resonanz im Verhältnis
zu 10,7 MHz können interne Kapazität und Induktivität berechnet werden.
Dann muss nur noch Frequenz und Abstimmbereich mit Drehkondensator bzw.
Kapazitätsdiode durch Reihen- / Parallelschaltung von Cs angepasst
werden.
Je nach Temperaturkoeffizient der Kondensatoren kann die Drift noch
optimiert werden. Das Windungsverhältnis der Koppelwicklung, falls
vorhanden, kann sich auch noch unterscheiden.
B e r n d W. schrieb: > Ja, es handelt sich um eine ganz normale 10,7MHz-Filterspule. Manche > haben eine Anzapfung, dann geht ein Hartley. Ohne Anzapfung würde ich > eine Colpitts-Schaltung verwenden. Hartley klingt gut! Ich weiß nur nicht, welches Wicklungsverhältnis meine 10,7MHz-Filterspulen intern aufweisen... > Mit einer Parallelkapazität und der verschobenen Resonanz im Verhältnis > zu 10,7 MHz können interne Kapazität und Induktivität berechnet werden. > Dann muss nur noch Frequenz und Abstimmbereich mit Drehkondensator bzw. > Kapazitätsdiode durch Reihen- / Parallelschaltung von Cs angepasst > werden. Also (Grund-)Frequenzabstimmung über die Filterspule und "Kanalabstimmung" per Drehlo oder Varicap... Die Frequenz kann man ja messen! > Je nach Temperaturkoeffizient der Kondensatoren kann die Drift noch > optimiert werden. Das Windungsverhältnis der Koppelwicklung, falls > vorhanden, kann sich auch noch unterscheiden. Das klingt auf jeden Fall nach einem interessanten und nicht ganz alltäglichen Bauprojekt! Werde nächste Woche mal meine "Lagerbestände" überprüfen, die meisten Bauteile müsste ich noch vorrätig haben. Vielleicht wage ich einen Nachbau. Vorab gefragt, wie läuft das Gerät bei dir in der Praxis und welche Schalter und Regler werden benötigt (dann könnte ich mir schon mal Gedanken über ein geeignetes Gehäuse machen). Deine Schaltung arbeitet mit 8V und der Oszi mit 6V. Werden die Spannungen aus 12V über Spannungsregler (7808 bzw. 7806) gewonnen? Kann man ein Steckdosennetzteil (mit echtem Trafo) verwenden oder gibt es dabei möglicherweise HF-Probleme? (eine brauchbare 12V-Batterie habe ich nicht am Start)
Hallo Daniel > Hartley klingt gut! Ich weiß nur nicht, welches > Wicklungsverhältnis meine 10,7MHz-Filterspulen intern aufweisen Hauptsache es schwingt. > Also (Grund-)Frequenzabstimmung über die Filterspule und > "Kanalabstimmung" per Drehlo oder Varicap Der Bereich läßt sich mit der Spule um mindestens +/- 10% verstellen. Das Frequenzverhältnis entspricht der Wurzel des Kapazitätsverhältnisses. Also erst mal einen Kondensator parallel, die Abstimmkapazität dazu und durchstimmen. Mit zu kleinen Reihenkapazitäten wird ein Drehkondensator ziemlich unlinear. >> Je nach Temperaturkoeffizient der Kondensatoren > Das klingt auf jeden Fall nach einem interessanten > und nicht ganz alltäglichen Bauprojekt! Das ist nicht ohne, bis ein Oszillator (fast) Quarzstabil läuft. So Mancher läuft jetzt noch schreiend durch die Gegend. Wenn man 1-2 Watt übrig hat kann man sogar thermostatisieren. > wie läuft das Gerät bei dir in der Praxis Kommt jetzt darauf an, das Superhet-Audion ist ja wieder demontiert bzw. umgebaut zur zweiten Schaltung. Der erste Rx war empfindlich genug, um bei guten Bedingungen mit der Zimmerloop Stationen aus USA zu empfangen und bei CW sogar selektiver. Der Demodulator beim Rückkoppelempfänger kann noch AM demodulieren, er ist aber auch leicht zu Übersteuert, weshalb ein HF-Regler notwendig ist. Beim 455kHz Filter handelt es sich in Wirklichkeit nicht um ein Ladderfilter, sonder um ein kleines schwarzes Klötzchen von Murata, am Besten mit 6kHz Bandbreite oder schmaler. Bei der zweiten Schaltung entfernt das Quarzfilter dafür die Nachbarkanäle und das andere Seitenband wesentlich effektiver. Es folgt nach dem Demodulator noch ein umschaltbares NF-Filter CW/SSB und ein LM386. Durch Platzmangel hab ich alles ein wenig reingequetscht müssen. Dieser Oszillator läuft nun mit 1.788 - 1.990 MHz, was sich bei einer so niedrigen Frequenz sehr leicht mit einem AVR zählen läßt. Dann einfach 5.214 zur Frequenz addieren und auf einem kleinen Display 2x16 anzeigen. Bei einem anderen Receiver hab ich eine FLL eingebaut, die CPU regelt über einen PWM-Ausgang den Oszillator nach. Trotzdem sollte der Oszillator schon von Haus nur langsam driften, sonst wird die Frequenz "unruhig". > 8V und der Oszi mit 6V Der NE612 kann von 5-8 Volt betrieben werden. Die restliche Schaltung kann man soweit anpassen. Wenn es auf den Stromverbrauch ankommt, würde ich eher zu BF245A tendieren, denn jeder J310 verbrät 20-40 mA, soviel wie mein kompletter DC-Receiver. Den hatte ich in den Urlaub mitgenommen. Die kritischen Teile sind auf 6Volt stabilisiert, alles Andere wie der TDA7052A laufen direkt an einem 9V Block. Jeden Abend hab ich damit 1-2 Stunden gehört und die Batterie war nach 1,5 Wochen leer. Auf dem Campingplatz war der Störpegel gefühlte 20 dB niedriger als Zuhause. > Kann man ein Steckdosennetzteil (mit echtem Trafo) verwenden Ja, kein Problem. Bei Bedarf kann der Brückengleichrichter entstört werden, bei mir hat es geholfen. > welche Schalter und Regler werden benötigt Das kann ich leider erst beantworten, wenn ich weiss, welchen Du meinst.
Hallo, Danke für die Hinweise! B e r n d W. schrieb: > Das ist nicht ohne, bis ein Oszillator (fast) Quarzstabil läuft. So > Mancher läuft jetzt noch schreiend durch die Gegend. Wenn man 1-2 Watt > übrig hat kann man sogar thermostatisieren. Kann ich mir lebhaft vorstellen, hatte auch schon einige (Fehl-) Versuche in diese Richtung unternommen. > Kommt jetzt darauf an, das Superhet-Audion ist ja wieder demontiert bzw. > umgebaut zur zweiten Schaltung. Zum Superhet_40m_NE612_5.2144.asc ?!? >> welche Schalter und Regler werden benötigt > > Das kann ich leider erst beantworten, wenn ich weiss, welchen Du meinst. Ich meine das Superhet_40m_NE612_5.2144.asc mit dem Ladder Filter. AVR als f-Zähler ist eine lustige Idee! Hast Du ein fertiges Programm dazu?
@ Daniel >> Kommt jetzt darauf an, das Superhet-Audion ist ja wieder demontiert >> bzw. umgebaut zur zweiten Schaltung. > Zum Superhet_40m_NE612_5.2144.asc ?!? Ja. Schritt für Schritt immer was anderes probiert und das ist zum Schluss rausgekommen. Die Schaltung ist aber nichts besonderes. Wer danach sucht, findet einige ähnliche. > AVR als f-Zähler ist eine lustige Idee! > Hast Du ein fertiges Programm dazu? Aber es gibt ein Programm zu dieser Schaltung: Beitrag "Re: Ladderfilter berechnen und bauen" Bei der Software wird der Incrementalgeber noch nicht ausgewertet, aber die FFL funktioniert. Der Vorteiler ist dann wegen der niedrigen Frequenz nicht notwendig. Ein AVR kann bis knapp zur Halfte seines Prozessortakts zählen. Also sollte der Zähler bei einem beliebigen Takt über 4 MHz funktionieren. Ein PIC kann das bis 50 MHz. Die AVRs sind mir aber trotzdem lieber. Der Vorverstärker sollte eine möglichst geringe Rückwirkung auf den Oszillator bzw. Mischer ausüben, um Störungen zu vermeiden. Als erste Stufe sollte ein JFet oder ein DG-Mosfet verwendet werden. Bei mir waren deshalb zwei Verstärkerstufen notwendig. Wenn am NE612/Pin7 aungekoppelt wird, reicht vermutlich eine Stufe. Dazu gibt es in der AN1982 die Figure4. > welche Schalter und Regler werden benötigt > Superhet_40m_NE612_5.2144.asc mit dem Ladder Filter. Schalter: --------- Ein/Aus, 1xEin CW/SSB, 2xEin Poti: ----- HF-Regler 250 Ohm Abstimmpoti 10k, evtl. 10-Gang falls Varicap-Abstimmung oder Drehkondensator Lautstärkepoti entweder 10k für LM386 o.ä. oder 1Meg für TDA7052A Quarze: ------- 20 Quarze 5.2144 MHz, Stück a' 18 Cent Möglichkeit zum Vermessen der Quarze z.B. Oszillator + Frequenzzähler Sonstiges: ---------- Platine, Europakarte 10x16cm, komplett Kupfer Antennenbuchse, z.B. BNC Kopfhörerbuchse Netzteilanschluss ... Batteriekontakte für 9V
Hallo Bernd, Danke für die ausführliche Antwort mit Stückliste! B e r n d W. schrieb: > Die Schaltung ist aber nichts besonderes. Ich finde schon, dass die Schaltung etwas besonderes ist! > Der Vorverstärker sollte eine möglichst geringe Rückwirkung auf den > Oszillator bzw. Mischer ausüben, um Störungen zu vermeiden. Als erste > Stufe sollte ein JFet oder ein DG-Mosfet verwendet werden. Bei mir waren > deshalb zwei Verstärkerstufen notwendig. Wenn am NE612/Pin7 aungekoppelt > wird, reicht vermutlich eine Stufe. Dazu gibt es in der AN1982 die > Figure4. Ich habe hier im Forum irgendwo eine Pufferschaltung mit FET und anschließendem BIPO als Imp-Wandler gesehen, die soll gute Arbeit für solche Zwecke leisten. > 20 Quarze 5.2144 MHz, Stück a' 18 Cent Sind das diese "Computerquarze"? Im Moment habe ich leider nicht viel Zeit zum Basteln, halte mir das Projekt aber warm. À propos "warm": wie funktioniert das mit der thermischen Stabilisierung eines Oszillators, du hattest das Thema oben mal angedeutet... Viele Grüße!
>> Die Schaltung ist aber nichts besonderes. > Ich finde schon, dass die Schaltung etwas besonderes ist! Ich geh davon aus, daß die meisten möglichen Kombinationen schon durchprobiert wurden. Hier gibt es schon einige ähnliche Konzepte: http://www.qsl.net/v/va3iul/Homebrew_RF_Circuit_Design_Ideas/Homebrew_RF_Circuit_Design_Ideas.htm >> 20 Quarze 5.2144 MHz, Stück a' 18 Cent > Sind das diese "Computerquarze"? Die waren, wenn ich mich richtig erinnere, aus der Bucht. Bei R. gibt es: 4,9152 MHz 5,0000 MHz 5,0688 MHz 5,2000 MHz Diese Frequenzen sind für das Konzept geeignet, bei anderen Frequenzen liegt die Harmonische der ZF oder des Oszillators im Empfangsbereich. Dann müßte der Oszillator oberhalb der Empfangsfrequenz schwingen, aus LSB wird USB und das unerwünschte Seitenband würde auf die flache Seite des Filters gespiegelt. Die Quarze 5,0688 MHz und 5,2 MHz in HC18/U-Ausführung haben mit 50 Ohm den niedrigsten Serienwiderstand und damit sehr wahrscheinlich auch die niedrigste Filterdämpfung. > wie funktioniert das mit der thermischen Stabilisierung So wie hier: http://www.qsl.net/hb9kab/Heizung_T7F.html Anstatt des Quarzes wird jedoch ein kleines, in Styropor eingepacktes Alugehäuse beheizt, indem sich am Besten der komplette Oszillator befindet. Für ein schnelles Aufheizen sollten die Teile Wärmekontakt zum Alugehäuse haben. Eventuell kann der Oszillator komplett mit Wachs geflutet werden.
Hallo Bernd! B e r n d W. schrieb: > Ich geh davon aus, daß die meisten möglichen Kombinationen schon > durchprobiert wurden. Hier gibt es schon einige ähnliche Konzepte: Ok, aber du hast das ja für dich individuell von Anfang bis Ende durchentwickelt! > Diese Frequenzen sind für das Konzept geeignet, bei anderen Frequenzen > liegt die Harmonische der ZF oder des Oszillators im Empfangsbereich. Aha, deshalb dieser Frequenzbereich! > Die Quarze 5,0688 MHz und 5,2 MHz in HC18/U-Ausführung haben mit 50 Ohm > den niedrigsten Serienwiderstand und damit sehr wahrscheinlich auch die > niedrigste Filterdämpfung. Werde ich beherzigen, wenn ich es nachbaue... Muss man eigentlich für ein Ladderfilter alle Parameter der Quarze rausfinden oder reicht es, die zu selektieren, die (möglichst) auf der/ den selben Frequenz(en) schwingen? > Anstatt des Quarzes wird jedoch ein kleines, in Styropor eingepacktes > Alugehäuse beheizt, indem sich am Besten der komplette Oszillator > befindet. Im Moment überlege ich, einfach mal den Oszillator aufzubauen und zu schauen, ob er stabil schwingt. Wenn das klappt, würde ich mich so nach und nach an den Rest der Schaltung machen. Wäre eine Kapazitätsdiode wohl besser geeignet als ein Mehrgang-FM-Drehko (den Drehko bekommt man ja wahrscheinlich schlecht in die beheizte Alubox!?)?
> Quarze 5,0688 MHz und 5,2 MHz > Muss man eigentlich für ein Ladderfilter alle Parameter der > Quarze rausfinden oder reicht es, die zu selektieren Besser wäre es, die Parameter genauer zu kennen. Am Einfachsten werden dazu pro Quarz 2 Serienresonanzen ermittelt, eine davon mit Ziehkapazität. Die Parallelkapazität kann entweder dierekt gemessen werden oder mit dem Umweg der Parallelresonanz. Die Parallelkapazität bestimmt den Abstand zwischen Serien- und Parallelresonanz und damit die maximal erreichbare Filterbreite. Es gibt je nach Hersteller Quarztypen mit Cp bis zu 7pF, welche bei 4-5MHz nur eine maximale Filterbreite von <2kHz zulassen. Bei höheren Frequenzen ab ca. 8 MHz wird das Verhältnis günstiger und es sind auch Bandbreiten >= 6kHz für AM machbar. Zur Not reicht es, von allen Quarzen die Serienresonanz auszumessen und zu sortieren. Dann ein Filter aufbauen und die Bandbreite ausmessen. Es sind dann 2-3 Versuche notwendig, bis die Bandbreite passt. > Wäre eine Kapazitätsdiode wohl besser geeignet > als ein Mehrgang-FM-Drehko Die Kapazitätsdiode sollte mit in die Box, die hat mit den größten Koeffizienten. Ein stabiler Drehko mit Keramikisolatoren driftet nur sehr gering, der darf auch draußen bleiben.
Bitte melde dich an um einen Beitrag zu schreiben. Anmeldung ist kostenlos und dauert nur eine Minute.
Bestehender Account
Schon ein Account bei Google/GoogleMail? Keine Anmeldung erforderlich!
Mit Google-Account einloggen
Mit Google-Account einloggen
Noch kein Account? Hier anmelden.















