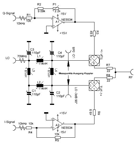
Hallo! Ich habe mal versucht einen IQ-Modulator nachzubauen. Die IQ-Signale bekomme ich von einem DSP bzw. Signalgenerator Agilent 33500. Diese liefern mir relativ genau (+-1-2°) 90° Phasenverschiebung der beiden Signale. Um das LO-Signal um 90° zu verschieben, habe ich einen LC-Hybrid-Koppler genommen. Dieser hat jetzt Ausgangsimpedanzen von ca. 50 Ohm und eine Phasenverschiebung von 100°. Doch wenn ich das Spektrum messe, habe ich keine Unterdrückung bzw. eine minimale von 1-3dB. Wenn ich nun an den Kondensatoren rum schraube, kann ich bis zu 30dB Unterdrückung bekommen, habe dann aber Impedanzen von 70 und 35 Ohm und die Phasenverschiebung ist 150°! Nun möchte ich eine Anpassung von 50 Ohm haben. Außerdem würde ich gern wissen, warum ich bei 150° und mit deutlichen Amplituden-Unterschieden bei dem geteilten Träger, besser Werte raus bekomme!? Mit der Theorie kann ich mir das nicht erklären? Hab mir schon überlegt, ob da was mit den OPs nicht stimmt oder bei der Addition (wobei bei 2 Widerständen kann ja nicht so viel schief laufen)?! Vllt. hat hier einer einen Rat? Danke
Bob67 schrieb: > Um das LO-Signal um 90° zu verschieben, habe ich einen LC-Hybrid-Koppler > genommen. Dieser hat jetzt Ausgangsimpedanzen von ca. 50 Ohm und eine > Phasenverschiebung von 100°. Vermutlich stimmt diese Annahme nicht. Ohne nachzurechnen habe ich den Eindruck, dass L3 als Tiefpass die Phase dreht und L4 als Hochpass in entgegen gesetzter Richtung und schon ist das Kind in den Brunnen gefallen.
Ich hätte einmal eine ganz andere Frage: Liegt am Ausgang von den OPs eventuell Gleichspannung an?
Hi, wenn ich das richtig gesehen habe, liegt dort keine Gleichspannung an. Aber ich werde das mal überprüfen! lrep schrieb: > Vermutlich stimmt diese Annahme nicht. > Ohne nachzurechnen habe ich den Eindruck, dass L3 als Tiefpass die Phase > dreht und L4 als Hochpass in entgegen gesetzter Richtung und schon ist > das Kind in den Brunnen gefallen. Aber wird der Hybrid in der Theorie nicht so beschrieben. Habe Ihn jedenfalls in verschiedener Literatur so gefunden!
Danke für die Tipps! Habe einen Fehler schon gefunden. Habe die L Werte vertauscht. Vllt. hilft das ja schon ein Stück weiter;)
Bob67 schrieb: > Habe die L Werte vertauscht. Vllt. > hilft das ja schon ein Stück weiter;) ...und wahrscheinlich solltest du den Knoten L2-L3-C1 mit 50 Ohm abschliessen, weil dort ein Teil der vom Mischer reflektierte Leistung landet und verheizt werden muss.
Hi, hat soweit geklappt! Habe jetzt 7dB, aber wenn ich an den C rumschraube bekomme ich 30dB (JIPPIE!). Während die Amplituden am Koppler fast gleich rauskommen (50-100mV Unterschied), haben die einen Phasenunterschied von 180°. Dies kann ich mir mit der Theorie nicht erklären! Aber auch die Schaltung zeigt keine offensichtlichen Fehler, da die Mischer das tun, was Sie sollen. denn wenn ich die IQ-Signale ausschalte, sehe ich nur den Träger am Ausgang. Und schalte ich jeweils eins dazu, erscheinen oberes und unteres Seitenband. Beide einschalten mit 90° Phasenunterschied, zeigen eben eine rel. kleine gegenüber dier momentanen Einstellungen. Damit bin ich ja zufrieden, würde mir aber gern erklären warum das so ist? Gruss Bob67
Bitte melde dich an um einen Beitrag zu schreiben. Anmeldung ist kostenlos und dauert nur eine Minute.
Bestehender Account
Schon ein Account bei Google/GoogleMail? Keine Anmeldung erforderlich!
Mit Google-Account einloggen
Mit Google-Account einloggen
Noch kein Account? Hier anmelden.
