Hallo, ich habe zwar in der Suche ein paar ähnliche Themen gefunden jedoch war bei keinem mein eigentliches Problem dabei oder der Thread hörte ohne großartiges Ergebnis auf. Deshalb poste ich hier neu, hoffe das ist nicht total verkehrt oder im falschen Unterforum. Und ja ich bin recht ahnungslos was Elektronik angeht und hoffe hier auf eine kleine Hilfestellung oder wenigstens paar Anregungen in welche Richtung ich weiterforschen sollte :) Nun zum Problem: Ich möchte aus einem Raspberry Pi ein Bild auf einen RGB Monitor in meinem Auto ausgeben. Der Bildschirm benötigt RGB mit einem kombiniertem Sync auf dem Grünkanal. Mein Signalweg ist Raspi->HDMI->VGA->CSync auf Grün->Bildschirm Die Sync on Green schaltung habe ich von hier nachgebaut: http://www.epanorama.net/circuits/sync_r.html Später auch diese hier (leider mit gleichem Ergebnis/Problem): http://www.epanorama.net/circuits/vga2rgbs.html Den Raspi habe ich so konfiguriert, dass er die geforderte Auflösung (400x240@60Hz) ausgibt und bekomme auch ein pixelperfektes Bild auf den Monitor. Leider ist es ein wenig zu dunkel. Ich habe die Vermutung, dass es ein Problem mit der SOG Schaltung ist. Ich bilde mir auch ein im Bild einen leichten Rotstich zu sehen, d.h. als ob der Grünkanal zu schwach wäre. Ich habe mit einem PC Oszilloskop mal das Original Signal am Grünkanal vom Auto und mein Signal verglichen (siehe Bild). Kanal 1 (gelb) ist meins, Kanal 2 (grün) ist das vom Auto-Videomodul. Da fallen mir zwei drei Sachen auf: 1. Mein Signal hat einen höheren (ich nenne es mal) Grundpegel (geht erst ab 2 Volt los) 2. Die Schwarzschulter ist niedriger. Ich meine irgendwo gelesen zu haben, dass dies maßgeblich Einfluss auf die Helligkeit hat weil es als Referenz dient. 3. Mein Signal sieht irgendwie "ausgefranzter" aus. Kann mir jemand sagen, falls das Problem hier ersichtlich ist, wie ich das Signal mit weiteren Bauteilen oder anderen Bauteilen verändern kann um ein helleres Bild zu bekommen? Zu Nr. 1: Ist das überhaupt gesund dieses Signal (zu viel volt) auf das Display zu schicken, oder mache ich damit schleichend irgendwas im Display kaputt? Hoffe ich habe es genau genug beschrieben. Falls hier was an Info fehlt, lege ich es gerne nach. Danke für jegliche Anregungen. PS: Nein ich möchte nicht als Alternative über composite video oder anderen Matsch reingehen :)
Zeig mal das Oszillogramm so, dass man etwas erkennen kann, also einzelne Zeilen. Die zweite von dir gezeigte Schaltung macht aus H und V ein C-Sync, packt es aber nicht auf G drauf. Dafür kann man bei ihr die Pulsbreiten anpassen. Da schadest dem Display nicht, wenn du eine höhere Eingangsspannung verwendest (in Massen natürlich).
Ok, muss ich nochmal mit dem Oszi ran. Reich ich nach. Ja sorry, hab bezüglich der zweiten Schaltung vergessen zu erwähnen: Habe die zweite auf der Seite gebaut und dann am Ende über einen 100uF Kondensator in den Grünkanal "gemischt". So wie es in der ersten "kleinen" vom ersten link geschieht.
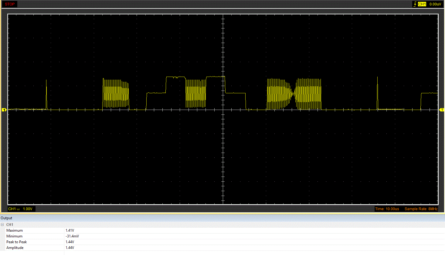
Hab grad nochmal zuhause das Grünsignal vom Raspi gemessen (oben im Bild). Darunter ist ein gespeichertes Oszillogramm vom Grünkanal aus dem Auto das ich grad noch gefunden hab (schwarzes Bild mit etwas weissem Text). Zeitskala ist bei beiden in 10uS Schritten. Die vertikale Skala in 1V Schritten.
Das Raspi Signal ist nicht gerade super, sollte aber funktionieren. H-Timing sieht auch gut aus. Das Mischen von C-Sync und G einfach so per Kondensator ist suboptimal. Der G-Kanal hat üblicherweise eine Impedanz von 75 Ohm. Dagegen muss der Treiber des C-Sync anstinken. Und wenn gerade kein Sync aktiv ist, sollte er hochohmig sein, um G nicht unnötig zu bedämpfen. Dazu kommt, dass bei einer kapazitiven Kopplung der Fuß des Sync nicht auf einen festen Pegel geklemmt wird. Das kann zu vertikalen Helligkeits und Farbverläufen in Abhängigkeit vom Bildinhalt führen.
Thomas schrieb: > Mein Signalweg ist Raspi->HDMI->VGA->CSync auf > Grün->Bildschirm Könnte sein, dass der Ausgangspegel vom CSync-auf-Grün eifach nicht ausreicht. Falls Dein Bildschirm einen VGA, oder ähnlichen Eingang hat, ist dieser mit 75ohm abgeschlossen. An diesem sollten dann 1Vpp zu messen sein, +0.7V Video, -0.3V Sync. Auf Deinem Oszillogram sind leider keine Dimensionen zu sehen.
Danke für euren Input. Versuche das gerade für mich einzusortieren :) @Georg: "Dagegen muss der Treiber des C-Sync anstinken. Und wenn gerade kein Sync aktiv ist, sollte er hochohmig sein, um G nicht unnötig zu bedämpfen." Ich verstehe dass ich das Sync Signal also besser abschalten sollte während der Dauer der sichtbaren Bildzeile. Hoffe das meinst du. "Dazu kommt, dass bei einer kapazitiven Kopplung der Fuß des Sync nicht auf einen festen Pegel geklemmt wird. Das kann zu vertikalen Helligkeits und Farbverläufen in Abhängigkeit vom Bildinhalt führen." Das hab ich bislang nicht sehen können, aber liegt vielleicht daran dass das Bild allgemein zu dunkel ist :) @Oleg: "Falls Dein Bildschirm einen VGA, oder ähnlichen Eingang hat, ist dieser mit 75ohm abgeschlossen. An diesem sollten dann 1Vpp zu messen sein, +0.7V Video, -0.3V Sync. Auf Deinem Oszillogram sind leider keine Dimensionen zu sehen." Ich bin nicht so der Held am Oszi, und es ist auch noch ein ziemliches Billiggerät. Meinst du das Signal muss ein min und max "Ausschlag" von insgesamt 1 Volt haben? Das ist glaub ich gegeben, oder sogar noch mehr, wenn ich das richtig ablese. Das Raster ist in 1V Schritten. Sorry bin echt Anfänger und tappe mit den Sachen noch sehr viel im Dunkeln. Ich hab jetzt gerade wieder Messungen mit einem Testmuster gemacht (Bild 1). Bild 2: Nur Grünkanal direkt aus dem VGA Stecker. Bild 3: Grünkanal gemischt mit CSync. Schaltung: http://www.epanorama.net/circuits/sync_r.html Bild 4: Grünkanal gemischt mit CSync (Ch. 2) im vergleich zum reinen Blaukanal (Ch. 2). Da meine ich zu sehen (Bild 3), dass der Csync sich überhaupt nicht negativ (dämpfend oder ähliches) auf den Grünkanal auswirkt. Ist das richtig? Sehe auch dass das Punktmuster des Testbildes irgendwie komisch ausschlägt (mittelt und steigt wieder) aber da gehe ich davon aus, dass das irgendeine Art Messfehler ist?
Ich überlege, falls möglich, diese Schaltung zu Simulieren und weiter zu experimentieren und zu lernen. Hier: http://www.mikrocontroller.net/articles/Schaltungssimulation gibt es ja eine ziemlich lange Liste an Software. Bevor ich mühsam die Liste durchgehe: Kann mir jemand ein Tipp geben welche davon für meine Zwecke geeignet wäre. Ich würde gerne ein VGA Signal mit rund 8 MHz mit H/V Sync generieren wollen, dazu die SOG Schaltung und am Ende gerne das Signal wie im Oszi anzeigen lassen. Ziel wäre eine möglichst genaue Näherung an das Originalsignal vom Auto, dass ich aufgezeichnet habe. Ist es überhaupt möglich das ganze zu simulieren, also auch inklusive des VGA Signals?
Eigentlich sind alle Signale bei VGA und Co genormt. Dummerweise kochen die diversen Hersteller viele eigene Süppchen, teils um Zehntelcents zu sparen, teils wohl aus schlichter Ignoranz. Insofern wird deine Simulation vermutlich nicht zielführend sein. Aber du wirst mit Sicherheit einiges dabei lernen. Aus der Ferne ist es schwer, dir bei der Fehlersuche zu helfen. Was ist "zu dunkel"? Was ist "Rotstich"? Nicht umsonst gibt es bei Fernsehern die Einstellmöglichkeit für Helligkeit, Kontrast und Farbsättigung (bei dem Amis auch noch Farbton). In der Theorie klemmt der Monitor seinen Schwarzpegel auf die hintere Schwarzschulter (deshalb der Name). Viele Boards klemmen aber auf den Sync Boden. Wenn dann noch eine Amplitudenregelung dazu kommt und ein fester Wert für Sync abgezogen wird, säuft das Bild ab. Mit etwas Messtechnik und Erfahrung ist die Ursache schnell gefunden. Nur aus der Ferne ist es wie gesagt problematisch. Tut mir Leid, dass ich dich nicht stärker motivieren kann.
Georg G. schrieb: > Eigentlich sind alle Signale bei VGA und Co genormt. Dummerweise kochen > die diversen Hersteller viele eigene Süppchen, teils um Zehntelcents zu > sparen, teils wohl aus schlichter Ignoranz. Insofern wird deine > Simulation vermutlich nicht zielführend sein. Aber du wirst mit > Sicherheit einiges dabei lernen. Da ich ja versuche von VGA (400x240) auf RGsB zu gehen, habe ich auch die Vermutung, dass ich da lange aus der VGA Spezifikation raus bin, vor allem auch weil das Display im Auto verbaut ist. Da wird sicher das Süppchen bisschen anders sein, bajuwarisch-japanisch etwa. Die Simulation wird mir, hoffe ich, helfen mein Signal möglichst nah an das Original zu bringen. Davon habe ich ja ein Oszillogramm und kann so gut vergleichen denk ich, das meine ich damit. Georg G. schrieb: > Aus der Ferne ist es schwer, dir bei der Fehlersuche zu helfen. Was ist > "zu dunkel"? Was ist "Rotstich"? Nicht umsonst gibt es bei Fernsehern > die Einstellmöglichkeit für Helligkeit, Kontrast und Farbsättigung (bei > dem Amis auch noch Farbton). Klar ist zu dunkel jetzt mal nicht unbedingt hilfreich. Kann nur mit den Oszillogrammen dienen, mehr fällt mir da nicht ein :( Und ich komm leider auch nicht an die Bildeinstellungen ran, ist ja nicht unbedingt so vorgesehen, dass ich da rumjustieren darf. Georg G. schrieb: > In der Theorie klemmt der Monitor seinen Schwarzpegel auf die hintere > Schwarzschulter (deshalb der Name). Viele Boards klemmen aber auf den > Sync Boden. Wenn dann noch eine Amplitudenregelung dazu kommt und ein > fester Wert für Sync abgezogen wird, säuft das Bild ab. Danke für den Tipp mit dem Sync Boden! Da seh ich im vergleich zu meinem Signal ein Unterschied, wer wiess. Meine "Stufe" ist kleiner, vielleicht ist es das. Hab die 680 gegen 390 Ohm am CSync getauscht und es sieht fast nach dem soll aus, habs aber noch nicht im Auto probiert. Georg G. schrieb: > Mit etwas Messtechnik und Erfahrung ist die Ursache schnell gefunden. > Nur aus der Ferne ist es wie gesagt problematisch. Tut mir Leid, dass > ich dich nicht stärker motivieren kann. Ja das war jetzt sehr motivierend mit der Erfahrung ;)
Bitte melde dich an um einen Beitrag zu schreiben. Anmeldung ist kostenlos und dauert nur eine Minute.
Bestehender Account
Schon ein Account bei Google/GoogleMail? Keine Anmeldung erforderlich!
Mit Google-Account einloggen
Mit Google-Account einloggen
Noch kein Account? Hier anmelden.





