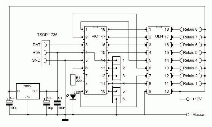
Guten Abend, ich bin im programmieren eher ein Frischling und habe auch nur ein Project das ich mit dem Pic Mikrokontroler 16F628A gebaut habe. Es ist der RC 5 Empfänger mit Relaisausgängen von Bitmonster http://www.bitmonster.de/ir/ Der funktioniert auch super gut. Ich habe das auch nach meinen Wünschen umprogrammieren können, würde aber gerne noch so eine Art Pause zwischen den Schaltvorgängen einbauen. Schaltplan im Anhang. Beispiel: der Empfänger bekommt das Signal die Relais 1-7 ab zu schalten und Relais 8 ein zu schalten. Das funktioniert auch sehr gut, nur möchte ich zwischen den Schaltvorgängen gerne ein Pause haben. Ist das sehr kompliziert um zu setzen oder geht das relativ einfach? danke schon mal für Eure Antworten Basti
Hallo Stefan, sorry mein Fehler was benötigst Du die Hexfile oder die Config? Kann ich das hier hochladen oder geht das nicht?
Hallo Max, wo finde ich den? wie gesagt ich bin nicht so bewandert mit der Materie. Hab halt nur das Teil so aufgebaut und nach meinen Wünschen umgeändert wie das im Text von Bitmonster beschrieben ist.
bastlwastl schrieb: > wo finde ich den? Auf der Website, wenn es da nur das *.hex gibt wird es sehr schwierig da noch etwas anzupassen. P.S: Ist das nur bei mir so oder funktionierten alle Links auf der Website nicht?
nein Max, die links sind nicht mehr vorhanden, aber ich habe mir das damals alles gespeichert. Ist das in der library? oder wo kann ich das benötigte finden?
Max H. schrieb: > P.S: Ist das nur bei mir so oder funktionierten alle Links auf der > Website nicht? <kidding> Och Max, drängel doch nicht. Steht doch auf der Website: "Achtung: Diese Seite befindet sich erst seit kurzer Zeit im Aufbau. Es ist deshalb noch längst nicht alles vollständig und wird ständig erweitert bzw. umgeschrieben. Bitte daher öfters mal nachsehen, was sich geändert hat" Allerdings steht da auch " Letztes Update: 23.02.2006 15:41" Hmm ... Ich geh erst mal eine Rauchen ;-) </kidding> Ok, bastlwastl hats ja auch schon geschrieben: Die Links sind tot. bastlwastl schrieb: > nein Max, die links sind nicht mehr vorhanden, aber ich habe mir das > damals alles gespeichert. > Ist das in der library? oder wo kann ich das benötigte finden? Die "firmware.zip" wäre ein guter Startpunkt. Wenn da eine Datei mit der Endung ".c" oder ".asm" drin ist, dann kann man da evtl. etwas einbauen. Ist da nur ein ".hex" wirds evtl. lästig. Wenn Du nicht sicher bist, dann schaut da sicher auch mal jemand in die Datei ;-) Grüße Andreas
P.S: Das Thema gabs übrigens schon mal: Beitrag "Bitmonsters Albtraum" Allerdings sehe ich da nicht, ob irgendwo Quellen rumfliegen :/ Grüße Andreas
es sieht so aus als ob das nicht funktioniert. es sind nur Dateien mit Endung py, pyc, pyd, dll und die hex in den Ordnern. danke für die Hilfe Gruß Basti
Die *.hex anzupassen wird schwierig, da du daraus höchstens unkommentierten ASM Code gewinnen kannst. Das könnte dich vllt. interessieren: http://www.sprut.de/electronic/pic/projekte/rc5test/index.htm
Bitte melde dich an um einen Beitrag zu schreiben. Anmeldung ist kostenlos und dauert nur eine Minute.
Bestehender Account
Schon ein Account bei Google/GoogleMail? Keine Anmeldung erforderlich!
Mit Google-Account einloggen
Mit Google-Account einloggen
Noch kein Account? Hier anmelden.
