Hallo zusammen, ich habe mich eine Zeitlang in pH Messung & OPV eingelesen. Nun bin ich schlussendlich auf den LMP7721 von TI gekommen. Dieser OPV ist laut Datenblatt für diese Messung (fA) vorgesehen. Ich möchte den pH Wert mit einem Atmega 168 am ADC messen. Deswegen die Überlegung: Versorgung des LMP7721 & MAX6070 1,2V ist vom rest galvanisch getrennt. Vorgesehen: NMA2405SC (C&D Technologies) Das analoge Signal wird durch einen ISO124U zwischen LMP7721 und dem Atmega galvanisch getrennt. Die pH Sonde liefert ja ein Signal von -414mV...414mV. Ich hebe mit der 1,2V Referenzspannung das Potential der pH Sonde auf 786mV..1614mV an damit keine negativen Spannungen am ADC ankommen. Der AREF beim Atmega wird mit einem MAX6070 1,8V gespeisst. Somit habe ich am 10 Bit ADC eine Auflösung von 1,75mV. Bei ~59mV/pH ergibt das eine Auflösung von ~0,03pH. Es wird eine Auflösung von 0,1pH angestrebt. Um auf den echten Spannungswert der pH Sonde zu kommen kann dann einfach durch die genaue VREF einfach in der Firmware des Atmegas 1200mV abgezogen werden. Guard Ring um die Pins des LMP7721 und der BNC Buchse Pins wegen Kriechströmen ist wie im Datenblatt vorgesehen. Kann das so funktionieren und realistische Werte liefern? Oder sollte man das heben des Potentiales des pH Sonde anders umsetzen?
..das ist ein cooler OpAmp.. Ich denke schon dass das so klappt. Du speist die pH Sonde mit einer Gleichspannung und verwendest den OpAmp nur als Spannungsfolger, das sollte klappen wie gewünscht. Auf der TI-Seite gibt die Application Note AN-1852, da ist eine fertige Schaltung drin, kennst du die schon ?
Hugo P. schrieb: > Es wird eine Auflösung von 0,1pH angestrebt. Meinst Du Auflösung oder Genauigkeit? Wenn Du Auflösung meinst, dann kann man auch bei 0,03pH bleiben. Eine Genauigkeit von 0,1pH wäre allerdings schon sportlich.
Hugo P. schrieb: > Kann das so funktionieren Schon, aber ich würde den OpAmp auch verwenden, um das Signal auf den ganzen A/D-Wandlerbereich zu spreizen (abgesehen von einem Bereich knapp über 0V, an den der OpAmp nicht kommt). Dann kann ein 470kMOhm Widerstand vor dem OpAmp Eingang helfen, den Eingang gegen Zerstörung durch elektrische Entladungen abzupuffern. Eine Drosselspule in der Leitung verhindert daß UKW Empfangen und demoduliert wird. Auch misst du hoffentlich die Temperatur mit, denn so hohe Auflösung oder gar Genauigkeit erfordert eine Temperaturkompensation. Dann möchte der MAX6070 einen Kondensator am Ausgang
Hugo P. schrieb: > Kann das so funktionieren und realistische Werte liefern? Wenn du es kalibrieren kannst ... Ansonsten bleibt das alles graue Diarrhoe.
> Eine Genauigkeit von 0,1pH wäre allerdings schon sportlich. Das wäre schon mein Ziel. Wenn es dann 0,2pH sind sollte es auch in Ordnung sein. > Dann kann ein 470kMOhm Widerstand vor dem OpAmp Eingang helfen, den > Eingang gegen Zerstörung durch elektrische Entladungen abzupuffern. kOhm oder MOhm? Habe mal einen kOhm Widerstand eingebaut > Eine Drosselspule in der Leitung verhindert daß UKW Empfangen und > demoduliert wird. Wie ist das zu verstehen? Z.B. eine SMD Spule so wie einen Widerstand in der Leitung. Habe bis jetzt von einem Ferrit um das Kabel gelesen um UKW abzuschwächen. Welche Induktivität sollte die Drossel ca. haben? > Auch misst du hoffentlich die Temperatur mit, denn so hohe Auflösung > oder gar Genauigkeit erfordert eine Temperaturkompensation. Der ADC Wert wird in einer SPS ausgewertet. Diese Hat dann auch über einen DS18S20 die Temperatur des Mediums. Korretur erfolgt dann durch die Nernst-Gleichung. > Dann möchte der MAX6070 einen Kondensator am Ausgang erledigt
Hugo P. schrieb: > kOhm oder MOhm? Habe mal einen kOhm Widerstand eingebaut kOhm sollte es sein. Aber 1MOhm oder 2.2MOhm geht auch. > Wie ist das zu verstehen? Z.B. eine SMD Spule so wie einen Widerstand in > der Leitung. z.B. > Habe bis jetzt von einem Ferrit um das Kabel gelesen um UKW > abzuschwächen. geht auch > Welche Induktivität sollte die Drossel ca. haben? Die darf eine eher hohe haben, der Strom ist ja 0 und sollte 0 bleiben, aber wenn die Baugrösse zu hoch wird, fängt sie sich ihrerseits Störungen ein. Also 47uH wird passen oder eben der Ferrit ums Kabel.
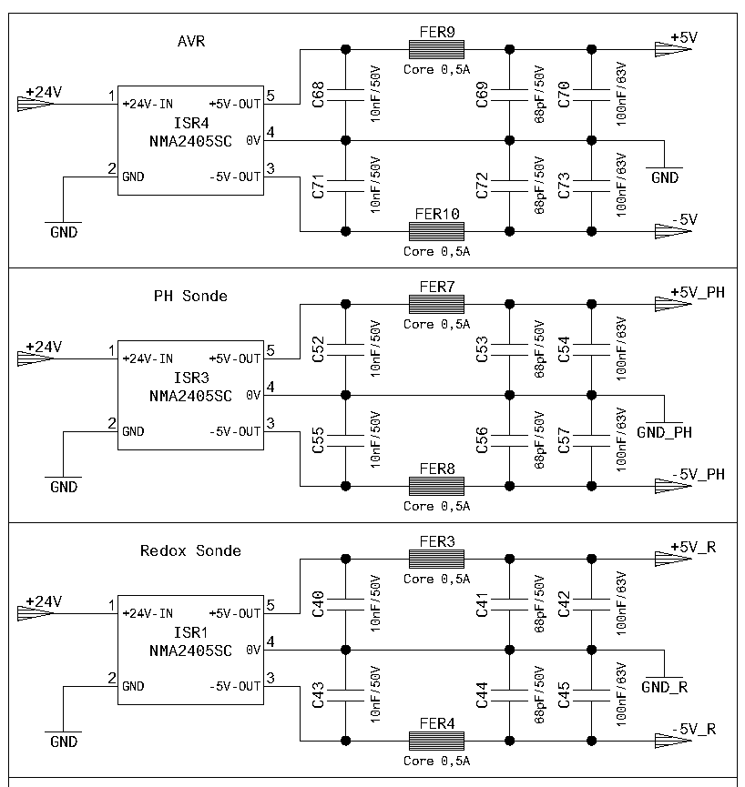
Ok, Danke! Habe mir eine 2x2x1mm grosse SMD Spule bei Coilcraft rausgesucht. Werde es als ersters mal mit der 220µH Version probieren. Anbei der aktuelle Schaltungsstatus. Nun auch eine Messung der Redox-Sonde. Es ist eigentlich gleich mit der pH Messung bis auf den fehlenden MAX6070. Die Redox Sonde gibt ja -2000..+2000mV aus. Es wird aber nur der Wert von ~300mV...800mV benötigt. Durch die Versorgung der OPVs wird es auf ~0V...1800mV begrenzt. Beide Messungen sind galvanisch voneinander und zur Haupschaltung mit dem Atmega getrennt. Dann sollten auch keine Probleme entstehen, da sich ja die pH Sonde und die Redox Sonde im gleichen Medium befinden. Die beiden Schaltungen kommen dann unter ein Abschirmgehäuse auf der Platine. (Also eigentlich alles was auf der Schaltung zu sehen ist, bis auf die BNC Buchsen)
Hallo Hugo, ist zu deiner Schaltung schon etwas Brauchbares an PCB passiert? oder existiert dies derzeit noch auf Papier? mich würde interessieren ob sie genau das macht was sie soll und auch brauchbare werte liefert die dazu noch stabil sind. Feedback wäre toll. Da ich hier auch eine Schaltung habe aber nicht mit dem ISO124 sondern mit einem AD210. gruß
Beitrag #5282803 wurde von einem Moderator gelöscht.
Das Projekt ist einige Zeit gelegen. Bin nun am Layouten. Auch habe ich den Guard noch um den LMP7715 erweitert...
Was soll IC20 als Guardverstaerker bei V=1? Den brauchst Du nur, wenn Du bei I9 V != 1 ist. Mit "Guard" solltes Du auch die Leitung vom CN5-1 bis IC9-1 umgeben.
Ich habe jetzt das ganze aufgebaut. Was soll ich sagen - es funktioniert besser als gedacht!! Anbei nochmal der Schaltplan und Fotos vom Aufbau und die Ergebnisse (nicht-kalibriert) von einer pH Puffer-Lösung mit pH-7 und pH-9.
Bitte melde dich an um einen Beitrag zu schreiben. Anmeldung ist kostenlos und dauert nur eine Minute.
Bestehender Account
Schon ein Account bei Google/GoogleMail? Keine Anmeldung erforderlich!
Mit Google-Account einloggen
Mit Google-Account einloggen
Noch kein Account? Hier anmelden.








