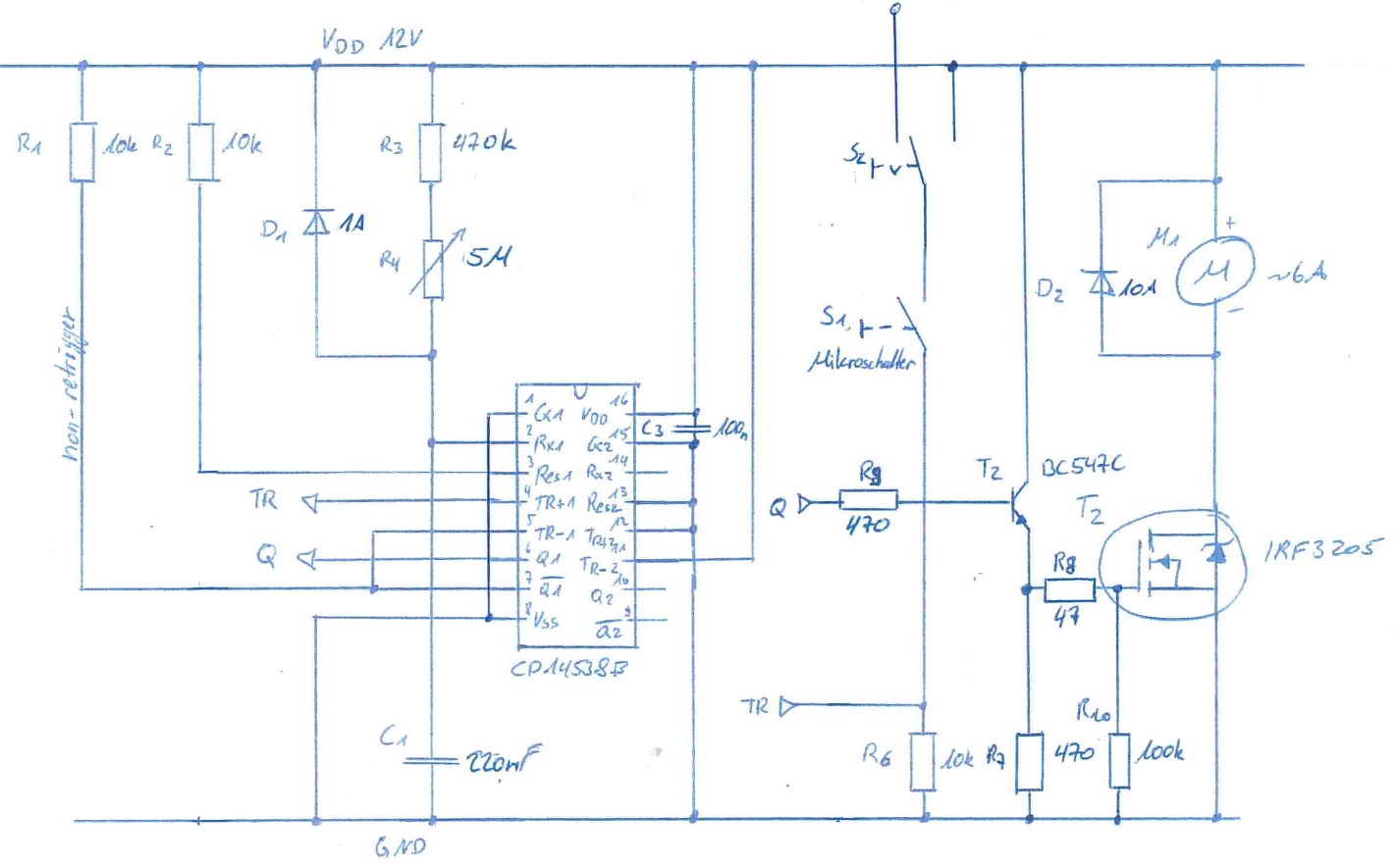
Moin, also ich hab ein CD14538B, läuft mit +12V. Alle Pull-Widerstände sind 10k. Am 1. Monoflop ist ein RC-Glied (470k + 5M Poti & 220nF) mit Freilaufdiode. Pin 5 (Trigger-) und Pin 7 (Q-negiert) verbunden und Pull-Up dran. Pin 4 mit Pull-Down und dort wird getriggert. Q1 geht aufn Längswiderstand 470R an die Basis einens BC547, Collector an +12V, Emmiter mit 470R an Masse und ein 47R längs zum Gate eines IRF3205. Der IRF3205 schaltet die Masse eines Verbraucher (Motor mit Freilaufdiode). Das alles funktioniert ganz wunderbar. Nun will ich den 2. Monoflop nutzen, genau gleiche Beschaltung, bis auf das an Q2 noch nichts angeschlossen ist (der soll später den 1. Monoflop triggern als Einschaltverzögerung). An der Versorgung ist ein 100nF und ein 10nF dran. Habe beim 2. Monoflop als RC-Kombination 4,7k + 5M + 220nF. Laut Datenblatt ist Rx min. 4k - daher 4,7k. Sobald ich den Kondensator am 2.Monoflop an Pin 15 verbinde, funktioniert der 1. Monoflop nicht mehr, wenn der Motor angeschlossen ist! Also: - 2. Monoflop: C ist nicht an Pin 15 angeschlossen -> Schaltung funktioniert, Motor dreht kurz, so wie er soll - 2. Monoflop: C ist an Pin 15 angeschlossen & Motor angeschlossen -> Der 4538 gibt am 1. Monoflop Q1 keinerlei Signal mehr raus, garnichts! - 2. Monoflop: C ist an Pin 15 angeschlossen & Motor nicht angeschlossen (also Source vom IRF3205 offen) -> Der 4538 gibt am 1. Monoflop Q1 ganz normal ein Signal raus, wie es soll, BC547 und IRF3205 schalten durch (IRF3205 hat am Source ~20mV [Spannungsleak der Diode?], die auf 0 zurück gehen). Ich habe mehrere, neue ICs probiert, Kondensator ausgetauscht - die ganze Schaltung nochmal aufgebaut mit neuen Teilen. Der Effekt bleibt. Was ist da los?
Bilderrätsel sind einfacher, wenn man das Bild nicht auch noch in Prosa beschrieben bekommt und selber aufmalen soll.
Reset-Pins 3 und 13 terminiert? Warum ein Triggereingang auf den Ausgang? Unbenutzte Triggereingänge auf GND/VDD. Es sieht so als ob der Trigger nicht durchkommt bzw. ständig retriggert wird.
Reset Pins 3 & 13 sind mit Pull-Up auf 12V. Die Brücken Pin 5&7 sowie 9&11 sind dafür, dass er nicht retriggerbar ist. Beim angehängten Schaltplan fehlt der 2.Monoflop, der ist wie gesagt, wie der erste beschaltet nur R3 (also Vorwiderstand vor Poti) sind nur 4,7k.
also in der Zeichnung ist Pin13 auf GND
nand schrieb: > also in der Zeichnung ist Pin13 auf GND Schreibt er ja auch. Ist genau so wie gezeigt, aber anders. ;-)
A. K. schrieb: > Qnkel . schrieb: >> Beim angehängten Schaltplan > > Das wär also derjenige, der funktioniert. Und nun... Hab ich das Problem aus dem Eingangspost.
Qnkel . schrieb: > Also: > - 2. Monoflop: C ist nicht an Pin 15 angeschlossen -> Schaltung > funktioniert, Motor dreht kurz, so wie er soll > - 2. Monoflop: C ist an Pin 15 angeschlossen & Motor angeschlossen -> > Der 4538 gibt am 1. Monoflop Q1 keinerlei Signal mehr raus, garnichts! > - 2. Monoflop: C ist an Pin 15 angeschlossen & Motor nicht > angeschlossen (also Source vom IRF3205 offen) -> Der 4538 gibt am 1. > Monoflop Q1 ganz normal ein Signal raus, wie es soll, BC547 und IRF3205 > schalten durch (IRF3205 hat am Source ~20mV [Spannungsleak der Diode?], > die auf 0 zurück gehen). Also, nach längerem Grübeln... das kann nur am unsauberen Aufbau liegen, durch die induktive Last (des Motors) versaust Du die Versorgung des ICs. Ich weiß ja nicht, wie Du das aufgebaut hat, wie der Ground verlegt ist, etc. Das IC solltest Du komplett vom Leistungsteil trennen, und nur Ground und Gate zum Leistungsteil führen. Außerdem die Versorgung des Monoflop über eine schnelle Diode entkoppeln und der Versorgung des Monoflop noch einen Elko spendieren. Ich verstehe auch die R/C-Timing-Dimensionierung nicht, Du hast Einschaltzeiten von 1 Millisekunde bis zu 1,1 Sekunde. Für nutzbare Zeiten musst Du also mit 5 Megaohm hantieren, das ist störanfällig. Besser kleineres Poti und größeren Kondensator verwenden. Meine Spekulation : Das Monoflop dass den Motor einschaltet hat eine kürzere Zeitkonstante als das Monoflop das den Trigger erzeugt. Der Motor wird kurz eingeschaltet, abgeschaltet, die Freilaufdiode wird leitend. Da der Trigger weiter ansteht triggert das Monoflop erneut, der MOSFET wird wieder leitend und schließt über die (leitende) Freilaufdiode die Versorgung kurz, die Monoflops resetten. Das siehst Du mit dem Auge nicht, nur mit dem Scope. Baue das sauber auf, dann sollte das ohne Probleme funktionieren.
Qnkel . schrieb: > Reset Pins 3 & 13 sind mit Pull-Up auf 12V. > > Die Brücken Pin 5&7 sowie 9&11 sind dafür, dass er nicht retriggerbar > ist. > > Beim angehängten Schaltplan fehlt der 2.Monoflop, der ist wie gesagt, > wie der erste beschaltet nur R3 (also Vorwiderstand vor Poti) sind nur > 4,7k. ganz einfach: die Eingänge 3 und 13 müssen PULLDOWN mit 100 K nach GND(!!!!) geschaltet werden, NICHT PullUp nach U + VDC!! Parallel schaltet man außerdem noch jeweils 100 nF Kondensatoren! Hier liegt der Fehler! Denn die "offenen Eingänge" an U + VDC bewirken, dass der 4538 anfängt zu schwingen!! Deshalb schaltet man PullDown-Widerstände an die Triggereingänge Pin 3 und 13! Ebenso an die RESET-Eingänge. Und an Pin 15 gehört ebenfalls ein 100K-Widerstand nach GND!!!!!! Und offene Pins müssen IMMER mit Widerstand gegen GND beschaltet werden!! * siehe Info zuvor! Das betrifft auch den nächsten Trigger-Pin, der ´, wenn "offen" bleibt, keinen definierten Pegel halten kann und dementsprechend den IC ins Schwingen versetzt! Das gilt bei allen ICs der 4xxxx Serie! Unabhängig, obs MOS-Versionen der 4xxxx, 144xxx, SN74xxx oder V4xxxx VALVO-Chips sind!!!
SN74V schrieb: > ganz einfach: die Eingänge 3 und 13 müssen PULLDOWN mit 100 K nach > GND(!!!!) geschaltet werden, NICHT PullUp nach U + VDC!! Parallel > schaltet man außerdem noch jeweils 100 nF Kondensatoren! Hier liegt der > Fehler! Denn die "offenen Eingänge" an U + VDC bewirken, dass der 4538 > anfängt zu schwingen!! Deshalb schaltet man PullDown-Widerstände an die > Triggereingänge Pin 3 und 13! Ebenso an die RESET-Eingänge. Und an Pin > 15 gehört ebenfalls ein 100K-Widerstand nach GND!!!!!! > > Und offene Pins müssen IMMER mit Widerstand gegen GND beschaltet > werden!! > * siehe Info zuvor! Das betrifft auch den nächsten Trigger-Pin, der ´, > wenn "offen" bleibt, keinen definierten Pegel halten kann und > dementsprechend den IC ins Schwingen versetzt! Das gilt bei allen ICs > der 4xxxx Serie! Unabhängig, obs MOS-Versionen der 4xxxx, 144xxx, > SN74xxx oder V4xxxx VALVO-Chips sind!!! Eine interessante nächtliche Erkenntnis aber leider völliger Unfug. Der oben gepostete Schaltplan weicht von der tatsächlichen Umsetzung ab, siehe Text. Natürlich darf man gerade bei CMOS keinen unbenutzten Eingang offen lassen (oder unbenutzte Funktionen komplett floaten). Die Reset-Pins sind aber Low-aktiv. Diese nach GND zu terminieren macht also die Schaltung vollkommen nutzlos. Offene Pins nach GND zu schalten hängt somit davon ab ob die eine Funktion in der Schaltung haben. Einzig der 10k-Pullup R1 an /Q1 (Pin 7) ist überflüssig da der Ausgang immer aktiv getrieben ist.
So. @Tcf Kao hat es schon richtig erfasst. (Ja der R1 ist eigentlich sinnfrei - der diente nur für ein definierten Pegal an -TR, falls ich mit retriggerbar experimentiere - daher lieber den rein gemacht bei den ersten Versuchen) Habe jetzt die Schaltung vom Motor mit einem 470R in der Versorgung getrennt und zusätzlich einen 2,2µF Elko zur Siebung rein - jetzt läuft die Schaltung sauber. Vielen Dank!
Bitte melde dich an um einen Beitrag zu schreiben. Anmeldung ist kostenlos und dauert nur eine Minute.
Bestehender Account
Schon ein Account bei Google/GoogleMail? Keine Anmeldung erforderlich!
Mit Google-Account einloggen
Mit Google-Account einloggen
Noch kein Account? Hier anmelden.
