wie jetzt vorgehen? Ich will das Gerät nicht zum messen so betreiben, soll ja nicht gut sein wenn die Röhre länger mit max. Helligkeit betreiben wird. Ich brauch aber ein paar Minuten um alle wichtigen Messpunkte anzutasten und mir Notizen im Plan zu machen. Auf den Z-Eingang reagiert das Gerät auch nicht mehr, heißt ich kann nicht extern dunkelsteuern. (darf man den Plan der betreffenden Schaltung hier zeigen?) m.f.G. Dirk
Dirk Maler schrieb: > (darf man den Plan der betreffenden Schaltung hier zeigen?) Warum nicht? Du kannst ja auch nur einen Auszug zeigen, der sich mit der Helligkeitsregelung und deren Spannungserzeugung befasst. Erster Tipp: Evtl. das Poti selber. Die Hameg Schalter und Potis sind oft mit Kontaktproblemen behaftet. Zweiter Tipp: Voltmeter an den Schleifer und mal drehen. Achtung, es kann sein, das das alles recht hohe Spannungen sind, Hameg legt oft die Kathode der Röhre auf -6000V oder so und die Anode dann auf Masse. Du kannst also mit hohen negativen Spannungen an den Gittern rechnen, ein Kurzschluss auf der Bildrohrplatine bedeutet höchste Gefahr für den Heizfaden.
Dirk Maler schrieb: > (darf man den Plan der betreffenden Schaltung hier zeigen?) Erstmal würde schon ein Link auf irgendwelche Informationen zu dem Gerät helfen. Wer weiß, was es unter der Bezeichnung HM1005-3 alles gibt. Du könntest damit Google deutlich entlasten.
Wolfgang schrieb: > Wer weiß, was es unter der Bezeichnung HM1005-3 alles gibt Das ist ein Oszilloskop von Hameg. Ein 100-MHz-Analog-Oszilloskop mit zwei Zeitbasen und drei Kanälen (der dritte allerdings nur mit vereinfachtem Eingangsteiler). Aktuell war das Gerät vor vielleicht 25 Jahren. (das -3 in der Typenbezeichnung bezieht sich nicht auf die drei Kanäle, sondern auf die Hardwarerevision)
Das Handbuch mitsamt Schaltplänen und Board-Skizzen gibts direkt von Hameg zum Download: http://www.hameg.com/manuals.0.html?&no_cache=1&tx_hmdownloads_pi1[mode]=download&tx_hmdownloads_pi1[uid]=955
Rufus Τ. F. schrieb: > Aktuell war das Gerät vor vielleicht 25 Jahren. Dann vermute ich mal, dass es sich weder um ein Microkontroller- noch um ein Digitalelekronikproblem handelt ;-)
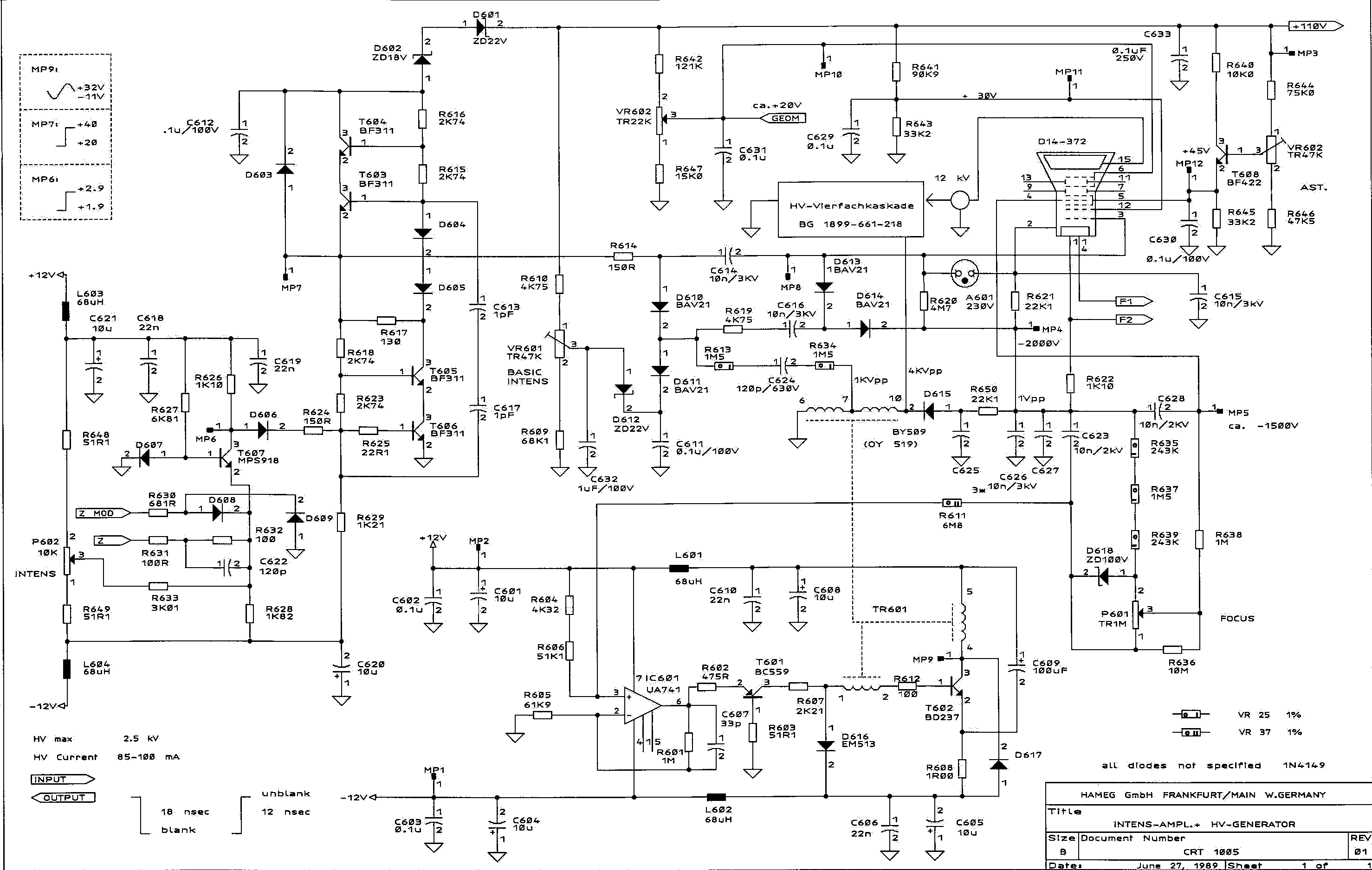
Die Spannungen 110V, 45V und ca.22v stimmen so weit. Der Regelbereich von P602 links außen ist i.O.. Alle Halbleiter habe ich soweit mit Durchgangstester gemessen, nichts auffälliges. Elkos habe ich komplett vor ca. 2 Jahren schon mal getauscht, egal ob gut oder schlecht. Die Kathode liegt auf -2kV, soweit will ich noch gar nicht gehen. Ich möchte nur vorerst die Röhre dunkel haben um in Ruhe messen zu können. Wenn ich nur den Stecker vom Sockel abziehe vermute ich das mir Spannungen hochgehen wegen der fehlenden Belastung, ich will die Kaskade aus der die 12kV und 4kV kommen nicht riskieren. m.f.G. Dirk
Dirk Maler schrieb: > Der Regelbereich von P602 links außen ist i.O.. Und wie geht es VR601 (etwa in der Mitte). Hast du den mal bewegt?
Wolfgang schrieb: > Und wie geht es VR601 Gerade dran gedreht, keine Auswirkung, volle Helligkeit. Der Einspeisepunkt wäre ja Kathode D611 für die Grundhelligkeit, während an Anode D610 die Regelung über P602 wirken sollte. Ich denke ich bau die ganze Baugruppe mal aus und überprüfe alle hochohmige Rs, die könnten evtl. auch mal ausfallen. m.f.G. Dirk
Habe ich auch gerade dran gedacht, wenn ich über Z ext. nicht dunkel steuern kann.... ja, da muss ich mal schauen. Danke
BTW: Rufus Τ. F. schrieb: > Aktuell war das Gerät vor vielleicht 25 Jahren. Hab meins 1995 neu gekauft. Hat darmals richtig Schotter gekostet.
Wenn man im modernen Gerätepark schwimmt, kann man es sich vielleicht nicht vorstellen, dass manch einer froh ist, so ein Gerät zu haben.
Dirk Maler schrieb: > Ich möchte nur vorerst die Röhre dunkel haben um in Ruhe messen zu > können. Klemm einen Draht der Heizung ab.
Oder schieb den Strahl aus dem Blickfeld mit den Offsetpotis. Oder setz den Trigger auf NORM oder Single Sweep und und dreh den Triggerpot hoch, dann ist die die Röhre auch dunkel, weil kein Triggersignal mehr da. Dann drehste am ollen Helligkeitspoti und missest mal die Spannung an R624 und dann an R614. Spannung sollte sich beidesmal ändern, wenn du am Poti drehst.
Rote T. schrieb: > Dann drehste am ollen Helligkeitspoti und missest mal die Spannung an > R624 und dann an R614. Spannung sollte sich beidesmal ändern, wenn du am > Poti drehst. So, hatte kaum Zeit und Ruhe weiter zu machen, aber jetzt. Nach R624 tut sich wenig, gemessen im DC Bereich regelbar zw. +0,7 und +0,73V. Gemessen nach R614 DC regelbar zw. +23V und +54V jeweils gegen Masse. Das sollte so grob stimmen zumal MP7 und MP6 stimmen. MP9 passt mit Vss zw. -15 und +35 so in etwa, geht also noch mit der indukt. Belastung. Ohne Vorteiler hab ich jetzt nichts da was mehr als 1500V= sicher messen kann. Noch hab ich nicht richtig Lust die ganze Baugruppe mit diesen Flachbandkabeln abzubauen, aber ich muß es wohl machen. Andere oder besser Einfälle sind willkommen Falls noch Jemand Lust hat. m.f.G. Dirk
Rückmeldung ----------- Patient lebt wieder. So, 2 x BAV21 (D613 + D614) hatten eine schlechte Sperrwirkung. Durchlassrichtung = 300 Ohm, Sperrichtung = 22KOhm bei 1,5V. Alle Hochspannungs Cs kamen nicht über 5nF, Soll = 10nF und hatten bei 1000V nur noch 65 MOhm Isolationswiderstand, zu wenig. Alles neu gemacht und wieder wie neu. m.f.G. Dirk
Hi, jojo, mit den blauern habe ich auch schon schlechte Erfahrungen gemacht. Bei einem HM408 ging und kam die Helligkeit sehr sporadisch, habe lange danach gefandet bis mir mal auffiel das einer der blauen Kumpels warm war. Mit dem normalen Multimeter oder klopfen.. war nichts zu merken, aber ein Isomessfix ,auf 1KV, geschaltet zeigte auf einmal Isofehler ab 600V, sehr gemein. Viel Erfolg, Uwe
Naja, blau hin, blau her. Sicher ist das Zeug was ich eingabaut habe nicht besser als das was ich rausgeschmissen habe. Die neuen sind durchweg ca. 2mm kleiner und versprechen die selben Werte. Auf dem Foto jeweils links das neue Material. Wenn der Platz auf der Platine gereicht hätte würde ich russische Scheibenkondensatoren nehmen, die waren aber zu groß und die Beine zu dick und steif, ich hätte die Platine nachbohren müssen um die Dinger zu platzieren. Übrigens war die Platine richtig saumäßig verarbeitet, Flussmittelrückstände, Lötspratzer, unsauber gekürzte Bauteile u.s.w.. Oszi läuft jetzt ca. 6 Stunden sauber durch. Mal sehen was die nächsten Jahre bringen... m.f.G. Dirk
Bitte melde dich an um einen Beitrag zu schreiben. Anmeldung ist kostenlos und dauert nur eine Minute.
Bestehender Account
Schon ein Account bei Google/GoogleMail? Keine Anmeldung erforderlich!
Mit Google-Account einloggen
Mit Google-Account einloggen
Noch kein Account? Hier anmelden.

