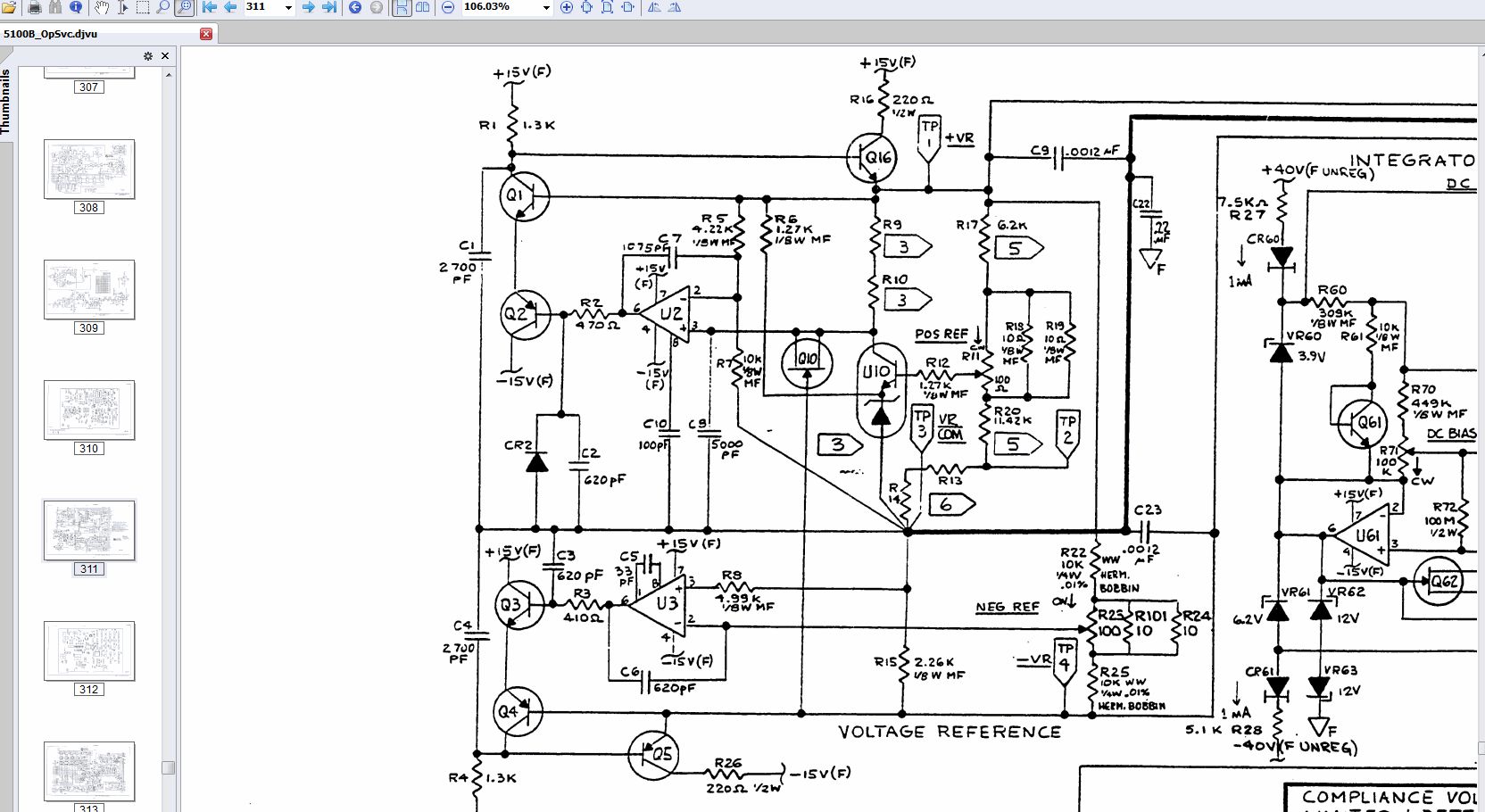
Meine bisherige Suche nach einem Datenblatt oder zumindest der Pinbelegung für den N-JFET "J2864" (Bezeichnung aus Serviceunterlagen) blieb bislang erfolglos. Produktion irgendwann in den 80er Jahren oder vieleicht noch älter. Vebaut ist jedoch ein Transistor mit der Bezeichnung "2720", Herstellerkennzeichnug schwarzes "S" auf einem weissen Rechteck. Es handelt sich hierbei um Q10 im angehängten Schaltbild, dessen Funktion ich bei dieser Verschaltung nicht verstehe. Das Bild zeigt eine Referenzspannungsschaltung für den Fluke Calibrator 5100A.
Gisbert K. schrieb: > Es handelt sich hierbei um Q10 im angehängten Schaltbild, dessen > Funktion ich bei dieser Verschaltung nicht verstehe. Leckstromarme Schutzdiode.
Vielen Dank für die Information, eine solche Beschaltung hatte ich bisher noch nicht gesehen, MfG Gisbert
Hallo, heutzutage würde man wohl einen 2n4117a verwenden. http://www.ti.com/lit/an/sboa058/sboa058.pdf Gruß Anja
Bitte melde dich an um einen Beitrag zu schreiben. Anmeldung ist kostenlos und dauert nur eine Minute.
Bestehender Account
Schon ein Account bei Google/GoogleMail? Keine Anmeldung erforderlich!
Mit Google-Account einloggen
Mit Google-Account einloggen
Noch kein Account? Hier anmelden.
