Hallo, ich steh gerade auf dem Schlauch, wer holt mich da herunter? Ich habe ein bistabiles Relays mit zwei unabhängigen Spulen. Damit möchte ich eine Last schalten. Als Ansteuersignal steht mit ein einfaches High-Low-Signal zur Verfügung. High also +5V soll den Lastkreis schließen, ein Low, also keine Spannung soll den Lastkreis öffen. So gesehen ist also ein Standardrelay die bessere Wahl, allerdings hat das bipolare Relays den Charme, nicht unnütz die Batterie zu entleeren. Nun meine Frage: Wie stell ich das am besten, einfachsten an? Vielen Dank schon mal und Grüße von dem, der gerade auf dem Schlauch steht
Wie viel Kontakte hat das Relay und welcher Art; Wechsler, Schließer, Öffner ??? Gruß!
Das Relays hat zwei Schließerkontakte, einen brauch ich für den Lastkreis.
Das Weisgeradenicht schrieb: > Als Ansteuersignal steht mit ein > einfaches High-Low-Signal zur Verfügung. High also +5V soll den > Lastkreis schließen, ein Low, also keine Spannung soll den Lastkreis > öffen. > So gesehen ist also ein Standardrelay die bessere Wahl, allerdings hat > das bipolare Relays den Charme, nicht unnütz die Batterie zu entleeren. Wenn das High dauernd anliegt, dann wird die Batterie ebenso entleert wie bei einem normalen 'Relays'.
Das Weisgeradenicht schrieb: > Ich habe ein bistabiles Relays mit zwei unabhängigen Spulen. > Damit möchte ich eine Last schalten. Als Ansteuersignal steht mit ein > einfaches High-Low-Signal zur Verfügung. Eine einfache Möglichkeit ein solches Relais anzusteuern ist der Anschluss über einen Elko an eine Gegentaktendstufe, so wie sie z.B. in µCs verbaut ist. Man braucht dann nur ein einfaches HL- Signal wie für normale Relais, hat aber trotzdem den Vorteil, das Energie nur für den Augenblick des Schaltens benötigt wird.
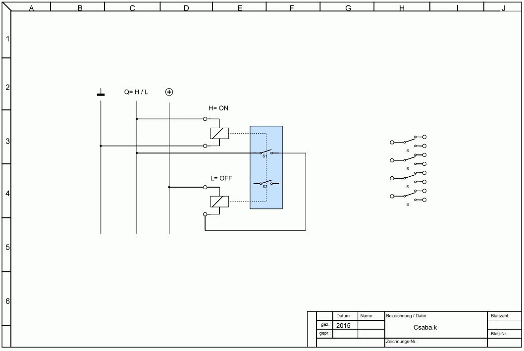
S1 ist dein Hilfskontakt Schliesser, S2 ist dan der Arbeitskontakt! Gruß!
Wie man es sieht, die Schaltung funktioniert nur mit Zweispulen Bistabil-Relais. Dein Wunsch geht nicht ganz auf mit dem Energieverbrauch, wie NZ-Gast schon sagte; der Stromverbrauch bleibt , solange ein H an dem Q anliegt. Es sei denn, Du hast ein tri-state Q Ansteuerung, oder lässt den Q nach jedem L/H Schalten in der Luft hängen..... MfG
@wilhelms bringt mich auf eine Idee; Wenn Du im Schaltplan das OBERE Relay in der Q Steuerleitung Serial- durch einen 470uF Elko ansteuerst, dann wird dein Relay auch mit H Signal nur kurz umschalten und danach keine Energie mehr verbrauchen! Mit L Ansteuerung (Ausschalten)verbraucht er sowieso keine Energie, da nach dem Ausschalten sich selbst den Stromfluss unterbricht....
Hallo zusammen, vielen Dank für Eure Hilfe. Das mit dem Kondensator hatte ich auch schon in der Überlegung. Die Kombination ist genial! Vielen Dank nocheinmsl und Grüße von dem, der der nun nicht mehr auf dem Schlauch steht ;-))
Das Weisgeradenicht schrieb: > Das mit dem Kondensator hatte ich auch schon in der Überlegung. > Die Kombination ist genial! ...und schon seit Jahrzehnten bekannt.
JoJoBa schrieb: > Mit L Ansteuerung (Ausschalten)verbraucht er sowieso keine > Energie, da nach dem Ausschalten sich selbst den Stromfluss > unterbricht.... Wenn du Pech hast, schon WÄHREND des Ausschaltens. Mir wär sowas zu unsicher. Da würde ich lieber saubere Pulse mit vorgeschriebener Länge mit FF erzeugen.
Hier gab es doch schon mal einen seitenlangen Thread dazu. Die Frage war, wie man mit nur einem I/O Pin ein Bi-Stabiles Relais ansteuert.
Benutze einfach nur eine Spule des Relais, lass die andere unbeschaltet:
1 | 470µF Spule |
2 | µC Ausgang o----Treiber-----||-----XXXXXX-----| GND |
Wenn der Ausgang auf High geht, bekommt das Relais einen positiven Impuls. Es zieht an. Wenn der Ausgang auf Low geht, bekommt das Relais einen negativen Impuls, es fällt wieder ab. Voraussetzung ist, dass die Stromversiorgung nicht abgeschaltet wird. Falls du das vor hast, solltest du doch besser beide Spulen einzeln ansteuern. Wenn das Relais nicht mehr als 30mA Strom benötigt, könnte es sogar ohne Treiber funktionieren.
Auf Seite 195 von: https://panasonicelectricworksuk.files.wordpress.com/2013/02/modern-relay-technology_smaller.pdf
Stefan U. schrieb: > Benutze einfach nur eine Spule des Relais, lass die andere unbeschaltet: Besser ist es, beide Spulen in Reihe zu schalten. Man braucht dann nur halb so viel Strom.
Bei zwei Spulen in Reihe gibt es aber auch nur 1/4 der Leistung. Ob das zum ansteuern für das auf/ummagnetisieren reicht ist fraglich.
Nase schrieb: > Bei zwei Spulen in Reihe gibt es aber auch nur 1/4 der Leistung. Ob das > zum ansteuern für das auf/ummagnetisieren reicht ist fraglich. Die Durchflutung bleibt gleich. Die Leistung ist die Hälfte.
Bitte melde dich an um einen Beitrag zu schreiben. Anmeldung ist kostenlos und dauert nur eine Minute.
Bestehender Account
Schon ein Account bei Google/GoogleMail? Keine Anmeldung erforderlich!
Mit Google-Account einloggen
Mit Google-Account einloggen
Noch kein Account? Hier anmelden.
