Hallo liebe Leute, bin leider noch ein Laie in Sachen Elektronik und mache gerade meine ersten Gehversuche beim Bau einer elektrischen Hühnerhausklappe (auf/zu). Hierfür habe ich an eine alte 24V Siemens Logo auf der Eingangsseite zwei End(reed)schalter (auf/zu) und ein 12V Funkmodul mit 4 Ausgängen angeschlossen. Es soll mittels Fernsteuerung die Tür geöffnet und geschlossen werden können. Auf der Ausgangsseite der SPS habe ich an 2 Ausgänge eine Polwendeschaltung (heißt das so?) über ein 5V-Relaismodul realisiert. Dieses steuert die Polung des angeschlossenen Bohrmaschinenmotors. Nun habe ich folgende Frage: der Motor ist ebenfalls wie die SPS auf der 24V Klemme angeschlossen, zieht jedoch rund 1,5A im Betrieb und "klaut" so der SPS den Betriebsstrom. Die SPS geht dann aus und startet ständig neu. Das 24V Netzteil kann bis zu 3,8A liefern. Wie kann ich den Strom der Bohrmaschine begrenzen? Auch dreht diese in die eine Richtung sehr schnell, in die Gegenrichtung jedoch nur sehr langsam. Wie gesagt, bin ein absoluter Neuling... bitte verständlich schreiben. ;) Bilder im Anhang.
Ich halte den Motor für nicht geeignet. Es gibt sicher welche, die die Aufgabenstellung perfekt erfüllen und wenig Strom brauchen. Schon gesucht?
Frei nach Goethe: "Mehr Strom..." Der Motor braucht, was er braucht. Also wirst du ein stärkeres Netzteil bauen müssen, daß ausreichend Strom liefert. Oliver
Ich halte den gesamten Aufbau fuer ungeeignet. Fuer Klappe auf/zu braucht man nur eine Stromversorgung, einen Schalter(2 Wechselkontakte) und zwei Endschalter. Was die SPS und die zusaetzlichen zwei Relaisplatten da sollen, ist mir unklar. wendelsberg
Andi .. schrieb: > bitte verständlich schreiben. Jo, dann mach doch erst mal einen "verständlichen" Schaltplan von dem Drahtverhau (damit beginnt man).
wendelsberg schrieb: > Was die SPS und die zusaetzlichen zwei Relaisplatten da sollen, ist mir > unklar. Die obere Relaisplatte ist ein Funkmodul für die Fernsteuerung. Die SPS benötige ich, da die Klappe nicht nur per Fernbedienung sondern auch zeitgesteuert geöffnet werden soll. Später soll noch eine Heizung für die Wassertränke hinzukommen, daher die Auslegung. Das untere Relaismodul benötige ich, um nicht gleich alle 4 Ausgänge der SPS nur für die Motorsteuerung (vor/zurück) zu belegen.
Hallo Andi, auch ich meine, das Dein Aufbau viel zu kompliziert für den Verwendungszweck ist. Du schreibst selbst, daß Du Anfänger bist, deshalb ist es besser erst mal ganz einfach anzufangen und dann das Teil nach und nach zu erweitern. Für den Anfang brauchst Du eigentlich erstmal nur 2 Relais, 2 Taster oder Schalter und 2 Endlagenschalter (z.B. Mikrotaster mit Schaltfeder oder was ähnliches). Die zwei Relais verriegeln sich gegenseitig (damit nicht beide gleichzeitig anziehen, denn das würde ja einen satten Kurzen geben). Jedes Relais ist für eine Drehrichtung verantwortlich. In jede Relaiszuleitung kommt ein Endlagenschalter (einer für auf und einer für zu) der den Strom zum Relais in der entsprechenden Klappenstellung unterbricht, d.h. wenn die Klappe ganz auf ist geht nur noch zu oder umgedreht. Die 2 Taster/Schalter (einer für auf, einer für zu) schalten die Relais jeweils gegen Masse. Gegen Masse deshalb, weil es sich dann leichter erweitern läßt, wenn man die Schaltung später zum Beispiel mit einem elektronischen Zeitschalter, Fernsteuerung, Mikrokontroller oder was auch immer erweitern möchte. Benutze die von mir vorgeschlagene Schaltung einfach als Basis, die Du dann jederzeit nach Deinen Wünschen erweitern kannst. Fang lieber erst mal ganz klein an und arbeite Dich langsam nach vorn - so lernst Du mehr. Das was Du dann noch realisieren möchtest, also Funkfernsteuerung und Zeitschaltung realisiert man am besten mit einem µP oder auch einem RasPi, die können nämlich schon Zeitschaltuhr und mit dem passenden Modul auch Funkfernsteuerung. Du brauchst dann nur noch eine entsprechende Logik in Form eines kleinen Programmes. Wichtig ist, das Du Dir erst mal ein richtiges Konzept erarbeitest, wo Du mal auf einem Blatt Papier aufskizzierst was Du möchtest. Daraus wird dann ein Blockschaltbild entwickelt aus dem die prinzipielle Funktion ersichtlich ist und erst danach die detailierte Schaltung der einzelnen Funktionsblöcke. Das hört sich jetzt zwar etwas antiquiert an, aber es führt definitiv zum Ziel und man weiß auch noch in 5 Jahren was und warum man es so getan hat. Trenne Dich von dem Gedanken, alles aus einer Spannungsquelle betreiben zu wollen. Das macht zum Schluß mehr Probleme als Dir lieb sind. Für den Motor solltest Du in jedem Fall eine getrennte Stromversorgung vorsehen. Motoren haben es halt so an sich im Einschaltmoment einen sehr hohen Strom zu ziehen. Du kannst ja die Spannungsversorgung für den Motor sehr einfach gestalten. Gruß Twinsetter
90% der o.g. Tips sind ok, allen voran "Schema zeichnen!" und "Vereinfachen!". Der Kern des problems fass ich aber wie Folgt zusammen: "Hirn und Mukkis speisen nicht gern am selben Tisch" Also: speise Motor und Controller nicht aus dem selben Netzteil. Für ein erster Versuch: den Motor aus dem Werkzeugakku versorgen. Für den Dauerbetrieb: das NT f.d. Steuerung soll ein "gutes", ein geregeltes sein; das NT f.d. Antriebe darf auch bloss aus Trafo/Gleichrichter(/ ev. Glättung) bestehen. Die Speisespannung der Steuerung darf NIE einbrechen; den Motoren ist's egal wenn die Speisespannung z.B. beim anlaufen (kurz) zusammensackt. 73 de Stephan HB9ocq
bei allem o.g. Geschwafel: du hast nun mal eine SPS und ich vertraue darauf dass die Steuerung d. Zeitlichen Ablaufes damit hinbekommst, also dass Du SPS programmieren kannst. (ich hatte noch keine Gelegenheit dazu, kann aber "alles Andere"[TM] programmieren ;-) Also lass dich nicht beirren von uCs/AVRs/'duinos/Pis & Konsorten: SPS passt auch - Damit der Motor im Testbetrieb weniger Strom zieht, kannst ihn mit (deutlich) weniger Spannung versorgen, z.B. 12V; aber getrennt vom Rest. (weniger geht "immer", unter 5-6V duerfte es dann nicht mehr sinnvoll sein) Allerdings dreht er dann auch weniger schnell und bringt weniger Drehmoment auf. Für den realen Betrieb kannst Du ruhig experimentieren wieviel Spannung (und entspr. Strom er sich genehmigt) nötig ist um das Hühnertor zu bewegen. 73 de Stephan HB9ocq
Motorenfütterer schrieb: > Also: speise Motor und Controller nicht aus dem selben Netzteil. Sag ich doch. Natürlich kann er auch die alte SPS als Steuerung nehmen und ich spreche ihm natürlich nicht ab, das er so ein Ding programmieren kann (ich kann's nicht). Da er sich aber selbst als elektronischer Anfänger bezeichnet, sollte er mit dem minimalsten Aufwand und einer Schaltung anfangen die er wirklich versteht. Das kann dann auch als Basis für weitere Ausbaustufen genutzt werden. Wenn man das ganze noch in sinnvolle Blöcke unterteilt, z.B. die logische Trennung der Steuerschalter von der Relaislogik, dann kann diese Komponenten später sicher auch gut wieder mit der genannten SPS, µP oder was auch immer kombinieren. Alles was über die Basis hinausgeht ist zum gegewärtigen Zeitpunkt erst mal "nice to have" - mehr nicht. Gruß Twinsetter
Hallo, entgegen meiner Vorredner scheinst du die Technik soweit im Griff zu haben, deshalb sehe ich keinen Grund das in kleinere Blöcke runter zu brechen. Zu deinem Problem: Motoren ziehen aus dem Stillstand höhere Ströme und zudem zieht ein Gleichstrommotor pulsweise Strom, den du auf einem langsamen Multimeter als solchen nicht direkt siehst. Wenn ich das auf deinen Bildern richtig sehe hast du den Schalter "mit der Elektronik" noch an der Bohrmaschine angeschlossen. In dieser Schaltung wird üblicherweise die feste Polarität des Akkus genommen, die Reduzierung der Spannung mit einem MOSFET (Transistor) gemacht und danach über den Richtungswahlschalter die benötigte Polarität auf den Motor gegeben. Wenn du jetzt davor mit deinen Relais die Richtungswahl machst, dann betreibst du das ganze einmal mit der richtigen Polarität und einmal mit der falschen Polarität. Der Schalter sieht dabei dauergedrückt aus. Das heißt, der MOSFET wird bei korrekter Polung voll durchgesteuert und der Schrauber läuft vollgas. Verpolst du es aber bei der Richtungsumschaltung ist der MOSFET gesperrt und der Strom kann nur über die integrierte Freilaufdiode fließen, wobei diese begrenzent wirkt und der Schrauber damit nicht mehr vollgas läuft. Zwei getrennte Spannungsversorgungen für Schrabuer und Steuerung wurde genannt und sich sicher eine gute Möglichkeit, wenn auch aufwendig. Eine andere Möglichkeit ist, deine Wendeschützschaltung nach dem Schalter des Schraubers zu setzen (direkt in die beiden Drähte, die zum Motor gehen) und den Schalter mit der richtigen Polarität anschließen. Dann kannst du den Stromfluss zum Motor durch teilweises drücken des Originalschalters auch gleich die Motordrehzahl steuern. Ist allerdings mechanisch etwas aufwendiger. Eine schönere Lösung wäre es die Ansteuerung des MOSFETs mit einem Drehpotentiometer oder festen Widerständen zu machen. Im Prinzip ist das eine Konstantstromquelle. Wenn es geregelt werden soll kann man das auch leicht mit einem Operationsverstärker aufbauen. Allerdings produziert der Motor Störungen die Elektronik zerstören kann, wenn es nicht richtig aufgebaut ist. Stichwort Induktionspannungen/Selbstinduktion. Bei Betrieb aus einer Quelle ist für die Steuerung ein Tiefpassfilterung und Pufferung der Spannung eine gute Idee. Gruß Kai
Kai S. schrieb: > Wenn ich das auf deinen Bildern richtig sehe hast du den Schalter "mit > der Elektronik" noch an der Bohrmaschine angeschlossen. In dieser > Schaltung wird üblicherweise die feste Polarität des Akkus genommen, die > Reduzierung der Spannung mit einem MOSFET (Transistor) gemacht und > danach über den Richtungswahlschalter die benötigte Polarität auf den > Motor gegeben. Wenn du jetzt davor mit deinen Relais die Richtungswahl > machst, dann betreibst du das ganze einmal mit der richtigen Polarität > und einmal mit der falschen Polarität. Das hast Du, denke ich mal richtig erkannt und das wiederspiegelt genau das was ich die ganze Zeit sage : Erst mal ein vernünftiges Konzept entwickeln und dann los legen. Ohne zweite Spannungsquelle für den Motor - wie schon mehrfach geschrieben - wird es nicht vernünftig (störungsfrei) funktionieren. Ich würde vor allem mal eines machen : Den Motor direkt an ein Labornetzteil anschließen und austesten welche Motorspannung (respektive Drehzahl) für den gewünschten Anwendungsfall ausreichend bzw. optimal ist. Entsprechend dem Test wird dann das Netzteil ausgelegt, d.h. der Trafo bemessen - es läßt sich bestimmt ein passender Trafo oder auch ein Steckernetzteil finden. Auf Drehzahregelung kann man bei diesem Anwendungsfall definitiv verzichten. Dies bedeutet im Umkehrschluß auf den gesamten Elektronikteil der alten Bohrmaschine verzichten. Vielleicht könnte der TO mal die Schaltung seines Aufbaus posten, dann könnte man wahrscheinlich besser helfen. Gruß Twinsetter
Kleiner Nachtrag: Habe mir gerade mal die SPS Steuerung angesehen. Die hat ja 4 potentialfreie Ausgangskanäle, die auch ordentlich Schmackes vertragen. Damit kann man ja schon eine Polwendeschaltung realisieren, wenn sich die Ausgänge entsprechend ansteuern lassen, wovon ich mal ausgehe. Auf die zusätzliche Relaisplatte kann man dann vollständig verzichten. Mit den 8 Eingängen von denen 4 sogar als Analogeingänge genutzt werden können hat er alle Möglichkeiten da was Vernünftiges zu machen. Gruß Twinsetter
Hallo zusammen und erst einmal ein herzliches Dankeschön an die vielen Hinweise und Hilfestellungen. Jetzt weiß ich gar nicht, worauf ich zu erst antworten soll... :) Twinsetter schrieb: > Habe mir gerade mal die SPS Steuerung angesehen. Die hat ja 4 > potentialfreie Ausgangskanäle, die auch ordentlich Schmackes vertragen. > Damit kann man ja schon eine Polwendeschaltung realisieren Kurz zu einer Wendeschaltung direkt an der SPS: Würde gehen, aber dann belege ich alle 4 Ausgänge (wie schon geschrieben). Ich brauche jedoch noch 2 Ausgänge für Heizungsschaltung und eine Signalfunktion. Das mein Aufbau umständlich wirken muss verstehe ich, schließlich sind da 3 Relais hintereinander, um EINEN Motor zu schalten (Funkmodulrelais, SPS-Relais und Relaiskarte). Allerdings bin ich noch zu sehr Laie, um mir das mit einem eigenen Aufbau und eigenen Relais zuzutrauen. Ich dachte, ich fang einfach mal blauäugig an und schaue, wie weit ich komme und dann verbessere ich den Aufbau. Es macht mir nichts aus, mich in Dinge einzulesen und Neues zu versuchen und freu mich daher sehr über eure Tipps. Mit dem Mosfet verstehe ich so weit von der Logik, allerdings traue ich mir den Aufbau noch nicht so ganz zu. Motorenfütterer schrieb: > "Hirn und Mukkis speisen nicht gern am selben Tisch" Habe nun noch ein drittes NT besorgt: 1x 24V / 3,8A für den Motor [Maxverbrauch gemessen ca. 2A] 1x 24V / 750mA für die SPS [100mA] 1x 12V / 1,0A für Funkmodul [50mA], Relaiskarte [60mA] (via Widerstand auf 5V) und später das Heizelement [700mA] Ganz schön aufwändig mit so vielen Netzteilen... ;) Kai S. schrieb: > Eine andere Möglichkeit ist, deine Wendeschützschaltung nach dem > Schalter des Schraubers zu setzen (direkt in die beiden Drähte, die zum > Motor gehen) und den Schalter mit der richtigen Polarität anschließen. Habe ich dich richtig verstanden: einfach den mech. Drehregler mit der eingebauten Elektronik entfernen und die Relaiskarte mit ihrer Wendeschaltung direkt an den Motor (=Vollgas)? Grüße Andi PS: Twinsetter schrieb: > Vielleicht könnte der TO mal die Schaltung seines Aufbaus posten, dann > könnte man wahrscheinlich besser helfen. Ich versuch es mal und stelle es dann rein.
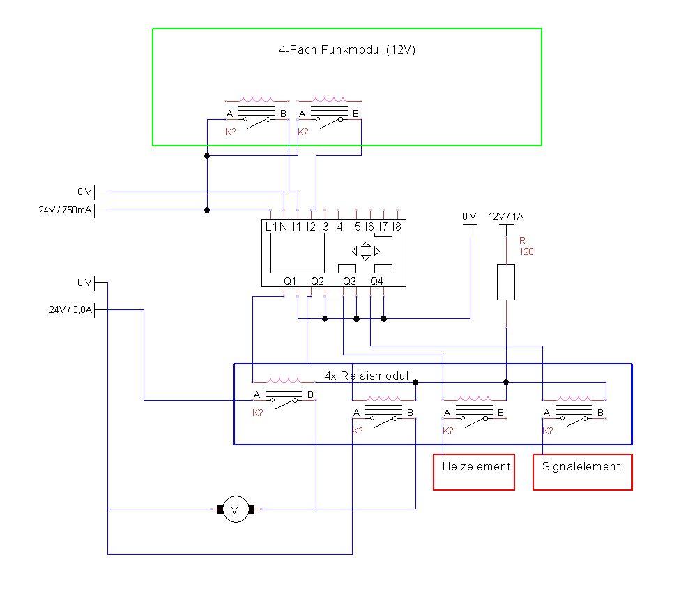
Anbei noch der "Schaltplan". Die Wendeschaltung ist nicht richtig eingezeichnet (wusste nicht wie das geht), aber ich hoffe, der Grundaufbau kommt rüber. Evtl. sind in der Zeichnung noch Fehler.
Andi .. schrieb: > Habe ich dich richtig verstanden: einfach den mech. Drehregler mit der > eingebauten Elektronik entfernen und die Relaiskarte mit ihrer > Wendeschaltung direkt an den Motor (=Vollgas)? Motoren würde ich mit einer H-Brücke ansteuern und dann PWM nutzen um die Drehzahl zu verändern. Die Freilaufdioden müssen natürlich entsprechend stark ausgelegt werden. Ist das ein richtiger Drehzahl-Regler oder auch nur PWM? Andi .. schrieb: > Später soll noch eine Heizung für > die Wassertränke hinzukommen Was soll denn das genau werden?
Mike J. schrieb: > Ist das ein richtiger Drehzahl-Regler oder auch nur PWM? Weiß ich nicht genau - kenne mich wie gesagt noch nicht so gut aus. Es ist ein Mosfet P60NF06 in die mech. Regelung aus der Bohrmaschine eingebaut. Mike J. schrieb: >> Später soll noch eine Heizung für >> die Wassertränke hinzukommen > > Was soll denn das genau werden? Frostschutz für das Trinkwasser für die Hühner. Momentan friert bei uns hier alles in kürzester Zeit draußen.
Andi .. schrieb: > der Motor ist ebenfalls wie die SPS auf der 24V Klemme angeschlossen, > zieht jedoch rund 1,5A im Betrieb und "klaut" so der SPS den > Betriebsstrom. Die SPS geht dann aus und startet ständig neu. Das 24V > Netzteil kann bis zu 3,8A liefern. Wie kann ich den Strom der > Bohrmaschine begrenzen? Der Akkuschrauber- Motor braucht halt so viel Strom, übrigens nicht 1.5A sonsern beim Anlaufen eher 30A. Er ist ungeeignet (überdimensioniert) für so ein kleines Netzteil. > Auch dreht diese in die eine Richtung sehr > schnell, in die Gegenrichtung jedoch nur sehr langsam. Offenbar hast du die Elektronik am Motor drangelassen und versorgst die verpolt. Entferne Elektronik und Handschalter (wären bei einem anderen Motor eh nicht dran). Suche bei pollin.de DC Getriebemotoren, die sind sogar billiger als Akkuschrauber.
Hallo, hast du mal über einen guten Modellbauservo und Ansteuerung über einen kleinen Mikrocontroller nachgedacht? Der Servo braucht nicht soviel Strom und erzeugt große Kräfte. Dazu bräuchtest du keine Endkontakte. Ein Mikrocontroller kann den Job problemlos erledigen und wäre nicht so teuer und einfacher unterzubringen. War nur eine weitere Idee als Lösungansatz... Grüße
Hallo Andi!
Vergiß den ganzen Quark mit PWM und so weiter. Für Dein Projekt brauchst
Du das definitiv nicht.
Ich sitze gerade auf der Couch und hab mal auf die Schnelle was mit
Eagle zusammengeklickt.
Kurze Erläuterung:
Du brauchst 2 Relais mit 2 Umschaltern. S1 und S2 sind Endlagenschalter
(S1 zu, S2 auf). Die Relais sollten bei der Motorspannung sicher
schalten, da sie bei meiner Schaltung aus der gleichen Spannungsquelle
gespeist werden (man kann's natürlich auch trennen, dann braucht's aber
für die Verriegelung einen dritten Kontakt). Die Spannung wird an LSP1
und LSP2 angeschlossen, wobei LSP2 Massepotential ist - die Relais
werden dadurch gegen Masse geschalten. An LSP3 und LSP4 kommt der Motor.
Ausgang 1 der SPS kommt an LSP5 und LSP2 = Klappe auf. Ausgang 2 der SPS
kommt an LSP6 und LSP2 = Klappe zu. Sobald die Klappe in einer Endlage
ist erfolgt automatisch die Abschaltung durch S1 bzw. S2. Nach der
Abschaltung ist nur noch Bewegung in die andere Richtung möglich.
Die Kontakte 3 der Schalter S1 und S2 kannst Du für Signalzwecke
("Klappe auf","Klappe zu") nutzen.
Da die Relais gegen Masse geschalten werden, ist auch eine Ansteuerung
mit Openkollektor (Transistor - Freilaufdiode nicht vergessen) einfach
möglich.
Gruß Twinsetter
MaWin schrieb: > Der Akkuschrauber- Motor braucht halt so viel Strom, übrigens nicht 1.5A > sonsern beim Anlaufen eher 30A. Er ist ungeeignet (überdimensioniert) > für so ein kleines Netzteil. Wenn Du mit getrennten Spannungen arbeitest ist der Anlaufstrom des Motors kein Problem. 30A bezweifle ich mal, da das ganz einfach von der Last abhängt die er zu bewegen hat. Teste den Motor mal mit einem Labornetzteil, um herauszufinden bei welcher Spannung er für Dein Projekt optimal läuft. Wenn Du kein Labornetzteil hast, dann tut's auch ein Satz Monozellen. Die Elektronik der Bohrmaschine läßt Du komplett weg, d.h. der Motor wird direkt angeschlossen. PWM wie vorgeschlagen ist an dieser Stelle völliger Quatsch. Es ist völlig egal mit welcher Geschwindigkeit sich die Klappe öffnet/schließt. Auch muß diese Geschwindigkeit nicht konstant sein. An dieser Stelle einen Mikrocontroller bzw. einen Servo einzusetzen ist völlig überzogen - ein einfacher Motor mit Untersetzung (Getriebe) ist an dieser Stelle völlig ausreichend. Gruß Twinsetter
Zeno schrieb: > Anlaufstrom des Motors kein Problem. 30A bezweifle ich mal, da das ganz > einfach von der Last abhängt die er zu bewegen hat. Unsinn, der Anlaufstrom hängt nicht von der Last ab, sondern von Betriebsspannung/Innenwiderstand. Der Innenwiderstand muss beim Akkuschrauber aber niedrig sein, damit der Motor bei der Betriebsspannung auch Kraft hat und keinen 'Vorwiderstand'.
Zeno schrieb: > 30A bezweifle ich mal, da das ganz einfach von der Last abhängt die er > zu bewegen hat. Das kannst Du gern bezweifeln, bei Bosch Akkuschraubern habe ich Anlaufströme von 25 bis 30A gemessen. Bei dem Billigteil mit vermutlich 18V-Akku wird es etwas weniger sein, aber 15A zwingen das Netzteil auch in die Knie. Entsprechend potentes Netzteil verwenden. Motor mit geringerer Spannung an anderem Netzteil betreiben, 6V dürften für die poplige Hühnerklappe auch reichen. Sanftanlaufschaltung verwenden, aber das lohnt bei dem Motor den Aufwand nicht. Bei Pollin nach einem passenden Getriebemotor mit geringerer Stromaufnahme schauen. Sollte wirklich Kraft benötigt werden, auf einen Rolladenmotor umsteigen. Der läuft allerdings an 230V Netzspannung und wird über 2 Relais auf / ab gesteuert, ohne Stromwendeschaltung.
Timm T. schrieb: > aber 15A zwingen das Netzteil auch in die Knie. > > Entsprechend potentes Netzteil verwenden. Das muss er nicht, da er ja auch langsam anfahren kann. Dieser Akkuschrauber soll doch bestimmt nur die Schiebetür hoch ziehen. Er kann einen einfachen Widerstand (1 bis 3 Ohm) nehmen und ihn in Reihe zum Motor schalten um den Strom zu begrenzen. Parallel zum Motor sollte aber ein Kondensator (1000µF) geschaltet werden, da der Motor den Strom sehr unregelmäßig zieht. Ich würde aber immer noch eine H-Brücke empfehlen, da die Kontakte von Relais mit der Zeit Schaden nehmen.
MaWin schrieb: > Der Innenwiderstand muss beim Akkuschrauber aber niedrig sein, damit der >Motor bei der Betriebsspannung auch Kraft hat und keinen >'Vorwiderstand'. Hä?? also den Satz versteh ich gar nicht. Bis zur "Kraft" kann ich ja noch folgen. Aber was hat das mit einem Vorwiderstand zu tun? MaWin schrieb: > Unsinn, der Anlaufstrom hängt nicht von der Last ab, sondern von > Betriebsspannung/Innenwiderstand. Das ist nur bedingt richtig. Der Innenwiderstand (Gleichstromwiderstand) des Motors ist immer konstant, da er nur von der Stärke und der Länge des Kupferdrahtes der zum Wickeln der Spule benutzt wurde abhängt. Im Startmoment, wenn sich der Motor noch nicht dreht muß er zunächst mehr Leistung aufbringen um die Masse des Läufers in Rotation zu versetzen und es wirkt für einen Moment nur der reine Gleichstromwiderstand (Ja und dieser bewirkt auch maßgeblich den hohen Einschaltstrom). Letztendlich ist der Effektivwert des Stromes aber ein Integral über die Zeit. Sobald sich der Läufer dreht wird gemäß der Lenzschen Regel eine Gegenspannung induziert die Klemmenspannung entgegen gerichtet ist. Aus Sicht der Spule sieht das so aus, das Klemmenspannung sinkt. Da der Widerstand der Spule konstant ist muß der Strom bei sinkender Spannung ebenfalls sinken da direkt proportional. Kannste alles hier https://de.wikipedia.org/wiki/Einschaltstrom oder jedem Buch über theoretische Elektrotechnik nachlesen. Wenn man jetzt die Motorwelle zusätzlich belastet muß letztendlich ein höheres Drehmoment aufgebracht werden um die Welle zu beschleunigen.Höheres Moment bedeutet letztendlich höherer Strom - zumindest wenn man es über die Zeit betrachtet. Sobald sich der Rotor dreht wird eine Gegenspannung induziert womit der Strom sinkt. Ich habe es gerade mal praktisch ausprobiert. Labornetzteil (I bis 5A) und einen Akkuschrauber von Worx (14V). Bei 14V spricht die Strombegrenzung kurzzeitig an aber der Motor läuft an und der Strom pendelt sich auf ca. 2A ein. Messungen alle ohne Last. Mit Last sieht es ganz anders aus. Wird die Last zu groß, dann läuft der Motor gar nicht mehr an weil das Netzteil auf Grund des hohen Stromes abschaltet. Also die Höhe des Stromes ist sehr wohl von der Last abhängig. @Timm Thaler > Entsprechend potentes Netzteil verwenden. > Motor mit geringerer Spannung an anderem Netzteil betreiben, 6V dürften > für die poplige Hühnerklappe auch reichen. Das sage ich und andere auch schon die ganze Zeit. Auch das habe ich mit oben genannten Versuchsaufbau mal nachvollzogen. Bei 6V läuft der Akkuschrauber locker an und deR Anlaufstrom ist unter 5A. Also separate Spannungsquelle benutzen. Die aber so einfach wie möglich (Graetzbrücke + Sieb-C). Den Siebkondensator ruhig großzügig dimensionieren - quasi als Puffer für den Anlaufmoment.
Zeno schrieb: > Den Siebkondensator ruhig großzügig > dimensionieren - quasi als Puffer für den Anlaufmoment. Wozu? Der Motor braucht überhaupt keine gesiebte Gleichspannung. Die pulsierende Spannung nach dem Gleichrichter reicht völlig. Macht jeder ältere Modellbahntrafo so (wobei ein Modellbahntrafo nicht genug Strom für so einen Motor liefert). Sollte aber schon eine Graetzbrücke und kein Einweggleichrichter sein. Billigste Lösung: Kurzschlußfester Halogentrafo 12V 100W (konventionell, kein "elektronischer Trafo"), primärseitige Sicherung 2A träge, Gleichrichterbrücke 25A 40V, 2 x Kfz-Relais 20-40A mit Umschaltkontakt. Und mach mal die Schalterelektronik weg und schließ den Motor direkt an den Relais an.
Zeno schrieb: > MaWin schrieb: >> Unsinn, der Anlaufstrom hängt nicht von der Last ab, sondern von >> Betriebsspannung/Innenwiderstand. > > Das ist nur bedingt richtig. Es ist immer richtig. > Der Innenwiderstand (Gleichstromwiderstand) > des Motors ist immer konstant, da er nur von der Stärke und der Länge > des Kupferdrahtes der zum Wickeln der Spule benutzt wurde abhängt. Im > Startmoment ... wirkt für einen Moment nur der reine Gleichstromwiderstand (Ja > und dieser bewirkt auch maßgeblich den hohen Einschaltstrom). Eben. Das ist der Strom der durch die Transistoren und ggf. Strombegrenzung muss. > Letztendlich ist der Effektivwert des Stromes aber ein Integral über die > Zeit. Sobald sich der Läufer dreht wird gemäß der Lenzschen Regel eine > Gegenspannung induziert Dann ist der Anlaufmoment aus Sicht der Elektronik vorüber, also akademisches Geschwätz.
Timm T. schrieb: > Wozu? Der Motor braucht überhaupt keine gesiebte Gleichspannung. Die > pulsierende Spannung nach dem Gleichrichter reicht völlig. Es geht hier nicht um Siebung, sondern darum das der (Sieb-)Kondensator im Einschaltmoment als Puffer dient um die Einschaltstromspitze abzufangen. Ein großzügig dimensionierter Elko bewirkt hier lediglich einen nicht so starken Spannungseinbruch und mildert so die Stromspitze. @Mawin > Dann ist der Anlaufmoment aus Sicht der Elektronik vorüber, also > akademisches Geschwätz. Halt wie immer beratungsresistent, oberflächlich und zu faul sich tiefgründig mit einer Sache zu beschäftigen.
Zeno schrieb: > Es geht hier nicht um Siebung, sondern darum das der (Sieb-)Kondensator > im Einschaltmoment als Puffer dient um die Einschaltstromspitze > abzufangen. Wozu? Wird der Motor aus einem eigenen Netzteil betrieben, ist es völlig egal, ob die Spannung im Einschaltmoment zusammenbricht. > Ein großzügig dimensionierter Elko bewirkt hier lediglich > einen nicht so starken Spannungseinbruch und mildert so die Stromspitze. Ähmja, wir reden hier über Ströme im Bereich von 30A. Wenn die Spannung auf die Hälfte einbrechen darf und der Anlauf nur eine Sekunde dauert, bräuchtest Du einen Elko von ungefähr 60 Farad! Nur um Dir mal die Größenordnung zu verdeutlichen. Wenn Du da so 1000µ oder 4700µ oder 10.000µ dranhängst, bewirkt das genau nichts. Sinnvoller ist es, wenn man schon nur einen Trafo nehmen will, die Spannung des Controllers mit einer Diode zu entkoppeln und ordentlich zu puffern. Und die Spannung der Relais, damit die nicht beim Anlaufen wieder abschalten.
Timm T. schrieb: > Wozu? Wird der Motor aus einem eigenen Netzteil betrieben, ist es völlig > egal, ob die Spannung im Einschaltmoment zusammenbricht. Nein eben nicht! Der Kondensator verringert im Einschaltmoment den Innenwiderstand des Netzteiles und genau darum geht es. Deine 60 Farad sind ein Fantasiewert. Ich rechne es mal an Hand des von mir zum Experimentieren benutzten Akkuschraubers (Worx 14V) durch. Das Teil hat einen Gleichstromwiderstand von 0,5Ohm (direkt am Motor gemessen), was bedeutet das bei 14V max. 28A fließen können. Insofern muß ich mich korrigieren und zugeben, daß Ströme von bis zu 30A hier möglich sind. Allerdings wird dieser Strom durch äußere begrenzende Einflüsse nicht voll erreicht werden, da bei Strömen in dieser Größenordnung die äußere Beschaltung (Anschlusskabel, Schalter, Elektronik) nicht mehr vernachlässigt werden können. Nehmen wir nur mal an das durch die äußere Beschaltung ein zusätzlicher Widerstand von 0,1Ohm zu Stande kommt, dann sind wir bei einem Strom von maximal 23A, also knapp 20% weniger. Jetzt reduzieren wir mal die Spannung wie schon mehrfach vorgeschlagen auf 6V (damit dürfte sich bei dem Bohrmaschinenmotor eine Drehzahl einstellen die für den vorgesehenen Zweck ok ist). Die Strombilanz ist jetzt max. 12A bzw. mit 0,1Ohm zusätzlicher Beschattung 8,2A. Einigen wir uns mal auf 10A. Damit sind wir schon in einem recht übersichtlichen Bereich. So und jetzt kommen wir noch mal zu dem Kondensator. Bei einem C von 4500µF und dem Motor mit 0,5Ohm haben wir eine Zeitkonstante von 2,25ms. Dies bedeutet, wenn man den voll geladenen Kondensator von der Spannungsquelle trennen würde, dann ist nach 0,7*2,25ms=1,5..ms die Spannung und auch der Strom auf die Hälfte abgesunken. Allerdings wird ja der Kondensator von der Spannungsversorgung ständig nach geladen, so daß hier praktisch eine andere Zeitkonstante zum Tragen kommt. In diesem Zusammenhang wäre es nun wichtig zu wissen wie das Anlaufverhalten des Motors ist, d.h. wie lange der Motor den Anlaufstrom zieht und wie lange er braucht um auf Nenndrehzahl zu kommen. Dazu müßte man aber Datenblätter des Herstellers haben. An der TH Hamburg-Harburg wurden Untersuchungen gemacht, wonach ein Gleichstrommotor nach ca. 20 - 200ms seine Nenndrehzahl erreicht, das heißt der Anlaufstrommoment ist da schon lange vorbei, da der Strom sofort sinkt sobald sich der Motor dreht (Lenzsche Regel), also schon lange vor Erreichen der Drehzahl. Da erhebt sich auch die Frage wie Du da den Anlaufstrom messen willst - normale Messinstrumente sind dafür viel zu träge. Die genannte Motorzeitkonstante hängt stark von der Konstruktion des Motors und seiner Nennleistung ab. Bei einem Bohrmaschinenmotor dürfen wir auf Grund der Leistung eher niedrige Werte annehmen. So und jetzt rechnen wir noch mal die Zeitkonstante mit Deinen 60F aus : 0,5Ohm*60F = 30s! Wow da muß das aber ein ganz langsamer Motor sein. So und jetzt noch mit 0,7 multiplizieren ergibt 21s immer noch sehr langsam - da ist ja die Klappe schon auf bzw. zu. Und jetzt rechnen wir mal den Kondensator für 200ms (also Motor hat Höchstdrehzahl erreicht) aus. 200ms/0,5Ohm = 0,4F - also zu Deinen 60F rund Faktor 100. Da die Zeit des hohen Stromflusses aber deutlich kleiner ist und der Kondensator / Motor ständig an der Spannungsquelle hängt zeigt an die Stelle auch schon ein deutlich kleinerer C Wirkung. Also mal nicht gleich mit Kanonen auf Spatzen schießen. Gruß Zeno
Zeno schrieb: > An der TH Hamburg-Harburg > wurden Untersuchungen gemacht, wonach ein Gleichstrommotor nach ca. 20 - > 200ms seine Nenndrehzahl erreicht, Echt, jeder GS Motor?
Mot schrieb: > Echt, jeder GS Motor? Laut den dort gemachten Angaben ja. Hängt wie gesagt von der Konstruktion und der Leistung des Motors. Die Werte sind für Standardmotors. Scheibenlaüfermotore liegen noch deutlich darunter (gleiche Quelle). Mir ging es da aber nicht um Zeit bis zum erreichen der Maximaldrehzahl, sondern nur um den Zeitraum des Anlaufstromes. Diese Zeitdauer dürfte deutlich darunter liegen. Zumindest die 200ms halte ich für realistisch. In den Anlagen die ich servicetechnisch betreue sind Gleichstrommotore verbaut die zwischen ca. 20kg und 500kg Masse (je nach Größe der Maschine) bewegen müssen. Die Regelzeitkonstante im Antriebskreis liegt deutlich unter 100ms, also müssen die Motoren auch in dieser Zeit reagieren können und das funktioniert auch. Gruß Zeno
Zeno schrieb: > Einigen wir uns mal > auf 10A. Nein, einigen wir uns nicht. Was hast Du an "ich habe da 30A *gemessen*" nicht verstanden. Zeno schrieb: > erhebt sich auch die Frage wie Du da den Anlaufstrom messen willst - > normale Messinstrumente sind dafür viel zu träge. Ja, für Dich vielleicht. Schon mal was von einem Oszilloskop gehört? Schonmal was von Shuntwiderständen gehört? Was glaubst Du, was man messen kann, wenn man einen Shuntwiderstand, eine potente Spannungsquelle (also kein auf 2A begrenzendes Labornetzteil, sondern ein Bleiakku), einen Getriebemotor und ein Oszilloskop sinnvoll kombiniert? Es hat was mit Einschaltstrom und Anlaufzeit zu tun. Zeno schrieb: > Bei einem Bohrmaschinenmotor dürfen wir auf > Grund der Leistung eher niedrige Werte annehmen. Bei einem Akkuschraubermotor dürfen wir noch ein nachgeschaltetes Planetengetriebe annehmen. Mann Massenträgheit mann!
Für die Hühnerhausklappe würde ich einen Scheibenwischermotor eines Autos hernehmen. Für Deinen Anwendungsfall dürfte ein Heckscheibenwischermotor völlig ausreichend sein. Bekommst Du bei jedem KFZ-Verwerter recht preiswert. ;) Diese Schneckengetriebemotoren sind äußerst vielseitig einsetzbar und liefern bei geringer Stromaufnahme hohe Drehmomente. Wie bewerkstelligst Du bei Deiner angedachten Lösung (per Akkuschrauber) denn eigentlich das Öffnen und Schließen der Hühnerhausklappe?
Timm T. schrieb: > Zeno schrieb: >> Einigen wir uns mal >> auf 10A. > > Nein, einigen wir uns nicht. Was hast Du an "ich habe da 30A *gemessen*" > nicht verstanden. So schreibt man wenn man nicht bis zum Ende durchliest oder das Geschriebene nicht verstehen will. Ich habe es an einem konkreten Beispiel durchgerechnet und bei 0,5Ohm und 6V kommen nun mal max. nur 12A raus, da kannst Du noch so raffiniert messen wie Du willst es wird beim besten Willen nicht mehr. Warum ich die 10A genommen habe ich ausreichend erklärt. Timm T. schrieb > Ja, für Dich vielleicht. Schon mal was von einem Oszilloskop gehört? > Schonmal was von Shuntwiderständen gehört? Was glaubst Du, was man > messen kann, wenn man einen Shuntwiderstand, eine potente > Spannungsquelle (also kein auf 2A begrenzendes Labornetzteil, sondern > ein Bleiakku), einen Getriebemotor und ein Oszilloskop sinnvoll > kombiniert? Ja hat doch geklappt! Bist rein getappt und genau das wollte ich hören. Ich habe bewußt so gefragt, weil ich es halt von Dir selbst hören wollte. Es gibt hier im Forum zu viel Dunkelmänner die nur gescheit nachplappern, wenn man was vorgibt. Du darfst davon ausgehen, das ich durchaus mit einem Oszillographen umzugehen weis - verdiene seit fast 35 Jahren gutes Geld damit. Und was meinst Du wohl womit man Abschalteffekte an Schaltkontakten (quasi Lichtbögen) untersucht? - ja mit Oszillographen und Hochgeschwindigkeitskameras (auch damit habe ich mich längere Zeit beschäftigt und weis deshalb wo von ich rede). Timm T. schrieb > Es hat was mit Einschaltstrom und Anlaufzeit zu tun Auch das hatte ich ausreichend erläutert. Da Du aber nicht gründlich liest hier noch mal zum Mitschreiben: Die Anlaufzeit hat mit Einschaltstrom an sich erst mal nichts zu tun. Es ging mir hier lediglich darum mal abzuschätzen, wann der Anlaufmoment und damit die Anlaufstromphase mit Sicherheit vorbei sind und das ist definitiv genau dann der Fall, wenn der Motor seine Nenndrehzahl erreicht hat, was im ungünstigsten Fall nach 200ms der Fall ist. Und wozu habe ich das gebraucht? - eigentlich nur um Dir mal zu zeigen das Deine 60F Werte aus der Glaskugel sind. Mann oh Mann wie haben wir das nur früher gemacht als Kapazitäten im Faradbereich Utopie waren. Timm T. schrieb: > Zeno schrieb: > > Bei einem Bohrmaschinenmotor dürfen wir auf > > Grund der Leistung eher niedrige Werte annehmen. > Bei einem Akkuschraubermotor dürfen wir noch ein nachgeschaltetes > Planetengetriebe annehmen. Mann Massenträgheit mann! Auch das zeigt mal wieder, das Du nur oberflächlich liest und die Dinge aus dem Zusammenhang herauslöst - passt wahrscheinlich besser in Dein Konzept "Basteln und Kneten". Dies war erst mal allgemein angesprochen, um das Anlaufverhalten eines Gleichstrommoders zu beschreiben. Ob der Motor in einem Auto, einem Akkuschrauber oder sonst wo verbaut ist in diesem Zusammenhang erst mal wurscht und ebenso was die Massenträgheit erhöht. Es ging hier lediglich um die Nennleistung also letztendlich die Größe eines Motors und da dürfte beim (zeitlichen) Anlaufverhalten ein Motor aus einem Akkuschrauber mit seinem wesentlich geringeren Trägheitsmoment besser abschneiden als ein Motor mit vielleicht 1KW oder mehr Leitung dessen Trägheitsmoment ein vielfaches beträgt. Ach ja jetzt hätte ich es fast vergessen: Noch mal zu dem Messen des Stromes als Spannungsabfall über einen Messwiderstand. Dies dürfte ohne passendes Equipment bei diesen Strömen und geringen Lastwiderständen nicht ganz einfach werden. Damit der Messfehler ausreichend klein ist muß ja der Messwiderstand deutlich kleiner als der Lastwiderstand sein, da er ansonsten in die Strombilanz mit eingeht (was z.B. 0,1Ohm zusätzlich bei 0,5Ohm bedeuten hatte ich ja durchgerechnet). Nehmen wir mal Faktor 10 als Verhältnis Messwiderstand zu Lastwiderstand dann müßte der Messwiderstand genau 0,05Ohm groß sein. Die Beschaffung dürfte nicht ganz einfach sein - er muß ja auch noch die 30A aushalten ohne sich in Wohlgefallen aufzulösen. Auch darf er sich nicht nennenswert erwärmen. Man könnte einen Draht aus reinem Kupfer mit 1qmm und ca. 3m Länge nehmen (Kupfer hat 0,017Ohm pro Meter bei 1qmm). Normaler Kupferdraht ist aber legiert und hat deshalb einen andern Widerstand. Messen des Widerstandes mit Amateurmitteln dürfte in diesem Bereich auch schwierig sein. Also alles in allem im Amateurbereich ein schwieriges Unterfangen mit vielen Fehlerquellen. Aber wenn Du über entsprechende Equipment verfügst, dann will ich natürlich nichts gesagt haben.
Ohne das ganze durchzulesen: 1. http://www.ebay.de/itm/Electric-330lbs-linearmotor-linear-actuator-12-24V-multi-function-low-noise-/262061965847?var=&hash=item3d041c4217:m:moxfNmQduVi3aT9MtdPCIRA 2. Rechts/Linkslauf-steuerung (Polwender) mit 2 Relais bauen 3. Logo einstellen: 6 Uhr morgens Motor geht an, bis Endschalter trifft, meinentwegen um 18 Uhr das gleiche, nur + und - vertauscht 4. Heizelement etc siehe Punkt 3., bitte mit Power Relais 5. Ja, der Linearmotor ist teuer 6. Nein, in Reutlingen haben wir keinen Schnee :D
@Jan Der von Dir vorgeschlagene Linearmotor wäre natürlich ideal und preislich auch ok. Aber ich glaube Andi geht es mehr darum mit vorhandenem Material was zu machen und dabei noch was zu lernen. Es schadet ja sicher nicht wenn man sich mal mit einer Sache intensiver auseinandersetzt, nach Lösungen sucht und dabei vielleicht auch mal Lehrgeld bezahlt. Leider rufen derartige Ansinnen immer wieder jede Menge Leute auf den Plan die es dem TO aus verschieden Gründen ausreden möchten oder ein riesen Ding draus machen was in keinem Verhältnis zum beabsichtigten Zweck steht. Ich sage da nur PWM zum Öffnen einer Hühnerklappe. Ich bin da voll bei Dir einfache Polwenderschaltung mit Relais und das ganze ansteuern mit was auch immer - SPS, manuell, per Funk etc.. Aber wichtig ist halt, wenn man beginnt, klein anfangen, damit man auch alles versteht und dann bei Bedarf weiter entwickeln. Gruß Zeno
Zeno schrieb: > Aber wenn Du über entsprechende Equipment verfügst, dann will ich > natürlich nichts gesagt haben. Na dann ist ja gut.
Anderer Ansatz: Ein Kurbelarm auf die Welle, mit einer Stange auf die Klappe, jeweils so lang, dass in der "oberen Stellung die Klappe offen ist und in der "unteren" die Klappe zu ist. Dann braucht man noch einen Ausgang und zwei Endschalter sowie 2 (bei geschickter Programmierung reicht einer) Eingaenge. wendelsberg
wendelsberg schrieb: > Ein Kurbelarm auf die Welle, mit einer Stange auf die Klappe, jeweils so > lang, dass in der "oberen Stellung die Klappe offen ist und in der > "unteren" die Klappe zu ist. Andi.. hüllt sich in Schweigen. Und wir wissen immer noch nicht, welcher Art die Hühnerhausklappe eigentlich sein soll. Klappe ist (ohne weitere Angaben dazu) ein relativ unbestimmter Begriff. Das kann eine (wie von Dir angenommen) mit oben liegendem Scharnier sein. Eben so gut kann sie aber auch rechts oder links "angeschlagen" sein. Im weitesten Sinn könnte es durchaus auch eine Schiebe-Klappe sein. Denn es geht dabei nur darum, nächtens die Hühner von ihren "Freßfeinden" "abzuschotten" und morgens die Klappe wieder öffnen zu können. Unsere "Eierspender" sind nämlich nachts völlig hilflos. Die sind nachts so gut wie blind und würden nicht mal einen Freßfeind erkennen können. Ganz abgesehen davon, daß sie gegen den ohnehin keine Chance hätten. Du kannst nachts ein Huhn nehmen und das irgendwo hinhocken. Das bleibt dann auch todsicher da hocken, bis es wieder etwas sehen kann. :) Kurzum zum Thema: Wozu weitere Diskussionen oder "Beharkungen" bzgl. unterschiedlicher Sichtweisen von sonst was?? Ich denke, so lange wir keine exakten Angaben zur Art der Hühnerhausklappe haben, ist das alles sinnlos. Technische Lösungen haben sich IMMER daran zu orientieren, wie ein ganz bestimmter Zweck mit den einfachsten und zuverlässigsten Mitteln erreichbar ist. Alles andere ist Unsinn. :)
Hallo zusammen, sorry für die späte Reaktion (3 Wochen Karibik :) L. H. schrieb: > Wie bewerkstelligst Du bei Deiner angedachten Lösung (per Akkuschrauber) > denn eigentlich das Öffnen und Schließen der Hühnerhausklappe? Verstehe die Frage nicht ganz. Mechanisch jedenfalls über ein Seil, dass sich um eine Metallwelle (befestigt im Bohrfutter) wickelt. L. H. schrieb: > Das kann eine (wie von Dir angenommen) mit oben liegendem Scharnier > sein. Genau. Es handelt sich um eine nach oben öffnende Klappe, die mit Scharnieren befestigt ist. Deine Idee mit dem Scheibenwischermotor war auch mein erster Ansatz - allein schon wegen der 12V recht praktisch. Allerdings mechanisch als Aufwickler für mein Seil etwas aufwändiger, da ich dann erst eine Übersetzung auf eine Gewindestange o.ä. benötige. Oder hast du hierzu noch eine Idee? Bitte kein Schneckenantrieb oder so. === Aktueller Stand ist folgender: Ich habe die Klappe wie oben genannt am Hühnerhaus befestigt und oben und unten einen Reedendschalter verbaut. An der Klappe befindet sich ein Magnet, der diese je nach Lage (auf/oben bzw. zu/unten) schließt. Was mir immer noch nicht gefällt ist der gesamte doch recht umständliche Aufbau mit den versch. Netzteilen und der zusätzlichen Relaiskarte. Ich möchte das ganze nochmal neu aufbauen, einmal als manuelle Öffnung mit Fernbedienung und einmal zeitgesteuert via SPS (hat ja schon Relaisausgänge) oder µC mit eigenen Relais. Ich versuche mich erstmal in die Grundlagen zum Aufbau einer H-Brücke etc. einzuarbeiten (nennt mich Grünschnabel), warte aber noch auf die Teile von banggood. LG
Hallo Andi, Du brauchst keine H-Brücke. Das ist viel zu viel Aufwand für diesen Zweck. Neben den 4 Leistungstransistoren/-mosfet brauchst Du ja auch noch die entsprechende Ansteuerelektronik. Diese muß zu 100% sicher stellen, daß immer die richtige Transistorkombination geschalten hat. Wenn Dir da ein Fehler unterläuft hast Du bestenfalls keine oder nicht die gewünschte Funktion. Wenn's nicht so gut läuft stirbt Deine Brücke oder das Netzteil, je nach dem was den "längeren Atem" hat. Um ein zweites Netzteil für den Motor kommst Du auch mit einer H-Brücke nicht herum! Du hast doch schon alles was Du brauchst: - 24V Netzteil für SPS (davon kannst Du auch weitere Spannungen für weiter Steuerungsmodule - z.B. Funkmodul etc. - ableiten. - SPS-Steuerung mit 4 potentialfreien Kontakten - Bohrmaschinenmotor (braucht der wirklich 24V ?? DEr läuft doch bestimmt auch mit 12V - probiers mal, hat den nützlichen Neben- effekt, das er dann weniger Strom braucht) - Netzteil für den Motor Das einzige was Du jetzt noch brauchst sind 2 Relais mit 2 Wechslern. Eine passende Polwendeschaltung mit 2 Relais und Endlagenschaltern hatte ich ja einige Posts weiter oben gepostet. Ein passendes Relais für 12V gibt es bei Reichelt unter der Bestellnummer FTR F1CL012R zum Preis von 1,25€/St.. Die Relais sollten dieselbe Spannung haben wie Dein Motor. Geeignet wären auch KFZ-Relais, diese kann man einfach mit Flachsteckhülsen verdrahten und sie haben genug Schaltpower. Allerdings sind KFZ-Relais mit 2 Wechslern etwas schwierig zu bekommen. Es spricht aber nichts dagegen für den Steuerkontakt ein zweites Relais einzusetzen. Da für dieses Relais eine geringe Schaltleistung ausreichend ist sollte es schon was passendes deutlich unter 1€ geben. Aber vielleicht findet sich auch was passendes in der Bastelkiste. Wenn Du mir sagst, was Du an Hardware hast helfe ich gern. Gruß Zeno
Hallo Zeno & danke für deine Antwort! Zeno schrieb: > Bohrmaschinenmotor (braucht der wirklich 24V ?? DEr läuft doch > bestimmt auch mit 12V - probiers mal, hat den nützlichen Neben- > effekt, das er dann weniger Strom braucht) Also bei 12V tut sich nichts. Der Motor läuft normal mit 18V. Kurze Frage noch zum Netzteil: Ich hab hier ein paar 400/450W-PC Netzteile rumliegen. Kann man damit was anfangen oder sind die zu schwach bzw. ungeeignet? Zeno schrieb: > Wenn Du mir sagst, was Du an Hardware hast helfe ich gern. Das ist sehr nett von dir, ich mach mal ne kleine Inventur und poste hier (heute oder morgen). Grüße aus Berlin! Andi
Zeno schrieb: > Das einzige was Du jetzt noch brauchst sind 2 Relais mit 2 Wechslern. Es reichen 2 Relais mit je einem Wechsler. Wenn Du die richtig verschaltest brauchst Du noch nicht einmal eine Zwangsverriegelung. Für den KFZ-Bereich gibt es auch bereits fertig verschaltete Doppelrelais.
Harald W. schrieb: > Es reichen 2 Relais mit je einem Wechsler Ja das ist richtig, wenn er auf die Zwangsverriegelung verzichtet. Ich habe mal meine weiter oben gepostete Schaltung umgezeichnet, so das nur noch 2 Relais mit je einem Wechsler nötig sind. Motor kommt zwischen LSP6 und LSP7, Spannung für selbigen an LSP2 und LSP3. Der Rest sollte sich von selbst erklären. Übrigens war diese Schaltungsart (Umschaltkontakte / Motor) nach dem Krieg oft als Wechselschaltung bei Wohnungsbeleuchtung gebräuchlich, da man so Kabel sparen konnte. Die Schaltung war unter Elektrikern auch als Hamburger Schaltung bekannt - warum Hamburger kann ich nicht erklären. Das Gefährliche an dieser Schaltung ist, daß in einem Auszustand an beiden Lampenpolen Phase liegen kann. In alten Häusern war diese Schaltung oft anzutreffen. Gruß Zeno
Das wird wohl die verbotene Sparschaltung sein, ist auf Wikipedia auch erwähnt. Aber mir sind auch in neuen Häusern genug Lampenfassungen untergekommen wo nicht Phase sondern Nulleiter über den Schalter geführt waren. Habs mir zur Gewohnheit gemacht auch bei einem simplen Glühbirnenwechsel möglichst nichts anzufassen was aus Metall ist.
Sascha schrieb: > Aber mir sind auch in neuen Häusern genug Lampenfassungen ... Wer macht denn so was? Auch das ist verboten.
Sascha schrieb: > Aber mir sind auch in neuen Häusern genug Lampenfassungen untergekommen > wo nicht Phase sondern Nulleiter über den Schalter geführt waren. In Russland oder wo? Einem Elektriker, der N statt L auf den Schalter legt, gehört ja wohl die Betriebserlaubnis entzogen.
Zeno schrieb: > Das Gefährliche an dieser Schaltung ist, daß in einem Auszustand an > beiden Lampenpolen Phase liegen kann. Das gilt für 230V-Installationen. Im Kleinspannungsbereich ist diese Schaltung, z.B. für Fensterheber, aber fast Standard. U.a. deshalb, weil sie keine Zwangsverriegelung der Relais benötigt.
Sascha schrieb: > Aber mir sind auch in neuen Häusern genug Lampenfassungen untergekommen > wo nicht Phase sondern Nulleiter über den Schalter geführt waren. OT: Genau, bei durchschnittlich 50% aller Leuchten, die per Stecker angeschlossen sind. :-) Grundsätzlich muss man sich m.E. beim Lampenwechsel schon ziemlich doof anstellen, um dabei an spannungsführende Teile zu kommen. Deshalb erspare ich mir dabei auch normalerweise das "Freischalten". Anders sieht es natürlich aus, wenn eine Glühlampe mit defektem Glaskolben gewechselt werden muss
Hallo Leute, hier mal wieder was zum Thema: Wie versprochen eine kurze Auflistung von dem, was ich aktuell im Haus habe: Von Conrad Relais von Conrad Printrelais 24 V/DC 10A 1 Wechsler 812H-1CCEF Relais von Conrad Printrelais 12 V/DC 1A 1 Wechsler FRS1B-S-DC12 Relais von Banggood 12V DC Power Relay SRD-12VDC-SL-C Relaismodule 4-fach von Banggood 5V MSP430 Step-up Wandler von Banggood XL6009 DC-DC Power Converter Module Dazu natürlich diverse Komponenten (Widerstände, Dioden etc.). Wie sieht's aus mit dem Netzteil vom PC? Kann man sowas als Spannungsversorgung verwenden? Grüßle Andi PS: Wie kann ich hier lange Hyperlinks in Kurzform einfügen?
Andi .. schrieb: > Wie versprochen eine kurze Auflistung von > dem, was ich aktuell im Haus habe: > > Von Conrad > ... Interessant. Schaltungsentwicklung danach, was man im Hause hat. Normalerweise werden Schaltungen passend zum Problem entwickelt. Und die Bauelemente passend zur Schaltung besorgt.
Harald W. schrieb: > Interessant. Schaltungsentwicklung danach, was man im Hause hat. > Normalerweise werden Schaltungen passend zum Problem entwickelt. > Und die Bauelemente passend zur Schaltung besorgt. Unsinn. Man muss sich schon an dem orientieren was verfügbar ist. Du hast beim Lego-sielen aich nicht bei hedem Bauwerk innegehalten und bist erst mal mit Mami in den Spielwarenladen gefahren um die fehlenden Bauklötze zu kaufen. Das wahe Talent zeigt sich, wenn man mit einer Hand voll Kleinkram auskommt.
Harald W. schrieb: > Das gilt für 230V-Installationen. Im Kleinspannungsbereich ist > diese Schaltung, z.B. für Fensterheber, aber fast Standard. > U.a. deshalb, weil sie keine Zwangsverriegelung der Relais > benötigt. Das hatte ich doch geschrieben. Oder was meinst Du womit Wohnungsbeleuchtung sonst betrieben wird. Mag ja sein das diese Schaltung im Niederspannungsbereich häufig Anwendung findet. Dennoch finde ich Zwangsverrieglung gut, da hierbei keine undefinierten Zustände auftreten können. Ob es im vorliegenden Fall notwendig ist sei mal dahin gestellt. Wenn man aber auch manuelle Steuerung erwägt, ist eine Zwangsverriegelung durchaus sinnvoll. Sieht vielleicht jeder anders, ich treibe an dieser Stelle lieber etwas mehr Aufwand. Zeno
Andi .. schrieb: > Wie sieht's aus mit dem Netzteil vom PC? Kann man sowas als > Spannungsversorgung verwenden? Da mußt Du vorsichtig sein, da manche eine bestimmte Grundlast brauchen. Ist diese nicht (ständig) vorhanden schalten manche Netzteile nach einer gewissen Zeit ab. Ich würde Hutschienennetzteile verwenden. Diese sind in der Regel für Dauerbetrieb ausgelegt und man kann sie gut in einer Feuchtraumverteilung einbauen, womit man auch gleich das Gehäuseproblem gelöst hat. Du brauchst nur 2 Netzteile - eine mit 24V für SPS und weitere Elektronik und eines für den Motor. Kostet zusammen ca. 40€ - das sollten Dir DEine Eierspender schon wert sein. Zeno
MaWin schrieb: > Unsinn. Man muss sich schon an dem orientieren was verfügbar ist. Du > hast beim Lego-sielen aich nicht bei hedem Bauwerk innegehalten und bist > erst mal mit Mami in den Spielwarenladen gefahren um die fehlenden > Bauklötze zu kaufen. Jaein! Wenn ich was mit einer gewissen Professionalität machen möchte, dann macht man man zunächst ein Projekt, entwirft Schaltung und Mechanik, kauft das notwendige Material und realisiert das Ganze. Bei einer Bastellösung kann man durchaus erst mal schauen ob man vorhandenes Material sinnvoll nutzen kann und es durchaus legitim da beim Projektentwurf Anpassungen vorzunehmen. Aber irgendwann wird es Krampf und dann kauft man einfach neu, weils' letztendlich doch die optimalere Lösung darstellt. Zeno
Zeno schrieb: > Mag ja sein das diese Schaltung im Niederspannungsbereich häufig > Anwendung findet. Dennoch finde ich Zwangsverrieglung gut, da hierbei > keine undefinierten Zustände auftreten können. Ob es im vorliegenden > Fall notwendig ist sei mal dahin gestellt. Wenn man aber auch manuelle > Steuerung erwägt, ist eine Zwangsverriegelung durchaus sinnvoll. Sieht > vielleicht jeder anders, ich treibe an dieser Stelle lieber etwas mehr > Aufwand. Ich würde sagen, Du hast die von Dir selbst veröffentlichte Schaltung nicht verstanden. Was passiert denn, wenn beide Relais gleichzeitig anziehen?
Harald W. schrieb: > Ich würde sagen, Du hast die von Dir selbst veröffentlichte > Schaltung nicht verstanden. Was passiert denn, wenn beide > Relais gleichzeitig anziehen? Du bist ja ein richtiger Schlauberger! Hälst Du mich wirklich für so blöd?? Mir ist schon klar das da der Motor stehen bleibt. Allerdings sollte es schon so sein, daß z.B. bei gedrückter Auf-Taste die Ab-Taste keine Wirkung zeigen sollte und umgekehrt. Es gibt Steuerungssysteme wo solche Details wichtig sind. Das was da landläufig eingesetzt wird ist einfach einem Sparzwang untergeordnet. Diese Schaltung ist ungefähr so als würdest Du bei Vorwärtsfahrt mit dem Auto mal eben den Rückwärstgangs einlegen. Das Auto bleibt dann schon stehen, das Ganze funktioniert - wenn überhaupt - auch nur einmal.
Hallo Leute, noch eine Frage zum Thema "Hirn und Mukkis speisen nicht gern am selben Tisch" resp. Versorgung der Steuerung und Versorgung des Motors: Ich möchte nun zunächst ein Funkmodul mit Relais verwenden, um den Motor zu starten und zu stoppen. Bisher habe ich hierfür 2 getrennte 12V Netzteile vorgesehen: Ein leistungsstarkes für den Motor und ein recht einfaches für das Steuermodul. Zuvor hatte ich in meiner Unwissenheit beides über die gleiche Versorgung laufen lassen und - surprise surprise - die Versorgung der Steuerung ist beim Anlaufen des Motors zusammengebrochen und damit auch der Motor stehen geblieben. Nun frage ich mich, ob ich dennoch eine gemeinsame Versorgung mit dem starken Netzteil machen kann, indem ich vor das Steuermodul einen Puffer in Form eines Kondensators einbaue. Das Funksteuermodul ist immer nur für 5-10 Sekunden an verbraucht aktiviert max. 75mA bei 12V. Ist die Rechnung für die Auslegung eines Kondensators dann richtig? F= (A*s)/V = (0,075A*10s)/12V = 0,0625F = 62,5mF = 62500µF Gibt es so große Kondensatoren überhaupt für den Heimbastler? Danke schon mal an alle Helfer! Andi
Ja gibt es, wird aber etwas teuerer. 10.000µF 16V bei Reichelt. Vielleicht auch größer, aber dann auch klobiger. Deine Rechnung bedeutet, dass die Kondensatoren nach 10 Sekunden genau entladen sind, wenn man Sie mit Gleichstrom entlädt. Gleichstrom ist eine Annahme (kommt auf das Steuergerät an was das braucht und wie die eingangsseitige Spannungsregelung aussieht) und "genau entladen" bedeutet Steuergerät aus. Was braucht das Steuergerät mindestens? 12V? Dann kannste das direkt vergessen, die Kondensatoren werden unendlich groß. 5V? Schon direkt doppelt so groß. Man kann da eigentlich mit Spannungswandlern was tun, aber nur wenns sein muss. In diesem Fall muss es aber nicht.
Sascha schrieb: > In diesem Fall muss es aber nicht. Danke für die Erklärungen. Ich fürchte, dann bleibt es bei einem zweiten Netzteil. Wie sieht eigentlich das ganze bei der Versorgung mit einer Autobattierie aus. Würde bei Versorgung von Hirn und Muckis über die gleiche Batterie (12V, 70Ah) hier auch das Steuermodul beim Anlauf des Motors zusammenbrechen?
Eine Starterbatterie sollte, so sie nicht völlig verschlissen ist, genügend Reserven haben um nicht nennenswert einzubrechen. Dennoch sollten die Versorgungsleitungen von dieser Quelle zu Hirn und Muskeln jeweils getrennt liegen. Da würde, mit passender Übersetzung, die Leistung ausreichen um aus der Klappe ein Katapult zu bauen. Das wäre dann Moorhuhnschießen mal anders. :P
Starterakkus sind genau dafür da, dass selbst bei extrem großen Strömen die Spannung nur wenig einbricht (geringer Innenwiderstand). Man muss dann halt aufpassen dass auf keinen Fall irgendwo ein Kurzschluss entstehen kann, denn denn ist die Wärmeentwicklung beachtlich. Kostprobe? 12V Bleiakku mit 50mOhm Innenwiderstand. Betrieben in Leistungsanpassung macht das (6V)²/50mOhm = 720W. Das ist sowohl die Erwärmung der Last (also irgendeiner armen Leiterbahn, Kupferkabel oder sowas) als auch des Akkus selbst (der dann auch zügig recht warm wird). Also ne Schmelzsicherung würde ich da auf jeden Fall spendieren.
Bitte melde dich an um einen Beitrag zu schreiben. Anmeldung ist kostenlos und dauert nur eine Minute.
Bestehender Account
Schon ein Account bei Google/GoogleMail? Keine Anmeldung erforderlich!
Mit Google-Account einloggen
Mit Google-Account einloggen
Noch kein Account? Hier anmelden.





