Guten Morgen, Ich versuche mittels GPIO des Raspberry Pis (3,3V) einen n- Kanal Mostet zu schalten (IRLD110). Das ganze soll dazu dienen 15V, die von einem Photovoltaik - Panel kommen, in einen 12V Bleiakku einzuspeißen und wenn nötig wieder zu entnehmen. Die Spannung wird mittels Dc/DC-Wandler gewandelt. Wie kann ich den Mostet mit 3,3V schalten?
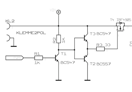
Hallo, unabhängig davon, ob es mit 3,3V funktioniert, sieht die MOSFET-Beschaltung für mich irgendwie komisch aus. Ich glaube du fabrizierst damit gleich zwei Kurzschlüsse der Batterie gegen Masse (siehe Skizze) und zwar unabhängig davon, ob das Gate geschaltet ist oder nicht (über die Body-Diode).
Hallo martin, Das ist natürlich weniger gut. Wie könnte ich den die Schaltung umbauen damit das nicht passiert? Die Schaltung sollte regeln ob entnommen oder eingespeist wird. Ich habe mir auch Überlegt, wenn nichts von beiden zutrifft, dass der Akku "abgekoppelt" wird.
Um den Mostet richtig durchschalten zu können, könnte ich ja eine Treiberstufe verwenden? Vielen Dank im Voraus
Das mit dem MC34063 sieht in Ordnung aus (Wurde der Driver Widerstand berechnet? 1,5A Switch Current werden nicht überschritten?). An C5 liegt dann eine geregelte Ausgansspannung an. Aber die FETs 4 und 6 machen einfach nur nen Kurschluss nach Masse, wenn sie leiten. Da musst du mal erklären, was da deine Erwartungshaltung ist.
Und zwar versuche ich mit dem Raspberry Pi über die GPIOs, die mosfests so zu schalten, dass in den Akku eingespeist oder entnommen wird(laden und entladen).
Daniel R. schrieb: > die mosfests > so zu schalten, dass in den Akku eingespeist oder entnommen wird Habe jetzt deine Schaltung nicht genau angesehen, aber die Mosfets haben Body-Dioden. Rückwärts leiten diese
Was du versuchst, hast du schon gesagt. Warum haben deine Gate-Treiber 5V Pull Ups wenn du doch 12V Betriebsspannung hast? Auf welche Aussgangsspannung wird der MC#2 eingestellt? Du hast momentan einen FET der den MC#2 Ausgang bei C5 gegen Masse kurzschließt und einen FET der direkt den 12V Bleiakku gegen Masse kurzschließt. Du hast da eine Busleitung eingezeichnet, wie sind da die Verbindungen genau? Btw: MC34063 Schaltungen mit dem internen Transistor haben keinen sonderlich hohen Wirkungsgrad. Du solltest wenigstens die PV Panele in Reihe schalten, dann stört der Spannungsabfall am Schalttransistor nicht mehr so.
Selbst wenn die FETs nicht verpolt wären, würden Sie da keinen Sinn machen. Bei PV + Bleiakku interessiert nur das Aufladen des Akkus. Strom draus entnehmen kannst du jederzeit. Was soll der Zweck deiner sehr komplizierten Ladeschaltung sein? Soll der MC#1 etwa der MPPT sein und der zweite stellt eine geregelte Spannung für einen Raspberry Pi bereit? Dagegen spricht, dass du an C5 gar keine Last hast (ausser diesem Kurzschluss in FET-Form). Und MC#1 wird dein PV Modul bis auf unter 3V leerziehen was deine erreichbare Leistung doch stark begrenzen wird.
Die Body-Diode ist ein Herstellungsbedingte parasitäres Bauteil. Da müsste ich eine anderen Mostet nehmen, wenn das mit dem nicht funktioniert.
Hast du nicht verstanden was Beitrag "Re: Mostet mit 3,3V schalten (Raspberry Pi)" dir sagen wollte? Ein Kurzschluss, egal ob das Gate geschaltet ist oder nicht! Wenn die FETs keine Body-Diode hätten, nehmen wir das einfach mal an, ja. Dann dürftest du die niemals einschalten, weil die dann sofort verbrutzeln! Man schließt keinen Bleiakku gegen Masse kurz ohne dass irgendwas im Stromweg sehr schnell extrem heiss wird! Welchen Sinn macht ein Transistor, den man nie einschalten darf weil er sonst stirbt?
ohhh okey.. Das ist natürlich nicht so optimal. Aber wie könnte ich das dann realisieren? Würde es etwas bringen, wenn ich Drain und Source vertausche? Dadurch wäre die Diode in Sperrrichtung.
Und dann schaltest du den MOSFET an, und dann fließt der eingezeichnete Strom I1 Beitrag "Re: Mostet mit 3,3V schalten (Raspberry Pi)" durch den Transistor nach Masse. Was ist der Zweck der Übung? Energie verschwenden? Oder soll das deine Ladespannungsbegrenzung für den Bleiakku sein?
Nein.. Ich sollte einfach mit dem Raspi bestimmen können, ob ich Energie aus dem Akku entnehmen oder überschüssige Energie in de Akku einspeise. Mehr nicht.
Dazu schaltest du entweder einen Messwiderstand in Reihe zum Akku und machst eine Strommessung oder misst einfach nur die Akkuspannung. Wenn die sinkt entnimmst du mehr Strom als vom PV Modul reingeht. Soll das ne Ladestandsanzeige sein?
Daniel R. schrieb: > Ich hätte mit gedacht, so sollte es gehen. Daniel R. schrieb: > Die Body-Diode ist ein Herstellungsbedingte parasitäres Bauteil. Da > müsste ich eine anderen Mostet nehmen, wenn das mit dem nicht > funktioniert. Das hast du falsch verstanden ... Im Grunde meinte er, dass die Schaltung mit Mosfets nicht funktioniert, da sie die Body-Diode haben ... D.h. nicht anderer Mosfet, sondern andere Schaltung!
Wenn man die FETs nicht verpolt, funktioniert das schon. Wenn man eine relativ lasche Definition von "funktioniert" hat. Je nach Mosfet, Kühlung und Akku kann das nach dem Einschalten bis zu mehreren Sekunden funktionieren.
Wäre es nicht viel einfacher, wenn ich Relais nehme. Sascha schrieb: > Selbst wenn die FETs nicht verpolt wären, würden Sie da keinen > Sinn > machen. > > Bei PV + Bleiakku interessiert nur das Aufladen des Akkus. Strom draus > entnehmen kannst du jederzeit. > Was soll der Zweck deiner sehr komplizierten Ladeschaltung sein? Das Projekt Smart µGrid Testbed beschäftigt sich mit der Nachbildung eines Smart Microgrids, welches für spätere Forschungsprojekte bestimmt ist. Dieses dezentral gespeiste Energienetz soll als Modell eines autarken Dorfes mit 3D-gedruckten Miniaturhäusern fungieren. Auf den Dächern dieser Häuser sollen sich jeweils zwei PV-Paneele befinden. Die umgewandelte Solarenergie wird von virtuellen Verbrauchern konsumiert. Die zu entwickelnde Software soll die Kommunikation zwischen den Häusern und den Algorithmus zur Verteilung der Energie umsetzen. Zusätzlich soll die verbrauchte bzw. gewonnene Leistung auf einem LCD dargestellt werden. > Soll der MC#1 etwa der MPPT sein und der zweite stellt eine geregelte > Spannung für einen Raspberry Pi bereit? Nein der Raspi wird von einem externen 5v Netzteil versorgt > > Dagegen spricht, dass du an C5 gar keine Last hast (ausser diesem > Kurzschluss in FET-Form). > > Und MC#1 wird dein PV Modul bis auf unter 3V leerziehen was deine > erreichbare Leistung doch stark begrenzen wird.
Ja, nimm bitte Relais. Das schließt aber dann nur einmal. Dass diese Kurzschlüsse namens Q4 und Q6 nur sehr begrenzt Sinn machen wurde immer noch nicht oft genug gesagt, oder? Was soll die Aufgabe dieser Transistoren sein? Q4 kann theoretisch die Ladespannung des Bleiakkus begrenzen, allerdings unter Wärmeentwicklung und der ständigen Gefahr bei falscher Ansteuerung nen lauten Knall zu hören. Q6 genau das gleiche, aber mit dem Vorteil das die Spule wenigstens noch den Stromanstieg begrenzt. Beitrag "Re: Mostet mit 3,3V schalten (Raspberry Pi)" Die Ströme I1 und I2 sind dick rot eingezeichnet. Diese Ströme werden vor allem bei einem Bleiakku SEHR GROß und können sowohl FET als auch Relais in kürzester Zeit zerstören. Was du brauchst, ist: - PV Modul (bei 15V optional: MPPT) - Ladereglerschaltung für den Bleiakku (in diesem Fall mit Strommessung) - Display und Gedöns. Die MC34063 Schaltungen kannste komplett in die Tonne kloppen. Die rechte versorgt gar nix, die linke scheinbar auch nicht weil du sagst ja der RPi hat ein eigenes Netzteil (warum eigentlich?). Das sind übrigens beides Step-Up Wandler und wofür du Spannungen größer als 12V brauchst ist unklar. Zur Ladeschaltung: Du hängst zwischen PV Modul und Bleiakku einen p-Channel Mosfet. Den ziehst du per Pull-Up auf 12V. Per NPN Transistor lässt der sich auf low ziehen, was bedeutet dass er leitet. Damit kannst du die Ladung des Akkus beenden, wenn er voll ist. Mit sowas hier: http://www.ebay.de/itm/INA219-I2C-Bi-directional-DC-Current-Power-Supply-Sensor-Module-for-Arduino-/291625895790?hash=item43e642076e:g:rjgAAOSwLN5WhIRw kann man Strom und Spannung des Bleiakkus messen. Strom mal Spannung ergibt Leistung. Wie du I2C am Rpi verwendest, weiss ich nicht. Aber das geht nicht nur mit Hardware I2C Interface sondern auch bitbang mittels GPIO Pins und Software. I2C Bibliothek von Peter Fleury kann auch helfen, die kann auch Software I2C Kommunikation. So, und jetzt hast du deine Leistung, und die kannst du dann aufm Display ausgeben.
Sascha schrieb: > Ja, nimm bitte Relais. Das schließt aber dann nur einmal. > > Dass diese Kurzschlüsse namens Q4 und Q6 nur sehr begrenzt Sinn machen > wurde immer noch nicht oft genug gesagt, oder? > > Was soll die Aufgabe dieser Transistoren sein? Q4 kann theoretisch die > Ladespannung des Bleiakkus begrenzen, allerdings unter Wärmeentwicklung > und der ständigen Gefahr bei falscher Ansteuerung nen lauten Knall zu > hören. > > Q6 genau das gleiche, aber mit dem Vorteil das die Spule wenigstens noch > den Stromanstieg begrenzt. > > Beitrag "Re: Mostet mit 3,3V schalten (Raspberry Pi)" > > Die Ströme I1 und I2 sind dick rot eingezeichnet. Diese Ströme werden > vor allem bei einem Bleiakku SEHR GROß und können sowohl FET als auch > Relais in kürzester Zeit zerstören. > > Was du brauchst, ist: > > - PV Modul (bei 15V optional: MPPT) MPPT habe ich mir angeschaut und ist für dieses Projekt überflüssig, da es ja keine reale Anwendung platz findet sondern für die Forschung verwendet werden sollte. > - Ladereglerschaltung für den Bleiakku (in diesem Fall mit Strommessung) > - Display und Gedöns. > > Die MC34063 Schaltungen kannste komplett in die Tonne kloppen. Die > rechte versorgt gar nix, die linke scheinbar auch nicht weil du sagst ja > der RPi hat ein eigenes Netzteil (warum eigentlich?). Vcc besitzt max 15V und ich wollte mit dem DC/DC die Spannung auf die Ladespannung für bleiakkus(12V) wandeln, das er nicht kaputt geht oder überläd. Weil die Leistungsausbeute der PVs nicht hoch genug ist um alles zu versorgen und es nicht darum geht irgendwelche Bauteile zu versorgen sondern anschaulich die Energieverteilung in einem autarkem Dorf zu zeigen. > Das sind übrigens beides Step-Up Wandler und wofür du Spannungen größer > als 12V brauchst ist unklar. > > Zur Ladeschaltung: > Du hängst zwischen PV Modul und Bleiakku einen p-Channel Mosfet. Den > ziehst du per Pull-Up auf 12V. Per NPN Transistor lässt der sich auf low > ziehen, was bedeutet dass er leitet. > Damit kannst du die Ladung des Akkus beenden, wenn er voll ist. Okay danke.. Ich werde mal eine Testschaltung aufbauen. > Mit sowas hier: > Ebay-Artikel Nr. 291625895790 > Die Leistung wird durch einen Spannungsteiler über einen ADC ermittelt. P=U^2/R > kann man Strom und Spannung des Bleiakkus messen. Strom mal Spannung > ergibt Leistung. > Wie du I2C am Rpi verwendest, weiss ich nicht. Aber das geht nicht nur > mit Hardware I2C Interface sondern auch bitbang mittels GPIO Pins und > Software. Es wird nicht er i2C-Bus verwendet sondern der SPI-Bus. > I2C Bibliothek von Peter Fleury kann auch helfen, die kann auch Software > I2C Kommunikation. > > So, und jetzt hast du deine Leistung, und die kannst du dann aufm > Display ausgeben.
>P=U^2/R Du weisst schon, dass das nur die Leistung am Messwiderstand ist, nicht die Leistung die in den Akku fließt? Wenn schon, dann I = U/R. Das nennt sich Strommesswiderstand oder auch Shuntwiderstand. Und wie du auf die Weise einen negativen Strom messen willst, ist mir auch schleierhaft. Dann zeigt der ADC konstant 0 an. Dewegen der Bi-Direktionale Stromsensor. Weil du Strom UND Spannung ermitteln musst, und beim Strom nicht nur Betrag sondern auch Vorzeichen. Ausserdem kannst du den INA219 programmieren UND der kann dir sogar Spannung messen und daraus die Leistung berechnen. Die All-in-one Lösung für 8€. >Es wird nicht er i2C-Bus verwendet sondern der SPI-Bus. "Es wird" heisst was genau? Per Vorgabe verboten oder willst du es dir einfach nur absichtlich schwer machen?
Bitte melde dich an um einen Beitrag zu schreiben. Anmeldung ist kostenlos und dauert nur eine Minute.
Bestehender Account
Schon ein Account bei Google/GoogleMail? Keine Anmeldung erforderlich!
Mit Google-Account einloggen
Mit Google-Account einloggen
Noch kein Account? Hier anmelden.


