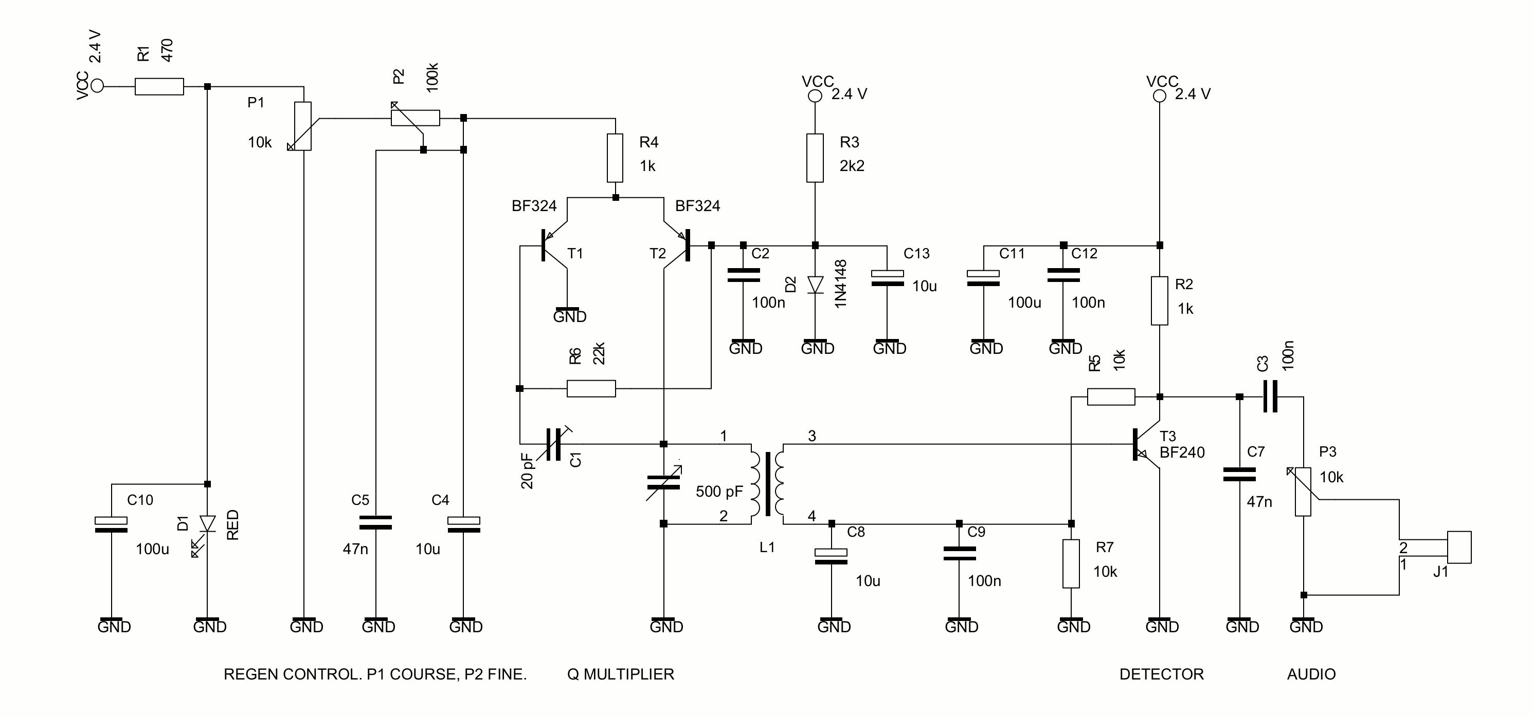
Hier gibt es ein Schaltplan des Versatile Regen Audions. Er hat ein Entdämpfungsglied mit einem differenz-verstärker und ein Audion mit einem Bipolaren Transistor. Einen ausfürlichen Beitrag dieses Audions von mir findet man auf http://theradioboard.com/rb/viewtopic.php?f=4&t=6859 (Versatile Regen with an emitter coupled oscillator).
Hallo Mast Ich hatte die Schaltung schon im regenrx Forum entdeckt: https://groups.yahoo.com/neo/groups/regenrx/conversations/messages/25885 Sie vermeidet die Nachteile der Kainka-Schaltung http://www.b-kainka.de/bastel3.htm durch die kapazitive Kopplung der einen Basis am Schwingkreis und der square law Detektor ist sehr effektiv. Der Spannungsteiler mit den beiden 10k Widerständen am Detektor ist etwas ungewöhnlich, aber werd ich mal ausprobieren. Es ist da auch eine Diskussion im Gange mit den Keramikresonatoren. Dabei hab ich fesgestellt, daß die Frequenz mit einem 2N3904 beim betätigen der Rückkopplung um ca 1kHz wegläuft, mit einem BF199 sind es nur 100 Hz. Jetzt wäre die Frage, um wieviel weniger driftet die Schaltung mit einem BFR92 oder deine Schaltung mit zwei BFT92?
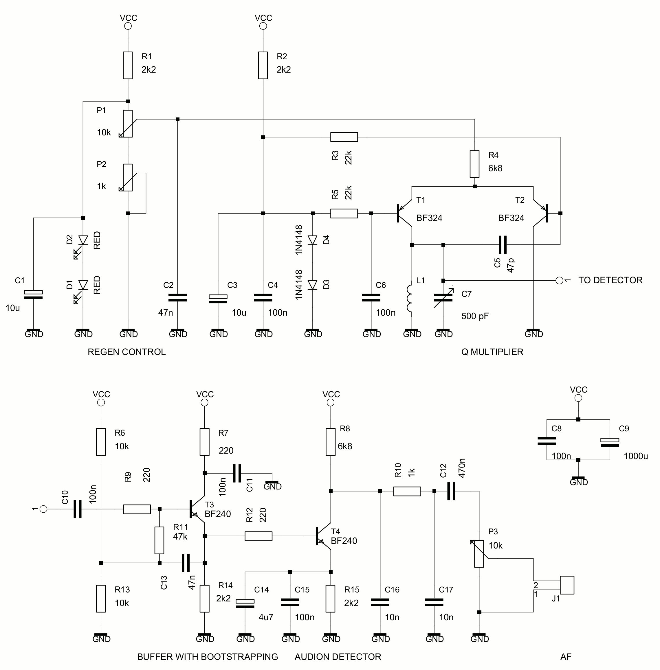
Hier gibt es einen Rückkopplungsempfänger in dem eine Emitterfolger Pufferstufe mit Bootstrapping verwendet wird. T1 und T2 bilden ein Entdämpfungsglied, T4 ist der Audion Detector und T3 ist eine Puferstufe mit Bootstrapping von R11 und C13 zum Erhöhen der Eingangsimpedanz.
Bitte melde dich an um einen Beitrag zu schreiben. Anmeldung ist kostenlos und dauert nur eine Minute.
Bestehender Account
Schon ein Account bei Google/GoogleMail? Keine Anmeldung erforderlich!
Mit Google-Account einloggen
Mit Google-Account einloggen
Noch kein Account? Hier anmelden.


