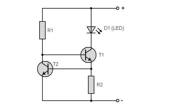
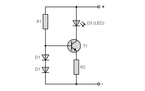
Ich habe mal ne kurze Frage zu 2 verschiedenen Arten von linearen KSQ weil ich mich grade nicht entscheiden kann welche besser geeignet ist. Das wichtigste ist mir eig die Stabilität des Stromes bzw die Sicherheit des angeschlossenen Verbrauchers. Ich wollte eigentlich die variante mit den 2 Transistoren benutzen weil ich die bishher immer benutzt habe (Anhang ,,Konstantstromquelle 2)), nun ist es jedoch so das ich auf folgendes gestoßen bin: http://www.hobby-bastelecke.de/grundschaltungen/konstantstromquelle2.htm (relativ weit unten unter dem Punkt Messung...) Daher scheint die ja den Strom nicht so stabil zu steuern wie zunächst gedacht. Ich war dann auf diese variante gestoßen (Konstanstromquelle 1) die angeblich stabiler sein soll bezüglich der Stabilität des Stromes:http://www.hobby-bastelecke.de/grundschaltungen/konstantstromquelle1.htm Hat die Variante irgendwelche gravierenden nachteile im Gegensatz zu der mit den 2 Transistoren? Weil das Arbeitsprinzip ist ja ähnlich. Und angeblich ist der Strom stabiler als bei der mit den 2 Transistoren. Wie sieht es mit der Temperaturabhängigkeit der Varianten mit den Dioden aus? Die dürfte nicht wesentlich schlechter sein als die mit den 2 Transistoren oder? Welche variante ist allgemein die eher bessere zum Betreiben von LEDs? Hinweis: es geht um das betreiben von 3 LEDs (150mA) an 12V NT oder alternstiv 4 LEDs in Reihe an einem 15V NT (hab mich noch nicht für eine der varianten entscheiden können) getaktete wollte ich nicht nehmen weil ich damit keinen viel besseren Wirkungsgrad der schaltung erreichen würde (so habe ich ja schon einen Wirkungsgrad von 75% bei 12V und von 80% bei 15). Da das ganze gut 20 mal aufgebaut werden soll wäre die Variante mit den getakteten dann bei einem guten Schaltregler IC recht teuer.
:
Bearbeitet durch User
Beide sind schlecht. Bei der mit Dioden steigt der Strom wenn der Transistor heiss wird, er wird also noch heisser. Bei der mit Transistren ist der "Mess-"Transistor wohl eher kühl, also bleibt der Strom stabiler. M. S. schrieb: > Hinweis: es geht um das betreiben von 3 LEDs Da ist das so was von scheissegal... Wenn man ein Netzteil hat, also eine geregelte Spannung und nicht einen Akku der mit der Zeit immer leerer wird wodurch die Spannung sinkt, dann tut es ein einfacher Vorwiderstand. Beim ungeregelten Trafonetzteil (Schwankung locker +/-10%) und knapper Überspannung (12-3*3.6V=1.2V) kann eine Stromregelung helfen, beide Varianten tun es da.
Bei kleinen Spannungsabfällen ist die Effizienz von linearer und getakteter Variante identisch. Wer es auf das µ genau ausrechnet, kommt linear sogar mit weniger Verlust aus. Der Knackpunkt ist die Abhängigkeit von der Temperatur und die Temperaturkoeffizienten der verwendeten Bauteile. Eine Version mit TL431 ist noch stabiler als ohnehin schon, allerdings müssen irgendwo die 2,5V Spannungsunterschied für die Referenz herkommen. Noch besser wird es mit Stromrichtungsverstärker/ Operationsverstärker. Da genügen schon wenige 100mV über einem Shunt zur Regelung. (Die oben gezeigten Varianten brauchen ja etwa eine BE-Strecke, d.h. 0,6V.)
Die beiden Schaltungen sind nur für Ströme für kleinere Ströme (20 mA o.
s.) gut geeignet.
< konstantstromquelle1.gif
Spannung 100 - 300 %, Strom 100 - 130 %
> konstantstromquelle2.gif
Spannung 100 - 300 %, Strom 100 - 105 %
Michael B. schrieb: > Beide sind schlecht. Bei der mit Dioden steigt der Strom wenn der > Transistor heiss wird, er wird also noch heisser. > Bei der mit Transistren ist der "Mess-"Transistor wohl eher kühl, also > bleibt der Strom stabiler. okay also ist die variante mit den 2 Transistoren temperaturtechnisch stabiler :) > > M. S. schrieb: >> Hinweis: es geht um das betreiben von 3 LEDs > > Da ist das so was von scheissegal... > Wenn man ein Netzteil hat, also eine geregelte Spannung und nicht einen > Akku der mit der Zeit immer leerer wird wodurch die Spannung sinkt, dann > tut es ein einfacher Vorwiderstand. Beim ungeregelten Trafonetzteil > (Schwankung locker +/-10%) und knapper Überspannung (12-3*3.6V=1.2V) > kann eine Stromregelung helfen, beide Varianten tun es da. Ja die geschichte wird mit einem Netzteil betrieben. Widerstand hatte ich auch überlegt aber wenn die LED wärmer wird sinkt ja der Innenwiderstand der strom erhöht sich usw, wobei ein Widerstand vermutlich temperaturstabiler wäre. Ich denke ich werde bei der variante mit den 2 Transistoren bleiben. Auf jeden Fall Dankeschön für den Ratschlag
Boris O. schrieb: > Bei kleinen Spannungsabfällen ist die Effizienz von linearer und > getakteter Variante identisch. Wer es auf das µ genau ausrechnet, kommt > linear sogar mit weniger Verlust aus. Der Knackpunkt ist die > Abhängigkeit von der Temperatur und die Temperaturkoeffizienten der > verwendeten Bauteile. Eine Version mit TL431 ist noch stabiler als > ohnehin schon, allerdings müssen irgendwo die 2,5V Spannungsunterschied > für die Referenz herkommen. Noch besser wird es mit > Stromrichtungsverstärker/ Operationsverstärker. Da genügen schon wenige > 100mV über einem Shunt zur Regelung. (Die oben gezeigten Varianten > brauchen ja etwa eine BE-Strecke, d.h. 0,6V.) Ja ich weiß :) deswegen hab ich mir ja den Schaltreglet erspart. Das mit dem TL431 wäre auch noch eine Idee, wobei der glaub ich nen Bemessungsstrom von 150mA hat, was schon recht hart an der Grenze wäre (jedenfalls die Variante im To-92) Die würde man dann vermutlich wie auf dem Bild aufbauen oder?
Sargon schrieb: > Die beiden Schaltungen sind nur für Ströme für kleinere Ströme (20 mA o. > s.) gut geeignet. Welche Lineare variante gibt es denn die bei in dem bereich >100mA besser geeignet ist?
> Ja ich weiß :) deswegen hab ich mir ja den Schaltreglet erspart. > Das mit dem TL431 wäre auch noch eine Idee, wobei der glaub ich nen > Bemessungsstrom von 150mA hat, was schon recht hart an der Grenze wäre > (jedenfalls die Variante im To-92) > Die würde man dann vermutlich wie auf dem Bild aufbauen oder? Ach ich hab grade gemerkt was mit dem Tl431 gemeint war. Der wird anstelle des T2 gesetzt um die Temperaturstabilität zu erhöhen richtig? Wobei laut der Siete schwankt der Strom um 0,26%/K was im Innerbereich nicht soo schlimm sein sollte oder? Sage ich mal ich habe im Zimmer einen max Temperaturunterschied von 20K bzw von 20°C. 10K nach unten und 10K nach oben was (Sommer/Lüften im Winter) ungefähr hinkommen sollte dann sind das +/- 2,6% die der Strom schwankt. Das wären bei 150mA 3,9mA nach oben und nach unten. Das ist eig mehr als vertretbar.
:
Bearbeitet durch User
M. S. schrieb: >> Die beiden Schaltungen sind nur für Ströme für kleinere Ströme (20 mA o. >> s.) gut geeignet. > Welche Lineare variante gibt es denn die bei in dem bereich >100mA > besser geeignet ist? Keine. Sargon erzählt Mist. Gerade bei grossen Strömem gibt es keine ICs sondern man baut sich lineare Konstantstromregler aus diskreten Bauteilen auf, wie in deinen Schaltungen, nur halt mit entsprechend dicken Transistoren. Lösungen mit LM317 oder TL431 scheitern an deinem geringen Spannungsoverhead.
Im ELKO gibt es einen interessanten Artikel zum Thema diskret aufgebaute Stromquellen: http://www.elektronik-kompendium.de/public/schaerer/currled.htm
> Gerade bei grossen Strömem gibt es keine ICs sondern man baut sich > lineare Konstantstromregler aus diskreten Bauteilen auf, wie in deinen > Schaltungen, nur halt mit entsprechend dicken Transistoren. oh okay .. ich dachte bei sowas nimmt man schaltregler mit externen MOSFETs. Wobei wenn die Spannungsdifferenz gering ist müssten ja Wirkungsgradmäßig Lineare KSQ bei allen Leistungsklassen die beste Lösung sein. > Lösungen mit LM317 oder TL431 scheitern an deinem geringen > Spannungsoverhead. ja das hatte ich im nachhinein auch gesehen... 3,5V Differenz würde ich nicht schaffen. Wie ist es denn wenn man den Transistor T2 im Bild 2 durch einen TL431 ersetzen würde? das sollte doch trotz der geringen spannung gehen oder irre ich da? Der T1 (BC337) sollte bei Rb=3,3K durchgesteuert sein bei sowohl 12 als auch 15V oder sollte ich da noch runter gehen?
:
Bearbeitet durch User
M. S. schrieb: > Daher scheint die ja den > Strom nicht so stabil zu steuern wie zunächst gedacht. Da hast Du was mißverstanden. Das bezieht sich nur auf die Schaltung mit Basiswiderstand an Last. Natürlich ist die Schaltung mit 2 Transistoren stabiler. Obendrein hängt sie nicht von der Temperatur des Leistungstransistors ab. Bei der Diodenschaltung steigt dagegen der Strom mit der Temperatur des Transistors.
Peter D. schrieb: > M. S. schrieb: >> Daher scheint die ja den >> Strom nicht so stabil zu steuern wie zunächst gedacht. > > Da hast Du was mißverstanden. Das bezieht sich nur auf die Schaltung mit > Basiswiderstand an Last. ja das kam mir irgendwie schon ein bisschen komisch vor das die aufwenigere variante die schlechtere ist... > Natürlich ist die Schaltung mit 2 Transistoren stabiler. > Obendrein hängt sie nicht von der Temperatur des Leistungstransistors > ab. > Bei der Diodenschaltung steigt dagegen der Strom mit der Temperatur des > Transistors. okay gut dann nehme ich die Variante mit den beiden Transistoren. Würde es sich denn empfehlen den T2 durch einen TL431 zu ersetzen. Der würde die sachen zwar Temperaturstabiler machen, aber eig. ist die Schaltung ja schon relativ Temperaturfest, jedenfalls bei Betrieb in Innenräumen..
Peter D. schrieb: > Natürlich ist die Schaltung mit 2 Transistoren stabiler. Jain. > Obendrein hängt sie nicht von der Temperatur des Leistungstransistors > ab. Bei der Diodenschaltung steigt dagegen der Strom mit der Temperatur > des Transistors. Wenn man außer der Schaltung auch die Information im (üblicherweise) umgebenden Text beachtet, dann geht das schon. Man soll nämlich den Transistor und die Dioden in thermischem Kontakt halten. Und dann hat der Strom sogar einen negativen TK, weil die Durchflußspannung von zwei Dioden in Reihe schneller fällt als die der BE-Strecke. Mittlerweile nur noch von historischem Wert ist die Variante dieser Stromquelle mit einer roten LED als Referenzspannung. Die hat(te) ca. 1.7V Flußspannung mit -2mV/K Temperaturgang. Paßte also gut zum Temperaturgang eines Si-Transistors. Aktuelle rote LED verhalten sich aber anders, weil anderes Halbleitermaterial. Für den vorgesehenen Zweck ist das aber alles Kokolores.
Peter D. schrieb: > Natürlich ist die Schaltung mit 2 Transistoren stabiler. > Obendrein hängt sie nicht von der Temperatur des Leistungstransistors > ab. > Bei der Diodenschaltung steigt dagegen der Strom mit der Temperatur des > Transistors. Das gilt aber nur während des thermischen Hochlaufens zum Arbeitspunkt. Wenn man die Schaltung betrachtet wenn sie thermisch eingeschwungen ist (2 Minuten nach dem Einschalten), dann verhalten sich beide Versionen weitgehend gleich. In beiden wird der Strom durch den Emitterwiderstand durch die Spannung über einer Diodenstrecke bestimmt. Einmal ist es eine echte Diode, einmal eine Basis-Emitter-Diode.
Einerseits ist die Regelung durch die Verstärkung von T2 nen Tick genauer und zweitens hat man weniger Spannungsabfall am Shuntwiderstand. Bei höheren Strömen ist das schon ein Vorteil. Aber für ne LED tuts auch die rechte Variante. Sind eh beides so Schaltungen a la "Was hab ich denn hier noch an Bauteilen aufm Tisch rumfliegen".
Das sollte so hinhauen oder? Oder empfiehlt es sich den Basiswiderstand weiter zu verringern. Weil wenn ich für den BC337 nen schlechten hfe von sag ich mal 30 annehme ist er bei meiner Last bei 2,86K durchgesteuert. Ist es überhaupt wichtig bei 150mA den in Sättigung zu betreiben? weil über 0,5W verlustleistung kann ja in der gesamten schaltung nicht entstehen (bei 15V würde ich 4 LEDs in reihe schalten bei 12V 3 stück, demnach würde über die schaltung maximal 3V abfallen) und der Transistor kann maximal 0,625W ab.
> Aber für ne LED tuts auch die rechte Variante. Sind eh beides so > Schaltungen a la "Was hab ich denn hier noch an Bauteilen aufm Tisch > rumfliegen". seh ich genau so ^^ man muss ja nicht mit kanonen auf spatzen schießen
Also die 4 Ohm Emitterwiderstand sind schon Ok für nen Bipolar-Transistor. Der TL431 regelt auf 2,5 V. Da müsste man auf 16,6 Ohm erhöhen (2x 33 Ohm parallel.) Der Basiswiderstand ist viel zu klein. Hier würde sich was zwischen 1k und max. 6k anbieten. Der BC337 ist mit einer Sromverstärkung von min. 60 spezifiziert bei einer U_CE von 1 V und I_C = <= 300 mA. Nein, er wird nicht in Sättigung betrieben sondern nimmt exakt die Differenzspannung auf von Dioden-Vorwärtsspannung U_F (bei weißen LEDs typ. 4 V) und Spannungsabfall über dem Emitterwiderstand. Hier arbeitet der Lasttransistor mit einer U_CE von etwa 2,3 V und setzt bei 150 mA Kollektorstrom etwa 350 mW um. Damit erwärmt sich die Sperrschicht um ca. 70 K über die Umgebungstemperatur und du darfst ihn bis zu einer Umgebungstemperatur von max. 75°C betreiben.
M.N. schrieb: > Also die 4 Ohm Emitterwiderstand sind schon Ok für nen > Bipolar-Transistor. > Der TL431 regelt auf 2,5 V. Da müsste man auf 16,6 Ohm erhöhen (2x 33 > Ohm parallel.) Würden da denn die 3V Differenz ausreichen? > Der Basiswiderstand ist viel zu klein. Hier würde sich was zwischen 1k > und max. 6k anbieten. Ich sehs grad. ich meinte natürlich 3,3K Ohm nicht 3,3Ohm... das war n aufmerksamkeitsfehler^^ Dann sollten 3,3K ja eig in ordnung sein, das liegt ungefähr in der mitte. > Nein, er wird nicht in Sättigung betrieben sondern nimmt exakt die > Differenzspannung auf von Dioden-Vorwärtsspannung U_F (bei weißen LEDs > typ. 4 V) und Spannungsabfall über dem Emitterwiderstand. Hier arbeitet > der Lasttransistor mit einer U_CE von etwa 2,3 V und setzt bei 150 mA > Kollektorstrom etwa 350 mW um. > Damit erwärmt sich die Sperrschicht um ca. 70 K über die > Umgebungstemperatur und du darfst ihn bis zu einer Umgebungstemperatur > von max. 75°C betreiben. Kann man die geschichte eig so modifizieren das der großteil der Leistung im Widerstand umgewandelt wird und nicht im transistor?
4 LEDs sind zuviel: 4*3,7V + 0,7V = 15,5V. Das ist Spannung an den 4 LEDs plus dem Shunt-Widerstand nach Masse. Bleiben für den Transistor noch -0,5V übrig: (Hier das Zonk-Geräusch einfügen). Mit 3 LEDs kommts hin, dann bleiben 3,8V für den Transistor übrig. Für 150mA muss der Basiswiderstand ungefähr: Ib=Ic/hfe: Ib=0,15A/30 = 5mA; Rb = (15-0,7V)/Ib = 2860 Ohm. 2kOhm sollten es tun (Im DB nochmal nachgucken wie groß hfe bei 150mA tatsächlich ist, 30 kommt mir auch für alten Ranz bei 150mA wenig vor). Der Shunt-Widerstand braucht nach ohmschen Gesetz 4,66 Ohm, bei 4 Ohm sind da etwa 175mA unterwegs.
M. S. schrieb: > M.N. schrieb: > Kann man die geschichte eig so modifizieren das der großteil der > Leistung im Widerstand umgewandelt wird und nicht im transistor? Ja, aber nicht mit den gegebenen Werten und Bauteilen. Entweder man wählt die Zahl der LEDs und die Eingangsspannung so, dass für T1 weniger Spannung als für den R2 (unten gegen Masse) übrigbleibt. Per Definition ist der dann in Sättigung. Aber: Die Stromregelung wird schlechter weil das Feedback von T2 kleiner wird. Sinkt die Eingangsspannung ab (Batterie entladen oder so), dann leitet T2 irgendwann überhaupt nicht mehr, T1 ist voll durchgesteuert (mehr strom geht also nicht) und die LEDs werden immer dunkler. Also genau das, was man eigentlich nicht will. Oder zweiter Weg: T2 durch nen Op-Amp ersetzen und die Shunt-Spannung größer als 0,7V wählen. Aber was der Sinn davon sein soll, erschließt sich mir nicht ganz. Der Op-Amp ist teuer als son BJT. Wenn man weniger Verlustleistung will, braucht man eher nen Schaltwandler.
Sascha schrieb: > 4 LEDs sind zuviel: Die haben eine Flusspannung von 3,2V bei 150mA Da wären dann noch2,2V Differenz das sollte reichen. > Für 150mA muss der Basiswiderstand ungefähr: > > Ib=Ic/hfe: Ib=0,15A/30 = 5mA; Rb = (15-0,7V)/Ib = 2860 Ohm. 2kOhm > sollten es tun (Im DB nochmal nachgucken wie groß hfe bei 150mA > tatsächlich ist, 30 kommt mir auch für alten Ranz bei 150mA wenig vor). Das Problem ist das es leider keine Kennlinien auf Datenblatt gibt (was ich bei fairchild schon erwartet hätte) http://www.produktinfo.conrad.com/datenblaetter/1200000-1299999/001262949-da-01-en-TRANSISTOR_NPN_45V_BC33740TA_TO_92_3_FSC.pdf Allerdings ist bei 300mA Ic ein hfe von 60 angegeben, ich hatte einfach allerworst case gerechet mit den 30. > Der Shunt-Widerstand braucht nach ohmschen Gesetz 4,66 Ohm, bei 4 Ohm > sind da etwa 175mA unterwegs. ja das kommt in der rechnung raus, allerdings bin ich beim messen mit zB Rb=3,3K und 4,3 Ohm auf den gewünschten strom (0,144A) gekommen. Der Transistor hat wohl nicht genau 0,7VBE oder so.
:
Bearbeitet durch User
Sascha schrieb: > M. S. schrieb: >> M.N. schrieb: > Ja, aber nicht mit den gegebenen Werten und Bauteilen. okay hätt ja sein können. Weil widerstände kann man besser kühlen > Entweder man wählt die Zahl der LEDs und die Eingangsspannung so, dass > für T1 weniger Spannung als für den R2 (unten gegen Masse) übrigbleibt. > Per Definition ist der dann in Sättigung. Aber: Die Stromregelung wird > schlechter weil das Feedback von T2 kleiner wird. Demnach ist dann ein größerer Basiswiderstand besser damit man ausschließt das der Transistor in Sättigung geht wenn ich das richtig verstehe. Weil man Sättigung ja vermeiden will wegen Stromstabilität usw. Dann sollte man den Widerstand doch wenn man zB 2,8K raus hat eher höher setzen, also zB 3,3K oder stehe ich da grade auf dem schlauch > Wenn man weniger Verlustleistung will, braucht man eher nen > Schaltwandler. Die müssten in meinem Fall aber schon einen sehr guten Wirkungsgrad haben.
:
Bearbeitet durch User
M. S. schrieb: > Demnach ist dann ein größerer Basiswiderstand besser damit man > ausschließt das der Transistor in Sättigung geht wenn ich das richtig > verstehe. Weil man Sättigung ja vermeiden will wegen Stromstabilität > usw. Nee, das hat einfach mit einem vernünftigen Arbeitspunkt der Transistoren zu tun. Wenn du in deiner letzten Schaltung die 3R3 drinlässt, dann müsste der BC337/TL431 einen Strom von etwa 13,6V/3R3~4,1A nach Masse ableiten. Das geht doch gar nicht! Und außerdem kannst du dann den Wirkungsgrad der Schaltung irgendwo im einstelligen %-Bereich ansetzen.
ArnoR schrieb: > M. S. schrieb: > Nee, das hat einfach mit einem vernünftigen Arbeitspunkt der > Transistoren zu tun. Wenn du in deiner letzten Schaltung die 3R3 > drinlässt, dann müsste der BC337/TL431 einen Strom von etwa > 13,6V/3R3~4,1A nach Masse ableiten. Das geht doch gar nicht! Und > außerdem kannst du dann den Wirkungsgrad der Schaltung irgendwo im > einstelligen %-Bereich ansetzen. 3,3K Ohm. ich habe mich verschrieben gehabt Das war auch eher so eine Allgemeine Frage auf die rechnung mit den 2,86K bezogen. Ich wollte halt wenn ich für den Basiswiderstand 2,8K herausbekomme anstatt den nächstkleineren den nächstgrößeren nehmen. Also anstatt den vorgeschlagenen 2K 3,3K
:
Bearbeitet durch User
M. S. schrieb: > Kann man die geschichte eig so modifizieren das der großteil der > Leistung im Widerstand umgewandelt wird und nicht im transistor? Natürlich, sogar ganz einfach. Du schaltest dem linken BC337 einfach einen Emitterwiderstand dazu, an dem z.B. 1V abfällt (den Wert kannst du aus der Betriebsspannung und dem Basiswiderstand errechnen) und vergrößerst den Emitterwiderstand des rechten BC337 um 1V/150mA=6,7R.
M.N. schrieb: > Im ELKO gibt es einen interessanten Artikel zum Thema diskret aufgebaute > Stromquellen: > http://www.elektronik-kompendium.de/public/schaerer/currled.htm Ja, dort wird u.a. gezeigt, das Varinte zwei einen deutlich kleineren Tk hat, wenn man statt der zwei Dioden eine LED nimmt. Übrigens kann man die linke Hälfte mit der LED auch für mehrere KSQs gleichzeitig nehmen. Das spart Bauteile.
M. S. schrieb: > Konstantstromquelle Viele KSQ-Schaltungen zur Verwendung mit LEDs findet man übrigens samt guter Beschreibung bei www.led-treiber.de. Für viele Anfänger interessant finde ich übrigens den Beitrag über die Unterschiede zwischen Spannungs- und Stromquellen.
Ich habe die Größen jetzt so dimensioniert. Die strombestimmenden widerstände habe ich vor allem durch ausmessen dimensioniert, da die Formel 0,7V/Ic nicht wirklich gepasst hat, was vermutlich daran liegt das bei den Transistoren nur 0,6V auf der BE Strecke abfällt. Ich wollte die ganze geschichte jeweils für drei verschiedene Ströme aufbauen weil ich hier 3 verschiedene LED Typen mit verschiedenen Bemessungsströmen habe. Die Basiswiderstände habe ich mit einem HFE von 60 berechnet (laut Datenblatt ist der hfe bei Ic=300mA bei einem wert von midnestens 60). Vielleicht hat jemand ja erfahrungswerte welche Basiswiderstände man so pi mal daumen bei der entsprechenden Last benutzt. Falls der HFE schlechter sein sollte und mal angenommen der linke Transistor ist nicht gesättigt ist das nicht sonderlich dramatisch oder?
:
Bearbeitet durch User
Harald W. schrieb: > M. S. schrieb: > Viele KSQ-Schaltungen zur Verwendung mit LEDs findet man übrigens > samt guter Beschreibung bei www.led-treiber.de. Ja habe ich mir schon angeguckt. > Für viele Anfänger interessant finde ich übrigens den Beitrag über > die Unterschiede zwischen Spannungs- und Stromquellen. Den Unterschied kenne ich ^^
So ganz verstehe ich die Schaltungen nicht. Ich wüde keine der angegebenen verwenden. Die Frage Transistor oder Diode ist ganz einfach mit Widerstand zu beantworten. Wenn die Versorgungsspannung ungefähr gleich ist dann nimmt man einen Widerstandsteiler als Spannungsreferenz. Falls nicht sind die anderen Verfahren (Dioden/Transistor) zu ungenau. Somit kommt man mit 3 Widerständen, einer oder mehrerer LEDs in Reihe und einem Transistor (mit möglichst großem ß) aus.
Der linke T2 kann nicht sättigen. Der Rest sieht in Ordnung aus, du schaltest aber 3-4 LEDs in Reihe, oder? Sonst sieht die Leistungsbilanz an T1 ungünstig aus. Eine LED allein mit 3,2V: P = U*I = (15-3,2-0,7)*0,15A = 1,67W. Für nen kleinen TO92 Transistor schon zu viel. Bei 3 LEDs sinds 0,7W, das geht dann wieder. Für 4 LEDs dürfen die bei vollem Strom nur etwa 3,3-3,4V Flussspannung haben. Kann man mal ausprobieren, ist aber dann nicht mehr viel Spielraum übrig bei sinkender Versorgungsspannung.
Frank schrieb: > > Somit kommt man mit 3 Widerständen, einer oder mehrerer LEDs in Reihe > und einem Transistor (mit möglichst großem ß) aus. Transistorstromquelle mit Spannungsteiler an der Basis und Stromgegekopplung schätze ich? Ist auch ne Möglichkeit, hat aber auch diverse Nachteile. > Wenn die Versorgungsspannung ungefähr gleich ist dann nimmt man einen > Widerstandsteiler als Spannungsreferenz. Falls nicht sind die anderen > Verfahren (Dioden/Transistor) zu ungenau. Die hier vorgestellte Variante ist bei schwankender Versorgungsspannung sogar sehr genau, vorrausgesetzt man berechnet den Basiswiderstand richtig und lässt T1 genug Spielraum um seinen Arbeitspunkt herum. Denn im Gegensatz zu deiner Variante haben wir hier eine deutlich höhere Regelschleifenverstärkung durch T2.
Sascha schrieb: > Der linke T2 kann nicht sättigen. soll er doch auch gar nicht oder? > Der Rest sieht in Ordnung aus, du schaltest aber 3-4 LEDs in Reihe, > oder? > Sonst sieht die Leistungsbilanz an T1 ungünstig aus. Jaa je nachdem ob ich mich für 12V oder 15V entscheide kommen 3 oder 4 in Reihe. Bei einer größeren Spannungsdifferenz würde ich in der regel nie eine lineare KSQ nehmen > Eine LED allein mit 3,2V: P = U*I = (15-3,2-0,7)*0,15A = 1,67W. Für nen > kleinen TO92 Transistor schon zu viel. > Bei 3 LEDs sinds 0,7W, das geht dann wieder. Ich weiß, :) bei ungefähr 3V differenz und 150mA wird der T1 nur unmerklich war, also das müsste gehen > Für 4 LEDs dürfen die bei vollem Strom nur etwa 3,3-3,4V Flussspannung > haben. Die haben 3,2V laut Angaben (gemessen bei dem Strom sogar etwas weniger). Also über 1V Spannungsdifferenz ist vorhanden > Kann man mal ausprobieren, ist aber dann nicht mehr viel Spielraum übrig > bei sinkender Versorgungsspannung. Das hab ich ein bisschen schlecht ausgedrückt, also die Versorungsspannung bleibt konstant. Ich wollte halt entweder ein 15V NT nehmen und dann 4 jeweils in reihe oder ein 12V NT und dann halt nur 3 in Reihe
:
Bearbeitet durch User
Sascha schrieb: > Bei 3 LEDs sinds 0,7W, das geht dann wieder. Für TO92 eigentlich auch zu viel, BC337 sagt 0.625W bei 25 GradC wenn die Platine über die Anschlussdrähte mitkühlt.
Michael B. schrieb: > Sascha schrieb: >> Bei 3 LEDs sinds 0,7W, das geht dann wieder. > > Für TO92 eigentlich auch zu viel, BC337 sagt 0.625W bei 25 GradC wenn > die Platine über die Anschlussdrähte mitkühlt. ich weiß. Wobei ich hier oft an die 30° habe leider, insbesondere im Sommer. Laut Leistungs-Umgebnungstemperaturkennlinie, sind das da nur noch 0,6W (http://html.alldatasheet.com/html-pdf/61933/GE/BC337/67/3/BC337.html) Aber sofern die LEDs laut Berechnung wie ich hoffe 3,2V Durchgangsspannung haben dann wären das nur ungefähr 2,2V... bei der 200mA Variante wären das demnach 0,44W was eig noch hinkommen sollte. Ansonsten wird es n bisschen kritisch - weil besonders gut lassen sich To-92 bauteile ja nicht kühlen finde ich. Wenn das mehr Leistung sein sollte weil die Durchflussspannungen kleiner sind kann man ja vor die ganze geschichte noch einen Lastwiderstand setzen (zwischen Schaltung (Emitter vom linken transistor) und Masse) Wobei rein theoretisch könnte ich ja auch einen Widerstand von zB 4,7Ohm zwischen die LEDs setzen, falls an der Kostantsromquelle 3V abfallen sollten weil die Flussspannungen der LEDs zu klein sind. Die kann ja bis 1V Differenz arbeiten laut der HFE Kennlinie die ich für die 337-40er variante gefunden habe hatt der beo 0,2A sogar noch einen HFE von 200, das heißt das mit den 60 war schon sehr großzügig http://html.alldatasheet.com/html-pdf/16095/PHILIPS/BC337/1240/5/BC337.html
:
Bearbeitet durch User
Sascha schrieb: > Frank schrieb: > >> Somit kommt man mit 3 Widerständen, einer oder mehrerer LEDs in Reihe >> und einem Transistor (mit möglichst großem ß) aus. > > Transistorstromquelle mit Spannungsteiler an der Basis und > Stromgegekopplung schätze ich? > Ist auch ne Möglichkeit, hat aber auch diverse Nachteile. Genauer gesagt ist es Unsinn. Denn der Basisstrom belastet ja den Spannungsteiler, womit die Spannung nicht mehr konstant ist. Ein typischer Frank (Gast) Vorschlag halt.
M. S. schrieb: >> Für viele Anfänger interessant finde ich übrigens den Beitrag über >> die Unterschiede zwischen Spannungs- und Stromquellen. > Den Unterschied kenne ich ^^ Den Eindruck hatte ich auch, :-) aber ich schreibe meine Beiträge nicht nur für den TE, sondern auch für andere Mitleser. Und ich glaube, das gerade viele Anfänger den Unterschied nicht so genau kennen.
Harald W. schrieb: > Den Eindruck hatte ich auch, :-) aber ich schreibe meine > Beiträge nicht nur für den TE, sondern auch für andere > Mitleser. Und ich glaube, das gerade viele Anfänger den > Unterschied nicht so genau kennen. Ja das stimmt wohl ^^ als normalanwender begegnen einem konstantstromquellen ja eher weniger :)
:
Bearbeitet durch User
Axel S. schrieb: > Genauer gesagt ist es Unsinn. Denn der Basisstrom belastet ja den > Spannungsteiler, womit die Spannung nicht mehr konstant ist. > > Ein typischer Frank (Gast) Vorschlag halt. Vielleicht erst mal lesen und nachdenken bevor man etwas als Unsinn bezeichnet. Die Spannung bleibt auch bei Belastung nahezu konstant, weil der Transistor nicht ein ß von 1 sondern eines von einigen hundert hat. Darüber hinaus gibt es das Problem mit der Basisbelastung in den anderen Schaltungsvarianten ebenfalls hat also nichts mit dem Widerstand zu tun. Typischer "Axel S." - ich versteh was nicht aber schreib mal Kommentar halt. Ansonsten ist immer noch unklar, ob die 15 Volt nun ungefähr konstant sind oder nicht.
Die 15 Volt kommen aus einem stabilisierten Schaltnetzteil. Es ist halt so gemeint gewesen das ich entweder 3 LEDs in reihe mit einem 12V NT nehmen wollte ODER halt 4 in Reihe an einem 15V NT :)
M. S. schrieb: > Die 15 Volt kommen aus einem stabilisierten Schaltnetzteil. Wozu dann die (ungenaue) Transistorschaltung? Nimm einen passenden Vorwiderstand und alles ist gut!
Naja bei 150mA /bzw 200mA hat man die Probleme das sich die lEDs schon durchaus erwärmen und damit auch der Innenwiderstand sinkt. Das führt dann leider zu einem höheren Strom... Ich hätte nochmal eine kurze frage bezüglich Kühlung: Ich habe 3 verschiedene Aluprofile im Baumarkt gefunden und würde gerne wissen welches Profil am besten kühlt. Die Montage soll relativ frei stattfinden und die LEDs strahlen nach oben ab.
Ca 0,35W pro LED an Wärmelast, bist du sicher dass du da dicke Aluprofile für brauchst? Die Wärmeabgabe über die Anschlusspins an die Kupferfläche des PCBs reicht da sicher. Bei ner stabilen Eingangsspannung reicht normal auch ein Vorwiderstand, der Temperaturgang der LEDs wird dadurch ganz gut kompensiert. Der Strom ist nicht so stabil wie bei einer richtigen Konstantstromquelle, aber für LEDs reicht das. Die Schaltungen aus dem Eingangspost sind eigentlich dafür da, direkt an Batteriezellen LEDs zu betreiben sodass die nicht bei voller Batterie blendet hell sind und bei leerer Batterie nur noch glimmen (siehe billige LED Taschenlampen).
M. S. schrieb: > welches Profil am besten kühlt Bei gleicher Alumenge (kg/m) natürlich 3, bei gleicher Breite/Höhe wahrscheinlich 1.
M. S. schrieb: > Die 15 Volt kommen aus einem stabilisierten Schaltnetzteil. Es ist halt > so gemeint gewesen das ich entweder 3 LEDs in reihe mit einem 12V NT > nehmen wollte ODER halt 4 in Reihe an einem 15V NT :) Wird beides etwas knapp. Man sollte schon so ca. 3V Spannungsabfall an der KSQ einplanen.
:
Bearbeitet durch User
Sascha schrieb: > Ca 0,35W pro LED an Wärmelast, bist du sicher dass du da dicke > Aluprofile für brauchst? Die Wärmeabgabe über die Anschlusspins an die > Kupferfläche des PCBs reicht da sicher. Naja die PCBs sind leider nicht aus kupfer, alu etc sondern aus FR4. Und es sind halt zum Teil LED Chips mit einer LED innen drin (3,2V) aber auch welche wo intern 2 LEDs in Reihe sind (max 6,4V). Bei 200mA und 6,4V sind das über 1W, wollte halt lieber zu viel als zu wenig > Bei ner stabilen Eingangsspannung reicht normal auch ein Vorwiderstand, > der Temperaturgang der LEDs wird dadurch ganz gut kompensiert. Der Strom > ist nicht so stabil wie bei einer richtigen Konstantstromquelle, aber > für LEDs reicht das. Ich weiß. Ich wollte auf Nummer sicher gehen deswegen halt direkt eine KSQ. Und so viel teurer als ein Lastwiderstand ist die geschichte ja nicht
Harald W. schrieb: > M. S. schrieb: > Wird beides etwas knapp. Man sollte schon so ca. 3V Spannungsabfall > an der KSQ einplanen. Ich hatte irgendwo etwas von mindestens 1V gelesen. Aber auf ungefähr 3V sollte ich kommen, jedenfalls auf jeden Fall mehr als 2V. Ich hab die Widerstände für die KSQ schon gekauft, ich werd es einfach mal ausprobieren. Die Netzteile haben ja in der regel ja 0,3V mehr als die angegebene Spannung (so jedenfalls meine erfahrung). Ich werd das einfach mal ausprobieren
MaWin schrieb: > M. S. schrieb: >> welches Profil am besten kühlt > Bei gleicher Alumenge (kg/m) natürlich 3, > bei gleicher Breite/Höhe wahrscheinlich 1. Die Variante 3 ist höher als die variante 1. Ich hatte irgendwie auf die Variante 2 getippt weil die die wärme rechts und in der mitte abgeleitet wird, aber da man die led in der mitte platziert ist der steg in der mitte wahrscheinlich der wichtigste
M. S. schrieb: > ist nicht so stabil wie bei einer richtigen Konstantstromquelle, Als "richtige Konstantstromquelle" würde ich die o.a. Schaltungen aber auch nicht bezeichnen! Als "Referenz" wird praktisch die Spannung über der B-E-Diodenstrecke des Transistors hergenommen. Wie die LED, hat diese auch einen Temperaturkoeffizienten von ca. 2mV/K, bezieht man das auf den Absolutwert der jeweiligen Spannung (0,7V bei Silizium-Diode, 2V bis 3V bei der LED), ergibt sich eine deutlich höhere prozentuale Abweichung bei der Si-Diode, d.h. diese "Konstantstromquelle" hat prinzipiell eine recht hohe Temperaturdrift von ca. 0,3% pro Grad. Mit z.B. 3 LEDs in Reihe (Uf ca.3V = 9V) an 12V -> 3V über dem Vorwiderstand ist die Stromabweichung durch die Temperaturdrift aber nur 0,2% pro Grad, also 1/3 besser als bei der "Konstantstromquelle"!
Die Temperaturdrift von T2 ist allerdings negativ: Wird der wärmer, leitet er besser und der Strom durch T1 nimmt ab. "Konstant" muss man wie immer so auslegen wie es die Anforderungen vorgeben. Und LEDs sind nunmal nicht extrem wählerisch.
Sascha schrieb: > Und LEDs sind nunmal nicht extrem wählerisch. Das meine ich ja auch, man muss unter den gegebenen Bedingungen (= geregelte Eingangsspannung) keine aufwändige "echte" Konstantstromquelle nehmen, die den eingestellten Strom wirklich konstant hält, unabhängig von Temperatur und Spannung, es reicht auch ein simpler Widerstand. Und die o.a. Transistor-Schaltung hält unter den gegebenen Bedingungen den Strom auch nicht besser auf dem eingestellten Wert, als der einfache Vorwiderstand, sondern ist eher schlechter. Gut, wenn beabsichtigt ist, den Strom bei höheren Temparaturen zu reduzieren, macht die Sache vielleicht Sinn. Auf der anderen Seite könnte man von einer LED-Beleuchtung aber auch "konstante Helligkeit" verlangen, dann ist das wieder kontraproduktiv, weil die LEDs bei steigender Temperatur an Effiziens verlieren.
Ich habe die zwei-Transistor-KSQ so verstanden, dass die deshalb einen Vorteil hat, weil die Eingangsspannung dadurch relativ egal wird - ob 12V, 9V, 5V oder 3,3V - (fast) völlig einerlei. Während man nur mit einem Widerstand für dasselbe Ergebnis unterschiedliche Werte benötigt. Kann mir dabei einer einen Wink geben, wie ich den minimalen "Spannungsspielraum" der Schaltung herausfinde? Ich hätte vermutet, es ist die Basisspannung an Transistor 2 zuzüglich der Vorwärtsspannung der LED? In Spice funktioniert bei mir eine derartige KSQ wie gewünscht, in der Praxis muss ich den Widerstand R2 bei 3,3V-Speisung jedoch auf 1/3 des berechneten Werts für den gewünschten Stromfluss reduzieren (waren etwas mehr als 2 Ohm anstatt 10 Ohm). Für mich ein Zeichen, dass da eben Regelungsspielraum fehlt: Wären dann 0,6Vbe + 2,7V Vfw -> 3,3Vin, nichts zum "Verheizen" übrig.
:
Bearbeitet durch User
Für T1 1V Vce und dann noch 0,7V für BE Strecke von T2, macht 1,7V Minimum, plus das was die eigentliche Last braucht. Also noch ne 3,2V LED davor sind dann 4,9V...also 5. Dirk K. schrieb: > Ich habe die zwei-Transistor-KSQ so verstanden, dass die deshalb > einen > Vorteil hat, weil die Eingangsspannung dadurch relativ egal wird - ob > 12V, 9V, 5V oder 3,3V - (fast) völlig einerlei. Während man nur mit > einem Widerstand für dasselbe Ergebnis unterschiedliche Werte benötigt. Richtig. Da der TE aber sagt er nimmt ein 12 oder 15V Netzteil, kann man von einer stabilen Spannung ausgehen und da reicht dann ein Vorwiderstand. Die Ein-Transistor KSQ hat den gleichen Zweck, arbeitet aber nur mit der Stromgegenkopplung eines einzelnen Transistors was die Regelung deutlich weniger genau macht. Wenn du R2 kleiner machen musst, ist deine Regelung schon im Eimer weil T2 dann praktisch gar nicht leitet. Dann arbeitet die Schaltung als Transistor in Emitterschaltung mit Basisstromeinspeisung und Stromgegenkopplung, und zwar nur mit T1 als aktivem Bauelement.
Dirk K. schrieb: > Kann mir dabei einer einen Wink geben, wie ich den minimalen > "Spannungsspielraum" der Schaltung herausfinde? Ich hätte vermutet, es > ist die Basisspannung an Transistor 2 zuzüglich der Vorwärtsspannung der > LED? Ich hatte mal etwas von ungefähr 1V gelesen, ich bin mir da jedoch nicht sicher. Worauf du evtl achten musst das die Transistoren nicht immer 0,7V BE Spannung haben. Meine haben komischerweise nur 0,6V.
Sascha schrieb: > Richtig. Da der TE aber sagt er nimmt ein 12 oder 15V Netzteil, kann man > von einer stabilen Spannung ausgehen und da reicht dann ein > Vorwiderstand. Das heißt das hätte ich mir alles sparen können? :D ohman. Ich hatte eig hauptsächlich Schiss davor das halt der Innenwiderstand der LED bei Erwärumg soweit absinkt das ein Teufelskreis entsteht. Bei den 80mA LEDs bin ich allerdings grade relativ sicher das ich da n Widerstand nehme weil ich von denen 100 Stück habe, da heißt das wären je nach Eingangsspannung ungefähr 35 KSQ. Wobei wenn ich allerdings zB nur 2V Spannungsdifferenz habe ist die Quelle doch eig sicherer weil 2V verbratene Spannung bei einem Widerstand doch eig schon kritisch sind
:
Bearbeitet durch User
Danke für die Ausführung, Sascha. Mir leuchten die 1V für Vce nicht ein, aber da muss ich wohl einfach noch mal Grundlagen Transistoren lesen. Habe eben mal probiert - mit 5V Step-Up auf die 2-Transistoren-KSQ. Bei 34mA Last an den Akkus und zumindest errechneten 10mA an der LED-Lichterkette war die doch deutlich dunkler als mit 3,3V-Step-up und dahinter einfach PWM. Da liegen nur 7mA an den Akkus an. Die KSQ scheint nicht sonderlich effizient zu sein.
M. S. schrieb: > Sascha schrieb: >> Da der TE aber sagt er nimmt ein 12 oder 15V Netzteil, kann man >> von einer stabilen Spannung ausgehen und da reicht dann ein >> Vorwiderstand. > Das heißt das hätte ich mir alles sparen können? Vermutlich ja. > Ich hatte eig > hauptsächlich Schiss davor das halt der Innenwiderstand der LED bei > Erwärumg soweit absinkt das ein Teufelskreis entsteht. Soviel zum Ingenierstandort Deutschland. Du hättest ja auch mal in das Datenblatt deiner LED bzw. stellvertretend in das Datenblatt irgend einer LED schauen können und ausrechnen wie sehr sich der Strom durch die LED bei sagen wir 20K Temperaturerhöhung ändert. Bei vernünftiger Auslegung (lies: nicht zu geringer Spannung am Vorwiderstand) sollte das thermisch ähnlich stabil sein wie eine Konstantstromquelle, bei der am Ende die Basis-Emitterspannung eines Transistors der maßgebliche Faktor ist. Die Exemplarstreuung der Flußspannung hat allemal größeren Einfluß als der TK. > ... wenn ich allerdings zB nur 2V > Spannungsdifferenz habe ist die Quelle doch eig sicherer weil 2V > verbratene Spannung bei einem Widerstand doch eig schon kritisch sind Keine Ahnung was du damit sagen willst. Wieviel Spannung (und damit letztlich Leistung) an einem Widerstand abfallen darf, hängt vom konkret verwendeten Widerstand ab. Die Leistungstypen für einige Watt Verlustleistung gibt es ja nicht aus Jux und Dollerei ...
Dirk K. schrieb: > Mir leuchten die 1V für Vce nicht ein, > aber da muss ich wohl einfach noch mal Grundlagen Transistoren lesen. 1V für U_ce_sat ist genauso ein Daumenwert wie die 0.7V Basis-Emitter Spannung im Arbeitspunkt. Manche Transistoren kommen weiter runter als andere. Und natürlich hängt das auch davon ab, wieviel Basisstrom du dem Transistor gönnst ... > Habe eben mal probiert - mit 5V Step-Up auf die 2-Transistoren-KSQ. Bei > 34mA Last an den Akkus und zumindest errechneten 10mA an der > LED-Lichterkette war die doch deutlich dunkler als mit 3,3V-Step-up und > dahinter einfach PWM. Da liegen nur 7mA an den Akkus an. > Die KSQ scheint nicht sonderlich effizient zu sein. Das eine folgt nicht aus dem anderen. Wenn du deine LED allerdings ohne (!) Vorwiderstand an 3.3V betreiben solltest, dann ist der Wirkungsgrad natürlich höher. Denn wenn die LED nur 3.3V brauchen, dann muß die KSQ die überflüssigen 1.7V ja verheizen (wie denn sonst?). Allerdings ist der Strom, der sich ohne Vorwiderstand einstellt, reine Glückssache. Weswegen das auch niemand macht, der noch alle Tassen im Schrank hat. Die Effizienz der 2-Transistor KSQ ist ein klein wenig schlechter als der optimale Wert (bedingt durch Betriebsspannung und LED-Flußspannung). Und zwar wegen des Basisstroms für den Haupttransistor. Der fließt ja nicht durch die LED, wohl aber aus der Versorgungsspannung.
Dirk K. schrieb: > Habe eben mal probiert - mit 5V Step-Up auf die 2-Transistoren-KSQ.... Wenn sowieso schon ein Schaltregler (Stepup oder Stepdown) im Spiel ist, wäre es natürlich effizienter, diesen gleich als Stromregler auszulegen, statt eine ineffiziente, lineare Strombegrenzung (wurscht, ob Transistor-KSK oder Widerstand) hinter den Spannungsregler zu schalten.
Da bin ich jetzt gespannt, wie du hieraus direkt eine Boost-KSQ machen möchtest: http://pdf1.alldatasheet.com/datasheet-pdf/view/469766/BELLING/BL8530.html Der hat nur GND, Lx und Vout(Sense), 5V fest eingestellt. Mit anderen Step-ups ginge das natürlich, die auf eine niedrigere Feedback-Spannung regeln. Ging mir ohnehin aber erst mal um das praktische Ausprobieren der 2-Transistor-KSQ und damit Lernen/Wissen erweitern. War also erfolgreich.
1V Vcemin ist PI mal Daumen. Sättigungswert von ca 0,7V plus noch n bischen. Grobe Begründung: Da wo im Ausgangskennlinienfeld der Knick in den geraden Bereich übergeht, Sättigungseffekte also komplett verschwunden sind.
Dirk K. schrieb: > Da bin ich jetzt gespannt, wie du hieraus direkt eine Boost-KSQ machen > möchtest: möchte ich nicht - dieser Baustein wäre so ziemlich die ungeschickteste Wahl, die man für die Versorgung von ein paar LEDs aus einer Spannung <5V treffen kann. Wenn wenigstens an seinem LX-Pin eine große Spannung zulässig wäre, könnte man ihn sogar dafür verwenden, aber mit (VLX max. Vout+0,3V) kann man praktisch nur einen Boost-Converter mit der fest vorgegeben Spannung bauen.
Guten Abend zusammen, ich hatte testweise ein paar verschiedene Aluprofile aus dem baumarkt besorgt und sie auch getestet (über mehrere Stunden). Ich habe dabei die 200mA/6V LED benutzt da diese diejenige ist die die höchste leistung von allen verwendeten hat. Ich habe die LEDs jeweils mit wärmeleitpaste auf die Aluprofile fixiert und über mehrere Stunden getestet. Da ich leider keine geeignete Messtechnik habe, habe ich eine LED des gleichen Typs auf einen ziemlich großen überdimensionierten Kühlkörper fixiert und sozusagen als ,,gefühlte'' Vergleichsgröße genutzt. Mir ist nun folgendes aufgefallen: - Wenn man die LEDs kurz anfasst (direkt die Linse) spürt man keine Nennenswerte Wärme - Wenn man länger mit dem zeigefinger die LED anfasst (direkt die Linse) ist es zwar heiß aber nicht so das man sich verbrennt oder loßlassen muss. Dieses ist allerdings unabhängig davon ob die LED auf dem großen schwarzen Kühlkörper oder dem Aluprofil ist. Zusätzlich bekommt man die Temperatur dann vermutlich nicht runter oder? Weil eig ist der schwarze Kühlkörper das Optimum (wüsste jedenfalls nicht was man da noch optimieren sollte)... Nun würde ich einfach gerne ne grobe einschätzung haben ob sich das im normalen bereich bewegt oder ob man da überhaupt noch optimieren kann, weil auch der riesige Kühlkörper keine deutliche Temperaturminderung mehr bringt. Die Aluprofile werden übrigens grade so warm das man es spüren kann. Noch eine Frage hätte ich zu den beiden Aluprofilen auf dem Bild. Das rechte ist ein H Profil mit der Dicke 1,5mm welches ich ins auge gefasst hatte. Nun könnte man ja auch ein Flachprofil nehmen das dafür aber dicker ist (das linke hat 2mm). Wäre ein dickeres Flackprofil mit mehr kg/m besser als ein H Profil mit weniger kg/m? Bzw ist das H-Profil ausreichend oder kritisch?
:
Bearbeitet durch User
M. S. schrieb: > Wenn man die LEDs kurz anfasst (direkt die > Linse) spürt man keine Nennenswerte Wärme Das ist ja auch kein Wunder. Dieser Teil der LED ist ja auch gegenüber der Sperrschicht sehr gut wärmeisoliert. Die Sperr- schichttemperatur könnte man z.B. durch Messen der Durchlass- spannung der Diode ermitteln.
Das war im vergleich zu vorhher ohne Kühlung. Da konnte man die LED nicht lange anfassen ohne sich zu verbrennen. Oh dankeschön :) das klingt nach ner guten Idee. Die Spannung müsste dann ja beim Betrieb mit Konstantstrom absinken oder? Wie genau kann man denn von da aus Rückschlüsse auf die Temperatur schließen? Über eine Temperatur Widerstands Kennlinie vermutlich oder? Ich habe mal ins datenblatt geguckt, da steht tatsächlich auf S.11 die differentielle Widerstandsänderung bezüglich der Temperatur (1. Kennlinie, über der grafik). Wobei vermutlich die zweite kennlinie auf S14 der einfachere Weg wäre.. Das datenblatt: http://www.leds.de/out/media/NF2L385ART.pdf Eine andere Frage: Ich habe auf S5 unten in dem Schaltbild eine Einheit gefunden die mit ,,Protection Device'' bezeichnet ist. Was könnte das sein? Ist das eine schutzschaltung zum ESD Schutz oder irgendeine schutzeinrichtung für den Betrieb? (bei den Sieten habe ich die angegeben die durch den PDF Reader angezeigt werden, also nicht die Seitenzahlen unten auf dem datenblatt)
:
Bearbeitet durch User
M. S. schrieb: > Wie genau kann man denn von da aus Rückschlüsse auf die Temperatur > schließen? Das hängt davon ab, wie genau Du die Durchlassspannung messen kannst. Man sollte diese aber nicht mit dem Betriebsstrom, sondern mit einem geringen Messstrom direkt nach dem Ausschalten des Betriebsstroms messen.
Naja eine Nachkommastelle sollte drin sein, mehr an Genauigkeit definitiv nicht. Was für einen messstrom sollte ich nehmen? sind 20mA geeignet? Andere Frage: Wäre es eventuell genauer wenn ich die LED mit einem Widerstand betreibe und dann anstatt der spannung den strom messe? vermutlich nicht weil der widerstand kompensierend wirkt oder? Welcher temperatur erreicht denn eine Sperrschicht bei sehr guter Kühlung mit einem Kühlkörper bei Raumtemperatur minimal ungefähr? Unter welcher Temperatur sollte man generell dauerhaft bleiben?
M. S. schrieb: > Naja eine Nachkommastelle sollte drin sein, mehr an Genauigkeit > definitiv nicht. Was für einen messstrom sollte ich nehmen? sind 20mA > geeignet? > Andere Frage: Wäre es eventuell genauer wenn ich die LED mit einem > Widerstand betreibe und dann anstatt der spannung den strom messe? > vermutlich nicht weil der widerstand kompensierend wirkt oder? > Welcher temperatur erreicht denn eine Sperrschicht bei sehr guter > Kühlung mit einem Kühlkörper bei Raumtemperatur minimal ungefähr? Unter > welcher Temperatur sollte man generell dauerhaft bleiben? Unter der Temperatur, die der Hersteller angibt. Zur Lebensdauer kann man dann überschlägig das Avogadrogesetz heranziehen. Je geringer die Temperatur, desto länger lebt der Halbleiter. Temperatur der Sperrschicht errechnet sich aus dem Wärmewiderstand und der Leistung des Halbleiters. Wärmewiderstand Junction to Case steht im Datenblatt, Case to Kühlkörper musst du selbst feststellen.
M. S. schrieb: > Welcher temperatur erreicht denn eine Sperrschicht bei sehr guter > Kühlung mit einem Kühlkörper bei Raumtemperatur minimal ungefähr? Sowas steht normalerweise im Datenblatt unter Wärmewiderstand. Die Temperatur der Sperrschicht ergibt sich aus der Summe aller Wärmewiderstände (Junction->Case, Case->Heatsink, Heatsing->Ambient), multipliziert mit der anfallenden Verlustleistung des Chips, und das dann addiert auf die Umgebungstemperatur. Wenn Dein Kühlkörper sich nicht nennenswert erwärmt und das Gehäuse der LED guten Wärmekontakt zum KK hat, ist der Wärmewiderstand von Sperrschicht zu Gehäuse (Junction -> Case) der wichtigste Faktor. Ich denke, da immer noch der größere Teil der elektrischen Energie in Wärme umgewandelt wird, statt in abgestrahltes Licht, kann man für eine Abschätzung getrost mit (I*U) als Verlustleistung rechnen.
okay gut dankeschön :) Wenn ich für den Wärmewiderstand den schlechtesten Wert nehme (17K/W) komme ich bei einer verlustleistung von 1,3W auf eine temperaturdifferenz von ungefähr 22K von der Sperrschicht zum Gehäuse der LED. Ich habe für die anderen potentiellen Wärmewiderstände (LED-mitgeliefertes Kühlplättchen;Kühlplättchen Aluprofil) etwas von ungefähr 0,3K/W raus also vernachlässigbar. Wenn ich einfach mal einen R_wges von 18K/W annehme würde ich ungefähr auf eine temperaturdifferenz von max. 23K kommen. Das kommt hin oder? Wenn ich eine maximale raumtemperatur von 30°C habe hat die Sperrschicht also eine maximaltemperatur von unter 60°. Das sollte ja mehr als genügen. Würde es sinn machen die Konvektion vom Aluprofil zur Luft mitzuberücksichtigen oder ist das in einer solchen größenordnung Erbsenzählerei, da sich das aluprofil ja nur leicht erwärmt? Bzw wenn sich das Alu H-Profil nur so erwärmt das man nur leichte erwärmung fühlt beim anfassen dann sollte es als Kühlkörper mehr als ausreichend sein richtig?
Du kannst das Aluprofil jetzt noch schwarz streichen, aber mehr kannst du eh nicht mehr machen um noch besser zu kühlen. Also warum sich da Gedanken drüber machen? Wenn du an die LEDs packen kannst ohne dass es weh tut, langt das.
ja das stimmt schon, mein gedanke war halt das ich die geschichte so langlebig wie möglich machen wollte, aber ich nehme jetzt einfach die H-Profile. Auf jeden Fall nochmal dankeschön für die Ratschläge :) Auf die Idee das schwarz zu streichen bin ich noch gar nicht gekommen :D Würde sich das denn vom Aufwand/Nutzen lohnen oder würde das nur eine geringe verbesserung bieten?
Bei den niedrigen Temperaturen wird eh kaum Wärme als Strahlung abgegeben, also nein.
Okay :) ich habe versuchsweise erstmal eine LED auf ein 8 cm langes stück Aluprofil geklebt um zu gucken wie das nach längerer zeit mit der erwärmung aussieht. Hab die geschichte einfach mal über 2 stunden dauerbetrieb getestet um zu gucken ob die 8cm reichen. Die aluprofile werden an der Unterseite allerdings nur lauwarm, daher sollte die Länge vermutlich ausreichen oder?
Ja. Hinweis: Das hat mit dem ursprünglichen Thread eigentlich gar nichts mehr zu tun.
oki gut danke :) jaa ich weiß, allerdings wollte ich nicht wegen jeder teilfrage wieder ein neuen thread aufmachen, weil das halt alles zu einem projekt gehört. Aber die fragen sollten jetzt soweit geklärt sein
Um beim Offtopic kurz mitzumachen: "kaum warm", "handwarm" - kleb' doch einfach einen NTC10k an das Aluprofil und miss. Dann hast du brauchbare Daten und kannst mit Optimierungen anfangen. Das jetzt ist unsystematisches, gepfuschtes Trial-and-Error; durch Anfassen weißt du nicht, was wirklich besser oder gleich ist und du kannst damit nicht ordentlich optimieren.
Einen NTC hatte ich leider nicht zur Hand allerdings ein digitales messgerät für temperatur. Die Temperatur an der LED Oberfläche (Linse) hatte sich nach einiger zeit bei 43° eingependelt, die an der Unterseite vom Kühlkörper bei 27,5°C.
:
Bearbeitet durch User
Bitte melde dich an um einen Beitrag zu schreiben. Anmeldung ist kostenlos und dauert nur eine Minute.
Bestehender Account
Schon ein Account bei Google/GoogleMail? Keine Anmeldung erforderlich!
Mit Google-Account einloggen
Mit Google-Account einloggen
Noch kein Account? Hier anmelden.









