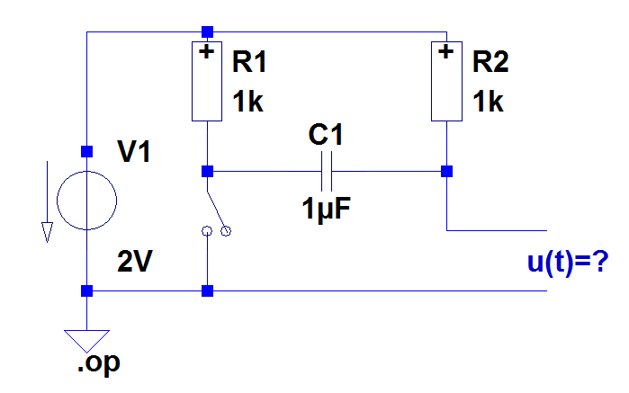
Ich brauche Hilfe bei der Schaltung . Ich muss ermitteln , WIE die Spannung am Kondensator ansteigt , wenn der Schalter alle 5ms gelschlossen und wieder geöffnet wird. Danke schon im voraus ,wenn jemand mir das erklären kann. Ich habe zwar die Lösung , weiß aber nicht , ob sie richtig ist. Schaltung ist im Anhang. Und auch natürlich der Wert der Spannung bitte die dem jeweiligen Zeitpunkt.
Lade dir die Demo von NI Multisim (läuft 30 Tage) und bau' die Schaltung auf. Multisim hat Oszilloskope und Kurvenschreiber als virtuelle Instumente ... nur so lern man.
Mark W. schrieb: > Ich brauche Hilfe bei der Schaltung . Ich muss ermitteln , WIE die > Spannung am Kondensator ansteigt , wenn der Schalter alle 5ms > gelschlossen und wieder geöffnet wird. Danke schon im voraus ,wenn > jemand mir das erklären kann. Ich habe zwar die Lösung , weiß aber nicht > , ob sie richtig ist. Schaltung ist im Anhang. Und auch natürlich der > Wert der Spannung bitte die dem jeweiligen Zeitpunkt. Verstehst du was da passiert? Kurt
Ja , der Kondensator wird aufgeladen und ich muss den Verlauf dieses Vorganges IM KONDENSATOR ermitteln!
Mark W. schrieb: > Ja , der Kondensator wird aufgeladen und ich muss den Verlauf dieses > Vorganges IM KONDENSATOR ermitteln! Das sagtest du ja schon, gefragt ist aber wohl die Spannung/der Spannungsverlauf die/der rechts am Ausgang anliegt. Schliesse den Schalter und sage was passiert. Kurt
Überlege dir, was die beiden Widerstände für eine Funktion haben, wenn der Schalter geschlossen ist.
Frank E. schrieb: > Lade dir die Demo von NI Multisim (läuft 30 Tage) und bau' die Schaltung > auf. Nimm LTspice - das kostet nix und läuft unbegrenzt.
Der gezeigte Schaltplan stammt doch schon aus LTSpice, oder?
Wenn ich den Schalter schließe, lädt sich der Kondensator über 1kOhm bis auf die Versorgungsspannung auf. Wenn ich den Schalter öffne, dann entlädt er sich über 2kOhm wieder bis auf 0V. Aber vorsicht: das beschreibt nicht U(t) sondern Uc(t)!
Bitte melde dich an um einen Beitrag zu schreiben. Anmeldung ist kostenlos und dauert nur eine Minute.
Bestehender Account
Schon ein Account bei Google/GoogleMail? Keine Anmeldung erforderlich!
Mit Google-Account einloggen
Mit Google-Account einloggen
Noch kein Account? Hier anmelden.
