Guten Abend, ich wollte mal in die Runde fragen, ob jemand einen einfachen Schaltplan für ein UKW Radio besitzt, welches man nur mit Transistoren und C´s, R´s und Festinduktivitäten realisieren kann? Es geht mir hauptsächlich um den Lerneffekt. Zudem will ich mir mein eigenes UKW Superhet mit T´s bauen. Vielen Dank im Voraus, und noch einen schönen Abend. (;
Die gibt es massenweise. Hier als Beispiel: http://www.razyboard.com/system/morethread-reiseempfaenger-r110-vagant-veb-stern-radio-berlin-delta_schaly-1567730-4130641-0.html
Besorg dir so einen Drehkondensator mit UKW-Tuner: http://www.pollin.de/shop/dt/Mzc5ODkzOTk-/HiFi_Car_HiFi_Video_TV/HiFi/Ersatzteile/FM_Tuner_RFT_4413_13_02.html Dann bau den ZF-Verstärker und den Demodulator dazu. Falls du dann noch Lust hast, kannst du auch noch das Frontend durch ein Selbergebautes ersetzen.
Für so einen diskreten UKW-Super sollte man aber schon vorabgeglichene ZF-Bandfilter nehmen. Die werden ja auch nicht auf Mitte abgeglichen. Vor allem nicht für Stereo. Es ist schwierig. Lieber mit einem alten Radio "spielen". Heute denkt man, es ist alles ganz einfach. Wenn man da so einen SAT-Tuner auf 2X3cm unabgeschirmt sieht. Digitaltechnik macht es möglich.
Das Projekt finde ich aber toll. Sowas schwebt mir auch schon seit einiger Zeit vor. Das größte Problem ist - selbst wenn man die nötige Messtechnik hat - die Beschaffung der korrekten ZF Filter ( richtige Bandbreite, richtige Anpassung... ) Wer auch die selbstbaut, hat natürlich größten Respekt verdient... Die Eingangsstufe kann man noch gut selbst bauen, auch die Spulen.
Dann das Heft electronica237 Tuner und electronica243 für die restlichen Baugruppen besorgen. ebay 221926538629 Da ist dann alles da, auch ohne Abgleich. Inkl. Platinenvorlagen.
So, ich hatte mir vor einiger Zeit mal die Gekauft: http://www.pollin.de/shop/dt/NTI0OTk4OTk-/Bauelemente_Bauteile/Aktive_Bauelemente/IC/A225D_TDA1047.html Kann ich mit denen einen Superhet realisieren? Schaltplan wäre auch cool. (; Schönen Abend noch!
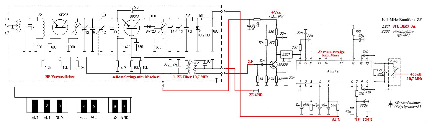
> Also den Drehko mit dem Aufsatz hab ich schon (: > http://www.pollin.de/shop/dt/Mzc5ODkzOTk-/HiFi_Car_HiFi_Video_TV/HiFi/Ersatzteile/FM_Tuner_RFT_4413_13_02.html > So, ich hatte mir vor einiger Zeit mal die Gekauft: http://www.pollin.de/shop/dt/NTI0OTk4OTk-/Bauelemente_Bauteile/Aktive_Bauelemente/IC/A225D_TDA1047.html > Kann ich mit denen einen Superhet realisieren? Ob das der richtige Tuner ist? http://www.broeselsworld.de/sonstiges/allgemein/RFT-Tuner_4413-13.jpg Schaltung eines ZF-Verstärkers: https://putzlowitsch.de/wp-content/uploads/2008/10/zf-modul-a225d.png Da ist schon fast alles zusammen, außer den ZF-Filtern. Die beiden Schaltungen muss man nur noch zusammenfügen. Ich würde keramische ZF-Filter empfehlen, 10,7 MHz mit einer Bandbreite von ca. 150 kHz.
B e r n d W. schrieb: > Da ist schon fast alles zusammen, außer den ZF-Filtern. Die beiden > Schaltungen muss man nur noch zusammenfügen. Ich würde keramische > ZF-Filter empfehlen, 10,7 MHz mit einer Bandbreite von ca. 150 kHz Da passt was nicht. Der ZF-Verstärker ist ohne Deemphasis-Glied, d.h. für Stereo-Anwendung ausgelegt. Für den Stereo-Empfang ist aber eine ZF-Bandbreite von 200 kHz erforderlich.
Moin die ZF-Filter sind nur noch schwer zu beschaffen. Damit dürfte das Projekt gestorben sein. Holger
Als ZF-Filter kommen SFE-10M7-JA oder SFE-10M7-HA in Betracht: http://www.murata.com/products/catalog/pdf/p50e.pdf > Der ZF-Verstärker ist ohne Deemphasis-Glied Kann er noch dranhängen, falls kein Stereo gewünscht.
Hallo, Holger R. schrieb: > Moin > die ZF-Filter sind nur noch schwer zu beschaffen. > Damit dürfte das Projekt gestorben sein. geistern bei ebay noch ausreichend und bezahlbar rum. Gruß aus Berlin Michael
> Schaltplan wäre auch cool. (;
Zur Vereinfachung können Feldstärke- und Mittenanzeige entfallen.
Ebenso der zweite Schwingkreis am Demodulator, welcher vermutlich einen 
etwas geringeren Klirrfaktor bewirkt. Durch die Bedämpfung mit dem 1,2k 
Widerstand wird die Güte soweit reduziert, bis der Phasengang im 
gewünschten Bereich ausreichend linear wird. Da die 
Schwingkreis-Kapazität angegeben ist, kann die Induktivität leicht 
berechnet werden.
  Super! Bau ich demnächst mal nach!!! Und der Drehko, ist der schon im Modul angeschlossen?
Hallo Z201 steht oben rechts im Plan. 10,7MHz Filter.
B e r n d W. schrieb: >> Schaltplan wäre auch cool. (; > > Zur Vereinfachung können Feldstärke- und Mittenanzeige entfallen. Die AFC schaut aber ein wenig seltsam aus, oder nicht? Kurt
karadur schrieb: > Hallo > > Z201 steht oben rechts im Plan. 10,7MHz Filter. Diese Filter haben doch ein Z_in und Z_out von 330 Ohm. Wie verträgt sich das mit dem 330 Ohm am Kollektor? Wäre da nicht eine Drossel angesagt? (oder sind der RI keine 330 Ohm?) Kurt
Der A225 hat einen Gegentaktausgang integriert. Eine andere Schaltungsvariante verwendet noch einen Widerstand, möglicherweise, um die Diode negativ vorzuspannen. Im Zweifel müsste man die Diode umdrehen, damit sie in Sperrichtung betrieben wird. Dann kommt aber die Frage, ob der A225D richtig rum regelt.
>> Z201 steht oben rechts im Plan. 10,7MHz Filter. > Diese Filter haben doch ein Z_in und Z_out von 330 Ohm. > Wie verträgt sich das mit dem 330 Ohm am Kollektor? > Wäre da nicht eine Drossel angesagt? Die Ausgangsimpedanz der Transistorstufe entspricht ungefähr dem Arbeitswiderstand. Parallel dazu liegt der Kollektor als Stromquelle mit >>10k, was verglichen mit den 330 Ohm kaum eine Rolle spielt.
Das ist nicht so einfach. Du benötigst 3-4 gekoppelte Filter, um ein brauchbares Ergebnis zu erzielen und entsprechende Messmittel, um die Durchlasskurve abzugleichen. Auf Maximum einstellen reicht nicht. Im Prinzip reichen dir zwei Stück = €6,30 http://www.ebay.de/itm/Keramikfilter-10-7MHz-BW-150kHz-SFE10-7MJA10-A-/182071603709
elektrofreak2 schrieb: > Kann ich den Z201 auch selber wickeln? Ein Keramikfilter hat keine Windungen und deshalb kann man es auch nicht selber wickeln. Aber alte Radios kann man als Organspender abernten.
Noch eine dumme Frage: Wie wie wird/werden der/die angeschlossen?
Schau dir mal die Schaltung an, da sind zwei in Reihe (F102 und F104) geschaltet mit einem Dämpfungsglied dazwischen. https://www.mikrocontroller.net/attachment/288993/Grundig_TDA1574.gif
B e r n d W. schrieb: > Im Prinzip reichen dir zwei Stück = €6,30 > Ebay-Artikel Nr. 182071603709 Wenn Du Eins bestellst, bekommst Du fünf Filter. :-))) LG
Michael U. schrieb: > geistern bei ebay noch ausreichend und bezahlbar rum. Leider ohne Kennlinie und Daten, damit unbrauchbar Holger
Du meinst sicher Daten zum simulieren? Die letzt genannten sind für Mono. Prinzipiell gehen die trotzdem auch. Für einfache Stereo-Koffergeräte reichen welche mit 190KHz.
Murata SFE10.7MJA10-A http://images.ihscontent.net/vipimages/VipMasterIC/IC/MURE/MURES00624/MURES00624-1.pdf
michael_ schrieb: > Prinzipiell gehen die trotzdem auch. Weil der Hub bei den deutschen Sendern massiv verringert wurde. Ich war erstaunt, dass der Umbau meines Saba Freudenstadt 125 auf MPX-Stereo so unproblematisch ging. Nun habe ich die Erklärung. Ich habe gestern in einen Technics STS3 die 150KHz Filter eingebaut. Beim Abhören über Kopfhörer auf dem lauten Speicher konnte ich keine Verzerrungen feststellen. Ich werde den mal in Ruhe im Wohnzimmer probehören. Er hat zwei Filter hintereinander und noch ein weiteres nach den ZF-Pre. Schaltbild konnte ich bisher nicht dazu finden. Im Sony ICFSW77 sind zwei Filter verbaut, über Kopfhörer macht der Stereo. Ich werde Euch berichten. Meine Lieblingsseite zu den Filtern: http://earmark.net/gesr/cf.htm LG
Hallo, Verzerrungen sind das kleinere Problem. Die Kanaltrennung nimmt ab, weil zuerst das Differenzsignal gedaämpt wird. Je nach Decoder stört selbst das nicht sofort. Es ist ja AM mit unterdrücktem Träger, je nach Art der Demodulation übersteht die auch ein schwächeres Seitenband ganz gut. Allerdings sollte man das in dem Zusammenhang auch nicht überbewerten. Gute alte Spulendecoder konnten bei sehr gutem Abgleich "über alles" bis 40dB Kanaltrennung schaffen. MC1310 und Abkömmlinge (A290) haben wir nie über 32-34dB bekommen. Schallplatten(spieler) hatten um 22dB... Gruß aus Berlin Michael
Michael U. schrieb: > Verzerrungen sind das kleinere Problem. Die Kanaltrennung nimmt ab, weil > zuerst das Differenzsignal gedaämpt wird. Das wäre der Fall, wenn Du nach dem Diskriminator die Bandbreite beschränkst. Bei Beschränkung der HF-Bandbreite gibt es nicht lineare Verzerrungen im Differenzsignal. Zur Beurteilung höre ich das separat ab. LG
Schau dir das Elenco AM/FM Radio Kit an: http://www.amazon.com/Elenco-Radio-Kit-Combines-Transistors/dp/B008515U1U/ref=sr_1_sc_1?ie=UTF8&qid=1460665859&sr=8-1-spell&keywords=elenko+am+fm
Bitte melde dich an um einen Beitrag zu schreiben. Anmeldung ist kostenlos und dauert nur eine Minute.
  
  Bestehender Account
  
  
  
  Schon ein Account bei Google/GoogleMail? Keine Anmeldung erforderlich!
Mit Google-Account einloggen
Mit Google-Account einloggen
  Noch kein Account? Hier anmelden.


 Thread beobachten
 Thread beobachten Seitenaufteilung abschalten
 Seitenaufteilung abschalten