Wie im Titel schon genannt, ist es möglich, bei einer Wechsel-Kreuz-Wechsel-Schaltung die Phase am Kreuzschalter abzugreifen? Problem ist, das mir eine Ader für einen weiteren Wechselschalter fehlt (Phase). Der geschaltete Draht ist vorhanden. DIesen habe ich auf den Wechselschalter (rote Makierung) gesetzt. Somit habe ich erst einmal die Möglichkeit, den Wechselschalter überhaupt zu nutzen. Jetzt gibt es aber min. eine Schaltstellung, bei der ich über die Schaltung den Wechselschalter mit ausschalte. Dann wenn am ersten Glied der WKW Schaltung ich umschalte. Auf einen der beiden Schaltdrähte ist aber immer Phase. Kann ich diese irgendwie zusammenfügen? Möglichst klein.
Handelt es sich um eine Kreuz-Schaltung wie hier: https://de.wikipedia.org/wiki/Kreuzschaltung oder eine Wechselschaltung wie hier: https://de.wikipedia.org/wiki/Wechselschaltung "Wechsel-Kreuz-Wechselschaltung" sagt mir nicht. Und an einem der Bilder kannst Du vielleicht deutlicher zeigen, was Dein Lösungsvorschlag ist.
Um aber auf Deine Frage noch direkt zu antworten: Prinzipiell müssen immer zwei Adern vorhanden sein. Eine Lösungsmöglichkeit wäre ein Stromstoßrelais.
Hallo, es handelt sich um eine Kreuzschaltung. Abgreifen möchte ich am Kreuzschalter, denn daneben befindet sich ein Wechselschalter, der lediglich eine 20W Halogenlampen über eine Steckdose schaltet. Zum Kreuzschalter sind 4 Leitungen verlegt. Das funktioniert soweit auch. Am Wechselschalter habe ich nur den Schaltdraht zur Steckdose. Nur fehlt mir die Phase. Nun war meine Überlegung, etwas einfaches dort einzubauen. Bei dem ich die Phase von dem 1. oder 2. Schaltdraht neme. Jedoch dürfen die Leiter nicht kurzgeschlossen werden. Im DC Netz hätte man zB Dioden einsetzen können, die in "Flussrichtung" zum Wechselschalter platziert werden, sodass eine Strom nicht zuruckfliessen kann
Du könntest beide korrespondieren über einen Wechselschalter führen was sowas wie eine spar Wechselschaltung gibt aber das Licht würde immer a gehen wenn wer eines der anderen drei Schaltelenenre benutzt
@ Sascha/Er Kurze Vorbemerkung: Es ist hier verpönt mit verschiedenen Nicks zu posten, da das zu Verwirrung führt bzw. führen kann. Ich vermute Du erhälst wenig Antworten, weil Deine verbale Beschreibung für meine Begriffe reichlich unklar (und von unrichtig verwendeten Begriffen durchsetzt) ist. Bei allen meinen Versuchen doch noch etwas zu verstehen, komme ich zu dem Schluss, dass Du zwei Drähte durch einen ersetzen willst; was in diesem Fall nicht geht. Die Kreuzschaltung beruht ja gerade darauf, dass die Phase (oder N vom Verbraucher, das ist Ansichtssache) zwischen jeweils zwei Adern hin- und her geschaltet wird. Wenn aber nur eine Ader da ist, geht das nicht. Es mag aber auch sein, dass ich Deine Beschreibung, trotz meiner Versuche schlicht nicht verstehe. DAS Mittel in der Technik sind Zeichnungen. Das ergibt völlig eindeutige Beschreibungen. Nimm doch einmal die Skizze der Kreuzschaltung aus Wikipedia und ändere und ergänze sie so, dass der gegenwärtige Zustand erkennbar ist. Insbesondere kennzeichne die Ader die Dir fehlt. Daraus machst Du bitte eine zweite Skizze mit Deinem Versuch einer Lösung. Dann sieht man vielleicht klarer.
> Skizze der Kreuzschaltung Bilder sagen mehr als Worte. Wooo schließt Du jetzt was an? WS KS WS seriell ------------ ----------- / \ L>---------* O *-----+ \ / | ------------ ----------- | | N>-------+-X-+------------------------------------+ Lampe Quelle Beitrag "Wechselschaltung und Kreuzschaltung"
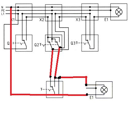
Hier nochmal eine schnelle Laienhafte Zeichnung. Die Kreuzschaltung (2 Wechsler + Kreuz) ist soweit korrekt aufgebaut. Problem ist aber nach wie vor, dass ich in einer Doppeldose keine Dauerphase mehr habe. Wollte nun die 2 Correspondierenden (rote Leitung vom Kreuzschalter) dazu nutzen. Jedoch geht das so nicht, wenn ich in der Kreuzschaltung irgendwo etwas betätige. Ich habe einen Wechsler für die 2. Lampe verbaut. Kann ich das ganze nun irgendwie doch zum Laufen bekommen ohne Relais?
Als Edit: In der Doppelten Dose ist eine 5 Adrige Leitung hineingezogen. 4 Adern sind hierfür bereits für den Kreuzschalter belegt. Die 5 Ader ist der Schaltdraht für die Steckdose. Nun fehlt mir für den Wechselschalter dort (bezieht sich nicht auf die Kreuzschaltung) eine Dauerphase. Zur Verfügung stehen mir aber nur die 2. Correspondierenden vom Wechselschalter. Die Jenach Stellung abwechselnd die Phase bereitstellen. Nicht Funktionsfähige Lösung: Nun könnte man hingehen, und mit einem Relais (1x Wechslerkontakt) hingehen, und den 1. Correspondierenden auf A1 legen. Auf A2 würde der N kommen. Die Lösung funktioniert aus diese Grund schon einmal nicht, ein N ist nicht vorhanden. Wenn am Correspondierenden nun die Phase anliegt, schaltet das Relais und der am Schließerkontakt des Relais wird die Phase an COM weitergelegt. Sollte am 1. Corresspondierenden keine Phase anliegt, so liegt diese auf dem 2. Correspondierenden. Das Relais wird nicht angezogen und vom Öffnerkontakt, an dem der 2. Correspondierende liegt nun die 2. Phase am COM. Aber wie gesagt, das ist nicht realisierbar, da mir N fehlt. Ich brauche eine einfache ODER-Schaltung. Wenn 1C aktiv, dann gebe Phase auf den Wechsler, oder wenn 2C aktiv, dann gebe Phase auf dem Wechsler. Das Problem hier ist, ich kann die beiden Correspondierenden nicht zusammenschalten, da ansonsten die Kreuzschaltung nicht funktioniert.
Sascha schrieb: > Jedoch geht das so nicht, wenn ich in der Kreuzschaltung irgendwo etwas > betätige. Im Bezug auf deine Zeichnung. Das Problem wirst du nicht ganz weg bekommen, es bessert sich aber wenn du vom Kreuzschalter die ankommenden anstatt der weggehenden Leitungen nimmst. Hopix
Dann wäre die Fehlerrate bei 33% anstatt 66%? Habe mir das ganze noch einmal genau angeschaut, finde keine Lösung, die bestehenden Schalter so weiter zu benutzen. Nun werde ich doch Tasterschaltung für die Kreuzschaltung nutzen und ein Stromstoßrelais. Leider komme ich heute an keinen Taster (Gira) mehr ran. Was passiert mit dem Stromstoßrelais (Eltako), wenn es dauerhaft Spannung erhält an A1? Schaltet es nur bei einem positiven Flankenwechsel? Wenn ja, dann bau ich das gleich erst einmal so um mit dem Schaltern und der der Info, Schalter einmal an und dann wieder aussschalten. Taster tausche ich dann morgen aus
Sascha schrieb: > In der Doppelten Dose ist eine 5 Adrige Leitung hineingezogen. 4 Adern > sind hierfür bereits für den Kreuzschalter belegt. Die 5 Ader ist der > Schaltdraht für die Steckdose. Wo ist die Steckdose? Direkt beim Kreuzschalter? Dann hast du doch den N da irgendwie liegen (und hoffentlich auch PE). Kannst du die Steckdose mal Einzeichen
Deine 20W Halogenlampe, ist die für 230V?
Hänge deine Lampen mit zugehörigem Controller an L1/N/PE und benutze die vierte Ader als Busleitung für Steuersignale
Bitte melde dich an um einen Beitrag zu schreiben. Anmeldung ist kostenlos und dauert nur eine Minute.
Bestehender Account
Schon ein Account bei Google/GoogleMail? Keine Anmeldung erforderlich!
Mit Google-Account einloggen
Mit Google-Account einloggen
Noch kein Account? Hier anmelden.
