Hallo Leute, ich versuche gerade einen B2-Stromrichter zu simulieren. Mein Problem ist, dass ich immer wieder Fehler bei LTSpice bekomme. Kann mir jemand sagen woran das liegen könnte? "Singular matrix check node XXX Iteration No.2" Wenn ich die Bauteilwerte verändere bekomme ich andere Fehler! Hab auch schon sehr viele Werte ausprobiert - bring leider nichts. Hab schon diverse Sachen im Internet dazu gefunden ( Kondensator gegen Maße mit wenigen pF etc.) hat leider alles nicht geholfen :-/ Das ist jetzt mein zweiter Versuch beim 1. hab ich einen schönen sinusförmigen Strom erzeugen können. Aber die Spannung war entsprechend abgehackt du die PWM - trotz Glättungselko. Jetzt würde ich gerne einen sinusförmigen Strom und Spannung erzeugen. Vielen Dank im voraus ! Viele Grüße Tobias
Hallo Tobias, die Fehlermeldung bedeutet, dass SPICE deine Schaltung nicht auflösen kann. D.h. das Gleichungssystem das dein Netzwerk beschreibt ist singulär. Probleme macht der Knoten XXX. Du kannst dir die Netlist anzeigen lassen und die jeweiligen Knoten ausfindig machen. In wie weit darf man deine Last variieren? 1 Ohm am 300 Volt ist schon etwas viel... Tobias P. schrieb: > Aber die Spannung war entsprechend abgehackt du die PWM - trotz Glättungselko. Jetzt würde ich gerne einen sinusförmigen Strom und Spannung erzeugen. Und wie genau hast du das vor? Wo ist der Glättungselko?
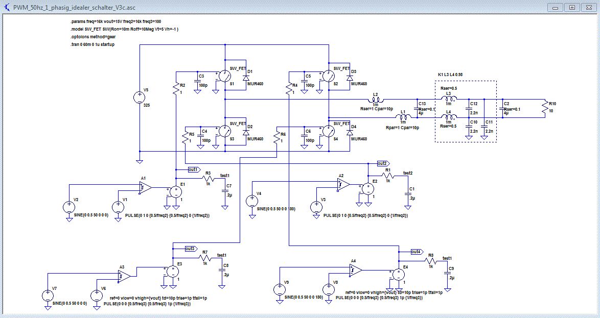
Ich denke der Bringer bezüglich Konvergenzproblemen war die Parallelkapazität in L2. Beachte auch meine Änderungen an den Parametern der Quellen und Schmitttrigger.
Moin, vielen Dank erstmal für Eure Hilfe. Die Simulation läuft auch deutlich stabiler. @Stefan: Ich wollte aus "http://www.lehrbuch-photovoltaik.de/infos.html" den selbstgeführten Wechselrichter simulieren ( siehe Schaltung: lehrbuch.jpg) Ich schalte jetzt pro Zweig nur noch einen Schalter mit PWM Signal, der Zweite bleibt über die Periode geschlossen, Die Induktivitäten halten so den Strom über die Freialufdioden aufrecht. Der Strom sieht ganz gut aus. Aber die Spannung ist immer noch schrecklich. (siehe Bild im Anhang) Die Spannung bricht immer auf den Wert 0V zusammen, müsste der Kondensator nicht dafür sorgen, dass die Spannung zumindest ein wenig aufrecht gehalten wird? Zu dem Bild: Lehrbuch.jpg: "In der ersten Halbperiode der Netzwechselspannung schalten jeweils nur die Transistoren und durch, in der zweiten dann die Transistoren und . Das nachfolgende Tiefpassfilter sorgt dafür, dass nur der gleitende Mittelwert dieser Spannung am Ausgang ankommt; dies ist das gewünschte 50Hz Signal. Dieses hat fast eine ideale Sinusform, allerdings werden durch die schmalen Impulse hochfrequente Signalanteile erzeugt, die ggf. andere an das Netz angeschlossene Geräte (z.B. Radios) stören könnten. Daher wird vor der Einspeisung ins Netzein EMV-Filter nachgeschaltet. DieTransistoreninBild7.12enthaltenalleeinesogenannteBodydiode.Diesesorgt dafür,dass nachdemAbschalteneinesTransistorsderStromdurchdieLängst-Induktivitätnich tplötzlich Null wird (induzierte Spannungsspitze!). Stattdessen übernimmt z.B. die Diode von Transistor den Strom nach Abschalten von Transistor und sorgt so für einen kontinuierlichen Stromfluss. Seiteinigen JahrenistimZusammenhangmittrafolosenWechselrichtern dasProblemderpotentialbedingten Degradation (Potential Induced Degradation –PID)von Dünnschichtmodulenbekanntgeworden.HintergrundistdieTatsache,dassderSolar generator durchdasFehlen einer galvanischen Trennung ein hohes Potential vonz.B.−500Vgegen Erdeaufweisen kann. Bei manchen Dünnschichtmodulen führt dieszu einer Diffusion vonpositiv geladenen Natriumionen aus dem Deckglas in die TCO-Schicht. Wenn gleichzeitig Wasserdampf in die Zelle eindringt, kommt es zu einer elektrochemischen Reaktion, durch die die TCO-Schicht korrodiert.DieFolgeisteinedauerhafteSchädigungdesModulsmitdeutlichenLeis tungseinbußen. DasProblemtrittnurimFallvonSuperstrat-Zellen auf(z.B.CdTeunda-Si,sieheKapitel5),bei denen die TCO-Schicht unmittelbar auf das Deckglas aufgebracht wird [Las08]. Inzwischen gibt es auch bei trafolosen Wechselrichtern Schaltungskonzepte, die eine einseitige Erdung des Solargenerators erlauben [Sah10]. In diesem Fall werden die Natriumionen von der Zelle wegbewegt, so dass die Elektrokorrosion nicht auftritt. Bei Einsatz von Dünnschichtmodulen sollte der Planer einer Anlage immer zunächst prüfen, ob der gewählte Wechselrichter vom Modulhersteller für den jeweiligen Modultypfreigegeben wurde. Auch c-Si-Module können von einem Degradationseffekt aufgrund von hohen anliegenden Spannungen gegenüber dem Erdpotential betroffen sein. Hier kommt es in feuchter Umgebung aufgrund des hohen anliegenden Potentials ggf. zu Leckströmen von den Zellen zum Rahmen. Die Folge sind vermehrte Rekombinationen der durch Licht erzeugten Ladungsträger.DiePIDistnichtzwangsläufigmiteinerSchädigungdesModulsverbun denwieimFallder Dünnschichtmodule, sorgt aber bei manchen Modultypen für eine Leistungsreduzierung von z.B. 20 Prozent (siehe Kapitel 9). Im Folgenden sehen wir uns genauer die Alternativen zum trafolosen Wechselrichter an unddiskutieren dieVor-und Nachteile." Hat einer eine Idee, was ich gegen die zerhackte Spannung tun kann?? Viele Grüße Tobias
Du könntest ja noch ein Common Mode Filter einbauen. Das sind gekoppelte Spulen. Solche Filter inclusive Kondensatoren kann man auch komplett kaufen.
Super, vielen Dank an euch erstmal!!!! Tolles Forum! BTT: Kann es sein, dass die Schaltung sich ein wenig wie ein Boost Converter verhält? Oder wie lassen sich die Potentialsprünge erklären? Hab ihr eine Idee wie man das Potential der negativen Halbwelle wieder "herabsetzen" kann? Viele Grüße Tobias
> Hab ihr eine Idee wie man das Potential der negativen Halbwelle wieder > "herabsetzen" kann? zwischen welchen punkten greifts du denn die spannung ab? ich schätze mal gegen masse?
Das war mein Fehler, deswegen die komischen Verläufe. Auf die Last bezogen sieht alles super aus - schön sinusförmig. Nochmal vielen Dank an alle !!! VG Tobias
Bitte melde dich an um einen Beitrag zu schreiben. Anmeldung ist kostenlos und dauert nur eine Minute.
Bestehender Account
Schon ein Account bei Google/GoogleMail? Keine Anmeldung erforderlich!
Mit Google-Account einloggen
Mit Google-Account einloggen
Noch kein Account? Hier anmelden.





