Hallo zusammen! Hier im Haus ist die Verkabelung "ein wenig" ungünstig
gemacht worden. Es hängen die beiden Stockwerke hier zusammen an einem
einzigen RCD. D.h. wenn irgendwo ein Fehlerstrom auftritt (unser
Backofen ist da hin und wieder ein Kandidat dafür...), ist die ganze
Bude dunkel, inkl. Server etc., was natürlich suboptimal ist.
Ich würde also gerne für die kritischen Stromkreise zwei RCDs
nachrüsten.
1. In meinem Arbeitszimmer, dass ich dort beim Experimentieren nicht
gleich das ganze Haus stromlos machen kann
2. Im Technik/Server/NAS Raum, damit der weiterläuft, auch wenn der Rest
ausfällt.
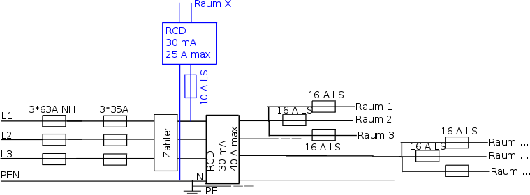
Siehe Grafik: Das schwarze ist ein VEREINFACHTES Bild, wie es aktuell
aussieht. Das blaue ist die angedachte Verkabelung für EINEN Raum.
(Anschluss einphasig. Mehr als 2kW werde ich nie benötigen. Aktuell ist
1,5mm² verlegt, was ich ungern ändern will. Ich würde eine 10A Sicherung
setzen, Verlegeart kann ich nicht absolut sicher bestimmen, da hat sich
ja nochmal was getan, weshalb 16A eventuell gar nicht mehr zulässig sein
könnte -> Mit 10A sollte ich aber auf jeden Fall auf der sicheren Seite
sein).
Nun zu den Fragen:
- Ich brauch einen RCD, der mindestens den Strom der vorhergehenden
Sicherung ab kann. Da ich mir nicht unbedingt für einen einzelnen Raum
einen 40 A RCD leisten will, hätte ich den Leitungsschutzschalter (10 A)
vor den RCD gesetzt, anstatt danach. Dann kann ich auch einen 25A (bzw.
>=10A) RCD Typ nehmen. Ist das soweit korrekt? Meines Wissens nach darf
der LSS vor dem RCD gesetzt werden (was natürlich Nachteile hat bzgl.
Flexibilität, die hier aber nicht relevant sind, da ich an diesen RCD
niemals mehr als diesen einen Raum hängen will). Kombinierter RCD+LSS
hab ich mir angesehen, war aber teurer.
- Der Draht von der Verteilung hin zum LSS (die blaue Linie zum LSS):
Darf dort 1,5mm² verwendet werden? Oder brauch ich den passenden Draht
für die 35A der Sicherung zuvor, obwohl ich direkt im Anschluss nochmal
mit 10A absichere? Mir ist bewusst, dass 1,5mm² dort durch die 10A
Absicherung definitiv kein Problem wären, aber wie sieht das von den
Vorschriften her aus?
Bevor wer meckert: Ich versuche zu VERSTEHEN, was/wie das sein muss, ich
will nicht planlos herumfrickeln. Ich versuche aktuell festzustellen,
welche zusätzlichen Bauteile ich benötigt bzw. was ich beibehalten kann.
Bevor da irgendwas in Betrieb geht, hab ich vor, dass ich einen
Elektriker drüberschaun lasse.
Die Leitung zum Automat, muss so dimensioniert werden, dass ein wegbrennen beim Kurzschluss nicht möglich ist. Sprich er sollte ein 10mm² sein. Der Rest kann 1,5mm² sein, obwohl ich gerne auch den N-Leiter zum FI mit 10mm² mache.
Ich würde aber gleich eine RCD/LS nehmen. Also RCD mit Schutschlater in einem. Grad beim Nachrüsten sollte das einfacher sein....
nachrüster schrieb: > Ich brauch einen RCD, der mindestens den Strom der vorhergehenden > Sicherung ab kann. falsch. Wenn hinter dem FI nur ein 16A Automat ist, reicht auch ein FI mit >= 16A. die Vorsicherung spielt dann keine rolle.
Die Stromangabe des FIs bezeichnet hauptsächlich das Abschaltvermögen des FIs. Du musst nur irgendwie sicher stellen dass nicht mehr Strom fließen kann. Bei dem 40A-3-Phasen-FI in deinem Beispiel sind das die 35A-Sicherungen davor. Wenn die Summe der nachgeschalteten Sicherungen/LS den Wert des FIs nicht überschreitet gilt aber auch das. Gerade wenn nur einzelne Kreise nachgerüstet werden sollen finde ich die Kombi-RCD/LS toll weil sie nur 2 TE Platz brauchen. Sind aber halt etwas teuer. Wenn du eh schon die Verteilung änderst würde ich mir generell mehr FIs überlegen, z.B. für jedes Stockwerk extra. Ich nehme gerne einen FI für Bad&Küche und einen zweiten für den Rest. Bewährt hat sich auch eine unabhängig von den FIs der Wohnung abgesicherte Hutschienensteckdose im Verteiler. Wenn man dann irgendwas am Verteiler machen muss kann man mit den FIs freischalten und hat immer noch Strom für eine Baulampe.
Bitte melde dich an um einen Beitrag zu schreiben. Anmeldung ist kostenlos und dauert nur eine Minute.
Bestehender Account
Schon ein Account bei Google/GoogleMail? Keine Anmeldung erforderlich!
Mit Google-Account einloggen
Mit Google-Account einloggen
Noch kein Account? Hier anmelden.
