Hallo Ich möchte eine Spannung von ca 200V mit Strombegrenzung haben. Es muss eine High-Side Regulierung sein. Leider fand ich bei Google nur Schemas für Kleinspannungen, ich hab nun hald mal bisschen bei LT-Spice rumexperimentiert, und komme auf ein in der Simulation funktionirendes Ergebniss. Die Schaltung ist anbei. Leider musste ich schon oft feststellen, das Dinge die in LT-Spice funktionieren, im Aufbau dann aber nicht. Wird diese Schaltung funktionieren?
Nein, komplett falsch aufgebaut. Warum beachtet heute kaum noch jemand die Unterschiede zwischen NPN- und PNP-Transistoren und die Beschaltung von Basis, Kollektor und Emitter?
Johnny S. schrieb: > Wird diese Schaltung funktionieren? Vielleicht. Besser aber so: https://www.mikrocontroller.net/articles/Konstantstromquelle#Konstantstromquelle_mit_bipolaren_Transistoren
Johnny S. schrieb: > Leider musste ich schon oft feststellen, das Dinge die in LT-Spice > funktionieren, im Aufbau dann aber nicht. Kein Wunder. Ein 150V Transistor an 200V ? Es müssten auch ca. 12mA fliessen, es fliessen aber nur 5.8mA. Da müsste jemandem aufflane, daß die Schaltung völlig verkehrt ist. Die Emitter sind an der falschen Seite. Und wenn dann bei 2900V wirklich 12mA fliessen wären das 2.4 Watt am Transistor, der maximal 0.625W aushält. LTSpice sollte für dich auch glühende und explodierende Transistoren simulieren.
Andreas S. schrieb: > Nein, komplett falsch aufgebaut. Warum beachtet heute kaum noch jemand > die Unterschiede zwischen NPN- und PNP-Transistoren und die Beschaltung > von Basis, Kollektor und Emitter? Ist nicht von mir, http://laserpointerforums.com/attachments/f67/41896d1369541996-constant-current-diode-driver-easy-driver.jpg Aber scheinbar dann wohl auch da falsch. Michael B. schrieb: > Johnny S. schrieb: >> Leider musste ich schon oft feststellen, das Dinge die in LT-Spice >> funktionieren, im Aufbau dann aber nicht. > > Kein Wunder. > Ein 150V Transistor an 200V ? > > Es müssten auch ca. 12mA fliessen, es fliessen aber nur 5.8mA. Da müsste > jemandem aufflane, daß die Schaltung völlig verkehrt ist. Die Emitter > sind an der falschen Seite. > > Und wenn dann bei 2900V wirklich 12mA fliessen wären das 2.4 Watt am > Transistor, der maximal 0.625W aushält. > > LTSpice sollte für dich auch glühende und explodierende Transistoren > simulieren. Gut, das ging vergessen. Leider gibt’s aber keinen 200 V Tansistor :(
Johnny S. schrieb: > Ist nicht von mir, > http://laserpointerforums.com/attachments/f67/41896d1369541996-constant-current-diode-driver-easy-driver.jpg > > Aber scheinbar dann wohl auch da falsch. Hä ist doch ne komplett andere Schaltung als bei dir oben.
Blub schrieb: > Johnny S. schrieb: >> Ist nicht von mir, >> > http://laserpointerforums.com/attachments/f67/41896d1369541996-constant-current-diode-driver-easy-driver.jpg >> >> Aber scheinbar dann wohl auch da falsch. > > Hä ist doch ne komplett andere Schaltung als bei dir oben. Ist doch genau die selbe schaltung, nur andere Werte?
Johnny S. schrieb: > Aber scheinbar dann wohl auch da falsch. Nein, dort ist doch eine komplett andere Schaltung dargestellt, die nur ganz entfernt mit Deiner zu tun hat. Lies Dich gefälligst in die Grundlagen der Schaltungstechnik mit Transistoren ein! Wenn man überhaupt keine Ahnung von elektronischen Bauteilen hat, sollte man auch nicht mit gefährlich hohen Spannungen herumbasteln.
Johnny S. schrieb: > Ist doch genau die selbe schaltung, nur andere Werte? nein, ist sie nicht. Schau dir die Orientierung der Transistoren an. Johnny S. schrieb: > Gut, das ging vergessen. Leider gibt’s aber keinen 200 V Tansistor :( Das ist jetzt als Witz gemeint, oder?
Johnny S. schrieb: > Ist doch genau die selbe schaltung, nur andere Werte? Nein, die Schaltungen haben außer der gleichen Anzahl an Bauelementen überhaupt nichts gemeinsam.
Andreas S. schrieb: > Warum beachtet heute kaum noch jemand die Unterschiede zwischen NPN- > und PNP-Transistoren und die Beschaltung von Basis, Kollektor und > Emitter? Dabei ist es sooooo einfach: der Strom fließt von + nach - und er fließt in Pfeilrichtung. Wenn man sich das mal verinnerlicht hat, dann erkennt man eine verpolte Diode sofort und falsch eingebaute Transistoren nicht wesentlich später...
Johnny S. schrieb: > Gut, das ging vergessen. Leider gibt’s aber keinen 200 V Tansistor :( Für eine mit 200V betriebene Schaltung sollte man auch lieber einen deutlich spannungsfesteren Transistor verwenden, der zudem auch noch die zuvor berechnete maximale Verlustleistung unter den realisierbaren Entwärmungsverhältnissen aushält.
Lothar M. schrieb: > Dabei ist es sooooo einfach: der Strom fließt von + nach - und er fließt > in Pfeilrichtung. Wenn man sich das mal verinnerlicht hat, dann erkennt > man eine verpolte Diode sofort und falsch eingebaute Transistoren nicht > wesentlich später... Bei MOSFETs muss man da aber aufpassen, denn bei den üblichen Bauformen mit intern verbundenen Source- und Bulk-Anschlüssen zeigt der Pfeil in die umgekehrte Richtung.
Achim S. schrieb: > Johnny S. schrieb: >> Gut, das ging vergessen. Leider gibt’s aber keinen 200 V Tansistor :( > > Das ist jetzt als Witz gemeint, oder? Nein, bei LT Spice ist der Tranistor 2N5401, mit 150V, der mit der höchsten Spannung
Johnny S. schrieb: > Nein, bei LT Spice ist der Tranistor 2N5401, mit 150V, der mit der > höchsten Spannung ok. Aber außerhalb von LTSpice gibt es schon welche. Und ggf. kann man deren Modelle sogar in LTSpice einpflegen.
Johnny S. schrieb: > So besser? Simuliers doch mal mit verschiedenen Werten für R1, dann siehst du ja, ob der Strom durch ihn konstant bleibt, das ist ja der Witz an der Sache. Ein z.B. BF470/BF472 ist bei 300V noch gut zu gebrauchen, sollte aber gekühlt werden.
Andreas S. schrieb: > Bei MOSFETs muss man da aber aufpassen, denn bei den üblichen Bauformen > mit intern verbundenen Source- und Bulk-Anschlüssen zeigt der Pfeil in > die umgekehrte Richtung. Er zeigt zumindest in die Richtung der Bulk-Diode. Und natürlich muss man eine Z-Diode auch "verkehrt herum" einbauen...
Charmant, wie hier wieder geholfen wurde. Und da behaupten einige von mir ich wäre asozial. Den Hinweis auf die Bedeutung der Transistorpfeile mal zu erklären ist wohl keinem in den Sinn gekommen? Zumindest hätte dann die Simulation funktioniert. Wenn es in der Realität dann zum abfackeln der Bauteile gekommen wäre, wäre die Hochspannungsfestigkeit dann leichter zu ergründen zu sein.
Matthias S. schrieb: > Johnny S. schrieb: >> So besser? > > Simuliers doch mal mit verschiedenen Werten für R1, dann siehst du ja, > ob der Strom durch ihn konstant bleibt, das ist ja der Witz an der > Sache. > > Ein z.B. BF470/BF472 ist bei 300V noch gut zu gebrauchen, sollte aber > gekühlt werden. Ich hätte jetz diese hier genommen, weil davon noch welche rumliegen, sieht dem BF470 recht ähnlich. https://www.fairchildsemi.com/datasheets/KS/KSA1381.pdf Wie stark muss denn sowas gekühlt werden bei 200V? (wobei 200 die maximale Spitze ist)
Johnny S. schrieb: > Wie stark muss denn sowas gekühlt werden bei 200V? P=U*I , wobei I ja dein Konstantstrom ist. Wieviel U an dem Transistor abfällt, hängt natürlich von deinem Arbeitswiderstand ab, simuliers mal. Johnny S. schrieb: > Ich hätte jetz diese hier genommen, weil davon noch welche rumliegen, > sieht dem BF470 recht ähnlich. > https://www.fairchildsemi.com/datasheets/KS/KSA1381.pdf Jo, der ist praktisch das gleiche wie der BF472.
nemesis... schrieb: > Den Hinweis auf die Bedeutung der > Transistorpfeile mal zu erklären ist wohl keinem in den Sinn > gekommen? Jemand zeigt ein Bild von einer Transistorschaltung mit etwas Text drumrum: er hat sich auf der Benutzeroberfläche des Programmes bewusst dafür entschieden. Das ist zumindest meine Hoffnung auf das Gute in allen. Allerdings kann ich das gezeigte Bild nicht von einem unterscheiden, dass von einem dressierten Affen durch zufällige Interaktion mit dem Computer entstanden ist.
nemesis... schrieb: > Den Hinweis auf die Bedeutung der Transistorpfeile mal zu erklären ist > wohl keinem in den Sinn gekommen? Hab ich doch: sie zeigen die Stromrichtung an. Oder gibt es eine einfachere, bessere und nicht zusätzlich verwirrende Erklärung? Mit dieser Regel finde ich auf jeden Fall auf Anhieb die eklatantesten Fehler. Drüber hinaus muss man einfach mal mitdenken...
Johnny S. schrieb: > So besser? Deutlich besser, könnte sogar funktionieren wenn du die passenden Transistoreen findest.
Lothar M. schrieb: > Drüber hinaus muss man einfach mal mitdenken... Mein Reden, aber da hier JEDER einen Thread eröffnen kann und seine Grundkenntnisse nicht darlegen muss, muss man sich darauf einstellen das erst mal heraus zu bekommen. Ansonsten kann man doch gar nicht sicher sein ob die Antworten überhaupt verstanden werden. Wenn ich dann so was lese, muss ich wohl annehmen das der TO eher Null-Ahnung hat: Johnny S. schrieb: > Wie stark muss denn sowas gekühlt werden bei 200V? (wobei 200 die > maximale Spitze ist) An Kühlen braucht man da erst mal nicht zu denken. Die Spannungsfestigkeit von Halbleitern ist Konstruktionsbedingt so ausgelegt das entsprechende starke Sperrschichten im Kristall (was durch dotieren bei der Fertigung erreicht wird) der Nennspannung genügend ausreichenden Widerstand entgegen wirkt, so das kein Elektronenfluss entsteht und der Halbleiter nicht leitet oder sogar schlimmstenfalls durchschlägt und dann kaputt ist. Da braucht auch erst mal kein Strom (Sperrbetrieb) fließen wenn die Spannung am höchsten ist. Im Durchlassbetrieb, wenn dann ein Strom fließt und die Spannung am Kristall meist niedriger ist, entsteht dann Verlustleistung die in Wärme umgewandelt wird. Die muss man dann kühlen, wenn es erforderlich ist, aber das kann man dann meist auch berechnen. Einen kleinen Teil Wärme kann ein Halbleiter auch ohne zusätzliche Kühlung abführen. Erst wenn die Verlustleistung kritische Werte annimmt, wird man um zusätzliche Kühlung nicht herum kommen. (Hätte nicht gedacht im Leben diese Grundlagen noch mal herunter zu beten). ;-b
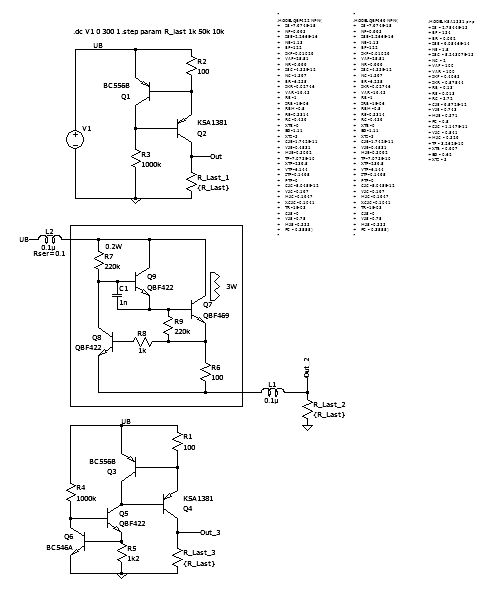
Hallo Johnny, so wie in dem eingerahmten Kasten des angehängten Schaltbildes könnte man die Strombegrenzung bauen. Beachte die Verlustleistung von Q1 mit 3W und R2 mit 0,2W. Das bedeutet man benötigt einen Kühlkörper für Q1. Für R2 würde ich einen 0,5W Widerstand nehmen. Die Datei(.asc) beinhaltet den Schaltplan für LTspice. Gruß helmut
Hi, ich finde die letzte Schaltung von Johnny SGT schon ok. Q1 braucht kein 250-V-Transistor sein und R1 kann man in 1 Meg ändern, was ein knappes halbes Watt sparrt. Die Schaltung von Helmut ist meines Erachtens schlechter. Wenn mehr konstants gegen Änderungen der Eingangsspannung gebraucht wird, hilft eine zweite KSQ mit Q5/Q6. Grüße
Hier noch eine Schaltung, die ein anderer Bastler genau so schon verbaut hat (seine Aussage..) Bräuchte weniger Bauteile, und funktioniert zumindest in LTSpice.. Und den Kühlkörper könnte man sich ja bei geeignetem MosFET auch sparen.
Hi, die Schaltung ist Müll. Ich dachte du hast den KSA1381 schon? Bau die Schaltung damit. Grüße
Johnny S. schrieb: > Und den Kühlkörper könnte man sich ja bei geeignetem MosFET auch sparen. Erkläre mal bitte wie?
Der Andere schrieb: > Johnny S. schrieb: >> Und den Kühlkörper könnte man sich ja bei geeignetem MosFET auch sparen. > > Erkläre mal bitte wie? Die meisten Transistoren die man in der Spannungsklasse finden haben eine Power Dissipation < 3W Die Mosfets die ich hier rumliegen habe, haben in der Spannungsklasse um 35W...
Hier noch das Orginalschema was mir für die 2te Variante gegeben wurde. Die D1 ist angeblich nur für ESD-Schutz.
Ist die Transistorvariante wirklich die bauteilsparendste? Was müsste man machen wenn der Strom verstellbar sein soll?
Die Schaltung mit einem PMOS-Transistor oder einem PNP-Transistor ist wirklich die Schaltung mit dem geringsten Aufwand. Um den Strom einstellbar zu machen, muss man entweder den Widerstand zwischen Source bzw. Emitter und +200V umschaltbar machen oder mit einem Poti plus Vorwiderstand einstellbar machen. Alternativ könnte man auch die Steuerspannung zwischen Gate bzw. Basis und +200V veränderbar machen. Und immer daran denken, 3W Verlustleistung sind angesagt bei 15mA. Dafür benötigt man immer einen Kühlkörper. Wenn man mehr Strom haben will, dann hat man entsprechend noch mehr Verlustleistung im Falle eines Kurzschlusses.
Im Prinzip ja. Die zusätzliche Z-Diode ist ganz wichtig. Die begrenzt die Gate-Source Spannung auf einen ungefährlichen Wert (<20V). Es kaum PMOS-Transistoren mit 250V im TO220 Gehäuse. Für die Simulation habe ich als schnellen Hack einen 200V-Typ genommen. Den Transistor könntest du nehmen: 250V, TO220, IRFI9634G, SiHFI9634G http://www.vishay.com/docs/91168/91168.pdf http://www.vishay.com/mosfets/list/product-91168/
Hi, soll die Schaltung so funktionieren? Die Schaltung funzt erst ab 75 Volt. Die Strombegrenzung ist abhängig von der Eingangsspannung. Durch die hochohmigen Gatewiderstände ist sie doch recht langsam. Grüße
Die Schaltung ist für konstante 200V ausgelegt. Wenn man das für variable Werte der Versorgungsspannungen haben will, dann muss der 25kOhm Widerstand durch eine Z-Diode ersetzt werden und es muss natürlich auch genügend Strom für die Z-Diode bereitgestellt werden. Die 500kOhm sind dann viel zu hochohmig.
Hi, Johnny S. schrieb: > (wobei 200 die > maximale Spitze ist) ich habe es so verstanden, dass die Spannung nicht konstant 200V beträgt. Grüße
> Ich möchte eine Spannung von ca 200V mit Strombegrenzung haben.
Ich hatte obiges gelesen aber egal, dem TO wurde inzwischen genug
erzählt wie er es machen könnte.
Die Eingangspannung ist verstelltbar, zwischen ca 170 und 200V, wenn sie gestellt ist aber konstant. Ich habe nun in der Schaltung von Helmut mal den 25k Widerstand durch ein Poti ersetzt, damit kann ich nun den Strom anpassen.
Leider kann auch das nicht die Lösung sein :( Ich habe nun mal noch etwas angepasst, nämlich die Schaltzyklen, scheinbar erscheint immer beim einschalten ein hoher strom. Wie kann ich das beheben, das in JEDEM FALL nur ein konstanter Strom fliessen kann.
Johnny S. schrieb: > Hier noch eine Schaltung, die ein anderer Bastler genau so schon verbaut > hat (seine Aussage..) Ist her Frankensteins Gruselkabinett ? Johnny S. schrieb: > Hier noch das Orginalschema was mir für die 2te Variante gegeben wurde. Deutlich anders. > Die D1 ist angeblich nur für ESD-Schutz. Da hat wohl jemand die Schaltung nicht verstanden, und alles weggelassen, was er nicht verstanden hat. Johnny S. schrieb: > Leider kann auch das nicht die Lösung sein :( Ach ?
Hi, Felsentreu schrieb: > Ich dachte du hast den KSA1381 schon? Bau die Schaltung damit. Johnny S. schrieb: > Wie kann ich das beheben, das in JEDEM FALL nur ein konstanter Strom > fliessen kann. Geht nicht wenn man schnell schaltet. Den Spikes kann man mit einem Reihenwiderstnd in der 200V Leitung entgegen wirken. Grüße
Felsentreu schrieb: > Hi, > > Felsentreu schrieb: >> Ich dachte du hast den KSA1381 schon? Bau die Schaltung damit. > Joa, ich nehm glaubich die Transistorschaltung und seh mal wie in wirklichkeit die Temparatur ist und ob es wirklich nen Kühlkörper braucht, dafür ist eigentlich kein platz. Schlimm genug das ich einen THT Transistor montieren muss :( Was mir immer noch ein Rätsel ist, warum da 3W verbaucht werden sollen. Der Verbraucher mit 6mA hat bei 200V ja nur 1.2W.
Der Strombegrenzungstransistor soll doch eine Kurzschluss aushalten oder etwa doch nicht? P = 200V*15mA = 3W
So, ich denke mal das sollte die beste lösung sein. Mit R2 kann ich den Strom einstellen
Meinst Du nicht, daß ein Poti mit nur 20 Umdrehungen viel zu grob ist, um den Strom mit der geforderten Präzision einzustellen? Und außerdem sollte es eine Spezialausführung sein, mit geringem Temperaturkoeffizienten - nicht daß Dir nachher durch Temperaturänderung der mühsam justierte Stromwert wegläuft! (SCNR)
Naja, laut Simulation passt es doch? Und solche mir viel mehr umdrehungen finde ich nicht. Ich wollte so einen kleinen blauen trimmer benutzen. und ~2mA/20 sind etwa 200uA pro umdrehung. Das sollte genügen :) Passende Widerstände auf 4mA, 5mA, 6mA und dann Steckbrücken währen auch ne möglichkeit, aber da kann man dann hald nichts verstellen.
Johnny S. schrieb: > Naja, laut Simulation passt es doch? Dann solltest Du zunächst einmal begreifen, wo die Grenzen von Simulationen liegen. > Und solche mir viel mehr umdrehungen finde ich nicht. Ich wollte so > einen kleinen blauen trimmer benutzen. und ~2mA/20 sind etwa 200uA pro > umdrehung. Das sollte genügen :) Zum einen kannst Du offenbar nicht rechnen, denn 2mA/20 sind 100uA und nicht 200uA, und zum anderen ist es in den meisten Fällen eine sehr schlechte Idee, den Arbeitsstrom über den Schleifer eines Potentiometers bzw. Trimmers fließen zu lassen. Potentiometer dienen zur präzisen Einstellung von Teilungsverhältnissen, nicht Absolutwiderständen. Ansonsten spielt nämlich der zeitlich und temperaturmäßig durchaus stark schwankende Widerstand an der Kontaktstelle zwischen Schleifer und Widerstandsbahn eine ganz erhebliche Rolle. Nur wenige, meist drahtgewickelte Hochlastpotentiometer erlauben einen hohen Schleiferstrom.
Johnny S. schrieb: > solche mir viel mehr umdrehungen finde ich nicht. sorry, ich bin etwas verunsichert, ob Du verstanden hast, daß mein Beitrag rein sarkastisch gemeint war!? Nicht, daß Du am Ende noch tatsächlich nach einem 40-Gang Präzisionspoti suchst... Also, zur Klarstellung: mit der zu erwartenden Präzision der Gesamtschaltung, insbesondere der Temperaturdrift, kannst Du getrost ein billiges Standard-Poti mit 270 Grad Weg nehmen. Jeder Versuch, den Strom auf Genauigkeiten im Zehntel mA-Bereich oder besser einzustellen, ist überflüssiger Aufwand, weil sich der Strom mit ein paar Grad Temperaturänderung schon mehr verändern wird.
Hi, Q1 braucht kein 250V Typ zu sein, der sieht nur 1,4 V. Gib mal in deine Simu.
1 | .step temp list 5 40 |
ein. Dann weißt du was Thomas Elger meint. Andreas S. schrieb: > Dann solltest Du zunächst einmal begreifen, wo die Grenzen von > Simulationen liegen. Erkläre doch bitte, wo hier die Grenzen der Simulation sein sollen. Grüße
Bitte melde dich an um einen Beitrag zu schreiben. Anmeldung ist kostenlos und dauert nur eine Minute.
Bestehender Account
Schon ein Account bei Google/GoogleMail? Keine Anmeldung erforderlich!
Mit Google-Account einloggen
Mit Google-Account einloggen
Noch kein Account? Hier anmelden.










