Hallo, ich bin neu hier und wollte mal fragen, ob es möglich ist, z.B einen 27MHz Quartz durch einen 17MHz Quartz zu tauschen, also praktisch den Takt zu ändern, oder ob sowas zu Kurzschlüssen führen würde? ~Corn
Frei nach Radio Eriwan: Im Prinzip ja, aber es kommt darauf an, ob der Oszillator dafür ausgelegt ist.
Meine Glaskugel ist leider grade kaputt. Also lass mal mehr Infos rüberwachsen bei was jetz nen anderes Quarz rein soll.
Hallo, das wird nicht funktionieren. Denn ein Quarz schwingt nicht von alleine, sondern er wird durch einen Ozillator lediglich zum Schwingen mit seiner Eigenfequenz angeregt. Der Quarz dient also nur dazu, um die auftretenden Toleranzen im Oszillator zu minimieren. Es sei denn, Du hast ein Quarzoszillator mit 4 Anschlüsse. Da befinden sich Quarz, Oszillator und Verstärker in ein und dem selben Gehäuse. MfG. Zeinerling
Natürlich funktioniert das Kurzschlüsse gibt es keine wenn du beim Einbau keinen machst... Thomas
Werner F. schrieb: > Der Quarz dient also nur dazu, um die auftretenden Toleranzen im > Oszillator zu minimieren. Die gängigen Oszillator Schaltungen in der Digitaltechnik kommen mit fast jedem Quarz zurecht. Bitte etwas mehr Vertrauen in die Technik :-)
Georg G. schrieb: > Die gängigen Oszillator Schaltungen in der Digitaltechnik kommen mit > fast jedem Quarz zurecht. Bitte etwas mehr Vertrauen in die Technik :-) Blödsinn was Du da schreibst! Ein analoger Quarzoszillator besteht aus einem Schwingkreis, einem Verstärker und einem Quarz meist in der Rückkoppelung. Wenn denn nun der Schwingkreis eine Resonanz von 27,2 MHz hat, wird der Ozillator ohne den Quarz in der Rückkoppelung auch mit 27,2 MHz schwingen. Wenn jetzt ein 27,00 Mhz Quarz hinzu kommt, korrigiert er lediglich die falsche Frequenz von 27,2 Mhz auf die Eingenresonanz von dem Quarz mit 27,00 Mhz, weil er ja durch den Oszillator zum Schwingen angeregt wird. Wenn man denn jetzt den Quarz gegen einen 17,00 MHZ Quarz austauscht, würde die Dämfung von der Rückkoppelung so groß werden, dass der Verstärker nicht mehr arbeitet. Folglich schwingt dann der Oszillator nicht mehr. Denn die Resonanz von dem Schwingkreis bleibt ja bei 27,2 MHz. Wie das mit den digitalen Oszillatoren funktioniert, weiß ich nicht. MfG. Zeinerling
Werner F. schrieb: > Ein analoger Quarzoszillator besteht aus einem Schwingkreis, einem > Verstärker und einem Quarz meist in der Rückkoppelung. > Wenn denn nun der Schwingkreis eine Resonanz von 27,2 MHz hat, wird der > Ozillator ohne den Quarz in der Rückkoppelung auch mit 27,2 MHz > schwingen. > Wenn jetzt ein 27,00 Mhz Quarz hinzu kommt, korrigiert er lediglich die > falsche Frequenz von 27,2 Mhz auf die Eingenresonanz von dem Quarz mit > 27,00 Mhz, weil er ja durch den Oszillator zum Schwingen angeregt wird. > Wenn man denn jetzt den Quarz gegen einen 17,00 MHZ Quarz austauscht, > würde die Dämfung von der Rückkoppelung so groß werden, dass der > Verstärker nicht mehr arbeitet. Folglich schwingt dann der Oszillator > nicht mehr. Denn die Resonanz von dem Schwingkreis bleibt ja bei 27,2 > MHz. Da dieser Thread im Forum für "Mikrocontroller und Digitale Elektronik" steht, gehe ich mal davon aus, dass der Oszillator eines Mikrocontrollers gemeint ist (Taktgenerator). Moderne Mikrocontroller haben einen (internen) Pierce-Oszillator. Dieser hat einen Quarz in der Rückkopplung, aber keinen LC-Schwingkreis. Entsprechend ist die Schwingfrequenz auch (fast) nur von diesem abhängig. Von daher würde ich sagen, dass es ohne Probleme möglich ist, den Quarz auszutauschen. Dies auch, da die Frequenz verringert wird und man so nicht an die obere Frequenzgrenze der Oszillatorschaltung kommt. Je nach Anwendung kann das allerdings zu Timing Problemen führen, wenn dein Controller weiterhin von 27MHz ausgeht. Wie gesagt, natürlich nur wenn es denn überhaupt ein MCU ist. mfg
Werner F. schrieb: > Wie das mit den digitalen Oszillatoren funktioniert, weiß ich nicht. Wenn du es gar nicht weißt, warum schreibst du dann: Werner F. schrieb: > Blödsinn was Du da schreibst! Die Bemerkung von Georg war goldrichtig, auch wenn du sie als "Blödsinn" darstellen willst: Georg G. schrieb: > Die gängigen Oszillator Schaltungen in der Digitaltechnik kommen mit > fast jedem Quarz zurecht. Bitte etwas mehr Vertrauen in die Technik :-) Gleich im nächsten Beitrag wird es nochmal bestätigt: Danish B. schrieb: > Moderne Mikrocontroller haben einen (internen) Pierce-Oszillator. > Dieser hat einen Quarz in der Rückkopplung, aber keinen LC-Schwingkreis. Die Mikrocontroller zeigen ja, daß es funktioniert und eben kein "Blödsinn" ist. Und übrigens: Die Oszillatoren im einem Mikrocontroller sind auch nicht "digital", sondern analog. Deren Taktausgang steuert dann zwar den digitalen µC an, aber die Quarzschwingung ist analog.
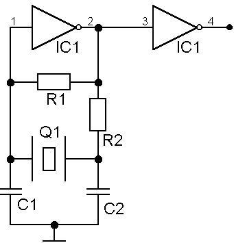
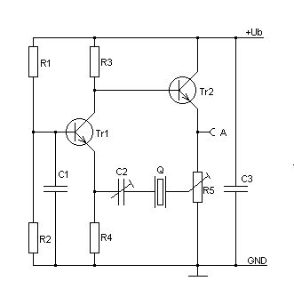
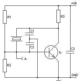
Hallo Werner, hier mal paar Beispiele für Quarzoszillatoren. Alle ohne Schwingkreis. Und alle funktionieren mit Quarzen unterschiedlicher Frequenz.
Gerade wurden nicht alle Bilder angehängt. Mist, colpitts ist doppelt... Naja, nicht so schlimm. Dient ja nur zur Information :-)
Der Fragesteller hat doch gar nichts von Mikrocontroller gesagt. 27MHz klingt eher nach Funkfrequenz und da sind die 27MHz Quarze meistens Obertonquarze. Die schwingen dann nicht mit einem 17MHz Quartz. @Corn Zeig mal den Schaltplan des Oszillators.
@Helmut: Die 27MHz könnten schon auf eine Fernsteuerung hinweisen, aber: Corn schrieb: > also praktisch den Takt zu ändern, Hm, das deutet schon ein wenig auf Digitaltechnik hin... Na mal sehen, was "Corn" sagt. :-)
Meintest du das so? Wie gesagt bin da neu auf dem Gebiet Quarz und in dem Forum hier. Bin auch in Elektrotechnik allgemein noch Anfänger
Helmut S. schrieb: > Der Fragesteller hat doch gar nichts von Mikrocontroller gesagt. Aber die Frage im Forum 'Mikrocontroller und Digitale Elektronik' gestellt. Und auch wenn es nach CB-Funk und Fernsteuerungen klingt, Analogtechnik ist nebenan.
Ich hätte gern deine Schaltung gesehen. Auf dem Bild ist ein 8MHz Quartz an einem ATmega 8. Da ist weit und breit kein 27MHz Quartz zu sehen. Deshalb gehe ich davon aus, dass das nicht deine Anwendung ist.
Also den Mega8 kannst du eigentlich sowieso nicht mit 27MHz takten. Offiziell funktioniert er bis 16MHz, inoffiziell kannst du ihn ein wenig übertakten. Aber du kannst, wie schon gesagt wurde, verschiedene Quarze verwenden. Zum Beispiel 1MHz, 4MHz, 8MHz, 16MHz (nur Beispiele). Das einzige, was du machen mußt, ist die Fuses anzupassen (stehen im Datenblatt des µC). Aber hardwaremäßig sind die Quarze alle möglich.
der 27MhZ Quarz war nur ein Beispiel. Ausserdem habe ich diese Schaltung nachgebaut, wollte das ausprobieren. Hab aber Angst um meinen mc. Hat jemand gute Seiten wo man digitaltechnik Oszillatorschaltungen etc lernen kann :3?
Hallo, offenbar reden wir aneinander vorbei. Ich bin davon ausgegangen, dass das wegen den 27 MHz ein Analogoszillator sein müsste. Andere Mitglieder meinen, dass es ein digitaler Oszillator ist. Was ist es denn jetzt? Analogoszillatoren bestehen aber immer noch aus einem Schwingkreis, einem Verstärker und einen Quarz in der Rückkoppelung, und ggf. einer Ampitudenbegrenzung. Wenn keine besonderen Filter dazu kommen, liefern die ein Sinussignal. Die frequenzbestimmende Komponenten bei einem Digitaloszillator sind in erster Linie die Trägheit der Logikgatter. Da die Logikgatter nicht unendlich langsam bzw. unendlich schnell sind, ist das Frequenzspektrum dieser Oszillatoren auch begrenzt, und liefern ein Rechtecksignal. Der Quarz dient hierbei dazu, dass der Oszillator nicht wild umher schwingt, sondern mit der Frequenz die der Quarz hergibt. Die Annahme, dass ein digitaler Oszillator mit jedem Quarz klar kommt, ist einfach nur falsch. Danke auch an die Leute, die meinen Beitrag mit -5 bewertet haben. Was bitte ist daran so verkehrt? MfG. Zeinerling
Werner F. schrieb: > Ich bin davon ausgegangen, dass das wegen den 27 MHz ein > Analogoszillator sein müsste. Muss nicht - 27.000 MHz ist mittlerweile eine recht beliebte Taktfrequenz und z.B. auf Grafikkarten und in Settopboxen oft als Quarz zu finden.
Ach, ich liebe dieses Forum: Troll will was zum Fressen, Ihr gebt Ihm reichlich, Troll trollt sich wieder. Weiter so, getreu dem Motto "Wir schaffen das".
Es ist doch offensichtlich, dass der TO so große Angst um seinem µP hat, dass er noch nicht mal in der Lage ist Ross und Reiter zu nennen. Also viel Spaß beim weiteren Rätselraten. Zum Thema ATMega und 27 MHz: Den Quatsch kannst Du jederzeit, problemlos beseitigen;-) Falls Du nicht noch 'ne Tüte voll Kurzschlüsse rumliegen hast, sollten Dir auch keine in die Quere kommen.
Mensch Leute. Es gibt einen großen Unterschied. Oszillatorschaltungen ohne externen Schwingkreis arbeiten für gewöhnlich mit einen Grundwellenquarz. Da kann man Quarze in weiten Grenzen austauschen. Aber !! Ein 27MHz Quarz ist in der Regel ein Quarz , welches auf dem 3ten Oberton schwingt. Das heist das die Verstärkung des Oszillators für die Grundwelle unterdrückt werden muss. Deswegen der Schwingkreis auf den 27MHz. Sonst schwingt der Quarz mit ein Drittel der Frequenz.Nämlich 9MHz. Ralph Berres
Ralph B. schrieb: > Mensch Leute. > > Es gibt einen großen Unterschied. > Oszillatorschaltungen ohne externen Schwingkreis arbeiten für gewöhnlich > mit einen Grundwellenquarz. Da kann man Quarze in weiten Grenzen > austauschen. > > Aber !! Ein 27MHz Quarz ist in der Regel ein Quarz , welches auf dem > 3ten Oberton schwingt. > > Das heist das die Verstärkung des Oszillators für die Grundwelle > unterdrückt werden muss. Deswegen der Schwingkreis auf den 27MHz. > Sonst schwingt der Quarz mit ein Drittel der Frequenz.Nämlich 9MHz. > > Ralph Berres Hallo Ralph, hier geht es offensichtlich doch um einen µC. Und da hab ich noch nie einen Oszillator mit Schwingkreis gesehen. Quarz ran, ggf noch 2 C's und gut. Die 27MHz waren doch nur ein Beispiel... Corn schrieb: > der 27MhZ Quarz war nur ein Beispiel. Ausserdem habe ich diese Schaltung > nachgebaut, wollte das ausprobieren. Hab aber Angst um meinen mc. > -----------------------------
Huhu schrieb: > Die 27MHz waren doch nur ein Beispiel... Der wird aber mit 9MHz schwingen. Ralph Berres
Huhu schrieb: > Ralph B. schrieb: >> Der wird aber mit 9MHz schwingen. > > Am µC sicher, da hast du völlig recht. 27MHz gibts auch als Grundtonquarz, z.B. hier: http://media.digikey.com/pdf/Data%20Sheets/Optrex%20PDFs/CX3225SByyy00D0FFFCC_Spec.pdf Beim Quarz wäre zu beachten: - ESR muss mit dem µC zusammenstimmen - Die Lastkapazität muss passen Wobei µC eher gutmütig sind in der Hinsicht. Meist passt dann halt nur die Frequnz nicht ganz. Kann man sich aber hinziehen, man braucht dazu einen Frequenzzähler oder ein gutes Oszi. Literatur: http://www.atmel.com/Images/Atmel-2521-AVR-Hardware-Design-Considerations_ApplicationNote_AVR042.pdf Ab Kapzitel 5. Einfachere Lösung: Man nimmt einen Quarzoszillator statt einem Quarz. Da ist alles fertig drin, und es kommt ein Rechteck raus.
Vor allem muss auch die Einstellung des µCs zum Quarz passen. Neben den hier schon angesprochenen anderen Dingen. Mit etwas Glück reicht es nur den Quarz zu tauschen, im Worst Case muss gar das Programm im µC umgeschrieben werden weil das von 27 MHz und mit 17 MHz die Timings schlicht nicht mehr stimmen.
Huhu schrieb: > hier geht es offensichtlich doch um einen µC. Und da hab ich noch nie > einen Oszillator mit Schwingkreis gesehen. Ich schon. Mehrfach. @TO: Solange Du keinen konkreten Fall nennst, wird Deine Frage nicht zu beantworten sein. Nur so viel: Kurzschlüsse gibt es sicherlich nicht direkt dadurch. Gruß Jobst
Bitte melde dich an um einen Beitrag zu schreiben. Anmeldung ist kostenlos und dauert nur eine Minute.
Bestehender Account
Schon ein Account bei Google/GoogleMail? Keine Anmeldung erforderlich!
Mit Google-Account einloggen
Mit Google-Account einloggen
Noch kein Account? Hier anmelden.






