Zu einer Leiterkarte für einen Resolver fand ich das angehängte Dokument, aber der Dummy für 180° bewirkt immer eine Anzeige von 0°. Woran liegt das? Und wieso kann es überhaupt sein das die Firmware, die den Resolver-Winkel aus dem AD2S90 ausliest, hängen bleibt wenn der Resolver nicht angeschlossen ist?
Hallo Rolf, eventuell SIN und COS Spur vertauscht? Wenn du den dummy auf 0° stellst (SIN = 0, COS = 1k), werden dann 180° angezeigt? Vermutung: Im AD2S90 gibt es einen VCO, der mit Hilfe der Signale der SIN/COS Spuren den Resolverwinkel bestimmt. Ich vermute mal, dass der VCO ohne sinnvolle Signale an den Spuren auf seiner maximalen Frequenz einrastet und somit undefinierte Signale auftreten. Gruß gatsby
gatsby schrieb: > Wenn du den dummy auf 0° stellst (SIN = 0, COS = 1k), werden dann 180° > angezeigt? Nein, die Dummies für 0 und 180 führen beide zur Anzeige von 0. Ich dachte ja das es zu Resolver-Dummies dutzende Fundstellen geben müsste, aber anscheinend hat man sowas nur in der Firma hier gemacht und die betreffenden Leute sind schon lange weg.
Irgend was stimmt doch mit der Tabelle nicht. Zwischen den beiden Szenarien 0° und 180° liegen doch 90°! Also einer positiv, der andere 0. Wäre ja gerade 0° oder 90°. Leg mal spaßeshalber sowohl Sinus als auch Cosinus über den Widerstand an den Träger. Die Amplitude musste dann zwar eigentlich sqrt(2) sein, aber normalerweise spielt das keine Rolle und er müsste 45° anzeigen. Wie ist eigentlich Sin- und Cos- beschaltet? Wie liest du den Winkel aus? Erprobte SW? Oder evtl SW Bug?
Verwendet wird die Beispiel-Schaltung im Datenblatt AD2S90. Die Software läuft seit über 10 Jahren auf über 100 Maschinen, aber bei einigen nicht fehlerfrei, zeigt manchmal ein Rückspringen auch wenn die Maschine konstant dreht.
Rolf F. schrieb: > Zu einer Leiterkarte für einen Resolver fand ich das angehängte > Dokument, aber der Dummy für 180° bewirkt immer eine Anzeige von 0°. > Woran liegt das? Sollte bei 180° nicht cos = -1 und sin = 0 sein, also /Exec -> Cos Gnd -> Sin Grüßle, Volker.
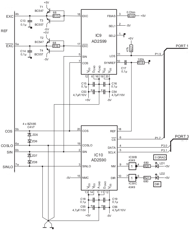
Anbei ist die verwendete Schaltung, wobei die Treiberstufe nötig ist weil die eingesetzten Resolver zu niederohmig für den AD2S99 sind. Aus Wikipedia ergibt sich (modulo 360°): 0° US1/UR=0, US2/UR=1 90° US1/UR=1, US2/UR=0 180° US1/UR=0, US2/UR=-1 270° US1/UR=-1, US2/UR=0 Ich werde das mal probieren und mit dem Oszilloskop überprüfen.
Also ich habe das mal durchgetestet und die Schaltungen nach Wikipedia funktionieren wie berechnet. Es funktionierte nicht, weil in den alten Plänen hier ein paar Signale vertaucht wurden und und Masse von einem in der Luft hängenden Pin bezogen wurde.
Bitte melde dich an um einen Beitrag zu schreiben. Anmeldung ist kostenlos und dauert nur eine Minute.
Bestehender Account
Schon ein Account bei Google/GoogleMail? Keine Anmeldung erforderlich!
Mit Google-Account einloggen
Mit Google-Account einloggen
Noch kein Account? Hier anmelden.

