Hallo zusammen, da ich hier schon ähnliche Themen gefunden habe, hoffe ich hier richtig zu sein. Vielleicht kann mir der ein- oder andere helfen :) Ich habe hier eine Endstufe (t.amp TSA4-700). Das Problem ist, dass Kanal 1&2, also der linke Endstufenblock nach dem Einschalten im Protect-Modus bleiben. Das Netzteil und der Rest der Endstufe ist definitiv in Ordnung. Ich habe die beiden Endstufenblöcke getauscht (Also K1&2 und K3&4), dann funktionieren 3&4 nicht. Somit ist der Rest sicher in Ordnung. Zum defekt: Ich hatte die Endstufe verliehen und bekam sie so wieder. Daher kann ich nicht sagen, wie es dazu kam. Naja die Aussage "ich hab nix gemacht" glaube ich eher weniger... Ich habe alle Bauteile auf dem Kühlkörper, sowie alle Transistoren auf der Platine ausgelötet, getestet und wieder verbaut. Hier war lediglich ein "MJE340" defekt. Desweiteren waren 4 Widerstände defekt. (2x 300 Ohm und 2x 100 Ohm) Zur Veranschaulichung habe ich Fotos gemacht und dort alles markiert. (der MJE340 ist nun natürlich eingebaut) Ich kann nun keine defekten Teile mehr finden / erkennen, allerdings funktioniert der Endstufenblock noch immer nicht. Der MJE340 wird warm. Kann mir jemand helfen? Was soll ich noch testen / ersetzen? Klemme ich den Endstufenblock ohne Versorgungsspannung an, so schaltet er kurz frei, dann aber direkt auch wieder in Protect. Der funktionierende Endstufenblock bleibt frei. Vielen Dank! Zum Bild... Alle gelben Teile sind getestet und in Ordnung. Rot war defekt und wurde getauscht. Blau ist nur die Lüftersteuerung, also irrelevant..
Du hast 2 Endstufebnbklöcke, du kannst also ohne Probleme Vergleichsmessungen (vor allem Spannung) machen zwischen links und rechts und sihst sofort, wo das Problem liegt. Zugegeben, vielleicht nicht sofort weil PROTECT dir gleich die Messergebnisse versaut, aber bis zum protect... Da Protect auch ohne Lautsprecher eingreift, wird es eine GLeichspannung auf dem Ausgang sein. Womöglich massiv, wie es auftritt wenn ein Endstufentransistor durchlegiert ist.
Hi, danke für deine Schnelle Antwort. Das mit den Vergleichsmessungen ist da eben auch nicht so einfach :/ Die Endstufe ist beim Einschalten im Protect. Es gibt also keinen Moment, in dem sie nicht im Protect ist. Eine Gleichspannung am Ausgang schließe ich eigentlich aus. Auch ohne Versorgungsspannung (also nur +/-15V) schaltet sie nicht aus dem Protect-Modus. Wäre Gleichsspannung der Verursacher, müsste sie hier freischalten. Außerdem sind alle Endtransistoren definitiv in Ordnung.
Maier schrieb: > Auch ohne Versorgungsspannung (also nur +/-15V) schaltet sie nicht aus > dem Protect-Modus. Wenn Protect nur aus dem Ausgang gespeist werden würde, dann müsste der auf 0V sein, könnte also nicht die Ursache sein (ggf. Endstufentransis auslöten). Vielleicht ist ja deine Protect-Schaltung defekt.
Der MJE340 (der neben den Widerständen, die auch unmittelbar damit verbunden sind), wird warm. Hier muss also irgendwo noch ein Fehler liegen. Daher vermute ich, dass die Protect-Schaltung schon ihren Dienst tut. Leider habe ich keinen Schaltplan und kann die Schaltung aufgrund der Komplexität (smd etc.) auch nicht direkt nachvollziehen...
- wenn dauerhaft möglich Endstufe in Betrieb nehmen - 1kHz Sinussignal einspeisen - mit dem Oszi suchen wo der Sinus steckenbleibt Schaltplan für die Endstufe habe ich hier, kann ich aber nicht hochladen. Kannst Du Dich bei Fonfic (Drosselbetrug) und diesem Forum (niedriger Timeout) bedanken. So kann ich nur verraten, daß der Trick bei dieser Endstufe darin besteht, die Betriebsspannung des NE5532 um die Ausgangsspannung schweben zu lassen. Dadurch kann ein kleiner OPV eine ziemlich dicke Endstufe steuern.
Hi, danke für den Tipp. :) Da der MJE340 im Betrieb recht schnell warm/heiß wird, habe ich es bisher vermieden die Endstufe mehr als ein paar Sekunden in Betrieb zu nehmen. Ich denke das hält sie so nicht aus. Der Schaltplan wäre für mich natürlich eine riesige Hilfe. Könntest du ihn mir per Mail oder auf irgendeine andere Weise zusenden? Danke ;)
Ben B. schrieb: > - wenn dauerhaft möglich Endstufe in Betrieb nehmen > - 1kHz Sinussignal einspeisen > - mit dem Oszi suchen wo der Sinus steckenbleibt > > Schaltplan für die Endstufe habe ich hier, kann ich aber nicht > hochladen. Kannst Du Dich bei Fonfic (Drosselbetrug) und diesem Forum > (niedriger Timeout) bedanken. So kann ich nur verraten, daß der Trick > bei dieser Endstufe darin besteht, die Betriebsspannung des NE5532 um > die Ausgangsspannung schweben zu lassen. Dadurch kann ein kleiner OPV > eine ziemlich dicke Endstufe steuern. Dann scheint es eine sehr ähnliche Schaltung wie die älteren TAs zu sein. Die Schaltung zum Ta1050 hatte ich mal komplett aufgenommen (geistert auch durch das Netz...) . Das ist aber "nur" eine reine AB-Endstufe, die größeren vom Thomann sind dann Class-H. Unterschied: ab einer bestimmten Ausgangsleistung wird auf höhere Betriebsspannung umgeschaltet. So aus dem Bauch heraus würde ich die Endstufentransistoren unter Verdacht haben (und zwar alle!). "Wir haben nichts gemacht" hört sich sehr nach "wir haben nur Drahtgewürge zu den Lautsprechern verwendet" an. ;-) Den Schaltplan zum TSA4700 hätte ich auch gerne an old-papa<ät>web<punkt>de Danke! ;-) Old-Papa
Ben B. schrieb: > Dadurch kann ein kleiner OPV > eine ziemlich dicke Endstufe steuern. Daraus folgt, daß man neben den Endtransistoren auch den OPV genauer ansehen sollte. Wahrscheinlich ist er auch betroffen? Man sollte aber genauer ins Datenblatt sehen, da nicht jeder OPV-Hersteller die selbe Spannung garantiert hat!
Mess doch mal die Ausgangsspannung des OP an dem funktioniereden und am nicht funktionierenden Kanal. Dann an den Transistoren, ... HAt doch MaWin schon gesagt. Du hast den Riesenvorteil der vergleichenden Messung.
Der Andere schrieb: > Mess doch mal die Ausgangsspannung des OP an dem funktioniereden und am Wahrscheinlich reicht schon die spannungslose Messung zum Vergleich ob der OPV abgeraucht sein könnte? Kompnetentestester vorhanden? j/n?
Hi, Danke für eure Hinweise. Ich habe einen kleinen Bauteiltester. (stammt soweit ich weiß hier aus dem Forum und wird aus China überall als "Mtester" verkauft.) Damit habe ich alle Transistoren etc. getestet. Den NE5532 zu tauschen ist kein Problem, da habe ich als Ersatz noch einige liegen. Das mache ich wohl am besten zuerst mal noch ;)
Maier schrieb: > Ich habe einen kleinen Bauteiltester. Ergänze deinen 'Messgerätepark' bitte unbedingt mit einem kleinen DMM - es reicht das gelbe Modell vom Baumarkt für 5,95 Euro. Aber ohne Voltmeter und Widerstandmessgerät kommst du nicht weit.
Hi, sorry das war wohl etwas falsch ausgedrückt. Es ist natürlich deutlich mehr vorhanden... Tischmultimeter, DMM, Oszi, Trennstelltrafo, Labornetzteil, LCR-Meter usw... ist alles da. Ich bin noch nicht dazu gekommen, werde heute mittag nochmal weitermachen. Der Schaltplan wäre aber, falls möglich, immernoch genial hilfreich für mich.
Maier schrieb: > Da der MJE340 im Betrieb recht schnell warm/heiß wird, habe ich es > bisher vermieden die Endstufe mehr als ein paar Sekunden in Betrieb zu > nehmen. Ausbauen, was heiß wird, dann läuft das Ding mit Glück auch wieder an und du kannst messen.
Maier schrieb: > Leider habe ich keinen Schaltplan und kann die Schaltung aufgrund der > Komplexität (smd etc.) auch nicht direkt nachvollziehen... Ohne wirds schwer. Im Web hab ich nur Pläne für den Thomann der Serie 800 und 1000er Modelle gefunden. Ob die noch kompatibel sind kann ich nicht sagen. Kannst die dir ja mal bei Elektro Tanya.com runter laden (warten bis unten Get manual statt prozessing erscheint). Ansonsten musst du mal Schaltungsdienst Lange.de in Berlin fragen, aber die kosten Geld, was sich aber rechnen kann.
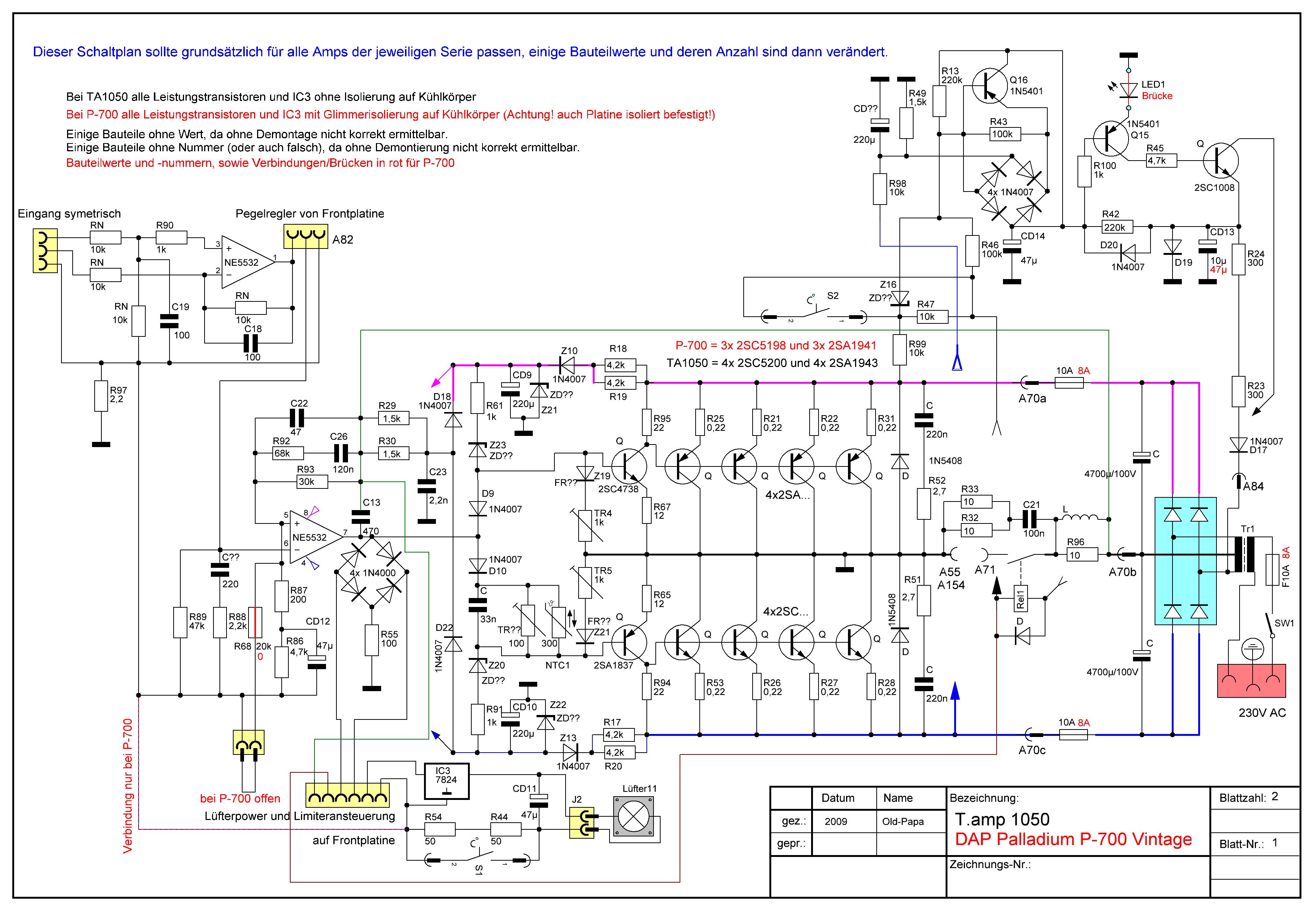
Hallo, bei Lange in Berlin gibt es diese auch nicht, da Thoman diese nicht rausrückt. Entweder man kennt den eigentlichen Hersteller (nix Thoman ;-)) oder eben baugleiche Geräte (wie z.B. Dab-Palladium zur TA-Serie) Irgendwo hatte ich mal was gelesen zum eigentlichen Hersteller der TSA-Serie. Nur wo? Anbei mein Plan vom TA1050 (der es inzwischen auch auf die elektrotanya.com geschafft hat) Zumindest bis zum Treibertransistor könnte das gleich sein. Old-Papa
Hallo, danke für den Schaltplan. Hatte ich auch bereits schon auf dem Rechner. Die kompletten originalen Schaltpläne der Palladium Endstufen bekommt man beim Hersteller auch einfach per Mail zugesendet. Welcher Transistor entspricht hier dem MJE340 / MJE350? Diese gibts in dem Schaltplan ja leider nicht.
Kann ja nur die Vorstufe sein. Schätz mal, beim Ruhestromtrimmer hängt der Schleifer in der Luft, dann wirds heiß.
Achja... @old-Papa Die TSA scheint von "Kobble" zu stammen. Ist dort die "MCA" Serie Hier mal zwei Links: http://biz.everychina.com/16765078-r/z2353f63-mca_2ch_series_professional_power_amplifier.html http://biz.everychina.com/16765078-r/z2353f5c-mca_4ch_series_professional_power_amplifier.html
Besteht auch die Möglichkeit, dass die Endstufe schon direkt nach dem Einschalten "schwingt". Das passiert oft nach Austausch von Endtransisoren, die nicht Originalteile sind, bzw. gepaart bzw. vorselektiert wurden. Hinweis darauf könnte zum Beispiel der Widerstand R58 (50?) in Reihe mit C20 geben. Dieser ist zwar leistungsmässig höher dimensioniert, wird bei schwingender Endstufe sicher wärmer - auch bei Null Ansteuerung. (Bei meiner Endstufenreparatur - eine andere - war er sogar einmal durchgebrannt. So am Klang konnte man es garnicht merken, nur dass ab und zu die "Notbremse" anzog und ständig relativ viel Ruhestrom floss.) Man sollte auch bei angeschlossener Last (Lautsprecher oder Dummyload) testen. Hilfreich wäre auch ein Oszi. Dann kann man sehen, ob zeitweise HF auf dem Ausgang liegt. Chiao gustav
Karl B. schrieb: > Hilfreich wäre auch ein Oszi. Nützt dir nur was wenn du ein Signal, z.B. 1khz o,1Volt auf den Eingang gibst und die ganze Vorstufe durch gehst wo das Signal dann verhungert. Bei 1Vss wird der Verstärker vollausgesteuert.
> Endstufe defekt , wo liegt der Fehler? Du hast dir die Antwort selber gegeben: >Ich habe eine Endstufe (t.amp) Also China aus Burgebrach teuer verkauft. Da lohnt sich doch nicht mal das Aufschauben, um Nachzusehen.
Die Endtransistoren sind noch original und auch passend selektiert. Das habe ich überprüft. Dort ist auch keiner defekt. @Audiomann: das ignoriere ich einfach mal... Oszi und Signalgenerator habe ich, dann muss ich mich mal auf die Suche machen.
Maier schrieb: > Die Endtransistoren sind noch original und auch passend selektiert. > Das habe ich überprüft. > > Dort ist auch keiner defekt. Unter Lastbedingungen oder mit Minimallast am Transistortester? Manch einer spinnt erst bei höherer Spannung. Ich werfe die alle bei komischen Effekten raus und neue rein (ja, kostet...). Gepaart habe ich die nie, der Chinamann wird auch nur in die Schachtel greifen ;-) Allerdings achte ich auf gleiche Suffixe (beim 2SD5200/2SA1943 immer möglichst "O") und man hüte sich vor Fälschungen (leider inzwischen die Mehrzahl) Old-Papa
Karl B. schrieb: > Hilfreich wäre auch ein Oszi. Dann kann man sehen, ob zeitweise > HF auf dem Ausgang liegt. Wenn es erlaubt ist, ein kleiner Abstecher.... Komischer Blubber-Fehler ab einer bestimmten Lautstärkeeinstellung bei altem Grundig TK25 Tonbandkoffer. Mich wunderte nur, dass das "magische Auge" ab dieser bestimmten Lautstärkepotistellung sich veränderte. Nun, es waren ca. 19 kHz NF sauberer Sinus auf dem LS-Ausgang. Das ist ausserhalb des Hörbereichs. Ohne Oszilloskop parallel zum Lautsprecher hätte ich den Fehler nie eingrenzen können. Da in den Serviceunterlagen der Variantenreichtum der Endstufe ab bestimmter Serie auf bekannte Probleme hinwies, beschäftigte ich mich damit mehr. Kurzum, die Gegenkoppelei ist bei den Röhrenendstufen doch kritisch und vom Zustand des Ausgangstrafos abhängig. Die Endstufe ist wohl einmal bei einer Party dauerhaft heftig überlastet worden, und der Trafo ist in die Sättigung gefahren worden. Damit stimmt dann so gut wie nichts mehr bezüglich der Gegenkopplungen. Die Bleche ausglühen konnte und wollte ich nicht. Habe dann doch tatsächlich irgendwo noch einen alten Austausch-Trafo auftreiben können. Jetzt bin ich etwas vorsichtiger, was die Belastungsgrenze der NF-Endstufen angeht. ok...Bitte um Nachsicht für den Abschweifer... Bei diesem Fall hier gibt es das Problem mit einem Ausgangstrafo glücklicherweise nicht. Soweit ich das abschätzen kann anhand des bislang Gesagtem, schaltet das Relais am Ausgang den Lautsprecher ab. Das ist dann wohl unter "Protect-Mode" gemeint. Also sollte ein Testlautsprecher davor angeschlossen werden, allerdings wegen des evtl. vorhandenen DC-Offsets nur mit Elko in Reihe. Dann ploppt es beim Einschalten vielleicht schon kräftig. Deswegen den Elko nicht zu groß wählen, oder sonst etwas zum Schutze des Lautsprechers dazwischenschalten, damit der Ladestrom den LS nicht killt. (Das ist ja auch eine Aufgabe des Relais, den LS erst anklemmen, wenn Endstufe "eingeschwungen" und kein DC vorhanden.) Ist dann eine NF-Ansteuerung möglich, sprich, Verstärker gibt etwas von sich, liegt der Fehler in der Protect-Schaltung selbt.
Maier schrieb: > > Welcher Transistor entspricht hier dem MJE340 / MJE350? > Diese gibts in dem Schaltplan ja leider nicht. Ich vermute die Treibertransistoren, also Q8/9 bzw, Q18/19. Wobei hier ja zwei parallel eingesetzt werden. Wenn die warm werden, dann werden sie entweder 1. falsch angesteuert (Basisspannung/-strom oder Schwingneigung oder...) oder 2. arbeiten die auf eine zu hohe Last (also Endstufentransistoren) Bei Oszimessungen Obacht! Sehr höäufig provoziert man damit erst recht Schwingneigung im Amp. Ich habe mir einen extra Tastkopf gebastelt, bei dem direkt in der Spitze ein kleiner Widerstand sitzt. Ca. 100-1000 Ohm. Ein guter 1:10-Tastkopf kommt auch ohne diesen aus, muss aber auch auf 1:10 geschaltet sein. Aber auch wild angehäkelte Messstrippen sind für Überraschungen gut. Old-Papa
Bei der Reparatur des CEV550 hatte ich plötzlich hohe
Werte an Ruhestrom. Fasste ich mit dem einen Finger ans
Chassis, änderte sich der Wert dramatisch.
Das Ganze war deswegen noch kritisch, weil ohne ausgebaute
Schraubelkos nicht an die Ruhestrompotis ranzukommen ist.
Somit mussten die Elkos (10000 uF/35 V einmal für Plus,
einmal für Minus) mit "Verlängerungsschnüren" neben das
Chassis gestellt, so betrieben werden. (Dabei steht der
Becher eines Elkos noch auf Plus, darf nicht mit
irgendwelchen Chassisteilen ohne die Isoliernippel in
Berührung kommen.)
- Nahm mir dann die Zeit, ein Loch in die Platine zu
bohren, um mit dem Schraubenzieher an das Poti
ranzukommen.
- Habe die Elkos gegen solche anderer Bauform
ausgetauscht, auf Extra-Platine montiert mit kürzeren
Anschlussdrähten als im Original.
Nehme an, jetzt schwingt es nicht so beim Messen/Prüfen.
(Obwohl das Ganze doch noch besser gemacht werden könnte.)
Bilder dazu:
1)Sequenz: Ruhestromjustage nach Bohren des Lochs unter
dem Poti
2)Elkos oben vorher, unten nachher
Ruhestrom ist zwar immer noch mehr als doppelt so hoch,
das hat aber offenbar keinen wesentlichen Einfluß auf die
Leerlauf-Verlustleistung, sprich die Kühlkörper bleiben
"kalt".(Habe andere BD800-er Transistoren genommen, die origialen sind
nicht mehr auf Lager, die Ersatztypen scheinen es ja zu verkraften.)
ciao
gustav
Bitte melde dich an um einen Beitrag zu schreiben. Anmeldung ist kostenlos und dauert nur eine Minute.
Bestehender Account
Schon ein Account bei Google/GoogleMail? Keine Anmeldung erforderlich!
Mit Google-Account einloggen
Mit Google-Account einloggen
Noch kein Account? Hier anmelden.






