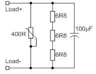
Grüß euch! Ich hab folgendes Problem: Bei einem alten System wird in der Ausgangsbeschaltung ein TempFET BTS100 verwendet, welcher seit einer gefühlten Ewigkeit nicht mehr erhältlich ist. Durch lange Recherche bin ich auf eine Ersatzlösung gestoßen, diese sieht wie folgt aus (BTS100-HAF1001.png) Zur Überprüfung der Kompatibilität werden 3 Messungen durchgeführt: -) Switch-on characteristics -) Short-circuit remove characteristic -) Short-circuit stress test Für die Messungen benötige ich einen zusätzlichen Aufbau (Load.png). Dabei wird Load+ auf den Ausgang OUT 6 und Load- auf GND gehängt. Meine Frage betrifft die Dimensionierung des Loadstroms. Dazu gab es leider keine näheren Informationen. Ich vermute es hängt mit dem Nennstrom des Ausgangs zusammen, welcher sich über Ube und den Widerstand ausrechnen lässt. Hier endet auch mein Latein. Bitte um konstruktive Antwrten, danke! :)
Dom T. schrieb: > BTS100 verwendet, welcher seit einer gefühlten Ewigkeit nicht mehr > erhältlich ist. wahrscheinlich weil es Nachfolgemodelle gibt, die in mancher Hinsicht bessere Eigenschaften haben. http://www.digikey.de/product-search/de/integrated-circuits-ics/pmic-power-distribution-switches-load-drivers/2556406?FV=15c0002%2C3fc007b%2C1180002c%2C1180004f%2C11800061%2C11800075%2C118000d4%2C118000db%2C118000f4%2C11800118%2C11800145%2C11800182%2C11800190%2C118001a9%2C1180023b%2C1180029f%2C11800365%2C11800492%2C118006a6%2C11800736%2C1180097e%2C1180097f%2Cfff40027%2Cfff801f6%2Cc1001f3%2Cc100250%2Cc100251%2Cc100254%2Cc100255&mnonly=0&newproducts=0&ColumnSort=0&page=2&stock=0&pbfree=0&rohs=0&k=bts&quantity=&ptm=0&fid=0&pageSize=25&pkeyword=bts Dom T. schrieb: > Meine Frage betrifft die Dimensionierung des Loadstroms. Was meinst du damit? Dein Halbleiter hat einen zulässigen Maximalstrom, den du im Datenblatt findest (dort heißt er Drain current). Deine Schaltung hat ein Stromlimit, das deutlich darunter liegt (irgendwo in der Nähe von 0,7V/0,27Ohm=2,6A) Deine Testlast wird einen DC-Strom von Ub/(3*6,8Ohm) ziehen (außer jemand stellt das Poti unsinnig ein). Welche Frage zum Load-Current bleibt damit noch offen? Dom T. schrieb: > Für die Messungen benötige ich einen zusätzlichen Aufbau (Load.png). > Dabei wird Load+ auf den Ausgang OUT 6 und Load- auf GND gehängt. Klingt vernünftig. Dann sollte aber die GND-Klemme des Oszis nicht mehr an UB angeschlossen sein, wie es in deinem zweiten Bild angedeutet ist.
Bitte melde dich an um einen Beitrag zu schreiben. Anmeldung ist kostenlos und dauert nur eine Minute.
Bestehender Account
Schon ein Account bei Google/GoogleMail? Keine Anmeldung erforderlich!
Mit Google-Account einloggen
Mit Google-Account einloggen
Noch kein Account? Hier anmelden.

