Hi, mal ne Frage: ist es bei der +-Spannungserzeugung vorteilhafter die Widerstände unterschiedlich zu machen. Weil, das ist doch im Prinzip ein RC Oszillator. Grüße
Glaub ich weniger. Dazu sind die Details aber auf der eher etwas mageren Seite.
Plus-Minus schrieb: > Weil, das ist doch im Prinzip ein RC Oszillator. Die Schaltung ist eh grober Unsinn. Fang erst mal an zu Lernen: https://www.voelkner.de/products/478203/Vogel-Buchverlag-Buch-Elementare-Elektronik-978-3-834-33280-6.html?ref=43&products_model=W90042&gclid=CJHYpNPk89ACFei37QodsQQCUw http://www.kleine-ingenieure.de/ http://www.elektronikbaukasten.eu/
Und die 4 waeren parallel fuer mehr strom ? Bei 20mA am Ausgang verbraetst du aber 6.6V ueber einem 330 Ohm. Macht das Sinn ? Was waere das Problem ? Wieviel Strom bei 6V ? Da waere vielleicht ein LM317 besser geeignet
Plus-Minus schrieb: > Stromunterschied beträgt etwa 35mA. Was soll denn diese (weiterhin unsinnige) Schaltung machen? Oder andrsrum: was hast du und was willst du?
Jetzt noch den ungefähren Strombedarf für beide Spannungen und gut ist. Oder nimm eine andere Schaltung.
Die Schaltung ist Unsinn. Da kannst Du machen was Du willst und mit Werten welche ausgewürfelt sind. Aber sie müssen mit einem Präzisionswürfel ermittelt werden;-)
Hier gibst Bildchen für deine /Inspiration/: https://www.google.de/search?q=symmetrische+spannung+erzeugen&biw=1067&bih=534&source=lnms&tbm=isch&sa=X&ved=0ahUKEwiDxNit-vPQAhUCnBoKHb0LCRgQ_AUICCgB
strom schrieb: >>ca. 40mA je Spannung > > Und dann noch 35 mA Unterschied? Oder was? 5-40mA je Spannung, Unterschied <35mA
Oder den Beitrag "Verzweifelter Operationsverstärker" bis zum Schluss lesen. Oder mal nach "virtuelle Masse mit OP" suchen...
Dampf T. schrieb: > Ich wuerde einen Emitterfolger nehmen und einen einzelnen OpAmp Dann kann die "halbe Spannug " (virtuelles GND) nur Strom liefern aber keinen Strom annehmen. http://www.dse-faq.elektronik-kompendium.de/dse-faq.htm#F.9.2 40mA an 12V schafft ein LM6142 bzw. TS922, dem TSB611 würde ich die 0.25 Watt nicht zutrauen.
Hi, LM6142,TS922 können 500pf und 1000pF treiben. Die ursprüngliche Frage war, ob das nicht ein RC Oszillator ist, der um die Offsetspannung schwingt und ob unterschiedliche Widerstände die Schwingneigung mindern.
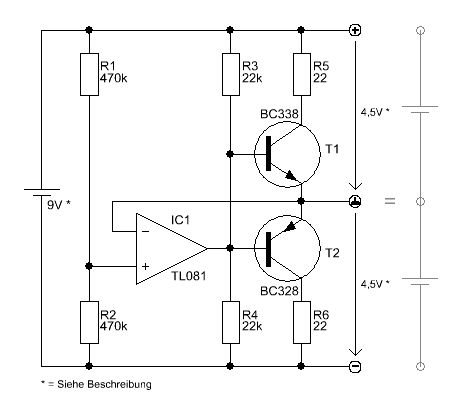
Plus-Minus schrieb: > Die ursprüngliche Frage > war, ob das nicht ein RC Oszillator ist Die Antwort gab es auch schon, die Schaltung ist einfach nur Murks. Von den 4 OpAmps wird der mit dem niedrigen Ausgangswiderstand seine Ausgangsspannung so stellen, daß die Spannunng am Knotenpunkt also dem invertierenden Eingang der Eingangsspannung plus Eingangsoffsetspannung entspricht, also z.B. bei 6.1V rein kommen am Knotenpunkt 6.107V raus. Jeder der anderen OpAmps sieht dann an seinem invertierenden Eingang eine Differenzspannung, die NICHT zu seiner Eingangsoffsetspannung vom nichtinvertierenden Eingang passt, weil die bei allen Exemplaren verschieden ist, und wird die Differenz um 100000 verstärkt an den Ausgang liefern, also z.B. er hat 6.1V rein und eine Offsetspannung von -5mV, möchte also 6.008V sehen, liefert aber 100000*-0.005 = -500V, stellt also seine Augsang voll auf die kleinstmögliche Spannung, knapp 0V. Dann fliesst viel Strom über den Ausgangswiderstand aber weil der höherohmig ist als der vom ersten OpAmp nicht genug um die Knotenspannung die der erste OpAmp festlegt wegzuzerren. Der Kondensator hinter den Widerständen macht die Sache nur noch schlimmer, ob die OpAmps stabil sind oder nicht liegt am Exemplar, beim LM358 könnten hunderte Ohm an irgendwelche Kapazität sogar noch stabil sein. Die Schaltung zeigt nur, daß der Erbauer nicht die leiseste Ahnung hatte, wie OpAmps funktionieren.
Lothar M. schrieb: > Oder mal nach "virtuelle Masse mit OP" suchen... richtig und auch unter Virtual ground liefern dir die Suchmaschinen ausreichend und einfache Schaltungen bei 40mA sollte das alles kein Problem sein z.B. http://www.next.gr/power-supplies/ac-dc-dc-dc/unipolar-to-dual-supply-converter-l13875.html oder http://www.next.gr/power-supplies/ac-dc-dc-dc/efficient-negative-voltage-regulator-l13605.html ich habe diese hier aufgebaut http://www.circuitsonline.net/schakelingen/103/voedingen/enkele-naar-dubbele-voedingsspanning.html hab ich aber noch nie voll belastet
@ Plus-Minus Nur aus Interesse: Magst Du bitte mal schreiben, wo Du die Schaltung her hast? Vielleicht hast Du einen Link?
Hi, MaWin schrieb: > Die Schaltung zeigt nur, daß der Erbauer nicht die leiseste Ahnung > hatte, wie OpAmps funktionieren. jop, deshalb hat er Erbauer hier auch gefragt. Grüße
Hier Prinzipien zur Parallelschaltung von Op Amps, um mehr Ausgangsstrom zu bekommen: http://www.intersil.com/content/dam/Intersil/documents/an11/an1111.pdf Doubling the Output Current to a Load with a Dual Op Amp http://www.linear.com/solutions/5632 Paralleling Amplifiers Increases Output Drive Nachteil hier: Rout ist nicht Null. Einfacher als 4 Op Amps parallel wäre eine Push-Pull Ausgangsstufe: http://www.linear.com/solutions/5631 Increase Amplifier Output Drive Using a Push-Pull Amplifier Stage Nachteil: nicht kurzschlussfest > Weil, das ist doch im Prinzip ein > RC Oszillator. Nein. > ist es bei der +-Spannungserzeugung vorteilhafter die > Widerstände unterschiedlich zu machen. Nein. Die Widerstände an den Op-Amp-Ausgängen dienen zur Entkopplung (damit sich die Op-Amps nicht bekämpfen) und sollten gleich gross sein.
Amateur schrieb: > Aber sie müssen mit einem Präzisionswürfel ermittelt werden;-) Einen solchen haben wir "auf Arbeit". Die Maße stimmen auf etwa 10nm genau. Kostenpunkt >100EUR.
Müssen die 6V Präzise sein? Für so wsa gibts fertige Bauteile: http://de.rs-online.com/web/p/schaltregler/7553431/ in 8-40V Out +/-6,5V Wenn die 0,5V zu viel stören einfach noch eine Diode dahinter dann sinds ca. 6V
Bitte melde dich an um einen Beitrag zu schreiben. Anmeldung ist kostenlos und dauert nur eine Minute.
Bestehender Account
Schon ein Account bei Google/GoogleMail? Keine Anmeldung erforderlich!
Mit Google-Account einloggen
Mit Google-Account einloggen
Noch kein Account? Hier anmelden.


