Keine angeschrägte Seite,kein Punkt auf der Oberseite. Dafür ein Punkt auf der Unterseite. Könnte das die Kennzeichnung für Pin 1 sein?
Tom M. schrieb: > Keine angeschrägte Seite,kein Punkt auf der Oberseite... ...und kein gutes Foto...? Ist auf dem rechten Bild nicht eine Einkerbung auf der linken Seite des Chips zu erkennen?
Wenn die Beschriftung richtig herum lesbar ist, dann sollte üblicherweise Pin 1 links unten sein.
Einer schrieb: > Wenn die Beschriftung richtig herum lesbar ist, > dann sollte üblicherweise Pin 1 links unten sein. So war auch immer mein Gedanke.Habe nun beide Möglichkeiten probiert(mit jeweils neuem Chip) und keine funktioniert.Dann liegt es wohl am chinaschrott
michael_ schrieb: > Ist nicht rechts die schmale Oberkante angefast? Wie recht du hast,tatsächlich...Da braucht man ja 2 Lupen hintereinander,um das erkennen zu können...... Danke euch und schöne Weihnachten
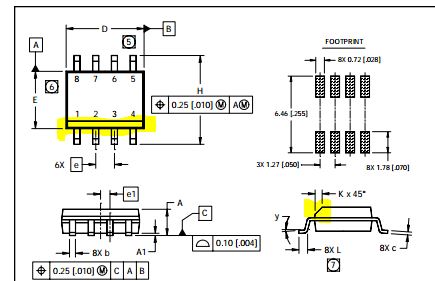
Laut dem Datenblattauszug von Pete K. ist eine Längsseite des ICs angefast. Anfasung nach unten, dann ist Pin 1 links unten. Auf dem Bild ist eine Anfasung nicht zu erkennen, vielciht noch ein Bild vom Profil.
Tom M. schrieb: > Wie recht du hast,tatsächlich...Da braucht man ja 2 Lupen > hintereinander,um > das erkennen zu können...... Das kann man aber ertasten. Der Andere schrieb: > Laut dem Datenblattauszug von Pete K. ist eine Längsseite des ICs > angefast. Der eine hat aber 8 und der andere 14 Beine?
michael_ schrieb: > Der eine hat aber 8 und der andere 14 Beine? Trotzdem ist in der Regel bei der angefasten Seite die 1. Das hängt nicht von der Anzahl der Beine ab.
michael_ schrieb: > Der eine hat aber 8 und der andere 14 Beine? Eine Längsseite ist doch eine Längsseite, egal ab mit 4, 7, 8 oder mehr Beinen.
Tom M. schrieb: > michael_ schrieb: >> Ist nicht rechts die schmale Oberkante angefast? > > Wie recht du hast,tatsächlich...Da braucht man ja 2 Lupen > hintereinander,um > das erkennen zu können...... billige brillen gibts im drogeriemarkt. 5€, gute investition.
c.m. schrieb: > billige brillen gibts im drogeriemarkt. 5€, gute investition. DIese Woche bei Aldi Nord: Sehhilfen für 1,99€.
Leute Leute,was ist hier nur los mit euch...... Ich hoffe ich werde im alter nicht so sein wie ihr. Sorry aber das muß mal gesagt sein....
Tom M. schrieb: > Ich hoffe ich werde im alter nicht so sein wie ihr. Das habe ich vor 50 Jahren auch mal gehofft. ;-) Gut sehen kann ich nun schlecht, aber schlecht hören geht gut. MfG Paul
Tom M. schrieb: > michael_ schrieb: >> Ist nicht rechts die schmale Oberkante angefast? > > Wie recht du hast,tatsächlich...Da braucht man ja 2 Lupen > hintereinander,um > das erkennen zu können...... "Silverline Uhrmacherlupen Satz, 5, 7, & 10fach, 20 mm, Lupe, Augenlupe" Versand kostenlos, Lieferung bis Samstag. ~5€. Probier das mal.
Lutz H. schrieb: > 10X 15X 20X 25X LED Glasses Jeweler Magnifier Watch Repair Magnifying > Loupe Das ist Schrott. Nicht bestellen!
ja und, wie soll er denn sonst markiert sein, wenn du den IC nach unten kippst dann ist der Pin auf der rechten unteren Seite, genau da wo er hingehört.
hunted troll schrieb: > ja und, wie soll er denn sonst markiert sein, wenn du den IC nach > unten > kippst dann ist der Pin auf der rechten unteren Seite, genau da wo er > hingehört. Daß das "Rätsel" schon längst gelöst ist, hast du nicht mitbekommen? Beitrag "Re: Wo ist Pin 1?" Und die Markierung ist nie auf der Unterseite :-)
hunted troll schrieb: > Pin 1 ist links oben dort wo der Punkt ist. Dieser Punkt ist nicht die Pin-1-Markierung, sondern eine Art Stempel. Wenn du genau hinschaust, kannst du darin ein paar Buchstaben und Ziffern erkennen. Ich habe hier ein IC im QFP-64-Gehäuse, das an der Unterseite einen ganz ähnlichen Stempel trägt. Der liegt aber nicht bei Pin 1, sondern an der diagonal gegenüberliegenden Ecke. Auf der Oberseite hat das IC sogar zwei Punkte, einen großen und einen kleinen. Welcher der beiden ist wohl der richtige? Eindeutig ist hier nur die abgeschrägte Ecke, wie sie praktisch alle QFN-Gehäuse aufweisen. So haben fast alle SOIC-Gehäuse eine abgeschrägte Seitenkante. Solange an einem Gehäuse eine solche Abschrägung erkennbar ist, suche ich nicht weiter nach Punkten oder sonstigen zweifelhaften Merkmalen. Wenn man weiß, dass es auf diese abgeschrägte Kante ankommt, ist sie auch ohne Lupe leicht zu erkennen. Und wie schon Huh geschrieben hat, liegt die Pin-1-Markierung nie auf der Unterseite des ICs, weil sonst im eingelöteten Zustand die Orientierung des ICs nicht mehr nachgeprüft werden könnte.
Yalu X. schrieb: > Dieser Punkt ist nicht die Pin-1-Markierung, sondern eine Art Stempel. Das ist der Auswerfer beim Plastspritzen. Der lässt sich leicht auswechseln und kann mit einem Datum versehen werden.
Tom M. schrieb: > Ich hoffe ich werde im alter nicht so sein wie ihr. Leicht zu erreichen, stirb jung
c.m. schrieb: > Tom M. schrieb: >> michael_ schrieb: >>> Ist nicht rechts die schmale Oberkante angefast? >> >> Wie recht du hast,tatsächlich...Da braucht man ja 2 Lupen >> hintereinander,um >> das erkennen zu können...... > > billige brillen gibts im drogeriemarkt. 5€, gute investition. Dein Bild ist doch mal was für "Zeigt her eure Kunstwerke"-Thread. Die Buchsen am TO220-Gehäuse finde ich jedenfalls für würdig ;)
M. K. schrieb: > Die > Buchsen am TO220-Gehäuse finde ich jedenfalls für würdig ;) und ich dachte ich habe einen Sehfehler.. :-)))
Tom M. schrieb: > Leute Leute,was ist hier nur los mit euch...... > Ich hoffe ich werde im alter nicht so sein wie ihr. > > Sorry aber das muß mal gesagt sein.... das bild und der tip mit der brille (+3 dioptrien btw.) war nicht blöd gemeint, sondern tatsächlich konstruktiv. ich bin jetzt 44, und die altersweitsichtigkeit fängt an zuzuschlagen - so eine brille hilft für kleinzeug. M. K. schrieb: > Dein Bild ist doch mal was für "Zeigt her eure Kunstwerke"-Thread. Die > Buchsen am TO220-Gehäuse finde ich jedenfalls für würdig ;) danke ;) ich wollte keine 8A durchs breadboard jagen… deswegen.
Tom M. schrieb: > Pin 1 sein Wenn ist das rechte, matschige Bild richtig deute, ist links unten die 1. Ein besseres Foto mit mehr Licht aus der richtigen Richtung wäre sinnvoll.
oszi40 schrieb: > Ein besseres Foto mit mehr Licht aus der richtigen Richtung wäre > sinnvoll. Das Thema ist seit gestern nachmittag längst durch: Tom M. schrieb: > michael_ schrieb: >> Ist nicht rechts die schmale Oberkante angefast? > > Wie recht du hast,tatsächlich...Da braucht man ja 2 Lupen > hintereinander,um > das erkennen zu können...... > > Danke euch und schöne Weihnachten
Bitte melde dich an um einen Beitrag zu schreiben. Anmeldung ist kostenlos und dauert nur eine Minute.
Bestehender Account
Schon ein Account bei Google/GoogleMail? Keine Anmeldung erforderlich!
Mit Google-Account einloggen
Mit Google-Account einloggen
Noch kein Account? Hier anmelden.



