Hallo miteinander. Eine reine Interessenfrage. Ich habe nach 10-minütigem Googlen nichts gefunden und vielleicht hat jemand von Euch eine Antwort parat. Und zwar: In einer Fahrradlampe mit einer High Power LED befinden sich in einem Batterie-Haltekäfig 3 AAA Alkali-Batterien (in Reihe). Nun ging diese Lampe nicht mehr und ich hatte schon den Verdacht, dass durch Feuchtigkeit oder Kälte etwas an dieser Lampe kaputt gegangen ist. Vorsichtshalber habe ich an den Kontakten des Käfigs gemessen, und da liegen 1,67 V an! Bei 3 Batterien! Die einzelnen Zellen haben eine Spannung von - 1,33 V - 0,22 V - 0,12 V. Wie ist das möglich, dass sich eine Zelle (oder in diesem Fall zwei) in einem Verbund so "tief entladen"? Bei meinen Recherchen fand ich heraus, dass bei ca. 0,8 V Schluss ist. Da muss doch ein Defekt vorliegen. Hat jemand eine Erklärung dafür? Viele Grüße!
Georg 0. schrieb: > In einer Fahrradlampe mit einer High Power LED befinden sich in einem > Batterie-Haltekäfig 3 AAA Alkali-Batterien (in Reihe). Nun ging diese > Lampe nicht mehr und ich hatte schon den Verdacht, dass durch > Feuchtigkeit oder Kälte etwas an dieser Lampe kaputt gegangen ist. > Vorsichtshalber habe ich an den Kontakten des Käfigs gemessen, und da > liegen 1,67 V an! Bei 3 Batterien! > > Die einzelnen Zellen haben eine Spannung von > - 1,33 V > - 0,22 V > - 0,12 V. > > Wie ist das möglich, dass sich eine Zelle (oder in diesem Fall zwei) in > einem Verbund so "tief entladen"? Bei meinen Recherchen fand ich heraus, > dass bei ca. 0,8 V Schluss ist. Da muss doch ein Defekt vorliegen. > > dass bei ca. 0,8 V Schluss ist. Da hört nicht die Entladung auf, sondern da muss sie aufhören wenn die Zelle nicht dauerhaft geschädigt werden soll. Irgendein Entladeweg scheint wohl vorzuliegen und die "stärkste" Zelle hat überlebt. Hat deine Lampe irgendwelche Elektronik drin? Wenn ja dann wird's der Ruhestrom sein der da womöglich immer fliesst. Wie wird die Lampe denn eingeschaltet? Kurt
Hi Kurt, zur Elektronik kann ich nichts Sicheres sagen. Die Lampe wird über einen Taster (kein Schalter) eingeschaltet. Beim ersten Drücken leuchtet die Lampe dauerhaft, beim zweiten Drücken blinkt sie, beim dritten leuchtet sie dauerhaft aber etwas dunkler und beim vierten ist sie dann aus. Also wird irgendeine Schaltung drin stecken, alleine um die LED richtig zu versorgen. Die Lampe ist bei Amazon unter "DEGBIT" zu finden. (Fahrradleuchten-Set) Ich dachte bisher, dass sich alle Batterien, egal ob Reihen- oder Parallelschaltung, gleichmäßig entladen?
Georg 0. schrieb: > Ich dachte bisher, dass sich alle Batterien, egal ob Reihen- oder > Parallelschaltung, gleichmäßig entladen? Das gilt nur, wenn alles absolut identisch ist, was aber praktisch nicht der Fall ist. Deine Lampe macht wohl mit 1,7V Gesamtspannung noch etwas und die erste Zelle hatte mehr Kapazität als die anderen beiden. Wenn jetzt Zelle 2 und 3 leer ist kann aber immer noch Strom durch sie fließen. Das kann sogar so weit gehen, das Zellen umgepolt werden. Georg 0. schrieb: > Bei meinen Recherchen fand ich heraus, > dass bei ca. 0,8 V Schluss ist. Da hast du alle praktisch nutzbare Energie der Zelle verbraucht. Bei wiederaufladbaren Batterien hört man dann auf, um die Zelle nicht zu schädigen. Bei Batterien ist das aber egal, weil die eh weggeworfen werden. Gruß Kai
Georg 0. schrieb: > Hi Kurt, > > zur Elektronik kann ich nichts Sicheres sagen. Die Lampe wird über einen > Taster (kein Schalter) eingeschaltet. Beim ersten Drücken leuchtet die > Lampe dauerhaft, beim zweiten Drücken blinkt sie, beim dritten leuchtet > sie dauerhaft aber etwas dunkler und beim vierten ist sie dann aus. Da hast du deinen Stromklauer! Die Schaltung schaut ja ständig nach ob du gewillt bist ihr was zu sagen/befehlen oder eben nicht. Und das kostet. Kurt
Hmm... Kurt, ich hab jetzt mal auf deine Vermutung ein Labornetzteil und dazwischen (für genauere Strommessung) noch ein Multimeter dran gehangen. Messbereich µA, Anzeige "0.0 µA". Ich hatte kurzzeitig den Verdacht, dass die Batterien das Innere des Gehäuses berühren und da irgendeine Entladung stattfindet. Das ist allerdings nicht der Fall. Nach weiterem Nachdenken bliebe nur die Möglichkeit, dass beim Ausschalten irgendeine Funktion aktiviert wird, die Strom verbraucht aber nicht sichtbar (ohne Leuchten) ist.
Georg 0. schrieb: > Hmm... > Kurt, ich hab jetzt mal auf deine Vermutung ein Labornetzteil und > dazwischen (für genauere Strommessung) noch ein Multimeter dran > gehangen. Messbereich µA, Anzeige "0.0 µA". Das sagt nur bedingt was aus. Die Tastenabfrage ist wohl getaktet und die kurzen Einschaltzyklen dürfte dein MM nicht mitbekommen. > Nach weiterem Nachdenken bliebe nur die Möglichkeit, dass beim > Ausschalten irgendeine Funktion aktiviert wird, die Strom verbraucht > aber nicht sichtbar (ohne Leuchten) ist. Leckströme finden sich immer, es kommt darauf an wie gering die sind. Ein vorsätzliches Einschalten von irgendwas halte ich für unwahrscheinlich, es sei denn du hast eine Diebstahlssicherung über GPS und GSM oder sonstwas dabei. Kurt
Und denkst du auch, Kurt, dass wenn die Lampe seit Oktover/November gelegentlich in Gebrauch ist, dann durch dieses Takten restlos entladen werden könnte? (Die Lampe habe ich nur verschenkt...) So wie ich gehört habe, ging es die eine Woche, die andere dann aber nicht mehr. Quasi "schlagartig". Aber schon mal vielen Dank für deine bzw. eure Mühen.
Georg 0. schrieb: > Ich dachte bisher, dass sich alle Batterien, egal ob Reihen- oder > Parallelschaltung, gleichmäßig entladen? Nein, dieses Phänomen tritt selbst in Notfallversorgungen von Energieanlagentechnik auf, z.B. die Gleichstromnotversorgung von Umspannwerken und Umspannstationen zur Spannungsversorgung der Leistungsschalter. Deswegen gibt es neben Impedanzmeßgeräten auch Prüfgeräte (gesteuerte Lastbank), mit denen man Entladungs- und Belastungsprüfungen durchführt und simultan die Spannung über jedem einzelnen Akkumulator mißt. Das sind üblicherweise bis zu 60, manchmal auch 120. Da gibt es dann immer wieder Akkus, die nach kürzester Zeit sterben. Diese sind sofort oder im anschließenden Wartungsintervall auszutauschen. Es gibt sogar diverse Normen, die das Prüfen von Akkumulatorenbänken in bestimmten Zeitabständen regeln.
Georg 0. schrieb: > Und denkst du auch, Kurt, dass wenn die Lampe seit Oktover/November > gelegentlich in Gebrauch ist, dann durch dieses Takten restlos entladen > werden könnte? (Die Lampe habe ich nur verschenkt...) So wie ich gehört > habe, ging es die eine Woche, die andere dann aber nicht mehr. Quasi > "schlagartig". Das hat mit der langfristigen Entladung (von der ich ausging) nichts zu tun. Es kann ja sein dass die Lampe lange genug in Betrieb war um die Bats zu entladen, dazu müsste man mehr wissen. Wie lange (Stunden) läuft denn so ein Batteriesatz? Kurt
Kurt B. schrieb: > Da hört nicht die Entladung auf, sondern da muss sie aufhören wenn die > Zelle nicht dauerhaft geschädigt werden soll. Welche Folgen hat denn eigentlich eine solche "dauerhafte" Schädigung von Alkali-Zellen?
Stelle mit dem Labornetzteil fest, ob die Lampe ihre Helligkeit regelt (also bei 2.5V genauso hell wie bei 4.5V). Wenn ja, wäre plötzliches Aus vielleicht normal. Für Fahrradlampen allerdings ein Unding.
Ich hatte vor ein paar Jahren eine Fahrradlampe mit Glühtechnik und fünf AA-Zellen. Wegen des recht hohen Stromverbrauchs setzte ich NiHM-Akkus ein. Als die Akkus wieder einmal leer waren, prüfte ich spaßeshalber mal die Spannung jeder Einzelzelle. Drei der Zellen hatten noch fast 1V, bei den restlichen zweien maß ich eine negative Spannung =8-o Wie war das zu erklären? Die Lampe hatte wie die deinige eine FLipflop-Logik eingebaut, so dass sie über einen einfachen Taster eingeschaltet werden konnte. Diese Logik wurde aber dummerweise nur an zwei der fünf Zellen (also nominell mit 3V) betrieben, was zur Folge hatte, dass diese beiden Zellen auch in ausgeschaltetem Zustand langsam entladen wurden. Schaltete man die Lampe ein, nachdem sie fast vollständig entladen waren, wurden sie durch die drei noch aktiven Zellen in Gegenrichtung aufgeladen. Das ist für die Akkuzellen logischerweise noch schädlicher als eine Tiefentladung. Schau doch bei deiner Lampe mal nach, ob der Batteriehalter nicht vielleicht ebenfalls eine Anzapfung für 3V hat :)
Kurt B. schrieb: > Wie lange (Stunden) läuft denn so ein Batteriesatz? Habe eben mal gefragt. Insgesamt war sie 1 bis 2 Stunden im Betrieb. Die Batterien waren neu, von Varta, "Best Before 12-2025", "PD1215". Wie lange ein neuer Satz "normalerweise" läuft... keine Ahnung. Achim S. schrieb: > Stelle mit dem Labornetzteil fest, ob die Lampe ihre Helligkeit regelt > (also bei 2.5V genauso hell wie bei 4.5V). Wenn ja, wäre plötzliches Aus > vielleicht normal. Für Fahrradlampen allerdings ein Unding. Bei 2,5 V leuchtet sie sehr viel dunkler. Es lassen sich aber noch alle Modi durchschalten. Btw.: Es sind sogar 5 Modi: Volle Helligkeit (~900 mA), halbe Helligkeit (~400 mA), viertel Helligkeit (~200 mA) und zwei Blink-Modi. Yalu X. schrieb: > Ich hatte vor ein paar Jahren eine Fahrradlampe mit Glühtechnik und fünf > AA-Zellen. Wegen des recht hohen Stromverbrauchs setzte ich NiHM-Akkus > ein. Als die Akkus wieder einmal leer waren, prüfte ich spaßeshalber mal > die Spannung jeder Einzelzelle. Drei der Zellen hatten noch fast 1V, bei > den restlichen zweien maß ich eine negative Spannung =8-o Wie waren denn die Zellen verbunden? Reihe, parallel oder irgendwie getrennt? (zwei Stromkreise) > Schau doch bei deiner Lampe mal nach, ob der Batteriehalter nicht > vielleicht ebenfalls eine Anzapfung für 3V hat :) Der Batteriehalter ist in Reihe geschaltet. Erkannt man gut. Allerdings fiel mir gerade auf, dass diese Battery Plastic Tube bei mir fehlt. https://images-na.ssl-images-amazon.com/images/I/617m5uLLt4L._SL1000_.jpg Als einzige Erklärung für mich wäre nun, dass die Batterien irgendwie an die Gehäuseinnenseite kamen. Die ist ja aus Metall. Allerdings sind die Batterien ja mit Kunststofffolien überzogen. :-/ Und die Battery Plastic Tube wird höchstwahrscheinlich auch nur dafür da sein, dass das dort drinnen nicht klappert.
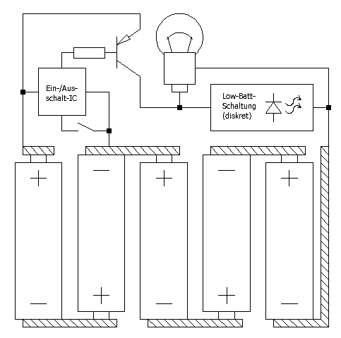
Georg 0. schrieb: > Wie waren denn die Zellen verbunden? Reihe, parallel oder irgendwie > getrennt? (zwei Stromkreise) Etwa so wie im Anhang. Das Ein-/Ausschalt-IC entlädt die linken beiden Zellen ständig.
Georg 0. schrieb: > Kurt B. schrieb: >> Wie lange (Stunden) läuft denn so ein Batteriesatz? > > Habe eben mal gefragt. Insgesamt war sie 1 bis 2 Stunden im Betrieb. Die > Batterien waren neu, von Varta, "Best Before 12-2025", "PD1215". Wie > lange ein neuer Satz "normalerweise" läuft... keine Ahnung. Die Industrie hat es ja fertiggebracht keine Kapazitätsangaben machen zu müssen (Argument: der Konsument ist zu blöd es zu kapieren bzw. hängt stark vom Verbrauch ab). Dafür kann jeder mit irgendwelchen "Wunderangaben" seine Krücken an den Mann bringen. > >> Schau doch bei deiner Lampe mal nach, ob der Batteriehalter nicht >> vielleicht ebenfalls eine Anzapfung für 3V hat :) Bei drei Zellen ist so eine Anzapfung unwahrscheinlich, die 4.5V passen auch zur Auswahlelektronik. > Der Batteriehalter ist in Reihe geschaltet. Erkannt man gut. > Allerdings fiel mir gerade auf, dass diese Battery Plastic Tube bei mir > fehlt. > https://images-na.ssl-images-amazon.com/images/I/617m5uLLt4L._SL1000_.jpg > Als einzige Erklärung für mich wäre nun, dass die Batterien irgendwie an > die Gehäuseinnenseite kamen. Die ist ja aus Metall. Allerdings sind die > Batterien ja mit Kunststofffolien überzogen. :-/ Und die Battery Plastic > Tube wird höchstwahrscheinlich auch nur dafür da sein, dass das dort > drinnen nicht klappert. Die Erklärung des fehlenen Isolatorstückes scheint wohl die naheliegendste zu sein. Das passt zu einer vollen und zwei leeren Batterien. Wickle Isolierband oben und unten um die neuen Batterien rum und dann ab zum Versuch. Kurt (irgendwer hat gefragt wieso es 0.8V sind die die Batterien schädigen. #Dabei bin ich von modernen Accus ausgegangen, diese reagieren meist sehr empfindlich auf Entladung unter eine bestimmte Schwelle und sind dann meisst stark geschädigt oder gleich ganz unbrauchbar. Die "alten" NC-Accus waren da wesentlich toleranter, sie verloren halt ein paar % und ließen sich meist wieder aktivieren.) .
So nochmal hallo in die Runde. Die "Battery Plastic Tube" scheint wohl für 18650-Akkus zu sein. Über den Batteriekäfig passt diese nicht. Bei Amazon hat aber jemand noch 2, 3 Bilder der "Platine" gepostet, wobei das für mich eher nach KSQ o.ä. aussieht, als nach Steuerung für die Lichtmodi. Wisst ihr, was diese Schaltung macht? https://images-na.ssl-images-amazon.com/images/I/71Vm8n6AbIL._SL1600_.jpg bzw. die ganze Rezension: https://www.amazon.de/gp/cdp/member-reviews/A13Z87OH4YZJMM/ref=pdp_new_read_full_review_link?ie=UTF8&page=2&sort_by=MostRecentReview#R192UEL8Q3AY0N Grüße
Georg 0. schrieb: > wobei das für mich eher nach KSQ o.ä. aussieht Was ja für LEDs angemessen ist...
Uhu U. schrieb: > Was ja für LEDs angemessen ist... Japp. Aber (nehme ich mal an! so genau kenne ich mich auch nicht aus) keine Selbstentladung oder Kriechströme rechtfertigt, die eine Batterie unter 0,2V entladen. In der Rezension wird erwähnt, dass der µC, der wie ein Transistor aussieht, für die verschiedenen Modi verantwortlich ist. Könnte es sein, dass im rückseitigen Deckel, der den Schalter/Taster enthält, auch nochmal eine Schaltung hat?
Hast du einfach mal einen frischen Satz Batterien reingesteckt und geschaut, ob sich das gleiche Entladeschema wiederhohlt? Ich tippe nämlich immer noch auf ungleichmäßige Batterien am Anfang. Gruß Kai
Georg 0. schrieb: > Japp. Aber (nehme ich mal an! so genau kenne ich mich auch nicht aus) > keine Selbstentladung oder Kriechströme rechtfertigt, die eine Batterie > unter 0,2V entladen. Wie oben schon mal angedeutet, können Akkus und Primärzellen in Reihenschaltung bei unterschiedlicher Kapazität der Zellen, die schwachen Zellen umgepolt werden. Bevor es zur Umpolung kommt, wird die betreffende Zelle natürlich erst mal bis 0 entladen.
Okay. Nach weiterer Recherche bin ich jetzt auch der Überzeugung, dass die Batterien durch den Betrieb entladen wurden. Bei knapp 1 A würden handelsübliche Akkus und Batterien wohl ca. 2 Stunden leuchten, bei geringerer Stromstärke entsprechend länger. Dass diese so "ungleich" entladen werden, war mir bisher unbekannt. Danke für die Aufklärung. Desweiteren: ich hatte ne falsche Erinnerung. Es ist doch ein Schalter und kein Taster in der hinteren Abdeckung verbaut. Also ist die komplette Schaltung in dem Bild der Rezension zu sehen. Ich betrachte den Fall jetzt als abgeschlossen. Vielen Dank nochmal für die vielen Kommentare!
Georg 0. schrieb: > Dass diese so "ungleich" entladen werden, war mir bisher unbekannt. Die werden nicht "ungleich entladen", sie haben von vorne herein unterschiedliche Kapazität, sei es durch Produktionsstreuung oder durch unterschiedliches Alter oder unterschiedlichen Lagerbedingungen.
Ich versuche in Zukunft dran zu denken :D Würdest du/würdet ihr empfehlen, anstatt von Batterien mehrere AAA-Akkus oder eine dieser 18650-Akkus zu verwenden? Die 18650-Akkus sind wohl Li-Ion-Akkus und haben eine Entladeschlussspannung von 2,5V. Ich weiß jetzt leider nur nicht, wie die Entladekurve aussieht.
Die Lithium-Akkus nehmen Tiefentladung ausgesprochen übel - von Umpolung ganz zu schweigen. Auch NiMH- oder NC-Akkus bekommt das nicht gut, aber sie sind wenigstens nicht schon nach dem ersten derartigen Vorkommnis reif für die Tonne. Bei Geräten mit Batterie-Reihenschaltung ohne Schutzfunktion sind eigentlich nur Primärzellen unproblematisch - die schmeißt man sowieso weg, wenn sie ausgelutscht sind. Für wirklich schonend für Akkubetrieb halte ich nur Geräte, die aus einer Einzelzelle gespeist werden - notfalls müsste eben die benötigte Betriebsspannung mit einem kleinen Schaltregler erzeugt werden, aber das verursacht natürlich - wenn auch geringe - Mehrkosten. Außer bei Betrieb mit einem NC-Akku, der tiefentladungsresistent (aber nur noch in Ausnahmefällen erlaubt) ist, muss auch noch eine Abschaltfunktion zum Schutz vor Tiefentladung vorhanden sein. Das alles sieht der schnäppchenverwöhnte Otto-Billigverbraucher bei Kauf und Inbetriebnahme natürlich nicht und deswegen haben die Produzenten auch wenig Anreiz, sowas anzubieten...
Bitte melde dich an um einen Beitrag zu schreiben. Anmeldung ist kostenlos und dauert nur eine Minute.
Bestehender Account
Schon ein Account bei Google/GoogleMail? Keine Anmeldung erforderlich!
Mit Google-Account einloggen
Mit Google-Account einloggen
Noch kein Account? Hier anmelden.
