Hallo, Ich habe im Anhang eine Logikschaltung, allerdings verstehe ich nicht, welcher Ausgang jetzt "Vorfahrt" hat?
Lieber 'smartphonekranker_azubi' gehe zuerst mal auf ne Entziehungskur, und komm dann zurück. Für das LOGISCHE Denken braucht man einen klaren Kopf ;-)
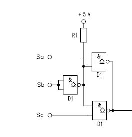
Wo stammt diese Aufgabe denn her? Die gehört dem Ersteller um die Ohren gehauen. Logikausgänge zusammenschalten und ein ODER mit einem Eingang... unglaublich.
smartphonekranker_azubi schrieb: > logikschaltung.jpg Halte die Kamera mal senkecht über deinen Zettel und mache ein scharfes Photo, damit man wenigstens den Typ der Logikbausteine vernünftig erkennen kann.
Die habe ich natürlich mit meinem Smartphone im Internet gefunden und habs mir als challenge ausgedruckt vong Schwierigkeit her
ich schrieb: > Logikausgänge zusammenschalten und ein ODER mit einem > Eingang... unglaublich. Bei OC Ausgängen geht das Zusammenschalten allemal ! Ist das nicht ein NOR und man will damit das Signal Invertieren ? (Allerdings fehlt der 2. Eingang)
>Halte die Kamera mal senkecht über deinen Zettel und mache ein scharfes >Photo, damit man wenigstens den Typ der Logikbausteine vernünftig >erkennen kann. So jetzt aber und keine Ausreden mehr
Ja, ein NOR. Open Collector Logig hat aber ein spezielles Symbol, dass auf einen OC hindeutet. Das ist hier nicht der Fall. ich denke die beiden Ausgänge der ersten Gates sollte auf 2 Eingänge des rechten NORs geführt werden, der Zeichner hat da wohl einen Fehler gemacht.
Wie wäre es mit dem Text dazu, denn wenn das keine Logikbausteine mit OC sind, dann gibt das Kurzschlüsse...
smartphonekranker_azubi schrieb: > Hier die komplette Aufgabe mit Text Macht sich der Fachkräftemangel jetzt sogar schon bei den in der Ausbuldung gestellten Aufgaben bemerkbar? ich schrieb: > Open Collector Logig hat aber ein spezielles Symbol, dass auf einen OC > hindeutet. Wenn man eine abstrakte Logikschaltung zeichnet, ist es doch erstmal völlig wirscht, in welcher Technologie und mit was für Ausgangsstufen die realisiert wird. Ein Wired-OR bleibt ein OR und ist in der abstrahierten Schaltung auch erstmal als solches zu zeichnen. Ob man das in der realen Schaltung mit Pull-Up und OC-Ausgangsstufen realisiert, steht auf einem ganz anderen Blatt.
>Macht sich der Fachkräftemangel jetzt sogar schon bei den in der >Ausbuldung gestellten Aufgaben bemerkbar? Mmhh... Man kriegt halt einen Haufen an Aufgaben, während der Lehrer mit seinen Jüngern draußen eine raucht und von seinen glorreichen Zeit bei Motorola erzählt
Aufgabe a.) Ist falsch, da kein Wired-Or-Symbol vorhanden. Aufgabe b.) Ist zum einem nicht lösbar, da der gewünschte Strom durch die LED nicht definiert ist, zum anderem ist da unten ein PNP-Transistor eingezeichnet und das Potential der Masse ist nicht definiert und die Ansteuerung des Transistors. Kurz um: Absoluter Dilettantismus! Erschreckend! Welche Leeranstalt/Stufe in welchem Land ist das?
die Verbindung beim Fragezeichen ist Unsinn, das (N)OR rechts davon sollte iwie zwei Eingänge haben... Also kommen B1 und !B2 als Eingänge ins rechte (N)OR.
Macht den diese Schaltung mehr Sinn? Die Berufsschule ist in Hessen und der Ausbildungsberuf "Elektroniker für Geräte und Systeme"
smartphonekranker_azubi schrieb: > Macht den diese Schaltung mehr Sinn? Wenn diese komischen Kästchen Open Collector Symbole sind, dann ja.
Wenn diese Kästchen OC-Ausgänge bedeuten, fehlt auf jeden Fall noch ein pull-up-Widerstand.
>Wenn diese Kästchen OC-Ausgänge bedeuten, fehlt auf jeden Fall noch ein >pull-up-Widerstand. Wie sieht die Zustandstabelle für diese Schaltung aus ?
smartphonekranker_azubi schrieb: > Wie sieht die Zustandstabelle für diese Schaltung aus ? Nenene, Freundchen. Erst einmal gibst Du einen Tip ab, den wir dann kommentieren und ggf. korrigieren.
>Nenene, Freundchen. >Erst einmal gibst Du einen Tip ab, den wir dann kommentieren und ggf. >korrigieren. Ich hab immer noch das selbe Problem mit der Doppelbelegung der Leitung :(
Das sieht doch bisher gut aus. Jetzt noch den nicht eingezeichneten Pullup am Ausgang dazu denken. Dann lese mal nach, was ein open collector in diesem Zusammenhang macht. Stichworte: "Dominaz", "Wired-???".
smartphonekranker_azubi schrieb: > Die Berufsschule ist in Hessen und der Ausbildungsberuf "Elektroniker > für Geräte und Systeme" Du bist aber nicht der, der sich die Aufgaben ausdenken soll, oder?
smartphonekranker_azubi schrieb: > Macht den diese Schaltung mehr Sinn? Das hängt doch wohl von der Aufgabe ab, die sie erfüllen soll.
Hi Zu der Logik-Schaltung mit den lustigen Zeichen drin: Durch den Pull-Up wird die Leitung auf High gezogen. Einzig das linke Gatter kann Diese auf Low ziehen (da ist das Bild aber etwas lütt, daß ich erkennen kann, was Das nun ist). Somit hast Du die Eingangssignale der rechten Logik-Bausteine. MfG
Bitte melde dich an um einen Beitrag zu schreiben. Anmeldung ist kostenlos und dauert nur eine Minute.
Bestehender Account
Schon ein Account bei Google/GoogleMail? Keine Anmeldung erforderlich!
Mit Google-Account einloggen
Mit Google-Account einloggen
Noch kein Account? Hier anmelden.




