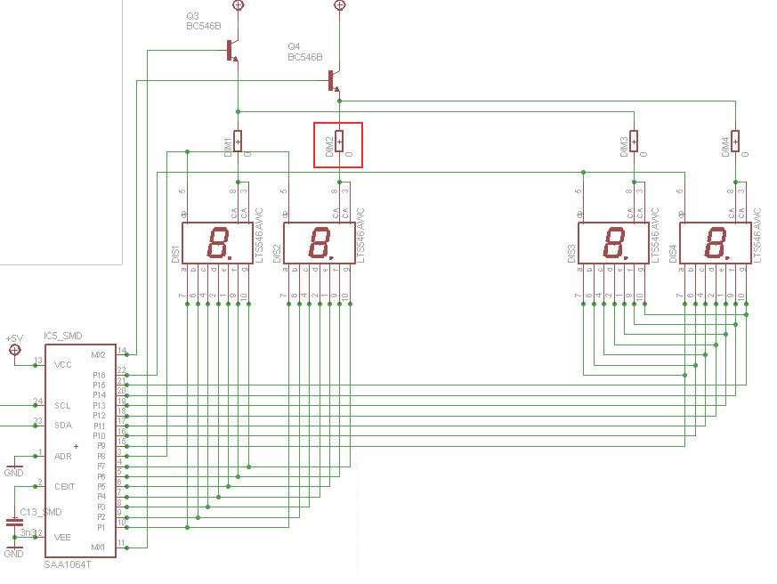
Hi, könnt ihr mir kurz bei einem Dimm-Problem am SAA1064 helfen? Die Ansteuerng/Sourcecode steht mir nicht zur Verfügung. (Redesign in Arbeit) Doch es wird die Dimmfunktion des SAA1064 implementiert und genutzt. Nun habe ich diverse 7-Segmentanzeigen, die immer noch viel zu hell sind und dachte mir, ich könnte mir an dieser stelle mit einem weiteren externen Widerstand (siehe Schaltbild) behelfen. Wo liegt dabei der Denkfehler? DENN, die Dimmung scheint nun nicht linear zu wirken und ich bekomme die 7-Segmentanzeigen nicht richtig dunkel. (Bei sehr schwacher Beleuchtung erkennt man gerade noch so, dass der SAA1064 etwas an der Helligkeit ändert, aber nur noch sehr minimal. (Bleibt fast gleich) Mir wäre mit jedem Denkanstoß sehr geholfen! Grüße Oekel
Damit trickst Du nur die Konstantstromquellen des ICs aus, d.h. schaltest sie in die Sättigung und es kann zu Ghosting kommen. Außerdem wird die Helligkeit abhängig von der Anzahl leuchtender Segmente. Andere Treiber-ICs haben einen Steuereingang für die Grundhelligkeit (z.B. MAX7221, MM5450). Der SAA1064 ist eh nicht mehr erhältlich.
Peter D. schrieb: > Der SAA1064 ist eh nicht mehr erhältlich. Ja ich weiß, altes Design und ich habe die letzten Monate arg gekämpft, um noch einige Dutzend zu bekommen. Danke für das Feedback. Das Redesign ist längst überfällig, aber laufende Posten müssen ausgeliefert werden ;)
Die Anschlüsse P1...P16 des SAA1064 sind Konstantstromsenken, die je nach gesetztem Control-Bit C4, C5 und C6 (per Software eingestellt) in 3mA-Schritten den LED-Segmentstrom im Bereich 3mA (Minimum) bis 21mA (Maximum) nach GND ableiten und zwar innerhalb der zulässigen Grenzen so gut wie unabhängig von der angeschlossenen Last. Wenn die Einstellung für 3mA immer noch zu hell ist (oder momentan kein Zugriff möglich ist, um den Minimalstrom einzustellen), könnte man einen Teil des zu hohen LED-Segmentstroms per Brute-Force-Methode durch 16 gleiche Widerstände R_x* zwischen +5V und den Pins P1...P16 vorbei an den LED-Segmenten abzweigen. Mit dieser Methode benötigt man deutlich weniger Widerstände als wenn man die Ableitwiderstände parallel zu den einzelnen LED-Segmenten legen würde. Vielleicht zunächst versuchsweise nicht alle 16 Widerstände bestücken, sondern erst einmal nur an einem der Pins P1..P16 oder nur an einer Hälfte P1..P8 bzw. P9..P16. Außerdem zur Sicherheit vorher noch den eingestellten LED-Segmentsrom an einem der Pxx-Pins per Scope nachmessen (falls nicht bekannt), indem man einen Widerstand R_x* nach +5V anschließt, der für den Maximal-LED-Strom von 21mA dimensioniert ist (also je nach LED-Farbe Größenordnung 100 Ohm) und den LED-Strom aus dem Spannungsabfall am Messwiderstand berechnen. Die zugehörigen LED-Segmente sollten bei dieser Messung dann nicht leuchten. Wenn man an die Software nicht dran kommt, könnte man die I²C-Schnittstelle auch auftrennen und einen kleinen µC mit zwei I²C-Schnittstellen einfügen** und das Protokoll bezüglich der Control-Bits manipulieren. Das ist zwar elegant, aber natürlich deutlich aufwendiger als nur 16 Widerstände dranlöten. * R_x = (U_led + U_be)/Abzweigstrom. ** 1x Slave, 1x Master, ggf. die SAA1064-Seite per Bit-Banging
D a v i d K. schrieb: > Danke für das Feedback. Das Redesign ist längst überfällig, aber > laufende Posten müssen ausgeliefert werden ;) Für die Rest-Serie (Bis deine antiquarisch erworbenen SAA1064 aufgebraucht sind) würde ich da nicht groß am Schaltplan basteln, sondern die Sache pragmatisch angehen: Dunkle Folie über die Anzeigen kleben, schon ist es gedimmt. Passende Folie gibt's z.B. billig beim Auto-Schrauber, Verschnittstücke oft gegen eine kleine Spende in die Kaffee(&Bier)-Kasse.
Pinkompartible Anzeigen, die dunkler sind ;-) Unter 3 mA kommst du über die Register vom SAA1064 nicht. Wenn schon Redesign, dann gleich was ohne den SAA1064
Gerald B. schrieb: > Pinkompartible Anzeigen, die dunkler sind ;-) Genau. Wer einen alten LED_Treiber nimmt, sollte auch alte Displays verwenden ;-)
Gerald B. schrieb: > Pinkompartible Anzeigen, die dunkler sind ;-) > Unter 3 mA kommst du über die Register vom SAA1064 nicht. Also brauche ich welche die deutlich mehr verbrauchen? Ich hoffe ich bekomme die bereits verbauten Segmente wieder heile runter. Ist ja auch nicht wenig Geld...
D a v i d K. schrieb: > Ich hoffe ich bekomme die bereits verbauten Segmente wieder heile > runter. Dann nimm dir doch den Tipp von sepic zu Herzen: Eberhard H. schrieb: > könnte man einen > Teil des zu hohen LED-Segmentstroms per Brute-Force-Methode durch 16 > gleiche Widerstände R_x* zwischen +5V und den Pins P1...P16 vorbei an > den LED-Segmenten abzweigen. Das Pinning des SAA1064 bietet sich (zumindest bei der DIL Version) geradzu an für den Einsatz einer Widerstandsmatrix.
D a v i d K. schrieb: > Ich hoffe ich bekomme die bereits verbauten Segmente wieder heile > runter. > Ist ja auch nicht wenig Geld... 16 Widerstände (s.o.) kosten bestimmt deutlich weniger und weniger Aufwand ist es auch (nur dazulöten und nichts weglöten/auftrennen).
Die Lösung von Εrnst B✶ würde ich dir hier auch gerne ans Herz legen. Billiger und schneller geht es nicht. Ausserdem sieht das ziemlich schick aus, wenn die Display bei ausgeschaltetem Gerät komplett schwarz sind. Sowohl Tönungsfolien für Autoscheiben eignen sich (selbstklebend) als auch ND (neutral density) Folien aus der Lichttechnik (nicht klebend).
Bitte melde dich an um einen Beitrag zu schreiben. Anmeldung ist kostenlos und dauert nur eine Minute.
Bestehender Account
Schon ein Account bei Google/GoogleMail? Keine Anmeldung erforderlich!
Mit Google-Account einloggen
Mit Google-Account einloggen
Noch kein Account? Hier anmelden.
