Hey, Wer kennt sich mit den alten 4000er Teilen aus? Konkret geht es um diese Schaltung: [link removed] Kann man den Takt nicht einfacher teilen?
Durch 20. Das wäre ein guter Teilfaktor. Wenns geht mit einem PLL oder so. Eingang: Rechtecksignal mit 3V. Ausgang sollte wieder 3V sein.
Cmosler schrieb: > Wenns geht mit einem PLL oder so. Was versprichst du dir von einer PLL für Vorteile und was verstehst du unter "oder so"? > Wer kennt sich mit den alten 4000er Teilen aus? Die Datenblätter. Warte bis das Internet bei dir wieder geht und dann fragst du einfach GOOGLE oder was auch immer du bevorzugst.
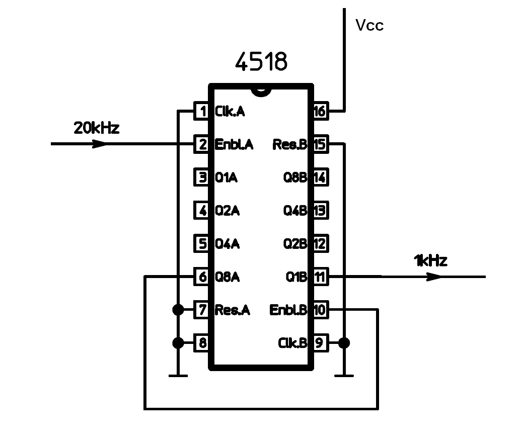
Ralf schrieb: > Durch 20, kannst Du mit nur einem Schaltkreis 4518 erledigen. OK. Und wie verschalten?
H.Joachim S. schrieb: > Magst du gar nichts selbst tun/überlegen? Werde nochmals drüber schlafen. Wird aber vermutlich ein 6pinniger µC werden.
Offensichtlich nicht. Hat sich vermutlich nicht mal das Datenblatt angesehen.
Ups. Übersehen. Da hatte ich wohl ein anderes DB. Danke dafür :-)
Das Bild habe ich nicht aus dem Netz, deshalb konntest Du es so nicht sehen (war in meinem Schaltungsarchiv).
Äh ... bei CLK auf GND zählt da garnix. Entweder ist die Beschriftung falsch, oder die Beschaltung.
Die Schaltung ist seit Jahren bei mehreren Kunden erfolgreich im Einsatz. Wenn Clk. auf Masse liegt und dafür der Enbl. zum "Clocken" verwendet wird, ändert sich nur die Flankenrichtung bei der der Teiler eine Aktion durchführt. :P
Ok ... da ist die Wahl der Bezeichnung nicht selbsterklärend. Muss man halt doch mal Datenblatt lesen, bevor man meckert ;o) Sorry! Aber irgendwie hatte ich ja dann mit "Beschriftung falsch" doch fast Recht gehabt ... falsch gewählt vom Hersteller ...
Wenn Du's so siehst, dann hast Du tatsächlich fast Recht gehabt, ja. :D
Bitte melde dich an um einen Beitrag zu schreiben. Anmeldung ist kostenlos und dauert nur eine Minute.
Bestehender Account
Schon ein Account bei Google/GoogleMail? Keine Anmeldung erforderlich!
Mit Google-Account einloggen
Mit Google-Account einloggen
Noch kein Account? Hier anmelden.
