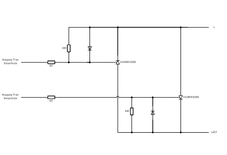
Hallo Zusammen, Ich habe folgenden, im Anhang gezeigten, Schalter aufgebaut. Angesteuert wird dieser durch ein Optokoppler (auch im Anhang). Bis jetzt genügte es für meine Anwendung, dass der Stromfluss bis zum nächsten Stromnulldurchgang weiter ging (Typisch für Thyristoren). Nun möchte ich aber den Strom abschneiden, damit ich Zustände von Systemen untersuchen kann, wie zum Beispiel die Remanenzerscheinungen eines abgeschalteten Transformators. Nun Zu meiner Frage: Wie könnte ich diese Schaltung umbauen damit dies Funtioniert. Würde man dies am besten mit IGBT's realisieren? PS: Es werden nur kleine Strome geschaltet und auch keine Großen Leistungen übertragen. Vielen Dank und Viele Grüße Kai
Du könntest einen Brückengleichrichter nehmen und mit einem Leistungsfet versehen. Da kannst du dann auch "mittendrinn" wieder öffnen.
Kai schrieb: > PS: Es werden nur kleine Strome geschaltet und auch keine Großen > Leistungen übertragen. Heisst? Im einfachsten Fall ein Photomos-Relais, wenn du mit den Strömen hinkommst. https://www.panasonic-electric-works.com/de/photomos-katalog.htm Thyristoren/Triacs kann man abschalten, wenn eine Hilfsschaltung den Strom kurzzeitig übernimmt (Löschthyristor) Dritte Variante: IGBT, Mosfet oder bipolarer Transistor in einer Diodenbrücke.
Bitte melde dich an um einen Beitrag zu schreiben. Anmeldung ist kostenlos und dauert nur eine Minute.
Bestehender Account
Schon ein Account bei Google/GoogleMail? Keine Anmeldung erforderlich!
Mit Google-Account einloggen
Mit Google-Account einloggen
Noch kein Account? Hier anmelden.

