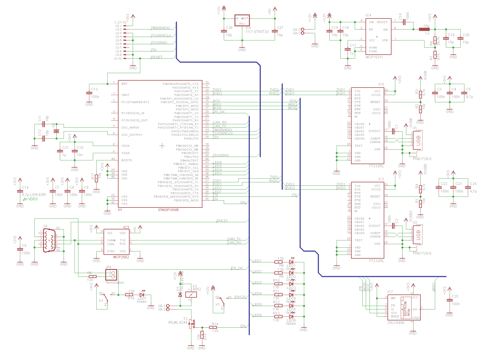
Hi, ich habe mein erstes eigenes Board mit einem STM32 drauf gebaut. Platine wurde von elecrow gefertigt. Leider bekomme ich mit meinem ST-LINK/V2 keine Verbindung zum µC. Die Verbindungen habe ich durchgemessen, die gehen vom Programmer auf die richtigen PINs am µC. Ein STM32F103 auf einem fertigen DEV-Board wird mit den selben Leitungen problemlos erkannt in der ST-Link Utility. 3,3V sind vorhanden und werden in Visual Studio von VisualGDB auch erkannt. Kurzschlüsse gibt es keine. Ich habe jeden Pin gegen den daneben liegenden durchgemessen. Ist etwas am Interface falsch (siehe Anhang), oder ist es möglich dass der µC einen weg hat? Der exakte Typ ist STM32F103CBT6. Bin für jeden Tipp dankbar.
Hey, Bei Anwendungen Ohne Batterie für die Backup Register, Soll VBat auf VDD gelegt werden. Das ist auf jeden Fall ein Fehler. Ob du den ST-Link richtig angeschlossen hast, kann ich so nicht beurteilen, ist aber bei mit eine häufige Fehlerquelle.
Es kann sein das ihm C13 = 100nF am Reseteingang stoert.
Helmut L. schrieb: > Es kann sein das ihm C13 = 100nF am Reseteingang stoert. In meiner Schaltung stört der Kondensator den ST-LINK/V2 nicht. @TO > Leider bekomme ich mit meinem ST-LINK/V2 keine Verbindung zum µC. Welche Meldung gibt die ST-LINK Utility aus?
Ich versuch das erst mal mit VBAT, das geht ja relativ einfach. Im Anhang noch die Meldung und Einstellungen von ST-LINK Utility
Martin schrieb im Beitrag: > Ein STM32F103 auf einem fertigen DEV-Board > wird mit den selben Leitungen problemlos erkannt in der ST-Link Utility. Beim Flashen mit der ST-Link Utility und z. B. dem STM2-Mini-Dev-Board liegen Boot0 und Boot1 auf Masse, in deinem Plan aber nur Boot0 - Boot1 ist offen?
Laut Günter H. schrieb: > Beim Flashen mit der ST-Link Utility und z. B. dem STM2-Mini-Dev-Board > liegen Boot0 und Boot1 auf Masse, in deinem Plan aber nur Boot0 - > Boot1 ist offen? Laut Datenblatt (RM0008) ist das so ok.
Reset Mode -> Hardware Reset ? Ist die Leitung auch angeschlossen?
Danke an euch alle, es geht jetzt! Ein VCC Beinchen war nicht richtig angelötet... Beim draufdrücken mit der Messspitze hat das Beinchen wohl Kontakt genug gehabt. Beim erneuten Messen jetzt ist mir das aufgefallen.
Bitte melde dich an um einen Beitrag zu schreiben. Anmeldung ist kostenlos und dauert nur eine Minute.
Bestehender Account
Schon ein Account bei Google/GoogleMail? Keine Anmeldung erforderlich!
Mit Google-Account einloggen
Mit Google-Account einloggen
Noch kein Account? Hier anmelden.


