Hallo, gibt es ein Simulationsprogramm, dass mir das Bodediagramm zeichnet? Also z.b. Phasenverschiebung über die Frequenz f und Impedanz Z über die Frequenz f. (womöglich auch logarithmierte Diagramme, also phi über log f und log Z über log f) Ich einen einen bestimmten RLC gemessen und möchte mit der Theorie bzw. gucken was die Simulation mir gibt. Wenn ich R=47Ohm, C=220nF und L=0,5mH habe. Kann mir jemand soetwas empfehlen bitte? Gruß paul
http://sim.okawa-denshi.jp/en/RLClowkeisan.htm Japanische Fehlermeldungen bedeuten, dass du die Werte falsch eingetragen hast. Punkt statt Komma.
Hallo, Im Anhang ein Beispiel mit LTspiceXVII (Schaltplan .asc, Plotsettings .plt). Du kannst die Y-Achse auf dB, log oder linear umschalten. Die gestrichelten Linien sind die Phase. LTspiceXVII gibt es hier. LTspiceXVII http://ltspice.linear-tech.com/software/LTspiceXVII.exe Dokumentation http://www.linear.com/designtools/software/#LTspice Tipp für das Zeichnen des Schaltplans: Bauteil drehen CTRL-r/STRG-r Bauteil spiegeln CTRL-e/STRG-e Gruß Helmut
Danke für eure Tips. Ich habe nun versucht den Prallel-Schwingkreis zu simulieren. Im Anhang befinden sich die LtSpice-Dateien und Bilder von Phasengang und "Impedanzgang". Die berechnete Eigenfrequenz ist ist ca. bei 15,8kHz bei den angegebenen LC-Werten. Als Widerstand wurde R=465 OHm gewählt, sodass die Schwingbedingung erfüllt ist. Mein Problem ist, dass ich beim Export der Daten der Graphen, also X/Y-Koordinaten die falschen Impedanz-Werte bekomme. Z.B. ist der Peak vom Impedanzgang bei 672 kOHm und abklingen tut dieser zu 465 Ohm, also bei Frequenzen die nicht Naha an der Eigenfrequenz sind, ist die Impedanz gleich dem ohmschen Widerstand ca. 465 Ohm. Diese Daten sind im angehängten Text-File zu finden. Man sieht, dass sich der Graph des Impedanzganges nur bei 53 OHm bewegt und der Peak bei 100 Ohm sein sollte. Wie bekomme ich die Daten gut exportiert? Oder was habe ich da übersehen?
Bei deiner Schaltung ist die Impedanz unendlich bei der Resonanzfrequenz egal wie groß R1 ist. Wenn du 10000 Punkte je Dekade nimmst, dann kommst du da schon näher. Der R1 gehört doch in Reihe zur Spule oder parallel zu L und C, wenn du den klassischen Parallelschwingkries haben willst. PS: Ich habe gerade festgestellt, dass LTspice bei ".ac dec" nicht wesentlich mehr als 30000 Punkte je Dekade nimmt. Mit ".ac lin" gibt es da keine Einschränkung. Ich werde dem Entwickler von LTspice (Mike Engelhardt) schreiben und fragen warum es diese Einschränkung gibt. .ac lin 1000000 15.68k 15.69k Damit bekommt man dann sogar 1GigaOhm, wenn man Rser=0 in der Spule spezifiziert. Ohne diese Angabe nimmt LTspice einfach Rser=1mOhm.
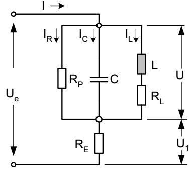
Ja genau die Schaltung sollte so aufgebaut werden. Im Anhang ein Bild. Rp soll unendlich angenommen werden und R_L mit 0 Ohm. Ich weiß, dass die angegebene Spule ca. 0,8OHm Widerstand hat. Also habe ich mal R_res=0,8 gesetzt und mein Impedanzmaximum bei Eigenfrequenz 15,8kHz beträgt nur 3,12kOhm. Wird man also diesen Wert 3,12kOhm auch erhalten, wenn ich am Oszilloskp die amplitude des Eingangssignals durch die Amplitude der Spannung oder Strom am Widrestand, d.h. V(U1)/I(R1) rechne, erhalten? Oder was ist dann ein realistischer Wert? Etwas doch im Gigaohm-Bereich?
Bei der Messung mit dem Oszilloskop wird man maximal die 3,12kOhm erreichen da der Ohmsche Spulenwiderstand wegen Skineffekt sogar noch etwas höher ist und falls die Spule einen Ferritkern hat kommen deren Verluste noch dazu.
Ok, danke. Also soweit hat ja alles super geklappt. Ich konnt die Werte gut ablesen mit dem Cursor etc. Aber das exportieren funktioniert noch immer nicht. Wen nich die X/Y-Koordinaten exportieren will, bekomme ich ganz verschieden Werte. Meistens um Größenordnungen verschoben. Und das war auch das ursprüngliche Problem. Jedoch bin ich ratlos, warum das so ist.
> Wen nich die X/Y-Koordinaten exportieren will, bekomme ich ganz
verschieden Werte. Meistens um Größenordnungen verschoben.
Das glaube ich aber nicht. Das funktioniert bei mir.
Ist dir bewusst, dass bei .AC im Format "Polar" immer dB-Werte
exportiert werden?
Umrechnung:
10^(dBZahl/20)
Hier mal ein Auszug:
1.44543977074592e+004 (5.47091791147400e+001dB,3.12252601094769e+001°)
1.47910838816820e+004 (5.56885170646638e+001dB,4.01803451802641e+001°)
1.51356124843620e+004 (5.80244397491874e+001dB,5.42661807972425e+001°)
1.54881661891248e+004 (6.55030028336746e+001dB,7.56627661904860e+001°)
1.58489319246111e+004 (6.71101510227460e+001dB,-7.81066865426902e+001°)
1.62181009735893e+004 (5.84035616773365e+001dB,-5.60081287572878e+001°)
1.65958690743756e+004 (5.58323189195406e+001dB,-4.12835158417598e+001°)
1.69824365246174e+004 (5.47753258638801e+001dB,-3.19370813814394e+001°)
Nur zwei Werte sind ca. 2kOhm (65,5dB und 67,11dB). Alle anderen Werte
in der Datei dümpeln bei ca. 54dB (500Ohm) herum.
Danke!! Stimmt, hast recht, habe ich völlig übersehen. Zumal kann man die Daten ja auch Cartesian exportieren :D. Eine Frage hätte ich noch: Wenn ich ja jetzt die Daten exportiere bekomme ich ja das Format: Frequenz Impedanz Phase im File. Kann irgende jedoch nur Frequenz und Impedanz bzw. Frequenz und Phase in ein File speichern? Weil ich möchte gerne die Zehntausende Werte kopieren und seperat zeichnen lassen und sodass ich es kopieren kann bräuchte ich Frequenz und Impedanz nebeneinander und nichts anderes. Ich habs versucht am Plot eine der Y-Achsen zu löschen, es hat auch geklappt, nur bekomme ich trotdzem beide Werte der y-Achsen(phase und impedanz) exportiert.
Bitte melde dich an um einen Beitrag zu schreiben. Anmeldung ist kostenlos und dauert nur eine Minute.
Bestehender Account
Schon ein Account bei Google/GoogleMail? Keine Anmeldung erforderlich!
Mit Google-Account einloggen
Mit Google-Account einloggen
Noch kein Account? Hier anmelden.




