Helligkeit Messung Hallo die Herren, ich komme nicht weiter. Warum mein ATmega8 in der STK500 arbeitet ausgezeichnet und außerhalb funktioniert das analoge Messung überhaupt nicht? Was hat er, was ich nicht habe ? Schaut euch bitte mein Schema an. Ich hoffe jemand hat eine Antwort darauf. Sachen gibt es. Grüße Rafael
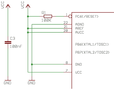
Hast Du AVCC etc angeschlossen? Hast du AREF mittel 100nF-Kondensator entkoppelt?
Seit wann schliesst man bei einem Phototransistor die Basis an? -> verbinde den Emitter des Phototransistors mit dem Portpin (internen PullUp aktivieren), und lass die Basis (wenn überhaupt vorhanden) offen. Viel Spass noch... Magnetus
Vielleicht wäre eine Photodiode mit adäquatem Verstärker oder in photoresistiver Schaltung gegen Vcc, oder eine korrekte Beschaltung des PT hilfreich? 3N
Hallo erneut, schön, so viele die mithelfen wollen. Danke Euch allem. Bin begeistert! Aber Glaub mir, mit STK500 funktioniert wirklich sogar hervorragend. Und außerhalb, ist der Spaß vorbei. Trotz ganz einfacher Grundausrüstung (sehe Anlage). @ Magnetus Meine Zeichnung mit dem Transistor war falsch. Sorry, in Wirklichkeit ist so wie Du es vorgeschlagen hast. Ja, das AVCC ist mit +5V zusammen mit AREF angeschlossen. Das mit dem 100nF Kondensator an AREFF habe ich auch ausprobiert. Was erstaunlich ist: STK500 hat Spannung zwischen GND und PC0 (ADC0) konstant von 4,4 V Außerhalb ist es in mV Bereich und total unstabil (läuft hin und her). Mann soll/kann AREF direkt mit Vcc verbinden oder auch eine interne Spannungsreferenz von 2,56 oder 5 Volt nehmen. In diesem Fall muss der AREF Pin unbeschaltet bleiben. Auch das habe ich schon durch. Ich sollte Becker werden. Rafael
wenn dann Bäcker... oder hast du so ein ausschweifendes Sexualleben wie Boris?
Hallo, ich habe mir versprochen, wenn ich mein Problem lösen werde, mache ich es public. So muss es sein sehe JPG Bild. Danke für Eure Unterstützung. Grüße Rafael
Bitte melde dich an um einen Beitrag zu schreiben. Anmeldung ist kostenlos und dauert nur eine Minute.
Bestehender Account
Schon ein Account bei Google/GoogleMail? Keine Anmeldung erforderlich!
Mit Google-Account einloggen
Mit Google-Account einloggen
Noch kein Account? Hier anmelden.

