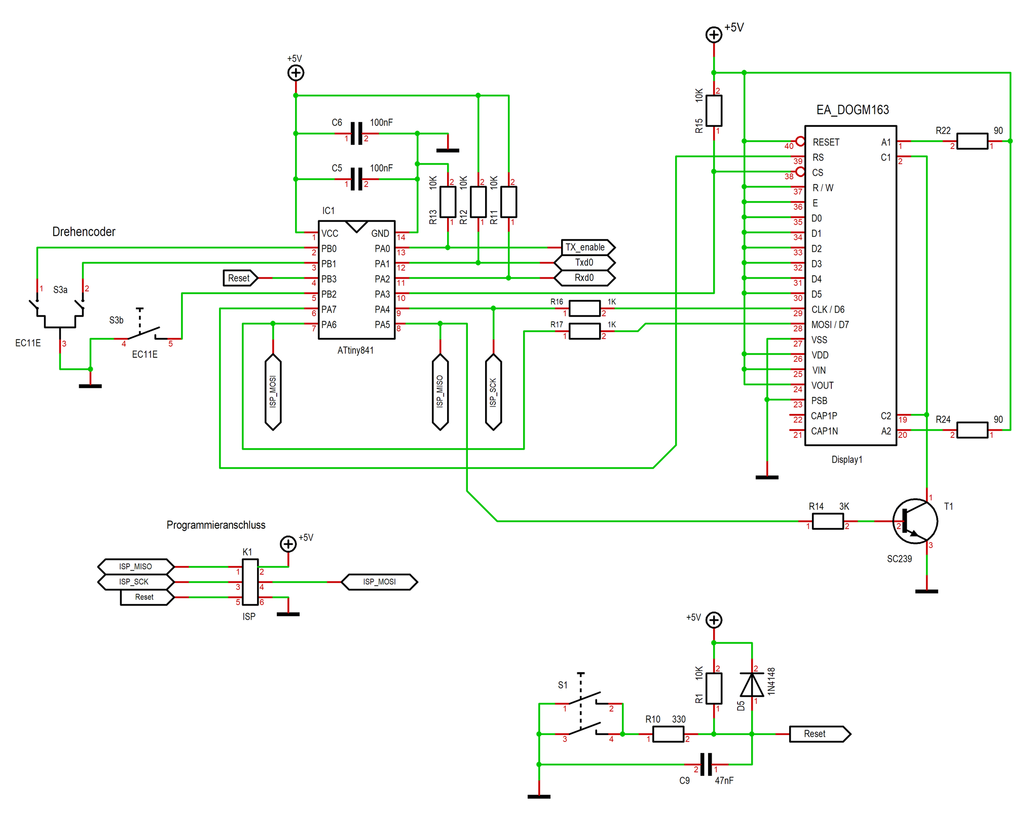
Hallo, habe einen Schaltplan erstellt und paar Fragen dazu. Die mir so durch den Kopf schwirren. Die Widerstände R16 und R17 kann ich doch weglassen? Weil [CKL] und [MOSI] am Display Eingänge sind und [CS] per Pullup auf High liegt während des ISP Programmiervorgangs. Die Helligkeitssteuerung mittels [MISO] Pin klappt so nicht, weil der von der Hardware SPI belegt ist? Also entweder anderen µC mit mehr Pins oder auf Trimmpoti umbauen? Oder Software SPI verwenden?
Veit D. schrieb: > Die Helligkeitssteuerung mittels [MISO] Pin klappt so nicht, weil der > von der Hardware SPI belegt ist? Jo, die Aktivierung der SPI Hardware überschreibt die MISO Konfiguration. Veit D. schrieb: > Oder Software SPI verwenden? So hab ichs gerade mit dem DOGM-162 gemacht. Viel verliert man nicht.
Hallo, Alternativ könnte man einen der Taster an MISO anschließen, der Zustand eines Portpins lässt sich über das Inputregister immer auslesen. Solltest du allerdings eine HW-PWM brauchen hab ich nicht geschaut ob die an einem der Tasterpins auch möglich ist. Sascha
Crazy H. schrieb: > Wieso CS mit PullUp? Kann der Pin doch selber treiben. Damit man das Programm beim upload nicht auf dem Display sieht. CS hängt derweil in der Luft. Sascha
Hallo, Danke für die Infos. Habe mir das nochmal überlegt. Die Helligkeitssteuerung mit Transistor ist Overkill. Würde auch nur mittels Encoder die Helligkeit nach Lust und Laune einstellen und der Transistor würde sturr PWM machen. Den Aufwand kann ich mir schenken und stell das klassisch mit Poti ein. Wäre der Schaltplan so okay? (mit ESD Schutz fühle ich mich einfach wohler) CS Pullup deshalb, weil die Nicht ISP Pins während des flashens hochohmig sind. Damit kommt das Display nicht auf dumme Gedanken. Wäre auch allgemein gültig, wenn was anderes als SPI Slave angeschlossen wäre.
Ich würde am Display zwischen VDD und VSS und zwischen VIN und VSS jeweils noch einen 100n hinsetzen. fchk
Hallo, die Spannungsversorgung abblocken mach ich noch. Einer sollte reichen, sind ja alle direkt benachbart. :-)
Bitte melde dich an um einen Beitrag zu schreiben. Anmeldung ist kostenlos und dauert nur eine Minute.
Bestehender Account
Schon ein Account bei Google/GoogleMail? Keine Anmeldung erforderlich!
Mit Google-Account einloggen
Mit Google-Account einloggen
Noch kein Account? Hier anmelden.

