Hallo, Kennt jemand eine Methode um ein Rechtecksignal zwischen 2 und 40kHz mit einem uC zu schalten. Der Schaltkontakt sollte ähnlich sein wie bei einem Relais, halt potentialfrei. Der fliessende Strom beträgt ungefähr 30mA. Eine Möglichkeit wäre ein DG-Schalter, jedoch fand ich für mein Strom kein passendes IC. Hat jemand eine Lösung ?
Es ist keine Schande, Relais zu benutzen. Die wurden und werden immer noch für solche Anwendungen gemacht.
Das Benutzen von Relais ist zwar eine gute Idee, aber da ich das für 8 Kanäle gleichzeitig bräuchte fehlt mir den Platz dafür und ich müsste vermutlich den Ausgang von uC treiben.
Hallo Herrmann, 2-40 kHz ist für Relais aller Art unmöglich und für Optokoppler ziemlich rasant. Wald- und Wiesen- Optokoppler sind dafür nicht geeignet. Aber es gibt spezielle OK, um IGBT`s zu treiben, die können das. Allerdings brauchen die auf der anderen Seite eine Betriebsspannung.
Danke für deine Antwort. Ich habe im Anhang ein Bild hinterlegt wie ich mir das vorstelle.
Manfred schrieb: > der schreckliche Sven schrieb: >> 2-40 kHz ist für Relais aller Art unmöglich > Blödsinn zum Quadrat. Das kommt eben dabei raus, wenn man die Signalfrequenz als Schaltfrequenz (fehl)interpretiert. @TO: Da bieten sich Photo-MOS Relais an, z.B. AQY211.
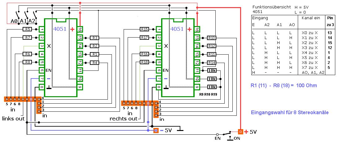
Oder Du machst das mit einem 4051 Muxer, der kann dann gleich 8 Kanäle, aber 30mA sind damit hart an der Grenze. Schaltspannung 5V geht dafür, Stufenschalter dran EN auf L Potential, fertig. Hier kannst Du das Prinzip mal bei einer Eingangswahlschaltung sehen. http://www.analog-forum.de/wbboard/index.php?thread/77848-to-3-symasym/&postID=1633812#post1633812
Dieter W. schrieb: > Das kommt eben dabei raus, wenn man die Signalfrequenz als > Schaltfrequenz (fehl)interpretiert. Da hast Du natürlich Recht. Aber da Herrmann erst eine halbe Stunde nach meinem Post mitteilte, was er machen will, habe ich eben interpretiert. Und da habe ich meine 50-Prozentige Fehlerquote voll genutzt.
Hermann schrieb: > Der Schaltkontakt sollte ähnlich sein wie bei einem Relais, halt > potentialfrei. Ein Relais hat eine hohe Isolationsspannung, meist 1500 bis 4500V. > Eine Möglichkeit wäre ein DG-Schalter, Damit meinst du sicherlich Analogschalter wie DG412. Die isolieren aber nicht, sondern erlauben nur ein frei verschiebbares Potential der geschalteten Spannung innerhalb der Versorgungspannung, also z.B. +15V/-15V oder von 0V bis 5V in Bezug zu GND der digitalen Steuerspannung. > jedoch fand ich für mein Strom kein passendes IC. 30mA schaffen viele Analogschalter. Die Frage ist, wie hoch der Spannungsabfall sein darf. Alleine Maxim listet 195 wenn ich RDSon auf 15 Ohm vorgebe https://www.maximintegrated.com/en/products/analog/analog-switches-multiplexers.html
Bitte melde dich an um einen Beitrag zu schreiben. Anmeldung ist kostenlos und dauert nur eine Minute.
Bestehender Account
Schon ein Account bei Google/GoogleMail? Keine Anmeldung erforderlich!
Mit Google-Account einloggen
Mit Google-Account einloggen
Noch kein Account? Hier anmelden.

