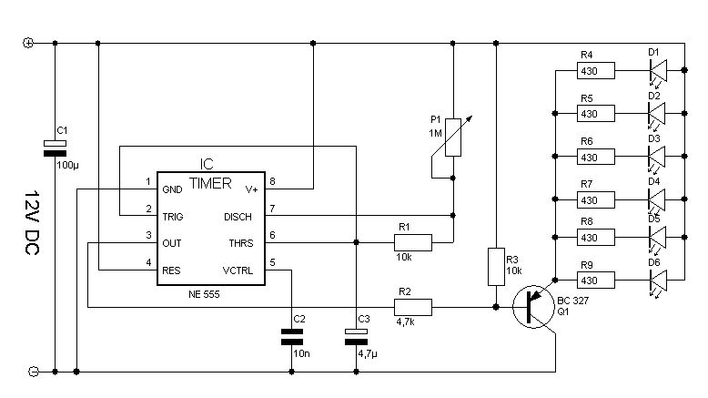
Hallo Forenmitglieder, ich bin neu hier und habe mit Elektronik noch nicht sehr viel am Hut. Ich kenne zwar die Funktionen von Kondensatoren, Transistoren usw. aber habe kein tieferes Verständnis für komlette Schaltungen. Da mir aber das Platinen ätzen und Löten handwerklich Spaß macht, habe ich mich an einem LED Stroboskop versucht. Der Angehängte Schaltplan wurde so nachgebaut und hat auch gut funktioniert. Da ich nun aber eine Euro Platine voller Leds bestückt habe (je 3 in Reihe + Vorwiderstand) reicht der Transistor Q1 nicht mehr aus um den Strom (2,24A) zu schalten. Also fix in die Teilekiste gegriffen und folgende Transistoren mit ausreichender Leistung ausprobiert: BD442 und BD678 Beides Mal hatte ich das Problem, dass die Leds bis auf ein paar Ausnahmen sehr dunkel leuchteten. Nun meine Frage: Welches Bauteil eignet sich dafür, am Ausgang des NE555 zu schalten? Könnte nicht der PNP Transistor gegen einen NPN getauscht werden, solange R3 auf Masse gehängt oder sogar weggelassen wird? Ich freu mich auch eure Antworten Gruß Stroker
3 LED in Reihe heisst dreifache Flussspannung. Vielleicht reicht es noch die Vorwiderstände zu verkleinern, aber vermutlich sind 3 in Reihe zu viel für 12V.
Die LEDs haben eine Flussspannung von 3,3V, also hab ich 9,9V in Reihe. Der Vorwiderstang beträgt 68 Ohm. I=U/R =2,1V/68R =30,9mA Müsste soweit passen. Wenn ich die Platine mit LEDs direkt an meine 12V Versorgungsspannung klemme leuchten alle sehr hell und gleichmäßig auf.
Peter R. schrieb: > BD442 und BD678 Es sollten beide Transistoren gehen, aber für den BD442 solltest du R2 und R3 halbieren bis dritteln. Der BD678 ist ein Darlington mit sehr hoher Stromverstärkung, der braucht das nicht, es schadet aber nicht, es mal mit 2,2kOhm für R2 zu probieren. Leider schreibst du nicht, welche Farbe die LED haben. Weiss und Blau brauchen etwa 3V zum Leuchten, so das du den Vorwiderstand mit (12V-9V)/ LED Strom berechnen solltest. Rote, gelbe und grüne LED sind mit 1,3 - 1,6V zufrieden.
Danke für die Antwort, Ich habe weiße LED mit 3,3V Flusspannung und 20-35mA Strom. Mein Problem ist nur beim Betrieb der LEDs an der Stroboskop-Schaltung. Es leuchten alle Leds sehr schwach, nur manche einzelne leuchten mit voller Kraft.
Peter R. schrieb: > Die LEDs haben eine Flussspannung von 3,3V, also hab ich 9,9V in > Reihe. > Der Vorwiderstang beträgt 68 Ohm. I=U/R =2,1V/68R =30,9mA > Müsste soweit passen. > > Wenn ich die Platine mit LEDs direkt an meine 12V Versorgungsspannung > klemme leuchten alle sehr hell und gleichmäßig auf. Ist das ein Original NE555? Oder eine der CMOS Versionen?
Peter R. schrieb: > Könnte nicht der PNP Transistor gegen einen NPN getauscht werden, > solange R3 auf Masse gehängt oder sogar weggelassen wird? Das sollte klappen. Dann kannst du aber auch gleich einen N-Kanal MOSFet nehmen, dann verlierst du die CE Spannung nicht mehr. Es sollte hier so gut wie jeder gehen, solange du ihm aus dem 555 12V Gatespannung liefern kannst. Umpolen musst du ihn, so das die Source auf Masse geht.
THOR schrieb: > Ist das ein Original NE555? Oder eine der CMOS Versionen? da kenn ich den Unterschied leider nicht. Auf einem steht NE555N und auf einem weiteren, den ich mal ausprobiert hatte stand NE555P. Ich werde mal raus in meine Werkstatt und den R2 auf 2,2k verkleinern. Ich kann mir aber nur vorstellen, dass das was bringt wenn der Transistor vorher noch nicht vollständig durchgeschaltet hat. Aber bei einem BD678 am Ausgang vom NE müsste das doch anständig durchschalten? Entschuldigung für meine fachlich inkorrekten Formulierungen, ich hab die Freude an der Elektronik erst vor kurzem wiederentdeckt. Ich komme eigentlich aus dem Bereich KFZ und Motorsport
Matthias S. schrieb: > Der BD678 ist ein Darlington mit sehr hoher Stromverstärkung, der > braucht das nicht, es schadet aber nicht, es mal mit 2,2kOhm für R2 zu > probieren. Also vielen Dank an alle, die mir geholfen haben, ist echt ein super Forum hier. Seit ich R2 verkleinert habe blinken die LEDs in voller Leuchtkraft.
Warum schaltest du den Transistor nicht in Emitterschaltung? Der Spannungsteiler aus R2 und R3 begrenzt deine Basisspannung gegenüber +12V auf etwa -8.2V. Abzüglich der BE-Spannung des Transistors bleiben dann bestenfalls noch etwa 7.6V für LEDs + Vorwiderstand. Wie sollen damit 3 LEDs vernünftig leuchten?
Wolfgang schrieb: > Warum schaltest du den Transistor nicht in Emitterschaltung? Bei 2,24 A laut Angabe würde ich eher einen FET nehmen...
Wolfgang schrieb: > Warum schaltest du den Transistor nicht in Emitterschaltung? Ganz einfach: Die Schaltung stammt nicht von mir, wurde nur mal blind nachgebaut. Dass der Ausgang so murks ist hab ich auch festgestellt. Wolfgang schrieb: > Abzüglich der BE-Spannung des Transistors bleiben > dann bestenfalls noch etwa 7.6V für LEDs + Vorwiderstand. Laut Datenblatt beträgt die CE-Spannung 2,5V. Das ist doch dann mein kleinster Spannungsabfall den ich am Transistor erreichen kann. (Selbst in diesem Fall würde es nicht für meine 3 LEDs reichen).. Da Uce = Ube wenn der Transistor voll durchsteuert, muss ich es schaffen an der Basis 9,5V zu haben. Hab ich das so richtig verstanden? Mani W. schrieb: > Bei 2,24 A laut Angabe würde ich eher einen FET nehmen... Ich such mir mal ein FET raus, ich möchte nämlich ungern meine Europlatine voller LEDs auf 2er Reihen umlöten.
Bitte melde dich an um einen Beitrag zu schreiben. Anmeldung ist kostenlos und dauert nur eine Minute.
Bestehender Account
Schon ein Account bei Google/GoogleMail? Keine Anmeldung erforderlich!
Mit Google-Account einloggen
Mit Google-Account einloggen
Noch kein Account? Hier anmelden.
